Wprowadzenie

Niniejszy produkt spełnia wymagania stosownych dyrektyw europejskich. Więcej informacji zawiera deklaracja włączenia na końcu niniejszej broszury.

Ten walec jest przeznaczony do pielęgnacji trawy na obszarach greenów i małych terenów fairway na polach golfowych. Używanie produktu w celach niezgodnych z jego przeznaczeniem może okazać się niebezpieczne dla operatora i osób postronnych.

Przeczytaj uważnie poniższe informacje, aby poznać zasady właściwej obsługi i konserwacji urządzenia, nie uszkodzić go i uniknąć obrażeń ciała. Odpowiedzialność za prawidłowe i bezpieczne użytkowanie produktu spoczywa na Tobie.

Odwiedź www.Toro.com w kwestiach dotyczących materiałów szkoleniowych z zakresu bezpieczeństwa oraz eksploatacji produktu, informacji na temat akcesoriów, pomocy w znalezieniu autoryzowanego sprzedawcy lub rejestracji urządzenia.

Aby skorzystać z serwisu, zakupić oryginalne części firmy Toro lub uzyskać dodatkowe informacje, należy skontaktować się z autoryzowanym dystrybutorem firmy Toro. Prosimy o przygotowanie numeru modelu i numeru seryjnego produktu. Model i numery seryjne znajdują się na tabliczce znamionowej na tylnej ramie. Zapisz je w przewidzianym na to miejscu.

Important: Urządzeniem mobilnym zeskanuj kod QR (jeśli występuje) na tabliczce z numerem seryjnym, aby uzyskać informacje o gwarancji, częściach zamiennych i innych kwestiach związanych z produktem.

g279029

Niniejsza instrukcja zawiera opis potencjalnych zagrożeń, a zawarte w niej ostrzeżenia zostały oznaczone symbolem ostrzegawczym (Rysunek 2), który sygnalizuje niebezpieczeństwo mogące spowodować poważne obrażenia lub śmierć w razie zlekceważenia zalecanych środków ostrożności.

g000502

W niniejszej instrukcji występują 2 słowa podkreślające wagę informacji. Ważne zwraca uwagę na szczególne informacje techniczne, a Uwaga podkreśla informacje ogólne, wymagające szczególnej uwagi.

Bezpieczeństwo

Ogólne zasady bezpieczeństwa

Występuje ryzyko obcięcia dłoni i stóp. Aby uniknąć poważnych obrażeń ciała, zawsze przestrzegaj wszystkich instrukcji dotyczących bezpieczeństwa.

  • Przed pierwszym uruchomieniem silnika należy zapoznać się z niniejszą instrukcją obsługi.

  • Nie zbliżać dłoni ani stóp do ruchomych części maszyny.

  • Zabronione jest używanie maszyny bez założonych i działających wszystkich osłon oraz innych urządzeń ochronnych.

  • Nie pozwalaj osobom postronnym i zwierzętom przebywać w pobliżu maszyny.

  • Nie zezwalać dzieciom na podchodzenie w pobliże obszaru pracy. Nigdy nie pozwalaj dzieciom obsługiwać maszyny.

  • Jeśli z jakiegokolwiek powodu musisz opuścić stanowisko operatora, zaparkuj maszynę na równym podłożu, opuść zespoły tnące, odłącz napędy, załącz hamulec postojowy (jeżeli występuje), wyłącz silnik i wyjmij kluczyk zapłonu.

Niewłaściwe użytkowanie lub nieprawidłowa konserwacja maszyny mogą spowodować obrażenia ciała. Aby zmniejszyć ryzyko urazu, należy postępować zgodnie z niniejszymi instrukcjami bezpieczeństwa i zawsze zwracać uwagę na symbol dotyczący bezpieczeństwa Graphic, który oznacza: uwaga, ostrzeżenie lub niebezpieczeństwo – instrukcja dotycząca bezpieczeństwa osobistego. Nieprzestrzeganie powyższych zasad może doprowadzić do obrażeń ciała lub śmierci.

Bezpieczeństwo używania walca

  • Walec stanowi część kompletnej maszyny dopiero po zamontowaniu na jednostce jezdnej. Uważnie zapoznaj się z instrukcją obsługi jednostki jezdnej, aby uzyskać pełne informacje dotyczące bezpiecznej eksploatacji maszyny.

  • Po uderzeniu w przedmiot lub w razie wystąpienia odbiegających od normy drgań zatrzymaj maszynę, wyjmij kluczyk i odczekaj aż zatrzymają się wszystkie ruchome elementy, a następnie sprawdź osprzęt. Przed kontynuowaniem pracy przeprowadź wszystkie niezbędne naprawy.

  • Utrzymuj wszystkie części w nienagannym stanie. Wszystkie elementy montażowe muszą być dobrze dokręcone. Wymień wszystkie zużyte lub uszkodzone etykiety.

  • Stosuj wyłącznie akcesoria, osprzęt i części zamienne zatwierdzone przez firmę Toro.

Montaż

Montaż zespołu Tri-Roller

  1. Ustaw maszynę na równej nawierzchni, zatrzymaj silnik, załącz hamulec postojowy i wyciągnij kluczyk zapłonu.

  2. Umieść zespół walców potrójnych pod ramieniem podwieszonym.

  3. Gdy zapadki na pręcie podwieszonego ramienia skierowane są ku górze (Rysunek 3), popchnij podwieszone ramię w dół, tak aby pręt dopasował się do pręta biegnącego wzdłuż górnej części zespołu walców potrójnych (Rysunek 4).

    g018311
    g018312
  4. Domknij zapadki w dół i wokół pręta zespołu walców potrójnych, po czym zablokuj je na swoim miejscu (Rysunek 3).

    Note: Zatrzaśnięciu się zapadek towarzyszy charakterystyczne kliknięcie.

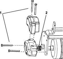
  5. Umieść silnik po lewej stronie zespołu walców potrójnych (patrząc od strony operatora) i pociągnij pręt przytrzymujący silnik na zespole walców potrójnych w kierunku silnika, aż do usłyszenia charakterystycznego kliknięcia po obu stronach silnika (Rysunek 5).

    g014690

Demontaż zespołu Tri-Roller

  1. Zaparkuj maszynę na równej, czystej nawierzchni, opuść zespoły walców potrójnych na podłoże, aż do pełnego wysunięcia siłowników hydraulicznych zawieszenia, wyłącz silnik, załącz hamulec postojowy i wyjmij kluczyk zapłonu.

  2. Wypchnij pręt mocujący silnik z otworów w silniku w stronę zespołu walców potrójnych i wymontuj z niego silnik.

    g014605
  3. Umieść silnik w magazynku znajdującym się z przodu ramienia podwieszonego.

    Note: Gdy silniki wrzecion znajdują się w uchwytach w ramie maszyny, nie unoś ramienia podwieszonego do położenia transportu. Silniki lub przewody mogą ulec uszkodzeniu. Jeśli zachodzi konieczność przemieszczania zespołu jezdnego bez zamontowanych zespołów walców potrójnych, zamocuj je do ramion podwieszonych za pomocą opasek zaciskowych.

  4. Otwórz zapadki na pręcie podwieszonego ramienia demontowanego zespołu walców potrójnych.

  5. Odłącz zapadki od pręta zespołu walców potrójnych.

  6. Wytocz zespół walców potrójnych spod ramienia podwieszonego.

  7. W razie potrzeby powtórz kroki od 2 do 6 w przypadku innych zespołów walców potrójnych.

Dodanie przeciwwagi

Części potrzebne do tej procedury:

Zestaw obciążników, 119-7129 (kupowany osobno)1

Niniejsza maszyna spełnia wymagania norm ANSI B71.4-2017 i EN ISO 5395: w przypadku wyposażenia go w zestaw obciążników, nr części 119-7129.

Działanie

Instalowanie przeciwwag silnika elektrycznego

Note: Jeżeli zespół walców potrójnych będzie montowany na kosiarce do greenów o numerze modelu 04530 lub 04540, konieczne jest zastosowanie dodatkowej przeciwwagi hybrydowej.

  1. Odkręć i wyrzuć śruby przeciwwagi.

  2. Wkręć 2 śruby (5/16-18 x 2¾ cala) w sposób pokazany na Rysunek 7.

    Note: Takie śruby nie są dołączone do tego zestawu. Należy zamówić część Toro nr 322-33.

  3. Umieść 4 podkładki (⅛ cala, 3 mm) na każdej śrubie między przeciwwagą a płytą boczną walca Tri-Roller (Rysunek 7).

    Note: Takie podkładki nie są dołączone do tego zestawu. Należy zamówić część Toro nr 63-8410.

  4. Zamontuj dołączoną do zespołu trakcyjnego hybrydową przeciwwagę za pomocą dołączonych śrub.

g254873

Okres próbny

Przed walcowaniem obszarów green znajdź wolny obszar i przećwicz ruszanie i zatrzymywanie się, podnoszenie, opuszczanie i walcowanie z użyciem zespołów walców potrójnych.

Wskazówki dotyczące obsługi

Podczas walcowania utrzymuj prostą linię jazdy. Nie skręcaj, jeśli walce potrójne znajdują się na podłożu.

Po osiągnięciu krawędzi obszaru green unieś walce potrójne przed wykonaniem skrętu lub zatrzymaniem się. Uniesienie walców potrójnych jest konieczne przed wykonaniem skrętu. Sprawdź, czy na obszarze green nie znajdują się jakiekolwiek przeszkody mogące ulec uszkodzeniu lub mogące spowodować uszkodzenie walców, takie jak głowice zraszaczy lub wystające przedmioty.

Konserwacja

Przygotowanie do konserwacji

Przed przystąpieniem do jakiejkolwiek konserwacji należy wykonać następujące czynności:

  1. Zatrzymaj maszynę na równym podłożu.

  2. Opuść jednostki walca całkowicie na podłoże, tak aby hydraulika zawieszenia została całkowicie wysunięta.

  3. Zaciągnij hamulec postojowy, wyłącz silnik i wyjmij kluczyk.

Smarowanie zestawu walców potrójnych

Smaruj wtłaczając smar przez 2 smarowniczki (Rysunek 8) na każdym zespole walców potrójnych co każde 15 godzin pracy, używając smaru nr 2 na bazie litu. W celu uzyskania najlepszych rezultatów zaleca się stosowanie smarownicy ręcznej.

  1. Oczyść każdą smarowniczkę czystą szmatką.

  2. Wtłaczaj smar do łożysk wałów zespołu walców potrójnych, aż da się odczuć opór (Rysunek 8).

    g018317
  3. Zetrzyj nadmiar smaru.