Giới thiệu

Sản phẩm này tuân thủ tất cả các chỉ thị liên quan của Châu Âu. Để biết thông tin chi tiết, vui lòng xem Tuyên bố Thành lập (DOI) ở phía sau hướng dẫn sử dụng này.

Con lăn này được thiết kế để duy trì mặt cỏ trên bãi cỏ và đường fairway nhỏ trên sân gôn. Việc sử dụng sản phẩm này cho các mục đích khác với mục đích sử dụng ban đầu có thể gây nguy hiểm cho bạn và những người xung quanh.

Hãy đọc kỹ thông tin này để hiểu cách vận hành và bảo trì sản phẩm của bạn đúng cách cũng như để tránh gây chấn thương và hư hỏng sản phẩm. Bạn là người chịu trách nhiệm vận hành sản phẩm đúng cách và an toàn.

Hãy truy cập www.Toro.com để xem các tài liệu về an toàn sản phẩm và đào tạo vận hành, thông tin về phụ kiện, trợ giúp tìm đại lý hoặc đăng ký sản phẩm của bạn.

Bất cứ khi nào bạn cần dịch vụ, phụ tùng Toro chính hãng hoặc thông tin bổ sung, vui lòng chuẩn bị sẵn kiểu máy, số sê-ri của sản phẩm và liên hệ với nhà phân phối Toro được ủy quyền. Kiểu máy và số sê-ri nằm trên biển số ở khung phía sau. Hãy viết các số vào khoảng trống cho sẵn.

Important: Bạn có thể quét mã QR trên số sê-ri (nếu được trang bị) bằng thiết bị di động của mình để truy cập thông tin về bảo hành, phụ tùng và các sản phẩm khác.

g279029

Hướng dẫn sử dụng này xác định các nguy cơ tiềm ẩn và có chứa các thông báo an toàn được xác định bằng ký hiệu cảnh báo an toàn (Hình 2), báo hiệu nguy cơ có thể gây chấn thương nghiêm trọng hoặc gây tử vong nếu bạn không tuân theo các biện pháp phòng ngừa được khuyến cáo.

g000502

Hướng dẫn sử dụng này sử dụng 2 từ để nêu bật thông tin. Các chú ý quan trọng về thông tin cơ học đặc biệt và Lưu ý đều nhấn mạnh thông tin chung mà bạn cần đặc biệt lưu tâm.

An toàn

Thông tin tổng quát an toàn

Sản phẩm này có thể cắt cụt tay và chân. Vui lòng luôn tuân thủ tất cả các hướng dẫn an toàn để tránh gây thương tích cá nhân nghiêm trọng.

  • Đọc và hiểu nội dung của Hướng dẫn Vận hành này trước khi khởi động động cơ.

  • Không để tay hoặc chân của bạn gần các bộ phận đang chuyển động của máy.

  • Không vận hành máy khi tất cả các bộ phận bảo vệ và các thiết bị bảo vệ an toàn khác không ở đúng vị trí và không hoạt động trên máy.

  • Không để người xung quanh và vật nuôi lại gần máy.

  • Không để trẻ em vào khu vực vận hành. Tuyệt đối không để trẻ em vận hành máy.

  • Đỗ máy trên bề mặt bằng phẳng, hạ dao xoắn, tắt các bộ phận truyền động, gài phanh tay (nếu được cung cấp), tắt động cơ và rút chìa khóa trước khi rời khỏi vị trí của người vận hành vì bất kỳ lý do nào.

Việc sử dụng hoặc bảo trì máy không đúng cách có thể dẫn đến thương tích. Để giảm nguy cơ chấn thương, hãy tuân thủ hướng dẫn an toàn này và luôn chú ý đến ký hiệu cảnh báo an toàn Graphic, cụ thể là Thận trọng, Cảnh báo hoặc Nguy hiểm - hướng dẫn an toàn cá nhân. Việc không tuân thủ hướng dẫn này có thể dẫn đến thương tích cá nhân hoặc tử vong.

An toàn Con lăn

  • Con lăn sẽ là một chiếc máy hoàn chỉnh chỉ khi được lắp trên bộ kéo. Đọc kỹ Hướng dẫn Vận hành bộ kéo để biết được hướng dẫn đầy đủ về cách sử dụng máy an toàn.

  • Dừng máy, rút chìa khóa và chờ cho tất cả chuyển động dừng lại trước khi kiểm tra các bộ gá sau khi máy va chạm vào vật thể hoặc nếu có rung động bất thường trong máy. Thực hiện tất cả các sửa chữa cần thiết trước khi vận hành máy trở lại.

  • Giữ tất cả các bộ phận ở tình trạng hoạt động tốt và siết chặt tất cả các phần cứng. Hãy thay tất cả các nhãn mác bị mòn hoặc bị hỏng.

  • Chỉ sử dụng các phụ kiện, bộ gá và bộ phận thay thế đã được Toro phê duyệt.

Thiết lập

Lắp đặt các Bộ ba Con lăn

  1. Đỗ máy trên bề mặt bằng phẳng, tắt động cơ, bật phanh đỗ và rút chìa khóa.

  2. Đặt bộ ba con lăn dưới tay đòn treo.

  3. Với các chốt trên thanh tay đòn treo hướng lên (Hình 3), đẩy tay đòn treo xuống sao cho thanh khớp với thanh ngang qua mặt trên cùng của bộ ba con lăn (Hình 4).

    g018311
    g018312
  4. Đóng các chốt xuống và xung quanh bộ ba con lăn và khóa ở đúng vị trí (Hình 3).

    Note: Bạn sẽ nghe thấy và cảm nhận tiếng “lách cách” khi các chốt được khóa phù hợp ở đúng vị trí.

  5. Lắp mô-tơ vào mặt bên trái của bộ ba con lăn (nhìn từ vị trí của người vận hành) và kéo thanh giữ mô-tơ trên bộ ba con lăn về phía mô-tơ cho đến khi bạn nghe thấy tiếng “lách cách” từ cả hai phía của mô-tơ (Hình 5).

    g014690

Tháo Bộ ba Con lăn

  1. Đỗ máy trên bề mặt bằng phẳng, hạ bộ ba con lăn xuống mặt đất cho đến khi thủy lực của hệ thống treo được kéo dài hoàn toàn, tắt động cơ, bật phanh đỗ và rút chìa khóa ra khỏi công tắc khóa điện.

  2. Đẩy thanh giữ mô-tơ ra khỏi các khe trên mô-tơ về phía bộ ba con lăn và tháo mô-tơ khỏi bộ ba con lăn.

    g014605
  3. Di chuyển mô-tơ đến vị trí cất giữ ở phía trước của tay đòn treo.

    Note: Không nâng hệ thống treo đến vị trí vận chuyển khi mô-tơ guồng xoắn nằm trong bộ giữ trong khung máy. Có thể dẫn đến hư hỏng mô-tơ hoặc các ống. Nếu bạn phải di chuyển bộ kéo mà không lắp đặt bộ ba con lăn, hãy siết chúng vào tay đòn treo bằng dây buộc cáp.

  4. Mở các chốt trên thanh tay đòn của bộ ba con lăn mà bạn đang tháo.

  5. Ngắt kết nối các chốt ra khỏi thanh bộ ba con lăn.

  6. Lăn bộ ba con lăn ra khỏi tay đòn treo.

  7. Lặp lại các bước từ 2 đến 6 cho các bộ ba con lăn khác theo yêu cầu.

Thêm tấm đối trọng hậu

Các bộ phận cần thiết cho quy trình này:

Bộ tấm đối trọng, 119-7129 (mua riêng)1

Máy này tuân thủ Tiêu chuẩn ANSI B71.4-2017 và EN ISO 5395 khi được trang bị Bộ Tấm đối trọng, Số Bộ phận 119-7129.

Vận hành

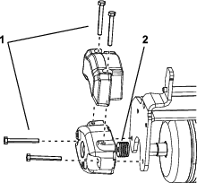
Lắp Đối trọng Điện

Note: Nếu bộ ba con lăn được lắp trên các kiểu máy cắt cỏ 04530 hoặc 04540, bạn phải sử dụng thêm một đối trọng kết hợp.

  1. Tháo và loại bỏ các bu lông đối trọng.

  2. Lắp 2 bu lông (5/16-18 x 2 ¾ inch) như được minh họa trong Hình 7.

    Note: Những bu lông này không được bao gồm kèm theo bộ này; đặt hàng Bộ phận Toro Số 322-33.

  3. Lắp 4 vòng chêm (⅛ inch) cho mỗi bu lông giữa đối trọng và tấm bên của bộ ba con lăn (Hình 7).

    Note: Những vòng chêm này không được bao gồm kèm theo bộ này; đặt hàng Bộ phận Toro Số 63-8410.

  4. Lắp đặt tấm đối trọng phụ kết hợp được cung cấp cùng với bộ kéo bằng các bu lông được cung cấp.

g254873

Thời gian Đào tạo

Trước khi lăn trên bãi cỏ, hãy tìm một khu vực thoáng và thực hành khởi động, dừng, nâng, hạ và lăn với bộ ba con lăn.

Lời khuyên về Vận hành

Duy trì đường thẳng khi lăn. Không quay rẽ khi các bộ ba con lăn đang nằm trên mặt đất.

Khi đã đến mép của bãi cỏ, hãy nâng bộ ba con lăn lên trước khi quay rẽ hoặc dừng lại. Bạn phải nâng bộ ba con lăn lên hoàn toàn trước khi quay rẽ. Khảo sát bãi cỏ để xác định xem có bất kỳ chướng ngại vật nào sẽ bị hư hỏng hoặc sẽ dẫn đến hư hỏng con lăn, chẳng hạn như đầu phun tưới và các vật thể nhô ra.

Bảo trì

Chuẩn bị Bảo trì

Trước khi bắt đầu bất kỳ quy trình bảo trì nào, hãy thực hiện các bước sau:

  1. Đỗ máy trên bề mặt bằng phẳng.

  2. Hạ hoàn toàn các bộ con lăn xuống mặt đất để thủy lực của hệ thống treo được kéo dài hoàn toàn.

  3. Bật phanh đỗ, tắt động cơ và rút chìa khóa.

Bôi trơn Bộ ba Con lăn

Bôi trơn 2 núm tra mỡ (Hình 8) trên mỗi bộ ba con lăn cứ sau 15 giờ hoạt động, bằng mỡ lithium số 2. Sử dụng súng bắn mỡ vận hành bằng tay để đạt được kết quả tốt nhất.

  1. Lau sạch từng núm tra mỡ bằng giẻ sạch.

  2. Bôi mỡ vào các vòng bi trục xoay bộ ba con lăn cho đến khi bạn cảm thấy áp lực (Hình 8).

    g018317
  3. Lau sạch dầu mỡ thừa.