Introduzione

Questo prodotto è conforme a tutte le direttive europee pertinenti. Per maggiori dettagli, consultate la Dichiarazione di incorporazione sul retro di questa pubblicazione.

Questo rullo è progettato per la manutenzione di green e fairway di piccole dimensioni dei campi da golf. L'utilizzo di questo prodotto per scopi non conformi alle funzioni per cui è stato concepito può essere pericoloso per voi e gli astanti.

Leggete attentamente il presente manuale al fine di utilizzare e mantenere correttamente il prodotto ed evitare infortuni e danni. Voi siete responsabili del corretto utilizzo del prodotto, all'insegna della sicurezza.

Visitate il sito www.Toro.com per ottenere materiali di formazione sulla sicurezza e il funzionamento dei prodotti, informazioni sugli accessori, assistenza nella localizzazione di un rivenditore o per registrare il vostro prodotto.

Ogni volta che vi occorre assistenza, ricambi Toro originali o informazioni aggiuntive, contattate un Centro assistenza Toro autorizzato e tenete pronto il numero di modello e il numero di serie del vostro prodotto. I numeri di modello e di serie sono situati su una targhetta sul telaio posteriore. Scrivete i numeri negli spazi previsti.

Important: Con il vostro dispositivo mobile potete scansionare il codice QR (se presente) sull’adesivo con il numero di serie per accedere alla garanzia, ai ricambi e ad altre informazioni sul prodotto.

g279029

Questo manuale identifica pericoli potenziali e riporta messaggi di sicurezza evidenziati dal simbolo di avviso di sicurezza (Figura 2), che segnala un pericolo che può causare gravi infortuni o la morte se non osserverete le precauzioni raccomandate.

g000502

Per evidenziare le informazioni vengono utilizzate due parole. Importante indica informazioni meccaniche di particolare importanza e Nota evidenzia informazioni generali di particolare rilevanza.

Sicurezza

Requisiti generali di sicurezza

Questo prodotto è in grado di amputare mani e piedi. Rispettate sempre tutte le norme di sicurezza per evitare gravi lesioni personali.

  • Leggete e comprendete il contenuto di questo Manuale dell'operatore prima di avviare il motore.

  • Non infilate le mani o i piedi accanto alle parti in movimento della macchina.

  • Non utilizzate la macchina se non sono montate e funzionanti tutte le protezioni e gli altri dispositivi di sicurezza sulla macchina.

  • Tenete gli astanti e gli animali domestici a distanza dalla macchina.

  • Tenete i bambini lontano dall’area di lavoro. Non permettete mai che bambini e ragazzi utilizzino la macchina.

  • Parcheggiate la macchina su una superficie pianeggiante, abbassate gli apparati di taglio, disinnestate le trasmissioni, inserite il freno di stazionamento (se presente), spegnete il motore e rimuovete la chiave prima di abbandonare la posizione operativa per qualsiasi motivo.

L'errato utilizzo o l'errata manutenzione di questa macchina può causare infortuni. Per ridurre il rischio di incidenti, rispettate le seguenti norme di sicurezza e fate sempre attenzione al simbolo di allarme Graphic che riporta l’indicazione di Attenzione, Avvertenza o Pericolo – norme di sicurezza personali. Il mancato rispetto di queste istruzioni può provocare infortuni o la morte.

Sicurezza del rullo

  • Quando è installato su un trattorino, il rullo è solo una parte di una macchina completa. Leggete attentamente il Manuale dell'operatore del trattorino per le informazioni complete sull'utilizzo sicuro della macchina.

  • Spegnete la macchina, togliete la chiave e attendete che tutte le parti in movimento si arrestino prima di ispezionare l’attrezzo dopo avere urtato un oggetto o in caso di vibrazioni anomale della macchina. Eseguite tutte le necessarie riparazioni prima di riprendere l'attività.

  • Mantenete tutte le parti in buone condizioni operative e tutti i componenti ben serrati. Sostituite tutti gli adesivi consumati o danneggiati.

  • Utilizzate solo accessori, attrezzi e ricambi approvati da Toro.

Preparazione

Montaggio delle unità Tri-Roller

  1. Parcheggiate la macchina su una superficie pianeggiante, spegnete il motore, inserite il freno di stazionamento e togliete la chiave.

  2. Posizionate l'unità tri-roller sotto il braccio di sospensione.

  3. Con i fermi sulla barra del braccio di sospensione rivolti verso l'alto (Figura 3), spingete il braccio di sospensione verso il basso, in modo che la barra si inserisca sopra la barra sulla parte superiore dell'unità tri-roller (Figura 4).

    g018311
    g018312
  4. Chiudete i fermi spostandoli verso il basso e attorno alla barra dell'unità tri-roller, quindi bloccateli in posizione (Figura 3).

    Note: Avvertirete uno scatto quando i fermi sono bloccati correttamente in posizione.

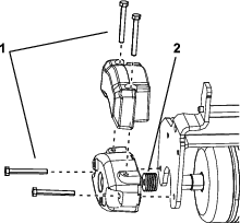
  5. Inserite il motore sul lato sinistro dell'unità tri-roller (visto dalla posizione dell'operatore) e tirate la barra di fissaggio del motore sull'unità tri-roller verso il motore fino ad avvertire uno scatto da entrambi i lati del motore (Figura 5).

    g014690

Rimozione dell'unità Tri-Roller

  1. Parcheggiate la macchina su una superficie pulita e pianeggiante, abbassate le unità tri-roller a terra fino a quando l'impianto idraulico di sospensione non è completamente esteso, spegnete il motore, inserite il freno di stazionamento e togliete la chiave dall'interruttore di accensione.

  2. Estraete la barra di fissaggio motore dalle scanalature sul motore stesso spingendola verso l'unità tri-roller, quindi rimuovete il motore dall'unità tri-roller.

    g014605
  3. Spostate il motore in posizione di stoccaggio davanti al braccio di sospensione.

    Note: Non sollevate la sospensione nella posizione di trasferimento quando i motori del cilindro si trovano negli appositi supporti sul telaio della macchina. Questa operazione potrebbe arrecare danni ai motori o ai flessibili. Per spostare il trattorino senza le unità tri-roller installate, fissatele ai bracci di sospensione con le fascette per cavi.

  4. Aprite i fermi sulla barra del braccio di sospensione dell'unità tri-roller che state rimuovendo.

  5. Scollegate i fermi dalla barra dell'unità tri-roller.

  6. Spostate l'unità tri-roller da sotto il braccio di sospensione.

  7. Ripetete le fasi da 2 a 6 per le altre unità tri-roller, come previsto.

Aggiunta della zavorra posteriore

Parti necessarie per questa operazione:

Kit peso, 119-7129 (acquistabile separatamente)1

Questa macchina è conforme con gli standard ANSI B71.4-2017 ed EN ISO 5395 quando dotata del Kit zavorra, n. cat. 119-7129.

Funzionamento

Montaggio dei contrappesi elettrici

Note: Se l'unità tri-roller è montata sui modelli di tosaerba per green 04530 o 04540, dovete utilizzare un contrappeso ibrido aggiuntivo.

  1. Rimuovete ed eliminate i bulloni dei contrappesi.

  2. Montate 2 bulloni (5/16"-18" x 2¾") come mostrato nella Figura 7.

    Note: Questi bulloni non sono inclusi con questo kit; ordinate n. cat. Toro 322-33.

  3. Montate 4 distanziali (⅛") per bullone tra il contrappeso e la piastra laterale del tri-roller (Figura 7).

    Note: Questi distanziali non sono inclusi con questo kit; ordinate n. cat. Toro 63-8410.

  4. Montate il contrappeso ibrido supplementare fornito con il trattorino servendovi dei bulloni in dotazione.

g254873

Periodo di addestramento

Prima di utilizzare i rulli sul green, trovate un'area sgombra ed esercitatevi ad avviare, arrestare, sollevare, abbassare e utilizzare i rulli con il tri-roller.

Suggerimenti

Durante il funzionamento dell'unità, procedete in linea retta. Non svoltate quando le unità tri-roller si trovano sul terreno.

Una volta raggiunto il bordo del green, sollevate l'unità tri-roller prima di svoltare o arrestare la macchina. Le unità tri-roller devono essere sollevate completamente prima di svoltare. Esaminate il green per stabilire se sono presenti ostacoli che potrebbero subire danni o provocare danni ai rulli, come le teste dell'arieggiatore e oggetti sporgenti.

Manutenzione

Preparazione per la manutenzione

Prima di iniziare qualsiasi procedura di manutenzione, fate quanto segue:

  1. Parcheggiate la macchina su un terreno pianeggiante.

  2. Abbassate completamente le unità rullo a terra in modo tale che l’impianto idraulico di sospensione sia completamente esteso.

  3. Innestate il freno di stazionamento, spegnete il motore e togliete la chiave.

Lubrificazione dell'unità tri-roller

Lubrificate i 2 raccordi d'ingrassaggio (Figura 8) su ciascun'unità tri-roller dopo ogni 15 ore di funzionamento, utilizzando grasso a base di litio n. 2. Utilizzate una pistola di ingrassaggio manuale per ottenere i migliori risultati.

  1. Passate uno straccio pulito su ciascun raccordo di ingrassaggio.

  2. Applicate il grasso sui cuscinetti dell'asse dell'unità tri-roller finché non sentite la pressione (Figura 8).

    g018317
  3. Pulite il grasso in eccesso.