Inleiding

Dit product voldoet aan alle relevante Europese richtlijnen. Voor meer informatie, zie de inbouwverklaring aan het einde van deze handleiding.

Deze rol is bedoeld om gras te onderhouden op greens en kleine fairways van golfbanen. Dit product gebruiken voor andere doeleinden dan het bedoelde gebruik kan gevaarlijk zijn voor u of voor omstanders.

Lees deze informatie zorgvuldig door, zodat u weet hoe u de machine op de juiste wijze moet gebruiken en onderhouden en om schade aan de machine en letsel te voorkomen. U bent verantwoordelijk voor het juiste en veilige gebruik van de machine.

Ga naar www.Toro.com voor documentatie over productveiligheid en bedieningsinstructies, informatie over accessoires, hulp bij het vinden van een dealer of om uw product te registreren.

Als u service, originele Toro onderdelen of aanvullende informatie nodig hebt, kunt u contact opnemen met een erkende Toro dealer. U dient hierbij altijd het modelnummer en het serienummer van het product te vermelden. Het model- en serienummer bevinden zich op een plaatje op het achterframe. U kunt de nummers noteren in de ruimte hieronder.

Important: U kunt met uw mobiel apparaat de QR-code (indien aanwezig) op het plaatje met het serienummer scannen om toegang te krijgen tot de garantie, onderdelen en andere productinformatie.

g279029

Deze handleiding wijst u op mogelijke gevaren en bevat veiligheidswaarschuwingen die u kunt herkennen aan het waarschuwingspictogram (Figuur 2), dat wijst op een gevaar dat ernstig letsel of de dood kan veroorzaken indien u nalaat de voorgeschreven maatregelen te treffen.

g000502

Er worden in deze handleiding twee woorden gebruikt om uw aandacht op bijzondere informatie te vestigen. Belangrijk attendeert u op bijzondere technische informatie en Opmerking duidt algemene informatie aan die bijzondere aandacht verdient.

Veiligheid

Algemene veiligheid

Dit product kan handen of voeten afsnijden. Volg altijd alle veiligheidsinstructies op om ernstig letsel te voorkomen.

  • Lees deze Gebruikershandleiding en zorg ervoor dat u deze begrijpt voordat u de motor start.

  • Houd handen en voeten uit de buurt van de bewegende onderdelen van de machine.

  • Gebruik de machine enkel als de nodige schermen en andere beveiligingsmiddelen aanwezig zijn en naar behoren werken.

  • Hou omstanders en huisdieren uit de buurt van de machine.

  • Laat geen kinderen het werkgebied betreden. Laat kinderen nooit de machine bedienen.

  • Parkeer de machine op een horizontaal oppervlak, laat de maai-eenheden zakken, schakel de aandrijvingen uit, stel de parkeerrem in werking (indien aanwezig), zet de motor af en neem het sleuteltje uit het contact voordat u de bestuurderspositie om welke reden ook verlaat.

Onjuist gebruik of onderhoud van deze machine kan letsel tot gevolg hebben. Om het risico op letsel te verkleinen, dient u zich aan de volgende veiligheidsinstructies te houden en altijd op het veiligheidssymbool Graphic te letten, dat betekent Voorzichtig, Waarschuwing of Gevaar – instructie voor persoonlijke veiligheid. Niet-naleving van deze instructies kan leiden tot lichamelijk of dodelijk letsel.

De rol veilig gebruiken

  • De rol is slechts een deel van een volledige machine wanneer deze gemonteerd is op een tractie-eenheid. Lees de Gebruikershandleiding van de tractie-eenheid zorgvuldig voor de volledige instructies over het veilig gebruik van de machine.

  • Stop de machine, verwijder het sleuteltje en wacht totdat alle bewegende onderdelen tot stilstand zijn gekomen voordat u het werktuig controleert nadat u een voorwerp heeft geraakt of de machine abnormaal begint te trillen. Voer alle noodzakelijke reparaties uit voordat u de machine weer in gebruik neemt.

  • Zorg ervoor dat alle onderdelen in goede staat verkeren en alle bevestigingselementen stevig vastzitten. Vervang versleten of beschadigde stickers.

  • Gebruik uitsluitend door Toro goedgekeurde accessoires, werktuigen en onderdelen.

Montage

De tri-roleenheden monteren

  1. Plaats de machine op een horizontaal oppervlak, zet de motor af, stel de parkeerrem in werking en verwijder de sleutel.

  2. Plaats de tri-rol onder de ophangarm.

  3. Zorg ervoor dat de vergrendelingen op de ophangarm omhoog wijzen (Figuur 3), druk de ophangarm omlaag zodat de stang ervan over de stang aan de bovenkant van de tri-rol valt (Figuur 4).

    g018311
    g018312
  4. Sluit de vergrendelingen rond de stang van de tri-rol en vergrendel ze (Figuur 3).

    Note: U kunt een klik horen en voelen als de vergrendelingen goed gesloten zijn.

  5. Steek de motor in de linkerkant van de tri-rol (gezien vanuit de bestuurdersstoel) en trek de motorbevestigingsstang van de tri-rol in de richting van de motor totdat u aan beide kanten een klik hoort (Figuur 5).

    g014690

De tri-rol verwijderen

  1. Parkeer de machine op een schoon en horizontaal oppervlak, laat de tri-roleenheden neer tot de ophanghydrauliek volledig is uitgetrokken, zet de motor af, stel de parkeerrem in werking en verwijder het contactsleuteltje.

  2. Duw de motorbevestigingsstang uit de sleuven op de motor in de richting van de tri-rol en verwijder de motor van de tri-rol.

    g014605
  3. Zet de motor in de opbergruimte op de voorkant van de ophangarm.

    Note: Breng de ophanging niet omhoog in de transportstand als de messenkooimotoren zich in de houders in het frame van de machine bevinden. Dit kan schade aan de motoren of slangen tot gevolg hebben. Als u de tractie-eenheid moet verplaatsen terwijl de tri-rollen niet gemonteerd zijn, bevestig deze dan met kabelklembanden aan de ophangarmen.

  4. Open de vergrendelingen op de stang van de ophangarm van de tri-rol die u wilt verwijderen.

  5. Maak de vergrendelingen van de stang van de tri-rol los.

  6. Rol de tri-rol onder de ophangarm vandaan..

  7. Herhaal indien nodig stap 2 tot en met 6 voor de andere tri-rollen.

Het achtergewicht plaatsen

Benodigde onderdelen voor deze stap:

Ballastgewichten 119-7129 (afzonderlijk aan te schaffen)1

Deze machine voldoet aan EN ISO 5395 en ANSI B71.4-2017 indien deze is voorzien van de set ballastgewichten, onderdeelnummer 119-7129.

Gebruiksaanwijzing

De elektrische contragewichten monteren

Note: Als de tri-rol gemonteerd is op een greensmaaier 04530 of 04540, moet u een extra hybride contragewicht gebruiken.

  1. Verwijder de bouten van het contragewicht en gooi deze weg.

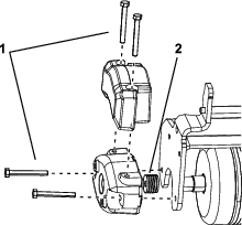
  2. Monteer 2 bouten (5/16-18" x 2¾") zoals getoond in Figuur 7.

    Note: Deze bouten worden niet meegeleverd in deze set; bestel Toro onderdeelnr. 322-33.

  3. Monteer 4 afstandsstukken (⅛") per bout tussen het contragewicht en de zijplaat van de tri-rol (Figuur 7).

    Note: Deze afstandsstukken worden niet meegeleverd in deze set; bestel Toro onderdeelnr. 63-8410.

  4. Monteer het hybride hulpgewicht dat is meegeleverd met de tractie-eenheid; gebruik de meegeleverde bouten.

g254873

Oefenperiode

Voordat u greens gaat behandelen, moet u een open ruimte zoeken om het starten, stoppen, omhoog en omlaag brengen en rollen met de tri-rol te oefenen.

Tips voor bediening en gebruik

Gebruik de rollen altijd in een rechte lijn. Maak geen bocht met de tri-rollen op de grond.

Als u de rand van de green bereikt, moet u de tri-rollen omhoog brengen voordat u draait of stopt. U moet de trirollers naar de hoogste stand brengen vooraleer een bocht te maken. Onderzoek de green op obstakels die kunnen worden beschadigd of die zelf de rollen kunnen beschadigen, zoals sproeierkoppen en uitstekende voorwerpen.

Onderhoud

Vóór onderhoudswerkzaamheden

Doe steeds het volgende alvorens een onderhoudsprocedure te beginnen:

  1. Parkeer de machine op een horizontaal oppervlak.

  2. Laat de roleenheden volledig op de grond zakken zodat het hydraulische systeem van de vering helemaal uitgetrokken is.

  3. Stel de parkeerrem in werking, zet de motor af en verwijder het sleuteltje.

De tri-rol smeren

Smeer de 2 smeernippels (Figuur 8) van elke tri-rol om de 15 bedrijfsuren met nr. 2 vet op basis van lithium. De beste resultaten verkrijgt u met een smeerpistool.

  1. Veeg alle smeernippels af met een schone doek.

  2. Smeer de aslagers van de tri-rol tot u druk begint te voelen (Figuur 8).

    g018317
  3. Veeg overtollig vet weg.