Introdução

Este produto cumpre todas as diretivas europeias relevantes. Para mais informações, consulte a Declaração de incorporação (DOI) no verso desta publicação.

Esta unidade de corte foi concebida para manter a relva em greens e pequenos fairways de campos de golfe. Se a máquina for utilizada para um fim diferente da sua utilização prevista, poderá pôr em perigo o utilizador e outras pessoas.

Leia estas informações cuidadosamente para saber como utilizar o produto, como efetuar a sua manutenção de forma adequada, evitar ferimentos pessoais e danos no produto. A utilização correta e segura do produto é da exclusiva responsabilidade do utilizador.

Visite www.Toro.com para mais informações sobre produtos e acessórios, para obter o contacto de um distribuidor ou registar o seu produto.

Sempre que necessitar de assistência, peças genuínas Toro ou informações adicionais, entre em contacto com um distribuidor autorizado Toro, indicando os números de modelo e de série do produto. O número de modelo e de série encontram-se numa placa montada no chassis traseiro. Escreva os números no espaço fornecido.

Important: Com o seu dispositivo móvel, pode ler o código QR (se equipado) no autocolante do número de série para aceder à garantia, peças e outras informações do produto.

g279029

Este manual identifica potenciais perigos e tem mensagens de segurança identificadas pelo símbolo de alerta de segurança (Figura 2), que sinaliza um perigo que pode provocar ferimentos graves ou mesmo a morte, se não respeitar as precauções recomendadas.

g000502

Este manual utiliza duas palavras para destacar informações. A palavra Importante chama a atenção para informações especiais de ordem mecânica e a palavra Nota sublinha informações gerais que requerem especial atenção.

Segurança

Segurança geral

Este produto pode provocar a amputação de mãos e pés. Respeite sempre todas as instruções de segurança, de modo a evitar ferimentos pessoais graves.

  • Leia e compreenda o conteúdo deste Manual do utilizador antes de ligar o motor.

  • Não coloque as mãos ou os pés perto de componentes em movimento da máquina.

  • Não opere a máquina sem que todos os resguardos e outros dispositivos protetores de segurança estejam instalados e a funcionar.

  • Mantenha as pessoas e os animais domésticos afastados da máquina.

  • Mantenha as crianças afastadas da área de operação. Nunca permita que crianças utilizem a máquina.

  • Estacione a máquina numa superfície nivelada, desça as unidades de corte, desengate as transmissões, engate o travão de estacionamento (se equipado), desligue o motor e retire a chave antes de sair da posição do operador seja por que motivo for.

A utilização ou manutenção inadequada desta máquina pode provocar ferimentos. De modo a reduzir o risco de ferimentos, deverá respeitar estas instruções de segurança e prestar sempre atenção ao símbolo de alerta de segurança Graphic, que indica Cuidado, Aviso ou Perigo – instrução de segurança pessoal. O não cumprimento destas instruções pode resultar em ferimentos pessoais ou mesmo em morte.

Segurança do rolo

  • O rolo é apenas uma parte de uma máquina completa quando instalada numa unidade de tração. Leia o Manual do utilizador da unidade de tração cuidadosamente para obter instruções completas sobre a utilização segura da máquina.

  • Pare a máquina, retire a chave e aguarde que todas as peças móveis parem antes de inspecionar o acessório depois de atingir um objeto ou se existir uma vibração anormal na máquina. Efetue todas as reparações necessárias antes de retomar o funcionamento.

  • Mantenha todas as peças em boas condições de trabalho e as partes corretamente apertadas. Substitua todos os autocolantes gastos ou danificados.

  • Utilize apenas acessórios e peças de substituição aprovados pela Toro.

Instalação

Instalação das unidades de triplo-rolo

  1. Estacione a máquina numa superfície nivelada, desligue a máquina, engate o travão de estacionamento e retire a chave.

  2. Posicione a unidade de triplo-rolo sob o braço da suspensão.

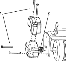
  3. Com os trincos na barra do braço de suspensão a apontar para cima (Figura 3), empurre o braço de suspensão para baixo de forma a que a barra passe pela barra através da parte superior da unidade de triplo-rolo (Figura 4).

    g018311
    g018312
  4. Feche os trincos para baixo e em redor da unidade de triplo-rolo e bloqueie-os no sítio (Figura 3).

    Note: Pode ouvir e sentir um “clique” quando os trincos estão devidamente bloqueados no sítio.

  5. Insira o motor no lado esquerdo da unidade de triplo-rolo (visto da posição do operador) e empurre a barra de retenção do motor na unidade de triplo-rolo na direção do motor até ouvir um “clique” de ambos os lados do motor (Figura 5).

    g014690

Remoção da unidade de triplo-rolo

  1. Estacione a máquina numa superfície limpa e nivelada, baixe as unidades de triplo-rolo para o solo até que a hidráulica da suspensão fique totalmente estendida, desligue o motor, engate o travão de estacionamento e retire a chave da ignição.

  2. Empurre a barra de retenção do motor para fora das ranhuras no motor em direção à unidade de triplo-rolo e retire o motor da unidade de triplo-rolo.

    g014605
  3. Mova o motor para o local de armazenamento na parte da frente do braço de suspensão.

    Note: Não eleve a suspensão para a posição de transporte quando os motores dos cilindros estão nos suportes da estrutura da máquina. Poderia causar danos nos motores ou tubos. Se tiver de mover a unidade de tração sem as unidades de triplo-rolo instaladas, prenda-as aos braços de suspensão com braçadeiras de cabos.

  4. Abra os fechos na barra do braço de suspensão da unidade de triplo-rolo que está a remover.

  5. Desligue os fechos da barra da unidade de triplo-rolo.

  6. Role a unidade de triplo-rolo para fora sob o braço da suspensão.

  7. Repita os passos 2 a 6 para as outras unidades de triplo-rolo conforme necessário.

Adicionamento da carga traseira

Peças necessárias para este passo:

Kit de peso, 119–7129 (adquirido em separado)1

Esta unidade está em conformidade com as normas ANSI B71.4-2017 e EN ISO 5395 quando equipada com o kit de peso, peça N.º 119-7129.

Funcionamento

Instalação dos contrapesos elétricos

Note: Se o triplo-rolo estiver instalado em modelos de cortadores 04530 ou 04540, tem de utilizar um contrapeso híbrido adicional.

  1. Retire e deite fora os parafusos do contrapeso.

  2. Instale dois parafusos (5/16 pol. - 18 pol. x 2¾ pol.) como se mostra em Figura 7.

    Note: Estes parafusos não estão incluídos neste kit, encomende a peça Toro n.º 322-33.

  3. Instale quatro espaçadores (⅛ pol.) por parafuso entre o contrapeso e a placa lateral do triplo-rolo (Figura 7).

    Note: Estes espaçadores não estão incluídos neste kit, encomende a peça Toro n.º 63-8410.

  4. Instale o peso auxiliar híbrido fornecido com a unidade de tração com os parafusos fornecidos.

g254873

Período experimental

Antes de passar nos relvados com os rolos, selecione uma área sem obstáculos e pratique a ligação, paragem, subida, descida e passagem com o triplo rolo.

Conselhos de utilização

Mantenha uma linha reta ao passar com o rolo. Não vire a máquina quando os triplos-rolos estiverem no solo.

Quando chegar ao limite do relvado, levante os triplos-rolos antes de virar ou parar. Os triplos-rolos têm de ser elevados completamente antes de fazer curvas. Observe o relvado para determinar se existe algum obstáculo que possa danificar os rolos como, por exemplo, cabeças de aspersores ou outros objetos salientes.

Manutenção

Preparação para a manutenção

Antes de iniciar qualquer procedimento de manutenção, realize o seguinte:

  1. Estacione a máquina numa superfície plana.

  2. Desça as unidades do rolo totalmente para o solo de forma a que a hidráulica da suspensão fique totalmente estendida.

  3. Engate o travão de estacionamento, desligue o motor e retire a chave.

Lubrificação do triplo-rolo

Lubrifique os dois bocais de lubrificação (Figura 8) em cada unidade de triplo-rolo após cada 15 horas de funcionamento utilizando um lubrificante multiusos à de lítio n.º 2. Utilize uma pistola de lubrificação de funcionamento manual para melhores resultados.

  1. Limpe cada bocal de lubrificação com um trapo limpo.

  2. Aplique lubrificante nos rolamentos do veio do triplo-rolo até sentir pressão (Figura 8).

    g018317
  3. Elimine o excesso de massa lubrificante.