Indledning

Dette produkt overholder alle relevante EU-direktiver. Få yderligere oplysninger i inkorporeringserklæringen bagest i denne udgivelse.

Denne Roller-enhed er designet til vedligeholdelse af plæner på greens og små fairways på golfbaner. Brug af dette produkt til andre formål end den tilsigtede anvendelse kan udsætte dig selv og omkringstående for fare.

Læs denne vejledning omhyggeligt, så du kan lære at betjene og vedligeholde produktet korrekt samt undgå person- og produktskade. Det er dit ansvar at betjene produktet korrekt og sikkert.

Besøg www.Toro.com for at få materialer om produktsikkerhed og oplæring i betjening, oplysninger om tilbehør, hjælp til at finde en forhandler eller for at registrere dit produkt.

Når du har brug for service, originale Toro-dele eller yderligere oplysninger, bedes du kontakte en autoriseret Toro-forhandler samt have produktets model- og serienummer parat. Modellen og serienummeret sidder på en plade på bagstellet. Skriv numrene, hvor der er gjort plads til dette.

Important: Scan QR-koden (hvis udstyret hermed) på serienummermærkaten med din mobilenhed for at få adgang til oplysninger om garanti, reservedele og andre produktoplysninger.

g279029

Denne vejledning advarer dig om mulige farer og giver dig særlige sikkerhedsoplysninger ved hjælp af advarselssymbolet (Figur 2), der angiver en fare, som kan forårsage alvorlig personskade eller død, hvis du ikke følger de anbefalede forholdsregler.

g000502

Denne betjeningsvejledning bruger to ord til at fremhæve oplysninger. Vigtigt henleder opmærksomheden på særlige mekaniske oplysninger, og Bemærk angiver generel information, som det er værd at lægge særligt mærke til.

Sikkerhed

Generelt om sikkerhed

Dette produkt kan afskære hænder og fødder. Følg altid sikkerhedsforskrifterne for at undgå alvorlig personskade.

  • Læs og forstå indholdet i denne betjeningsvejledning, før du starter motoren.

  • Hold hænder og fødder væk fra bevægelige maskinkomponenter.

  • Betjen ikke maskinen, uden at alle værn og øvrige sikkerhedsanordninger sidder korrekt på plads og virker på maskinen.

  • Hold omkringstående og kæledyr på afstand af maskinen.

  • Hold børn væk fra arbejdsområdet. Lad aldrig børn betjene maskinen.

  • Parker maskinen på en plan overflade, sænk klippeenhederne til jorden, udkobl drevene, aktiver parkeringsbremsen (hvis en sådan er monteret), sluk for motoren, og tag nøglen ud, inden du forlader førersædet, uanset årsagen.

Hvis maskinen betjenes eller vedligeholdes forkert, kan det medføre personskade. Operatøren skal altid følge sikkerhedsforskrifterne og være opmærksom på advarselssymbolet Graphic, der betyder Forsigtig, Advarsel eller Fare – personlig sikkerhedsanvisning, for at nedsætte risikoen for personskade. Hvis disse forskrifter ikke følges, kan det medføre personskade eller død.

Roller-enhed – Sikkerhed

  • Roller-enheden er kun en del af en komplet maskine, når den er monteret på en traktionsenhed. Læs traktionsenhedens betjeningsvejledning omhyggeligt for at få komplet vejledning om sikker brug af maskinen.

  • Stands maskinen, tag nøglen ud, og vent, indtil alle bevægelige dele er standset, før du efterser redskabet, når du har ramt en genstand, eller hvis der opstår en unormal vibration i maskinen. Foretag alle nødvendige reparationer, inden driften genoptages.

  • Hold alle dele i god driftsmæssig stand og alle beslag tilspændt. Udskift alle slidte eller beskadigede mærkater.

  • Brug kun tilbehør, redskaber og reservedele, der er godkendt af Toro.

Opsætning

Montering af Tri-Roller-enhederne

  1. Parker maskinen på en plan flade, sluk for motoren, aktiver parkeringsbremsen, og tag nøglen ud.

  2. Placer Tri-Roller-enheden under affjedringsarmen.

  3. Mens låsehåndtagene på affjedringsarmen peger opad (Figur 3), skal du skubbe affjedringsarmen ned, så stangen kan sættes over tværstangen på Tri-Roller-enheden øverst oppe (Figur 4).

    g018311
    g018312
  4. Luk låsehåndtagene ned og omkring Tri-Roller-enheden, og lås dem på plads (Figur 3).

    Note: Når låsehåndtagene er låst korrekt på plads, hører og fornemmer du et "klik".

  5. Sæt motoren ind i Tri-Roller-enhedens venstre side (set fra førersædet), og træk motorens holdestang på Tri-Roller-enheden i motorens retning, indtil du hører et "klik" fra begge sider af motoren (Figur 5).

    g014690

Afmontering af Tri-Roller-enheden

  1. Parker maskinen på en ren, plan flade, sænk Tri-Roller-enhederne til jorden, indtil affjedringens hydraulik er helt udstrakt, sluk for motoren, aktiver parkeringsbremsen, og tag nøglen ud af tændingen.

  2. Skub motorens holdestang ud af rillerne på motoren hen mod Tri-Roller-enheden, og fjern motoren fra Tri-Roller-enheden.

    g014605
  3. Flyt motoren hen i opbevaringspositionen foran på affjedringsarmen.

    Note: Hæv ikke ophænget til transportposition, når cylindermotorerne er i holderne på maskinens stel. Dette kan resultere i beskadigelse af motorerne eller slangerne. Hvis du er nødt til at flytte traktionsenheden, uden at Tri-Roller-enhederne er monteret, skal de fastgøres til affjedringsarmene med kabelbånd.

  4. Åbn låsehåndtagene på affjedringsarmens stang på Tri-Roller-enheden, som du fjerner.

  5. Kobl låsehåndtagene af Tri-Roller-enhedens stang.

  6. Rul Tri-Roller-enheden ud fra affjedringsarmens underside..

  7. Gentag trin 2 til 6 på de andre Tri-Roller-enheder efter behov.

Tilføjelse af bagvægt

Dele, der skal bruges til dette trin:

Vægtsæt, 119-7129 (købes separat)1

Denne maskine opfylder ANSI B71.4-2017- og EN ISO 5395-standarden, når den udstyres med vægtsæt, delnr. 119-7129.

Betjening

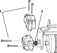
Montering af de elektriske kontravægte

Note: Hvis Tri-Roller-enheden er monteret på greensklippermodellerne 04530 eller 04540, får du brug for en ekstra hybridkontravægt.

  1. Fjern og kasser kontravægtsboltene.

  2. Monter 2 bolte (5/16"-18 x 2¾") som vist i Figur 7.

    Note: Disse bolte følger ikke med dette sæt. Bestil Toro-delnr. 322-33.

  3. Monter 4 afstandsbøsninger (⅛") pr. bolt mellem kontravægten og Tri-Roller-enhedens sideplade (Figur 7).

    Note: Disse afstandsbøsninger følger ikke med dette sæt. Bestil Toro-delnr. 63-8410.

  4. Monter den ekstra hybridvægt, der leveres med traktionsenheden, med de medfølgende bolte.

g254873

Uddannelsesperiode

Find et ryddet område, og øv dig i at starte, stoppe, hæve, sænke og tromle med Tri-Roller-enheden, inden du går i gang med at tromle greens.

Tip vedrørende betjening

Kør i en lige linje, når der tromles. Drej ikke, mens Tri-Roller-enhederne er på jorden.

Når kanten af greenen nås, skal Tri-Roller-enhederne hæves, før der drejes eller standses. Du skal hæve Tri-Roller-enhederne helt, inden du drejer. Undersøg greenen for at vurdere, om der er forhindringer, som kan blive beskadiget eller vil resultere i skader på tromlerne, som f.eks. sprinklerhoveder eller genstande, der stikker ud.

Vedligeholdelse

Klargøring til vedligeholdelse

Før du starter en vedligeholdelsesprocedure, skal du gøre følgende:

  1. Parker maskinen på en plan overflade.

  2. Sænk Roller-enhederne helt ned på jorden, så affjedringshydraulikkerne er helt forlænget.

  3. Aktiver parkeringsbremsen, sluk for motoren, og tag nøglen ud.

Smøring af Tri-Roller-enheden

Smør de to smørenipler (Figur 8) på hver Tri-Roller-enhed med litiumfedt nr. 2 efter hver 15 driftstimer. Brug en manuel fedtpistol for at opnå det bedste resultat.

  1. Tør hver smørenippel af med en ren klud.

  2. Påfør fedt på Tri-Roller-enhedens aksellejer, indtil du føler et tryk (Figur 8).

    g018317
  3. Tør overskydende fedt af.