Introducción

Este producto cumple todas las directivas europeas aplicables. Para obtener más detalles, consulte la Declaración de Incorporación (DOI) al final de esta publicación.

Este rodillo está diseñado para mantener el césped en greens y calles pequeñas en campos de golf. El uso de este producto para otros propósitos que los previstos podría ser peligroso para usted y para otras personas.

Lea este manual detenidamente para aprender a utilizar y mantener correctamente su producto, y para evitar lesiones y daños al producto. Usted es responsable de utilizar el producto de forma correcta y segura.

Visite www.Toro.com para buscar materiales de formación y seguridad o información sobre accesorios, para localizar un distribuidor o para registrar su producto.

Cuando necesite asistencia técnica, piezas genuinas Toro o información adicional, póngase en contacto con un distribuidor autorizado Toro y tenga a mano los números de modelo y serie de su producto. Encontrará los números de modelo y de serie en una placa situada en el bastidor trasero. Escriba los números en el espacio provisto.

Important: Con su dispositivo móvil, puede escanear el código QR (en su caso) de la pegatina del número de serie para acceder a información sobre la garantía, las piezas, y otra información sobre el producto.

g279029

Este manual identifica peligros potenciales y contiene mensajes de seguridad identificados por el símbolo de alerta de seguridad (Figura 2), que señala un peligro que puede causar lesiones graves o la muerte si usted no sigue las precauciones recomendadas.

g000502

Este manual utiliza 2 palabras más para resaltar información. Importante llama la atención sobre información mecánica especial, y Nota resalta información general que merece una atención especial.

Seguridad

Seguridad en general

Este producto puede amputar manos y pies. Siga siempre todas las instrucciones de seguridad con el fin de evitar lesiones personales graves.

  • Lea y comprenda el contenido de este Manual del operador antes de arrancar el motor.

  • No coloque las manos o los pies cerca de componentes en movimiento de la máquina.

  • No utilice la máquina a menos que tenga instalados y estén en funcionamiento todos los protectores y otros dispositivos de seguridad.

  • Mantenga alejados a otras personas y a los animales domésticos de la máquina.

  • Mantenga alejados a los niños de la zona de trabajo. Nunca permita a los niños utilizar la máquina.

  • Aparque la máquina en una superficie nivelada, baje las unidades de corte, desengrane las transmisiones, ponga el freno de estacionamiento (si la máquina lo tiene), apague el motor y retire la llave antes de abandonar el puesto del operador por cualquier razón.

El uso o mantenimiento incorrecto de esta máquina puede causar lesiones. Para reducir el peligro de lesiones, cumpla estas instrucciones de seguridad y preste atención siempre al símbolo de alerta de seguridad Graphic, que significa: Cuidado, Advertencia o Peligro – instrucción relativa a la seguridad personal. El incumplimiento de estas instrucciones puede dar lugar a lesiones personales o la muerte.

Seguridad en el manejo del rodillo

  • El rodillo solo forma parte de una máquina completa cuando se instala en una unidad de tracción. Lea el Manual del operador de la unidad de tracción detenidamente para obtener instrucciones completas sobre el uso seguro de la máquina.

  • Pare la máquina, retire la llave y espere a que se detengan todas las piezas en movimiento antes de inspeccionar el accesorio después de golpear un objeto o si se produce una vibración anormal en la máquina. Realice todas las reparaciones necesarias antes de volver a utilizar la máquina.

  • Mantenga todas las piezas en buenas condiciones de funcionamiento, y todos los herrajes bien apretados. Sustituya cualquier pegatina desgastada o deteriorada.

  • Utilice solo accesorios, aperos y piezas de repuesto aprobados por Toro.

Montaje

Instalación de las unidades de rodillo triple

  1. Aparque la máquina en una superficie nivelada, apague el motor, ponga el freno de estacionamiento y retire la llave.

  2. Coloque la unidad de rodillo triple debajo del brazo de suspensión.

  3. Con los enganches del brazo de suspensión orientados hacia arriba (Figura 3), empuje hacia abajo el brazo de suspensión de modo que la barra encaje en la barra situada en la parte superior de la unidad de rodillo triple (Figura 4).

    g018311
    g018312
  4. Presione los enganches hacia abajo alrededor de la barra de la unidad de rodillo triple y bloquéelas (Figura 3).

    Note: Oirá y sentirá un "clic" cuando los cierres se bloqueen correctamente.

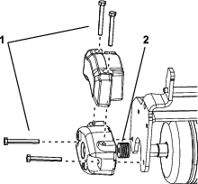
  5. Introduzca el motor en el lado izquierdo de la unidad de rodillo triple (visto desde el puesto del operador) y tire de la barra de retención del motor (en la unidad de rodillo triple) hacia el motor hasta que oiga un "clic" en ambos lados del motor (Figura 5).

    g014690

Cómo retirar la unidad de rodillo triple

  1. Aparque la máquina en una superficie nivelada y limpia, baje las unidades de rodillo triple al suelo hasta que los brazos de suspensión hidráulica estén totalmente extendidos, pare el motor, ponga el freno de estacionamiento y retire la llave del interruptor de encendido.

  2. Retire la barra de retención del motor de las ranuras del motor, hacia la unidad de rodillo triple, y retire el motor de la unidad de rodillo triple.

    g014605
  3. Mueva el motor al lugar de almacenamiento en la parte delantera del brazo de suspensión.

    Note: No eleve la suspensión a la posición de transporte cuando los motores del molinete están en los soportes del bastidor de la máquina. Podrían dañarse los motores o las mangueras. Si es necesario desplazar la unidad de tracción sin tener instalados las unidades de rodillo triple, sujételos a los brazos de suspensión con bridas.

  4. Abra los enganches de la barra del brazo de suspensión de la unidad de rodillo triple que está retirando.

  5. Desconecte los cierres de la barra de la unidad de rodillo triple.

  6. Retire la unidad de rodillo triple de debajo del brazo de suspensión.

  7. Repita los pasos 2 a 6 para las demás unidades de rodillo triple, según sea necesario.

Añadido de peso trasero

Piezas necesarias en este paso:

Kit de pesos, 119–7129 (se compra por separado)1

Esta máquina cumple las normas ANSI B71.4-2017 y EN ISO 5395 cuando está equipada con el Kit de pesos Pieza Nº 119-7129.

Operación

Instalación de los contrapesos eléctricos

Note: Si el rodillo triple se instala en una segadora de green modelo 04530 o 04540, debe utilizar un contrapeso híbrido adicional.

  1. Retire y deseche los pernos del contrapeso.

  2. Instale 2 pernos (5/16"-18 x 2¾") como se muestra en la Figura 7.

    Note: Estos pernos no están incluidos con este kit; pida la Pieza Toro Nº 322-33.

  3. Instale 4 espaciadores (3 mm) en cada perno, entre el contrapeso y la placa lateral del rodillo triple (Figura 7).

    Note: Estos espaciadores no están incluidos con este kit; pida la Pieza Toro Nº 63-8410.

  4. Instale el contrapeso híbrido auxiliar suministrado con la unidad de tracción usando los pernos suministrados.

g254873

Período de Aprendizaje

Antes de alisar greens, busque una zona despejada y practique maniobras como arrancar, detenerse, y elevar, bajar y conducir con el rodillo triple.

Consejos de uso

Vaya en línea recta cuando use el rodillo triple. No gire con el rodillo triple sobre el suelo.

Cuando llegue al borde del green, eleve el rodillo triple antes de girar o detenerse. Los rodillos triples deben estar totalmente elevados antes de realizar giros. Inspeccione el green para determinar si hay obstáculos que pudieran resultar dañados, o que pudieran dañar el rodillo triple, tales como cabezales de aspersores y otros objetos que sobresalen del suelo.

Mantenimiento

Preparación para el mantenimiento

Antes de iniciar cualquier procedimiento de mantenimiento, haga lo siguiente:

  1. Aparque la máquina en una superficie nivelada.

  2. Baje las unidades de rodillo totalmente al suelo de manera que los brazos hidráulicos de la suspensión estén totalmente extendidos.

  3. Ponga el freno de estacionamiento, apague el motor y retire la llave.

Lubricación del rodillo triple

Lubrique los 2 engrasadores (Figura 8) de cada unidad de rodillo triple cada 15 horas de operación con grasa de litio Nº 2. Para obtener los mejores resultados, utilice una pistola de engrasar manual.

  1. Limpie con un trapo limpio cada punto de engrase.

  2. Aplique grasa a los cojinetes del eje del rodillo triple hasta que note presión (Figura 8).

    g018317
  3. Limpie el exceso de grasa.