農薬は人体に危険を及ぼす恐れがある。
農薬を使う前に、農薬容器に貼ってあるラベルをよく読み、メーカーの指示を全て守って使用する。
スプレーを皮膚に付けない。万一付着した場合には真水と洗剤で十分に洗い落とす。
作業にあたっては保護ゴーグルなど、メーカーが指定する安全対策を必ず実行する。
平らな場所に駐車する。
ブレーキペダルを一杯に踏み込んで駐車ブレーキを掛ける。
エンジンを止め、キーを抜き取る。
スプレーヤを洗浄する;オペレーターズマニュアルの「スプレーヤの洗浄」を参照。
Note: 液剤を排出した後でも、ホースの一部に薬剤が残っている可能性がありますから、ホースを取り外す際には十分に注意し、またバケツなどを用意しておいてください。
この作業に必要なパーツ
| パイプ | 1 |
| ブームキャップ | 1 |
| シングルノズルプレート | 1 |
| シングルノズルストラップ | 1 |
| ノズルマウントアセンブリ | 1 |
| クランプ アセンブリ | 1 |
| ホース用バーブ付きエルボ | 1 |
| ホースクランプ | 1 |
| ノズル | 1 |
| プラスチック製リデューサ | 1 |
| ボルト | 3 |
| ワッシャ | 1 |
| フランジナット | 3 |
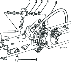
クランプアセンブリとノズルマウントアセンブリをパイプに固定する;ボルト(1本)、ワッシャ(1枚)、フランジナット(1個)を使用する(図 2)。
パイプ上部にキャップを取りつける(図 2)。
パイプをセンターブームに取り付ける;シングルノズルストラップとシングルノズルプレートを使い、これに、ボルト(2本)とフランジナット(2個)を使用する(図 2、図 3または図 4)。
ノズルマウントアセンブリの上部にプラスチック製のリデューサを取り付け、次に、ノズルをこのプラスチック製リデューサに挿入する(図 2)。
ホースバーブ(エルボ)を、ノズルマウントアセンブリの底部に取り付け、攪拌ホースをホースバーブにクランプで固定する(図 2)。
残りのホースの端部を攪拌バルブに接続してホースクランプで固定する(図 2)。


