Chemische stoffen zijn gevaarlijk en kunnen lichamelijk letsel veroorzaken.
Lees de aanwijzingen op het fabrieksetiket voordat u gaat werken met chemische stoffen, en neem alle aanbevelingen en voorzorgsmaatregelen van de fabrikant in acht.
Zorg ervoor dat uw huid niet in contact komt met chemische stoffen. Als dit toch gebeurt, moet u de desbetreffende plek grondig afspoelen met zeep en schoon water.
Draag een veiligheidsbril of andere beschermende uitrusting volgens de aanbevelingen van de fabrikant van de chemische stoffen.
Plaats de machine op een horizontaal oppervlak.
Trap het rempedaal volledig in en stel de parkeerrem in werking.
Zet de motor af en haal het sleuteltje uit het contact.
Maak de spuitmachine schoon; raadpleeg het hoofdstuk De spuitmachine reinigen in de Gebruikershandleiding van de machine.
Note: Wees voorzichtig als u slangen afkoppelt tijdens de installatie van deze set, en zorg ervoor dat u een emmer bij de hand hebt om oplossingen die in de slang achtergebleven zijn op te vangen.
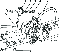
Benodigde onderdelen voor deze stap:
| Slangklem | 3 |
| Rechte fitting | 3 |
| O-ring | 3 |
| Kogelklep | 1 |
| Slang | 1 |
Snijd de voedingsslang van de rechterspuitboom door op 76 cm van de toevoerklep van de rechterspuitboom. (Figuur 1).

Breng een O-ring aan op elke opening van de kogelklep (Figuur 1).
Bevestig 3 rechte fittingen op de kogelklep (Figuur 1).
Bevestig de afgesneden mengslang met 2 slangklemmen aan de kogelklepconstructie en zet vervolgens de slang die met de set die meegeleverd is met behulp van een slangklem aan de onderste geribde fitting op de kogelklepconstructie (Figuur 1).
Benodigde onderdelen voor deze stap:
| Pijp | 1 |
| Dop van spuitboom | 1 |
| Plaat voor enkelvoudige spuitmond | 1 |
| Band voor enkelvoudige spuitmond | 1 |
| Montagebeugel voor spuitmond | 1 |
| Klemconstructie | 1 |
| Elleboog met slangribbel | 1 |
| Slangklem | 1 |
| Spuitmond | 1 |
| Kunststof verloopstuk | 1 |
| Bout | 3 |
| Ring | 1 |
| Flensmoer | 3 |
Bevestig de klemconstructie en de montagebeugel voor de spuitmond aan de pijp met behulp van 1 bout, 1 ring en 1 flensmoer (Figuur 2).
Plaats de dop bovenop de pijp (Figuur 2).
Bevestig de pijp aan de middelste spuitboom met behulp van de band en de plaat voor de enkelvoudige spuitmond en gebruik 2 bouten en 2 flensmoeren (Figuur 2, Figuur 3, of Figuur 4).
Plaats het kunststof verloopstuk in de bovenkant van de montagebeugel voor de spuitmond en steek vervolgens de spuitmond in het kunststof verloopstuk (Figuur 2).
Bevestig de elleboog met slangribbel aan de onderkant van de montagebeugel voor de spuitmond en bevestig vervolgens de mengslang met een slangklem aan de slangribbel (Figuur 2).
Bevestig het andere uiteinde van de slang met een slangklem aan de mengklep (Figuur 2).


