Kemikalier er farlige og kan forårsage personskader.
Læs vejledningen på kemikaliernes etiketter, før de håndteres, og følg producentens anbefalinger og forholdsregler.
Få ikke kemikalier på huden. Skulle det alligevel ske, skal det påvirkede område vaskes grundigt med sæbe og vand.
Bær beskyttelsesbriller og andet beskyttelsesudstyr i overensstemmelse med producentens anbefalinger.
Flyt maskinen til en plan overflade.
Træd bremsepedalen helt ned, og aktiver parkeringsbremsen.
Sluk for motoren, og tag nøglen ud.
Rengør sprøjten. Se Rengøring af sprøjten i maskinens betjeningsvejledning.
Note: Vær forsigtig når du frakobler slanger under installationen af dette udstyr. Du skal have en spand klar til opsamling af evt. opløsninger, der kan være i slangen.
Dele, der skal bruges til dette trin:
| Slangeklemme | 3 |
| Lige fitting | 3 |
| O-ring | 3 |
| Kugleventil | 1 |
| Slange | 1 |
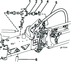
Skær den højre boms forsyningsslange over 76 cm fra den højre boms fødeventil. (Figur 1).

Sæt en O-ring i hver af kugleventilens åbninger (Figur 1).
Fastgør tre lige fittings til kugleventilen (Figur 1).
Fastgør den delte omrøringsslange til kugleventilenheden med to slangeklemmer, og fastgør derefter slangen, der følger med sættet, på den nederste fitting med modhage på kugleventilenheden med en slangeklemme (Figur 1).
Dele, der skal bruges til dette trin:
| Rør | 1 |
| Bomhætte | 1 |
| Enkeltdyseplade | 1 |
| Enkeltdyserem | 1 |
| Dysemonteringsbeslag | 1 |
| Klemme-samling | 1 |
| Knærørsmodhage | 1 |
| Slangespændebånd | 1 |
| Dyse | 1 |
| Plastreduktionsenhed | 1 |
| Bolt | 3 |
| Spændeskive | 1 |
| Flangemøtrik | 3 |
Fastgør klemmesamlingen og dysemonteringsbeslaget på røret med en bolt, en spændeskive og en flangemøtrik (Figur 2).
Placer hætten øverst på røret (Figur 2).
Fastgør røret til midterbommen med enkeltdyseremmen og -pladen med 2 bolte og 2 flangemøtrikker (Figur 2, Figur 3 eller Figur 4).
Placer plastreduktionsenheden øverst i dysemonteringsbeslaget, og sæt derefter dysen i plastreduktionsenheden (Figur 2).
Sæt knærørsmodhagen på bunden af dysemonteringsbeslaget, og fastgør derefter omrøringsslangen på modhagen med en slangeklemme (Figur 2).
Monter den anden ende af slangen på omrøringsventilen med en slangeklemme (Figur 2).


