Kjemikalier er farlige, og kan forårsake personskade.
Les anvisningene på de kjemiske merkene før du håndterer kjemikaliene. Følg alle anbefalinger og advarsler fra produsenten.
Ikke la kjemikalier komme i kontakt med huden. Skulle slik kontakt skje, må du vaske huden grundig med såpe og rent vann.
Bruk vernebriller og annet verneutstyr som er anbefalt av kjemikalieprodusenten.
Flytt maskinen til en jevn flate.
Trykk bremsepedalen helt inn og aktiver parkeringsbremsen.
Slå av motoren og ta ut nøkkelen.
Rengjør sprederen. Se Rengjøre sprederen i brukerhåndboken for maskinen.
Note: Vær forsiktig når slanger kobles fra under montering av dette settet. Ha en bøtte klar for å fange væske som kan være igjen i slangen.
Deler som er nødvendige for dette trinnet:
| Slangeklemme | 3 |
| Rett kobling | 3 |
| O-ring | 3 |
| Kuleventil | 1 |
| Slange | 1 |
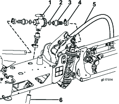
Kutt høyre bomforsyningsslange ca. 75 cm fra høyre bomforsyningsventil. (Figur 1).

Plasser en O-ring i hver åpning på kuleventilen (Figur 1).
Fest tre rette koblinger til kuleventilen (Figur 1).
Fest den delte risteslangen til kuleventilenheten med to slangeklemmer, og fest så slangen som følger med settet til den nedre koblingen med mothaker på kuleventilenheten med en slangeklemme (Figur 1).
Deler som er nødvendige for dette trinnet:
| Rør | 1 |
| Bomhette | 1 |
| Plate for enkelt munnstykke | 1 |
| Stropp for enkelt munnstykke | 1 |
| Monteringsenhet for munnstykke | 1 |
| Klemme-enhet | 1 |
| Vinklet slangekobling | 1 |
| Slangeklemme | 1 |
| Munnstykke | 1 |
| Overgangsstykke i plast | 1 |
| Bolt | 3 |
| Skive | 1 |
| Flensmutter | 3 |
Fest klemmeenheten og monteringsenheten for munnstykke til røret ved hjelp av 1 bolt, 1 skive og 1 flensmutter (Figur 2).
Plasser hetten på toppen av røret (Figur 2).
Fest røret til midtbommen med stroppen for enkelt munnstykke og platen for enkelt munnstykke ved hjelp av to bolter og to flensmuttere (Figur 2, Figur 3 eller Figur 4).
Plasser overgangsstykket i plast på toppen av monteringsenheten for munnstykke, og før munnstykket inn i overgangsstykket (Figur 2).
Fest den vinklede slangekoblingen til bunnen av dysemonteringsenheten, og fest så risteslangen til slangekoblingen med en slangeklemme (Figur 2).
Fest den andre enden av slangen til risteventilen med en slangeklemme (Figur 2).


