Kemikalier är farliga och kan orsaka personskador.
Läs anvisningarna på kemikaliebehållarnas etiketter innan du hanterar kemikalierna och följ samtliga av tillverkarens rekommendationer och föreskrifter.
Håll kemikalier borta från huden. Vid hudkontakt, skölj det utsatta området ordentligt med rent vatten och tvål.
Bär skyddsglasögon och annan skyddsutrustning som rekommenderas av kemikalietillverkaren.
Flytta maskinen till ett plant underlag.
Tryck ned bromspedalen helt och koppla in parkeringsbromsen.
Stäng av motorn och ta ut nyckeln.
Rengör grässpridaren. Se Rengöra grässpridaren i maskinens bruksanvisning.
Note: Var försiktig när du lossar slangarna vid satsmonteringen, och ha en hink redo för eventuell kvarvarande lösning i slangen.
Delar som behövs till detta steg:
| Slangklämma | 3 |
| Rak koppling | 3 |
| O-ring | 3 |
| Kulventil | 1 |
| Slang | 1 |
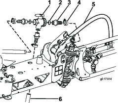
Skär av den högra ramptillförselslangen ca 75 cm från den högra rampens tillförselventil. (Figur 1).

Sätt en O-ring på respektive öppning på kulventilen (Figur 1).
Fäst tre raka kopplingar på kulventilen (Figur 1).
Fäst den delade omrörningsslangen på kulventilen med två slangklämmor och fäst sedan slangen som medföljer satsen på den nedre kopplingen med hullingar på kulventilen med en slangklämma (Figur 1).
Delar som behövs till detta steg:
| Rör | 1 |
| Rampkåpa | 1 |
| Enkel munstycksplatta | 1 |
| Enkel munstycksbygel | 1 |
| Munstycksmonteringsenhet | 1 |
| Klämma | 1 |
| Vinkelrörsslanghulling | 1 |
| Slangklämma | 1 |
| Munstycke | 1 |
| Plastreducerare | 1 |
| Skruv | 3 |
| Bricka | 1 |
| Flänsmutter | 3 |
Fäst klämman och munstycksmonteringsenheten på röret med hjälp av en skruv, en bricka och en flänsmutter (Figur 2).
Sätt kåpan ovanpå röret (Figur 2).
Fäst röret på mittrampen med hjälp av den enkla munstycksbygeln och den enkla munstycksplattan som du fäster med två skruvar och två flänsmuttrar (Figur 2, Figur 3 och Figur 4).
Sätt plastreduceraren ovanpå munstycksmonteringsenheten och för sedan in munstycket i plastreduceraren (Figur 2).
Fäst vinkelrörslanghullingen vid nederkanten av munstycksmonteringsenheten och fäst sedan omrörningsslangen på slanghullingen med en slangklämma (Figur 2).
Fäst den andra slangänden på omrörningsventilen med en slangklämma (Figur 2).


