Химикаты опасны и могут нанести вред здоровью.
Прочитайте указания на этикетках химикатов, прежде чем работать с ними, и следуйте всем рекомендациям и предостережениям изготовителя.
Не допускайте попадания химикатов на кожу. В случае контакта тщательно промойте пораженное место чистой водой с мылом.
Используйте очки и другие средства защиты, рекомендуемые производителем химиката.
Установите автомобиль на ровную поверхность.
Нажмите педаль тормоза до упора и включите стояночный тормоз.
Выключите двигатель и извлеките ключ.
Очистите опрыскиватель; см. раздел «Очистка опрыскивателя» в Руководстве оператора для машины.
Note: Будьте осторожны при отсоединении любых шлангов во время установки данного комплекта и держите наготове ведро для сбора остатков растворов из шлангов.
Детали, требуемые для этой процедуры:
| Шланговый хомут | 3 |
| Прямой фитинг | 3 |
| Уплотнительное кольцо | 3 |
| Шаровой клапан | 1 |
| Шланг | 1 |
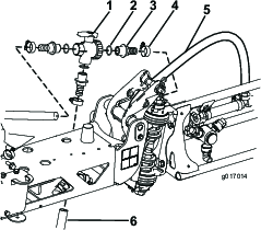
Отрежьте правый шланг подачи стрелы на расстоянии 75 см от правого клапана подачи стрелы. (Рисунок 1).

Установите уплотнительное кольцо в каждое отверстие шарового клапана (Рисунок 1).
Присоедините три прямых фитинга к шаровому клапану (Рисунок 1).
Прикрепите раздельный шланг перемешивания к узлу шарового клапана с помощью двух шланговых хомутов, затем присоедините шланг, входящий в комплект, к нижнему штуцеру типа «елочка» на узле шарового клапана с помощью шлангового хомута (Рисунок 1).
Детали, требуемые для этой процедуры:
| Труба | 1 |
| Крышка стрелы | 1 |
| Пластина одинарного сопла | 1 |
| Хомут одинарного сопла | 1 |
| Крепежный узел сопла | 1 |
| Хомут в сборе | 1 |
| Шланговый коленчатый штуцер типа «елочка» | 1 |
| Шланговый хомут | 1 |
| Сопло | 1 |
| Пластмассовый переходной патрубок | 1 |
| Болт | 3 |
| Шайба | 1 |
| Фланцевая гайка | 3 |
Прикрепите хомут в сборе и крепежный узел сопла к трубе, используя один болт, одну шайбу и одну фланцевую гайку (Рисунок 2).
Установите крышку на верхнюю часть трубы (Рисунок 2).
Прикрепите трубу к средней стреле с помощью хомута и пластины одинарного сопла, используя 2 болта и 2 фланцевые гайки (Рисунок 2, Рисунок 3 или Рисунок 4).
Установите пластмассовый переходной патрубок на верхнюю часть крепежного узла сопла, затем вставьте сопло в этот патрубок (Рисунок 2).
Присоедините шланговый коленчатый штуцер типа «елочка» к нижней части крепежного узла сопла, затем присоедините шланг перемешивания к штуцеру типа «елочка» с помощью шлангового хомута (Рисунок 2).
Присоедините другой конец шланга к клапану перемешивания с помощью шлангового хомута (Рисунок 2).


