安装

准备机器

小心

化学品很危险,可能造成人身伤害。

  • 处理化学品之前,请先阅读化学品标签上的使用说明,并按照制造商的所有建议和预防措施进行操作。

  • 确保化学品远离皮肤。如果发生接触,请使用肥皂和清水彻底清洗接触到的身体部分。

  • 佩戴护目镜及化学品制造商推荐的任何其他防护装备。

  1. 将机器移到水平地面上。

  2. 完全踩下刹车踏板,接合驻车刹车。

  3. 关闭发动机并拔下钥匙。

  4. 清洁打药车;请参阅机器操作员手册中的“清洁打药车”部分。

    Note: 在安装此套件的过程中,断开任何软管时都要小心,而且还要准备一个桶来盛装软管中的剩余溶液。

安装管线式软管子总成

此程序中需要的物件:

软管夹3
直通接头3
O 形圈3
球阀1
软管1
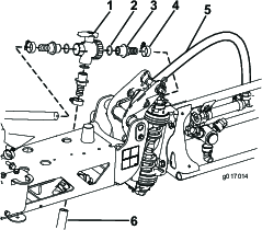
  1. 从右侧喷洒臂供水阀门开始将右侧喷洒臂供水软管剪掉 75cm。(图 1).

    g017014
  2. 将 O 形圈放入球阀的每个开口处 (图 1)。

  3. 将 3 个直通接头连接至球阀 (图 1)。

  4. 用两个软管夹将剪开的搅拌软管固定到球阀总成上,然后用一个软管夹,将随套件提供的软管固定到球阀总成上安装的底部宝塔接头上 (图 1)。

将组件安装到喷洒臂上

此程序中需要的物件:

管道1
喷洒臂顶盖1
单喷嘴面板1
单喷嘴箍带1
喷嘴固定架组件1
夹具组件1
软管-宝塔弯头1
软管夹1
喷嘴1
塑料异径管1
螺栓3
垫圈1
凸缘螺母3
  1. 用 1 个螺栓、1 个垫圈和 1 颗凸缘螺母固定夹具组件和喷嘴固定架组件(图 2)。

  2. 将顶盖放在管道顶部(图 2)。

  3. 用单喷嘴箍带将管道固定到中央喷洒臂,并用 2 个螺栓和 2 个凸缘螺母固定单喷嘴面板(图 2、图 3 或图 4)。

  4. 将塑料异径管放在喷嘴固定架组件的顶部、然后将喷嘴插入塑料异径管中 (图 2)。

  5. 将软管宝塔弯头连接至喷嘴固定架组件的底部,然后用一个软管夹将搅拌软管固定到软管宝塔接头上(图 2)。

  6. 用一个软管夹将软管的另一端连接至搅拌阀上 (图 2)。

g220679
g220667
g220668