Vzdrževanje
Mazanje adapterja priključka
Če se zaklepna ročica na adapterju priključka ne vrti prosto in zlahka, nanesite rahel sloj masti na območje, prikazano na Diagram 15.

Podrobno preberite te informacije, da se seznanite s pravilnim upravljanjem in vzdrževanjem stroja ter preprečite telesne poškodbe in poškodbe izdelka. Vi ste odgovorni za pravilno in varno upravljanje izdelka.
Na družbo Toro se lahko neposredno obrnete nawww.Toro.com, če potrebujete podatke o izdelkih in dodatni opremi ali pomoč pri iskanju prodajalca oziroma če želite registrirati izdelek.
Če potrebujete servisne storitve, originalne dele Toro ali dodatne informacije, se obrnite na pooblaščenega prodajalca oziroma službo za pomoč strankam družbe Toro, pri čemer predhodno pripravite številko modela in serijsko številko izdelka. Diagram 1 označuje mesto številke modela in serijske številke na izdelku. Številke vpišite v ustrezna polja.

V tem priročniku so opredeljene morebitne nevarnosti, pri čemer varnostna opozorila označuje poseben opozorilni znak za nevarnost (Diagram 2), ki lahko povzroči hude telesne poškodbe ali smrt, če ne upoštevate priporočenih previdnostnih ukrepov.

Za poudarjanje informacij sta v tem priročniku uporabljeni 2 besedi. Pomembno opozarja na posebne tehnične informacije, medtem ko Opomba označuje informacije, ki jih morate posebej pozorno prebrati.
![]() |
Varnostne nalepke in nalepke z navodili so nameščene v bližini vseh nevarnih predelov in dobro vidne upravljavcu. Poškodovane in manjkajoče varnostne nalepke nadomestite z novimi. |

Deli potrebni za ta postopek:
| Sklop zobatega zgrabljalnika | 1 |
| Sornik | 1 |
| Vijak (½ x 1–¾") | 1 |
| Matica s prirobnico (½") | 1 |
| Šestkotna matica (½") | 1 |
| Vijak z glavo s prirobkom (⅜ × 1") | 1 |
| Matica s prirobnico (⅜") | 1 |
| Sklop adapterja priključka | 1 |
| Razcepka | 2 |
| Sklop dvigalne roke | 1 |
| Vrtljiva palica | 1 |
| Vijak (⅜ x 1–¼") | 1 |
| Varovalna matica (⅜") | 1 |
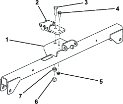
Ohlapno pritrdite sornik na sprednjo luknjo v sklopu obešala (Diagram 3) z vijakom (½ x 1–¾"), matico s prirobnico (½") in šestkotno matico (½").

Ohlapno pritrdite cev z jezičkom na zadnjo luknjo v sklopu obešala z vijakom z glavo s prirobkom (⅜ x 1") in matico s prirobnico (⅜").
Zategnite vijake na sledeč način:
Zategnite matico s prirobnico (½") z zateznim momentom od 104 do 126 N∙m.
Zategnite šestkotno matico (½") z zateznim momentom od 91 do 113 N∙m.
Zategnite matico s prirobnico (⅜") z zateznim momentom od 22 do 27 N∙m.
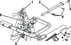
Poravnajte dvigalno roko z nosilcem na adapterju priključka (Diagram 4) in ju povežite z vrtljivo palico, kot je prikazano na Diagram 5.
Note: Pri premikanju adapterja priključka uporabite ročaj, ki se nahaja na zadnji strani adapterja(Diagram 4).


Pritrdite vrtljivo palico (Diagram 5) s 3 razcepkami in vijakom (⅜ x 1–¼") ter varovalno matico (⅜").
Deli potrebni za ta postopek:
| Vijak (⅜ x 2–½") | 2 |
| Podložka (⅜ x ⅞") | 4 |
| Distančnik | 2 |
| Varovalna matica (⅜") | 2 |
Odstranite vse priključke z zadnje strani stroja.
Spustite adapter vlečne enote in vlečno enoto potisnite nazaj v položaj pred adapterjem priključka.
Note: Prepričajte se, da je zaklepni vzvod zasukan v levo (odklenjen položaj), gledano z zadnje strani stroja.
Potisnite adapter priključka na adapter vlečne enote.
Important: Dolga roka sklopa dvigalne roke mora biti pod sklopom zadnjega okvirja vlečne enote(Diagram 6).
Lahko bi si priščipnili prste med adapterjem priključka in adapterjem vlečne enote.
Nastavek vedno dvigujte in premikajte z ročajem na hrbtni strani adapterja priključka (Diagram 6).
Obrnite zaklepni vzvod v desno, da zaklenete adapterje.
Zgornji člen vsake verige pritrdite na zunanjo stran dvigalne roke (Diagram 6) s pomočjo vijaka (⅜ x 2–½"), 2 podložk (⅜ x ⅞"), distančnika in varovalne matice (⅜").

Note: Za pravilno delovanje zgrabljalnika morajo biti verige ohlapne, ko je zgrabljalnik v spuščenem (delovnem) položaju.
Note: Prepričajte se, da se vsi končni zgrabljalniki pravilno prekrivajo in da ležijo ravno, tako da nobena od verig ni zapletena ali zvita.
Ko je zgrabljalnik nameščen in pritrjen na vlečno enoto, dvignite priključek.
Izmerite razdaljo med debelo podložko in robom dvižnih vilic na adapterju priključka, kot je prikazano na Diagram 7.
Note: Vezni člen je pravilno nastavljen, če razmik med debelo podložko in ramo dvižnih vilic meri od 1,5 do 2 mm (Diagram 7).

Če razmak ni pravilen, odvijte varovalno matico in po potrebi zategnite ali popustite nastavitveno matico na sklopu veznega člena, da spremenite razmik (Diagram 7).

Preberite ta razdelek o grabljenju, preden se lotite grabljenja sipin. Obstaja veliko pogojev, ki določajo prilagoditve priključka za zobati zgrabljalnik. Tekstura in globina peska, vsebnost vlage, plevel in količina zbitosti se lahko razlikujejo od steze do steze ali celo od sipine do sipine na isti stezi. Izvedite prilagoditve na zgrabljalniku za optimalne rezultate na vašem območju.
Vadite grabljenje na veliki ravni sipini na stezi. Vadite zagon, ustavitev, obračanje, dvigovanje in spuščanje zgrabljalnika; vstop in izstop iz sipine itd. Vadite pri zmerni hitrosti motorja in nizki hitrosti tal. To uvajalno obdobje vam bo pomagalo pridobiti samozavest pri rokovanju z napravo.
Note: Vlečne enote ne peljite vzvratno s spuščenim priključkom. Poškodovali boste priključek.
Če je pesek dovolj globok, lahko na ravnih površinah pograbite vse do roba sipine.
Če je pesek raznesen po travi, ostanite dovolj oddaljeni od roba, da ne poškodujete zemlje pod travo.
Ne grabite v bližini kratkega, strmega brega. Pesek bo le spolzel na dno sipine.
Na strmih bregovih, majhnih žepih ipd. bo morda potrebno popraviti z ročnimi grabljami.
Sipino pograbite v skladu z vzorcem, prikazanim v Diagram 9. S tem vzorcem se boste izognili nepotrebnemu prekrivanju, zmanjšali boste zbitost peska na minimum, v pesku pa boste pustili urejen in privlačen vzorec.
Zapeljite v sipino v vzdolžni smeri, kjer je breg najmanj strm. Peljite se skozi sredino sipine skoraj do konca, zavijte v katero koli smer čim bolj ostro in se vrnite nazaj vzdolžno ob prvi sledi. Spiralno se premikajte proti zunanjemu robu, kot prikazuje slika, in zapustite sipino v desni smeri na ravnem območju.
Strme, kratke bregove in majhne žepe uredite z ročnimi grabljami.

Ko zapeljete v sipino, ne spustite zgrabljalnika, dokler zgrabljalnik ni na pesku. S tem boste preprečili, da bi porezali travo ali da bi vnesli kose trave ali druge odpadke v sipino. Zgrabljalnik spustite, ko se naprava premika.
Pri izstopu iz sipine začnite dvigovati zgrabljalnik, ko sprednje kolo zapusti sipino. Ko se naprava pomika iz sipine, se zgrabljalnik dvigne in tako ne zanese peska na travo.
Z izkušnjami in vajo boste kmalu znali izbrati pravi trenutek, kdaj zapeljati v sipino in kdaj iz nje izstopiti.
Spremenite lahko postavitev zgrabljalnika, da povečate ali zmanjšate agresivnost obdelave peska. Namestite sornik in zgrabljalnik, kot je prikazano na naslednjih slikah, da dosežete želeno agresivnost.
Dolžino lopatice lahko prilagodite, da povečate ali zmanjšate količino penetracije skozi odprtino.
Odvijte pritrdilne vijake lopatice, premaknite lopatico navzgor ali navzdol v želeni položaj in privijte vijake (Diagram 12).

Odvijte varovalne matice in zasukajte omejevalne vijake zgrabljalnika (Diagram 13) navzven, da omejite vrtenje zgrabljalnika iz ene strani na drugo. Zategnite varovalne matice, da zaklenete prilagojeni položaj.

Na končni zgrabljalnik lahko pritrdite dodatne uteži, če je pesek vlažen ali grob ali če so v sipini globoki odtisi. Del št. 18-7570 lahko naročite pri pooblaščenem distributerju za izdelke Toro.
Izvedite naslednji postopek za povečanje višine zgrabljalnika med transportom:
Spustite zgrabljalnik in dvignite sklop čim nižje.
Odklopite verige z dvigalnih rok in jih znova povežite višje.
Note: Da zagotovite pravilno delovanje zgrabljalnika, pred uporabo zgrabljalnika vrnite verige v prvotni položaj.
Po grabljenju napravo temeljito očistite. Ker napravo uporabljate predvsem v pesku in ker je pesek izjemno abraziven, jo po vsaki uporabi sperite. Če napravo čistite pogosto (preden se pesek strdi), jo očistite s curkom vode iz cevi z odstranjeno šobo. Visokotlačni tok bi lahko pognal pesek v območja obrabe, kjer bi lahko deloval kot brusilna zmes.
Note: Če se adapter priključka drži adapterja vlečne enote, vstavite kovinski vzvod ali izvijač v režo, da sprostite dele (Diagram 14).

Če se zaklepna ročica na adapterju priključka ne vrti prosto in zlahka, nanesite rahel sloj masti na območje, prikazano na Diagram 15.
