Održavanje
Podmazivanje adaptera priključka
Ako se poluga za zaključavanje na adapteru priključka ne može slobodno i lako okretati, primijenite tanak sloj maziva na područje kako prikazuje Slika 15.

Pažljivo pročitajte ove informacije kako biste naučili ispravno upravljati uređajem i održavati ga te kako biste izbjegli tjelesne ozljede i oštećenja uređaja. Odgovorni ste za ispravno i sigurno upravljanje uređajem.
Možete izravno kontaktirati tvrtku Toro na internetskim stranicama www.Toro.com za informacije o proizvodu i dodatnoj opremi, pomoć pri nalaženju distributera ili kako biste registrirali uređaj.
Ako vam je potreban servis, originalni dijelovi proizvođača Toro ili dodatne informacije, obratite se ovlaštenom serviseru ili službi za korisnike tvrtke Toro i pripremite broj modela i serijski broj svog uređaja. Slika 1 prikazuje lokaciju broja modela i serijskog broja na uređaju. Upišite brojeve na za to predviđeno mjesto.

U ovom su priručniku navedene moguće opasnosti i sigurnosne poruke označene simbolom sigurnosnog upozorenja (Slika 2), koji upućuje na opasnost od teških ozljeda ili smrti u slučaju nepridržavanja preporučenih mjera opreza.

U priručniku se informacije ističu dvjema riječima. Riječ Važno upućuje na posebne mehaničke informacije, a riječ Napomena na opće informacije na koje treba obratiti posebnu pažnju.
![]() |
Sigurnosne naljepnice i upute lako su vidljive korisniku i nalaze se blizu svih područja potencijalne opasnosti. Zamijenite sve naljepnice koje su oštećene ili otpale. |

Dijelovi potrebni za ovaj postupak:
| Sklop zupčastih grablji | 1 |
| Poteznica | 1 |
| Vijak (½ × 1-¾ inča) | 1 |
| Prirubna matica (½ inča) | 1 |
| Šesterokutna matica (½ inča) | 1 |
| Prirubni vijak (⅜ × 1 inč) | 1 |
| Prirubna matica (⅜ inča) | 1 |
| Sklop adaptera priključka | 1 |
| Rascjepka | 2 |
| Sklop poluge za podizanje | 1 |
| Okretna poluga | 1 |
| Vijak (⅜ × 1-¼ inča) | 1 |
| Sigurnosna matica (⅜ inča) | 1 |
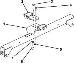
Labavo postavite poteznicu u prednji utor sklopa nosača (Slika 3) upotrebom vijka (½ × 1-¾ inča), prirubne matice (½ inča) i šesterokutne matice (½ inča).

Labavo postavite cijev jezičca u stražnji utor sklopa nosača upotrebom prirubnog vijka (⅜ x 1 inč) i prirubne matice (⅜ inča).
Pritegnite matice na sljedeće vrijednosti:
Prirubna matica (½ inča) – 104 do 126 Nm
Šesterokutna matica (½ inča) – 91 do 113 Nm
Prirubna matica (⅜ inča) – 22 do 27 Nm
Poravnajte polugu za podizanje s nosačem na adapteru priključka (Slika 4) i spojite ih upotrebom okretne poluge kako prikazuje Slika 5.
Note: Pri pomicanju adaptera priključka upotrebljavajte ručicu koja se nalazi na stražnjoj strani adaptera (Slika 4).


Pričvrstite okretnu polugu (Slika 5) s 3 rascjepke te vijkom (⅜ × 1-¼ inča ) i sigurnosnom maticom (⅜ inča).
Dijelovi potrebni za ovaj postupak:
| Vijak (⅜ × 2-½ inča) | 2 |
| Podloška (⅜ × ⅞ inča) | 4 |
| Odstojnik | 2 |
| Sigurnosna matica (⅜ inča) | 2 |
Uklonite priključak sa stražnjeg dijela uređaja.
Spustite adapter uređaja i postavite uređaj natrag u položaj ispred adaptera priključka.
Note: Provjerite je li poluga za zaključavanje okrenuta prema lijevo (otključani položaj) kada se gleda stražnje strane uređaja.
Pomaknite adapter priključka na adapter uređaja.
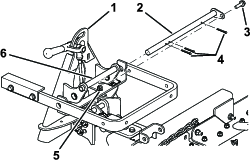
Important: Duga poluga sklopa poluge za podizanje mora biti ispod sklopa stražnjeg okvira uređaja (Slika 6).
Možete prignječiti prste između adaptera priključka i adaptera uređaja.
Uvijek podižite i pomičite priključak upotrebom ručice na stražnjoj strani adaptera priključka (Slika 6).
Okrenite polugu za zaključavanje udesno kako biste zaključali adaptere jedan za drugi.
Pričvrstite gornju kariku svakog lanca na vanjski dio poluge za podizanje (Slika 6) upotrebom vijka (⅜ × 2-½ inča), 2 podloške (⅜ × ⅞ inča), odstojnika i sigurnosne matice (⅜ inča).

Note: Za ispravan rad grablji lanci moraju biti labavi kada su grablje u spuštenom (radnom) položaju.
Note: Provjerite ispravno preklapanje svih završnih grablji, koje moraju biti u ravnom položaju tako da lanci nisu zapetljani ili zavrnuti.
Nakon što su grablje postavljene i pričvršćene na uređaj, podignite priključak.
Izmjerite razmak između deblje podloške i oslonca valjka za podizanje na adapteru priključka kako prikazuje Slika 7.
Note: Spoj je ispravno podešen ako razmak između deblje podloške i oslonca valjka za podizanje koji ste izmjerili iznosi od 1,5 do 2 mm (Slika 7).

Ako razmak nije ispravan, otpustite protumaticu i pritegnite ili otpustite maticu za podešavanje na sklopu spoja koliko je potrebno da se razmak podesi (Slika 7).

Pročitajte ovaj dio prije grabljanja pješčane zamke. Brojni su uvjeti koji određuju podešavanja priključka zupčastih grablji. Tekstura i dubina pijeska, udio vlage, prisustvo korova i zbijenost mogu se razlikovati od terena do terena, pa čak i među pješčanim zamkama istog terena. Izvršite podešavanja grablji za optimalne rezultate na svojem terenu.
Vježbajte grabljanje na velikoj, ravnoj pješčanoj zamki na terenu. Vježbajte pokretanje, zaustavljanje, okretanje, podizanje i spuštanje grablji, ulazak na pješčanu zamku i izlazak iz nje, itd. Vježbajte pri srednjem broju okretaja motora i niskoj brzini. Razdoblje obučavanja pomoći će vam da steknete samopouzdanje u radu s uređajem.
Note: Uređaj nemojte pomicati prema natrag dok je priključak spušten. U suprotnom će doći do oštećenja priključka.
Ako je pijesak dovoljno dubok, možete grabljati sve do ruba pješčane zamke na ravnim područjima.
Ako se pijesak širi prema travnjaku, držite se dalje od ruba kako ne biste oštetili podlogu.
Nemojte grabljati preblizu kratkog i strmog humka. Pijesak će se u tom slučaju sliti na dno pješčane zamke.
Dotjerivanje ručnim grabljama može biti potrebno na strmim humcima, manjim površinama itd.
Pješčana zamka grablja se prema uzorku kako prikazuje Slika 9. Primjenom tog uzorka sprječava se nepotrebno preklapanje, dolazi do minimalnog zbijanja te na kraju ostaje uredan i zanimljiv uzorak na pijesku.
Pristupite pješčanoj zamci ravno po duljoj strani, na mjestu na kojemu je nagib najmanji. Vozite središtem pješčane zamke gotovo do kraja, a zatim skrenite u jednom ili drugom smjeru što je oštrije moguće te se vratite uz liniju prvog prolaska. Krećite se spiralno prema van kako je prikazano na crtežu te napustite pješčanu zamku pod pravim kutom na ravnom području.
Strme i kratke humke te manje površine dotjerajte ručnim grabljama.

Kad pristupate zamki, nemojte spuštati grablje prije nego što se one nađu iznad pijeska. Time se sprječava oštećivanje travnjaka ili povlačenje pokošene trave i drugih ostataka u pješčanu zamku. Spustite grablje dok je uređaj u pokretu.
Pri napuštanju pješčane zamke započnite podizati grablje u trenutku kada prednji kotač napušta pješčanu zamku. Kako se uređaj kreće prema van, tako se podižu grablje, a pijesak se ne širi po travi.
S iskustvom i praksom moći ćete procijeniti kada je odgovarajuće vrijeme za pristupanje i napuštanje pješčane zamke.
Možete promijeniti položaj grablji kako biste povećali ili smanjili pritisak na pijesak. Postavite poteznicu i grablje na način prikazan na slikama u nastavku za postizanje željenog pritiska.
Možete podesiti dužinu lopatica kako biste povećali ili smanjili dubinu prodiranja baznog elementa.
Otpustite vijke za pričvršćivanje lopatica, pomaknite lopaticu prema gore ili dolje u željeni položaj i pritegnite vijke (Slika 12).

Otpustite protumatice i okrenite vijke za zaustavljanje grablji (Slika 13) prema van kako biste ograničili okretanje grablji s jedne na drugu stranu. Pritegnite protumatice kako biste učvrstili podešeni položaj.

Na završne grablji možete pričvrstiti opcionalne utege ako je pijesak vlažan ili krupan ili ako na pješčanoj zamci postoje duboki tragovi obuće. Naručite dio br. 18-7570 od svojeg ovlaštenog distributera tvrtke Toro.
Dovršite postupak u nastavku da biste povećali visinu grablji pri transportu:
Spustite grablje i sklop za podizanje što je niže moguće.
Odspojite lance s poluga za podizanje i ponovno ih spojite na viši položaj.
Note: Da biste osigurali ispravan rad grablji, vratite lance u početni opušteni položaj prije upotrebe grablji.
Nakon grabljanja temeljito očistite uređaj. Budući da se uređaj prvenstveno upotrebljava u pijesku, koji je iznimno abrazivan, isperite pijesak nakon svake upotrebe. Ako redovito čistite uređaj (prije nego što se pijesak uspije stvrdnuti), čistite ga s pomoću vode iz crijeva s uklonjenom mlaznicom. Ako se upotrebljava voda pod visokim pritiskom, pijesak može doći do dijelova koji se troše i oštetiti ih.
Note: Ako ne možete odvojiti adapter priključka i adapter uređaja, umetnite polugu ili odvijač u otvor za odvajanje da biste odvojili spojene dijelove (Slika 14).

Ako se poluga za zaključavanje na adapteru priključka ne može slobodno i lako okretati, primijenite tanak sloj maziva na područje kako prikazuje Slika 15.
