Dit product voldoet aan alle relevante Europese richtlijnen. Zie voor meer informatie de inbouwverklaring aan het einde van deze handleiding.
Note: Voor Sand Pro-modellen 08703 en 08705 moet u de volgende onderdelen bestellen voordat u deze set installeert:
| Beschrijving | Onderdeelnummer | Aantal |
| Peilstok | 110-8162 | 1 |
| Klepplaat | 108-8460-01 | 1 |
| Zelftappende schroef (5/16 inch x ¾ inch) | 32144-11 | 2 |
| Toro PX Extended Life hydraulische vloeistof (5 liter) | 133-8086 | 6,7 liter |
Hydraulische vloeistof die onder druk ontsnapt, kan door de huid heen dringen en letsel veroorzaken.
Controleer of alle hydraulische slangen en leidingen in goede staat verkeren en dat alle hydraulische aansluitingen en fittingen stevig vastzitten voordat u druk zet op het hydraulische systeem.
Houd lichaam en handen uit de buurt van kleine lekgaten of spuitmonden waaruit onder hoge druk hydraulische vloeistof ontsnapt.
U kunt lekken in het hydraulische systeem opsporen met behulp van karton of papier.
Hef alle druk in het hydraulische systeem op veilige wijze op, voordat u werkzaamheden gaat verrichten aan het hydraulische systeem.
Waarschuw onmiddellijk een arts als er hydraulische vloeistof is geïnjecteerd in de huid.
Als u service, originele Toro- onderdelen of aanvullende informatie nodig hebt, kunt u contact opnemen met een erkende servicedealer of met de klantenservice van Toro. U dient hierbij altijd het modelnummer en het serienummer van het product te vermelden. De locatie van het plaatje met het modelnummer en het serienummer van het product is aangegeven op Figuur 1. U kunt de nummers noteren in de ruimte hieronder.

Note: Bepaal vanuit de normale bedieningspositie de linker- en rechterzijde van de machine.
![]() |
Veiligheidsstickers en veiligheidsinstructies zijn gemakkelijk zichtbaar voor de bestuurder en bevinden zich bij plaatsen waar gevaar kan ontstaan. Vervang alle beschadigde of ontbrekende stickers. |

Parkeer de machine op een horizontaal oppervlak.
Laat de werktuigen neer.
Stel de parkeerrem in werking.
Zet de motor af en haal het sleuteltje uit het contact.
Reinig de machine grondig. Verwijder al het vuil om ervoor te zorgen dat de montagebeugels goed aansluiten en er geen vuil in het hydraulische systeem terechtkomt.
Maak grondig schoon rond het luchtfilter.
Zet de radiateurklem rond de slang los en laat de klem op de slang zakken.
Verwijder de binnenste bout waarmee het luchtfilter is vastgezet.
Verwijder het luchtfilterdeksel en het luchtfilter (Figuur 2).

Verwijder de slang van de luchtfilterbus.
Open de band van het luchtfilter en trek deze over het uiteinde van de bus waar u het filter weggenomen hebt (Figuur 3).

Bedek de slang of steek er een vod in zodat er geen vuil in valt tijdens de installatie van deze set.
Verwijder de tegenovergestelde bout waarmee de band van het luchtfilter is bevestigd aan het frame van de maaier.
Laat de hydraulische tank leeglopen. Raadpleeg de Gebruikershandleiding van de Workman.
Til de achterkant van de machine van de grond en ondersteun deze met blokken. Raadpleeg het hoofdstuk De machine optillen in de Gebruikershandleiding.
Het kan gebeuren dat een mechanische of hydraulische krik een machine niet ondersteunt. Als de machine dan valt, kan dit ernstig letsel veroorzaken.
Plaats de machine altijd op kriksteunen.
Verwijder het linkerachterwiel.
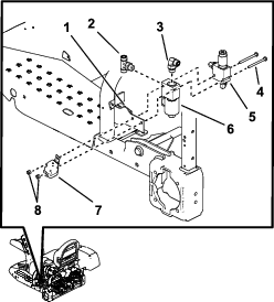
Verwijder de 4 flenskopschroeven waarmee het scherm van het linkerwiel aan het frame is bevestigd (Figuur 4). Verwijder het scherm en bewaar het.

Verwijder de 2 flenskopschroeven waarmee het scherm links vooraan aan het frame is bevestigd. Verwijder het scherm en bewaar het.

Verwijder de 3 bouten waarmee het scherm van de trekhaak achter is bevestigd aan het frame.

Verwijder de 2 schroeven waarmee het middelste scherm is bevestigd aan het frame (Figuur 7). Verwijder het scherm en bewaar het.

Koppel de hydraulische leidingen die naar de tank leiden af.
Verwijder de bovenste beugel van de hydraulische tank van het machineframe en zet de 2 beugels aan de zijkant van het frame los (Figuur 8). Verwijder de tank en bewaar het bevestigingsmateriaal.

Benodigde onderdelen voor deze stap:
| Klein T-stuk van 90 graden met ribbel | 1 |
| Grote elleboog van 90 graden (met schroefdraad aan beide uiteinden) | 1 |
| Zeef | 1 |
Note: Zorg ervoor dat alle O-ringen zijn gesmeerd en goed op alle fittingen zijn geplaatst alvorens deze te monteren.
Note: Monteer alle fittingen en hydraulische leidingen eerst losjes en maak ze vast als alle onderdelen gemonteerd zijn. Plaats de fittingen onder de hoeken die worden getoond op de afbeeldingen.
Verwijder de 2 pluggen van de hydraulische tank van de zijkant van de tank.
Monteer de zeef op de hydraulische tank waar u de grote plug hebt verwijderd.
Monteer de grote elleboog van 90 graden op de zeef.
Monteer het kleine geribde T-stuk van 90 graden waar u de kleine plug hebt verwijderd (Figuur 9).

Benodigde onderdelen voor deze stap:
| Houdbeugel | 1 |
| Klem geluiddemper | 2 |
| Houdbeugel slang | 1 |
| Koppelingbeugel | 1 |
Note: Monteer alle hydraulische leidingen eerst losjes en maak ze vast als alle onderdelen gemonteerd zijn.
Plaats de klemmen rond de ronde buis van het achterframe.
Monteer de houdbeugel van de slang en de koppelingbeugel op de klemmen van de geluiddemper.
Note: Draai de moeren nu nog niet aan. De koppelingbeugel moet los zijn om de hydraulische leidingen te kunnen monteren (Figuur 10).

Plaats de koppelingbeugel tijdelijk op de ronde framebuis; zie Figuur 11.
Note: Plaats de koppelingbeugel waar de bocht in de buis begint.

Benodigde onderdelen voor deze stap:
| Klep | 1 |
| Bout (¼ x 3 inch) | 2 |
| Moer (¼ inch) | 2 |
| Kleine elleboog 90 graden | 1 |
| T-fitting | 1 |
| Relais | 1 |
Note: Zorg ervoor dat alle O-ringen zijn gesmeerd en goed op alle fittingen zijn geplaatst alvorens deze te monteren.
Note: Monteer alle fittingen en hydraulische leidingen eerst losjes en maak ze vast als alle onderdelen gemonteerd zijn. Plaats de fittingen onder de hoeken die worden getoond op de afbeeldingen.
Plaats de fittingen onder de hoeken die worden getoond op de afbeeldingen. Monteer de T-fitting aan de zijkant van de nieuwe klep; zie Figuur 12.
Monteer een kleine elleboog van 90 graden bovenaan de nieuwe klep (Figuur 12).
Verwijder de bestaande klep van de klepbeugel (Figuur 12).
Monteer het relais op de klepbeugel op hetzelfde moment dat de klep op de klepbeugel wordt gemonteerd.
Monteer de kleppen op de klepbeugel met 2 bouten (1/4 x 3 inch) en 2 moeren (1/4 inch); zie Figuur 12.

Benodigde onderdelen voor deze stap:
| Hydraulische leiding nummer 1 | 1 |
| Hydraulische leiding nummer 2 | 1 |
| Hydraulische leiding (slang) nummer 5 | 1 |
Gebruik Figuur 13 om de juiste hydraulische leidingen te zoeken.

Note: Monteer alle hydraulische leidingen eerst losjes en maak ze vast als alle onderdelen gemonteerd zijn.
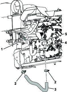
Plaats hydraulische leiding nummer 1 op de machine zoals op Figuur 14.
Monteer hydraulische leiding nummer 1 op de T-fitting gemonteerd aan de zijkant van de klep (Figuur 14).
Monteer hydraulische leiding nummer 1 op de bovenste mannelijke koppeling (Figuur 14).

Plaats hydraulische leiding nummer 2 op de machine zoals op Figuur 15.
Monteer hydraulische leiding nummer 2 op de elleboog van 90 graden en de bovenkant van de nieuwe klep (Figuur 15).
Monteer hydraulische leiding nummer 2 op de bovenste vrouwelijke koppeling (Figuur 15).

Monteer hydraulische leiding (slang) nummer 5 losjes op de onderste mannelijke koppeling (Figuur 16).
Note: Het andere uiteinde van de slang wordt geïnstalleerd in stap 10.

Benodigde onderdelen voor deze stap:
| Hydraulische pomp | 1 |
| Fitting 45 graden (mannelijke uiteinden) | 1 |
| Naafconstructie | 1 |
| Vierkante sleutel (¼ x 1 inch) | 1 |
| Stelschroef (5/16 x ¾ inch) | 4 |
| Pompbeugel | 1 |
| Bout (met schroefdraadborgmiddel) (5/16 x ¾ inch) | 2 |
| Ring (⅜ inch) | 2 |
| Grote elleboog 90 graden (met slangribbel aan het uiteinde) | 1 |
Monteer de grote vierkante elleboog van 90 graden op de zijkant van de hydraulische pomp.
Monteer de elleboog van 45 graden op de zijkant van de hydraulische pomp (Figuur 17).

Verwijder het bestaande deksel van de vermogenaftakas van de motor.
Monteer de pompbeugel op de motor met 2 bouten (5/16 x ¾ inch) en 2 ringen (⅜ inch). Raadpleeg Figuur 18 voor de juiste montage van de pompbeugel.

Breng anti-vastloopmiddel aan op de vermogenaftakas van de motor en de as van de hydraulische motor.
Breng de vierkante sleutel (¼ x 1 inch) aan in het gat van de vermogenaftakas (Figuur 19).
Lijn de naaf uit met de vierkante sleutel en monteer de naaf op de vermogenaftakas (Figuur 19).
Note: Zorg ervoor dat de naaf zo ver mogelijk over de as schuift.
Breng verwijderbaar schroefdraadborgmiddel aan op de 2 stelschroeven (5/16 x ¾ inch) en breng ze aan in de naaf om deze te bevestigen aan de vermogenaftakas (Figuur 19).

Monteer het tapeind van de pompplaat op de pompbeugel terwijl u de as van de hydraulische pomp op de naaf monteert.
Note: De as van de hydraulische pomp raakt het uiteinde van de vermogenaftakas (Figuur 20).

De naaf moet zo ver mogelijk op de as zitten.
Note: Zorg ervoor dat er ruimte is tussen de pompplaat en de naaf. Als er geen tussenruimte is, dan is de naaf niet goed gemonteerd en moet deze juist aangebracht worden (Figuur 21).

Breng verwijderbaar schroefdraadborgmiddel aan op de 2 stelschroeven (5/16 x ¾ inch) en breng ze aan in de naaf om de as van de hydraulische pomp te bevestigen (Figuur 20).
Benodigde onderdelen voor deze stap:
| Hydraulische leiding nummer 3 | 1 |
| Hydraulische leiding nummer 4 | 1 |
Note: Monteer alle hydraulische leidingen eerst losjes en maak ze vast als alle onderdelen gemonteerd zijn.
Gebruik Figuur 22 als leidraad om de juiste hydraulische leidingen te zoeken.

Monteer de bestaande slangen terug op de hydraulische tank.
Monteer de hydraulische tank op het frame en bevestig met de 3 beugels die u eerder verwijderd en losgezet hebt (Figuur 23).

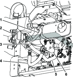
Monteer hydraulische leiding nummer 4 op de T-fitting gemonteerd aan de zijkant van de klep (Figuur 24).

Plaats hydraulische leiding nummer 3 op de machine zoals op Figuur 25.
Monteer hydraulische leiding nummer 3 op de grote elleboog van 90 graden die gemonteerd is op de zeef en de hydraulische tank (Figuur 25).

Benodigde onderdelen voor deze stap:
| Grote hydraulische slang | 1 |
| Hydraulische slang met fittingen | 1 |
| Grote slangklem | 2 |
| Kleine slangklem | 2 |
| Kleine voorgevormde hydraulische slang | 1 |
| R-klem | 1 |
| Bout (5/16 x ⅞ inch) | 1 |
| Flensmoer (5/16 inch) | 1 |
Note: Zorg ervoor dat er niets tegen de slangen schuurt.
Schuif de 2 grote slangklemmen op de grote hydraulische slang.
Monteer de grote hydraulische slang op de elleboog van 90 graden die aan de zijkant van de hydraulische pomp gemonteerd is (Figuur 26).
Bevestig een slangklem rond de slang en de elleboog (Figuur 26).
Monteer de grote hydraulische slang op hydraulische leiding nummer 3 (Figuur 26).
Maak de slangklem vast rond de slang en hydraulische leiding nummer 3 (Figuur 26).

Monteer een R-klem op de grote hydraulische slang zoals wordt getoond in Figuur 27 en Figuur 30.

Monteer de R-klem op de houdbeugel met een bout (5/16 x ⅞ inch) en een moer (5/16 inch); zie Figuur 27.
Monteer de hydraulische slang met fittingen op de fitting van de hydraulische leiding nr. 2 zoals wordt getoond in Figuur 28.

Monteer de hydraulische slang met fittingen op de elleboog van 45 graden die aan de hydraulische pomp is bevestigd (Figuur 29 en Figuur 30).
Note: Deze bevindt zich onder de hydraulische cilinder.

Gebruik Figuur 30 voor de juiste plaatsing van de slangen en hydraulische leidingen op de hydraulische pomp.

Schuif de 2 kleine slangklemmen op de kleine voorgevormde hydraulische slang (Figuur 24 en Figuur 31).
Monteer het lange uiteinde van de voorgevormde slang op het T-stuk van 90 graden van de hydraulische tank (Figuur 31).
Monteer het korte uiteinde van de voorgevormde slang op het geribde uiteinde van hydraulische leiding nummer 4 (Figuur 31).
Maak de twee kleine slangklemmen aan beide kanten van de voorgevormde slang vast.
Monteer hydraulische leiding (slang) nummer 5 losjes op het kleine T-stuk van 90 graden (Figuur 31).

Note: Zorg ervoor dat alle slangen en hydraulische leidingen weg gericht zijn van scherpe, warme en bewegende onderdelen en niet tegen deze onderdelen kunnen schuren.
Als alle hydraulische leidingen en slangen gemonteerd zijn, draait u alle aansluitingen vast.
Note: Gebruik een moersleutel op alle fittingen van de tank.
Plaats de koppelingbeugel zo dicht mogelijk tegen het linkerwiel en maak de klemmen vast.
Benodigde onderdelen voor deze stap:
| Kabelboom | 1 |
| Schakelaar | 1 |
| Zekering | 1 |
Verwijder het schakelbord van de machine.
Verwijder de plastic dop uit het paneel en monteer de schakelaar op het paneel (Figuur 34).
Leid de kabelboom langs het stoelscharnier van de schakelaar en naar het relais dat u eerder op de klep gemonteerd hebt (Figuur 32).

Sluit de kabelboom aan op de schakelaar in het schakelbord (Figuur 34).
Verwijder de verbindingsdraad uit de hoofdkabelboom onder het schakelbord (Figuur 33).

Sluit de connector van de hoofdkabelboom aan op de hoofdkabelboom (Figuur 34).
Monteer het schakelbord op de machine.

Breng de zekering aan in de juiste opening in de zekeringhouder (Figuur 32).
Monteer de vierkante aansluiting op het relais dat naast de klep gemonteerd is (Figuur 35).

Monteer de kleine connector op de nieuwe klep (Figuur 35).

Maak de kabelboom met een kabelbinder vast aan de klep.
Benodigde onderdelen voor deze stap:
| Hydraulische vloeistof | 6,6 liter voor modellen 08703 en 08705 |
De capaciteit van het hydraulische systeem voor de modellen 08743 en 08745 is 26,5 liter en er is geen extra vloeistof nodig.
Voeg voor de modellen 08703 en 08705 6,6 liter vloeistof toe.
Raadpleeg de Gebruikershandleiding voor de juiste vloeistof.
Bij de modellen 08703 en 08705 verwijdert u de oude peilstok uit de hydraulische tank en gooit u deze weg.
Neem contact op met uw erkende Toro-distributeur voor de juiste peilstok (onderdeelnr. 110-8162).
Note: Voor de modellen 08743 en 08745 wordt de juiste peilstok bij de machine geleverd.
Giet langzaam ca. 80% van de gespecificeerde hoeveelheid vloeistof in de tank.
Breng de peilstok in en controleer het peil van de hydraulische vloeistof (Figuur 37).
Giet langzaam vloeistof bij totdat het peil de VOL-markering bereikt.

Start de machine en laat deze vijf minuten lopen.
Controleer met een stuk karton op lekken in het systeem.
Hydraulische vloeistof die onder druk ontsnapt, kan door de huid heen dringen en letsel veroorzaken.
Hydraulische vloeistof die per ongeluk in de huid is geïnjecteerd, moet binnen enkele uren operatief worden verwijderd door een arts die bekend is met dit type verwondingen. Anders kan gangreen ontstaan.
Houd lichaam en handen uit de buurt van kleine lekgaten of spuitmonden waaruit onder hoge druk hydraulische vloeistof ontsnapt.
U kunt lekken in het hydraulische systeem opsporen met behulp van karton of papier.
Hef alle druk in het hydraulische systeem op veilige wijze op, voordat u werkzaamheden gaat verrichten aan het hydraulische systeem.
Controleer of alle hydraulische slangen en leidingen in goede staat verkeren en dat alle hydraulische aansluitingen en fittingen stevig vastzitten voordat u druk zet op het hydraulische systeem.
Monteer het scherm links vooraan op het frame.
Monteer het voorste scherm op het frame met 4 flenskopschroeven.
Monteer de 4 flenskopschroeven waarmee het scherm van het linkerwiel aan het frame is bevestigd (Figuur 38).
Monteer het linker achterwiel (Figuur 38).

Laat de machine neer op de grond.
Monteer het scherm van de trekhaak achter.
Monteer het luchtfilter.