Entretien
Note: Les côtés gauche et droit de la machine sont déterminés d'après la position d'utilisation normale.
Programme d'entretien recommandé
| Périodicité d'entretien | Procédure d'entretien |
|---|---|
| Après les 10 premières heures de fonctionnement |
|
| À chaque utilisation ou une fois par jour |
|
| Avant le remisage |
|
Prudence
Si vous laissez la clé dans le commutateur d'allumage, quelqu'un pourrait mettre le moteur en marche accidentellement et vous blesser gravement, ainsi que toute personne à proximité.
Avant tout entretien, enlevez la clé de contact et débranchez le fil de la bougie. Écartez le fil pour éviter tout contact accidentel avec la bougie.
Danger
Un moteur en marche peut devenir très chaud. Le contact avec les surfaces chaudes peuvent causer des brûlures graves.
Laissez refroidir le moteur, en particulier le silencieux, avant de le toucher.
Danger
Des débris (feuilles, herbe ou broussailles) peuvent prendre feu. Un feu dans le compartiment moteur peut causer des blessures et des dommages matériels.
-
Débarrassez le moteur et le silencieux des débris qui y sont déposés.
-
Lors de l'ouverture du couvercle du système de ramassage, veillez à ne pas faire tomber de débris sur le moteur et le silencieux.
-
Laissez refroidir la machine avant de la remiser.
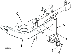
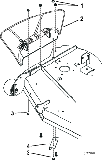
Contrôle du système de ramassage
| Périodicité d'entretien | Procédure d'entretien |
|---|---|
| Après les 10 premières heures de fonctionnement |
|
| Avant le remisage |
|
Examinez le système de ramassage après les 10 premières heures de fonctionnement, puis une fois par mois.
-
Vérifiez l'état de la goulotte, du tube d'éjection et du capot du système de ramassage. Remplacez-les s'ils sont fendus ou cassés.
-
Serrez tous les écrous, boulons et vis.
-
Examinez toutes les fixations et tous les verrous; remplacez-les s'ils sont absents ou endommagés.
-
Vérifiez l'état des bacs à herbe.
Attention
Des débris peuvent être projetés à travers les bacs à herbe s'ils sont déchirés, usés ou détériorés et vous blesser gravement ainsi que toute personne à proximité.
-
Vérifiez que les bacs à herbe ne sont pas troués, déchirés, usés ou autrement endommagés.
-
Ne lavez pas les bacs à herbe.
-
Remplacez-les s'ils sont endommagés; vous pouvez vous procurer des bacs de rechange auprès du fabricant du système de ramassage.
-
Contrôle des lames du tablier de coupe
Examinez les lames régulièrement, ainsi qu'après avoir heurté un obstacle.
Remplacez les lames si elles sont très usées ou endommagées. Pour la procédure complète d'entretien des lames, reportez-vous au Manuel de l'utilisateur du tablier de coupe.
Nettoyage du système de ramassage
| Périodicité d'entretien | Procédure d'entretien |
|---|---|
| À chaque utilisation ou une fois par jour |
|
| Avant le remisage |
|
Note: Pour éviter la détérioration rapide du tissu, rangez les sacs de sorte qu'ils sèchent complètement après chaque utilisation.
-
Après chaque utilisation, retirez et lavez au jet d'eau l'intérieur et l'extérieur du couvercle du collecteur, du tube d'éjection et de la goulotte, ainsi que le dessous du tablier de coupe. Utilisez un détergent doux pour éliminer les saletés récalcitrantes.
-
Veillez à bien débarrasser toutes les pièces de l'herbe agglomérée.
-
Lavez les bacs à herbe au tuyau d'arrosage pour éliminer tous les débris.
-
Après le lavage, laissez sécher soigneusement toutes les pièces.


































