Entretien
Programme d'entretien recommandé
| Périodicité d'entretien | Procédure d'entretien |
|---|---|
| Après les 250 premières heures de fonctionnement |
|
Nettoyage
Prudence
Si vous laissez la clé dans le commutateur d'allumage, quelqu'un pourrait mettre le moteur en marche accidentellement et vous blesser gravement, ainsi que toute personne à proximité.
Avant tout entretien, retirez la clé du commutateur d'allumage.
Nettoyage de la cabine
Important: Faites attention près des joints de la cabine (Figure 32). Si vous utilisez un nettoyeur haute pression, n'approchez pas le jet à moins de 60 cm de la machine. N'utilisez pas le jet haute pression directement sur les joints de la cabine, les joints des vitres, ou le porte-à-faux arrière.

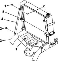
Nettoyage des filtres à air
| Périodicité d'entretien | Procédure d'entretien |
|---|---|
| Après les 250 premières heures de fonctionnement |
|
-
Retirez les vis à oreilles et les grilles des filtres à air arrière de la cabine (Figure 33).

-
Nettoyez les filtres en soufflant à travers de l'air comprimé propre et exempt d'huile.
Important: Remplacez les éléments défectueux.
-
Montez les filtres et les grilles, et fixez-les en place avec les vis à oreilles.




































