Manutenzione
Programma di manutenzione raccomandato
| Cadenza di manutenzione | Procedura di manutenzione |
|---|---|
| Ogni 250 ore |
|
Pulizia
Attenzione
Se lasciate la chiave nel relativo interruttore, qualcuno potrebbe accidentalmente avviare il motore e ferire gravemente voi o gli astanti.
Spegnete il motore e togliete la chiave prima di effettuare qualsiasi intervento di manutenzione.
Pulizia della cabina
Important: Prestate attenzione alle guarnizioni e alle luci della cabina (Figura 58). Se utilizzate una lancia a pressione, mantenete l'asta di lavaggio ad almeno 0,6 m di distanza dalla macchina. Non utilizzate la lancia a pressione direttamente sulle guarnizioni o le luci della cabina o sotto la sporgenza posteriore.

Pulizia dei filtri dell'aria della cabina
| Cadenza di manutenzione | Procedura di manutenzione |
|---|---|
| Ogni 250 ore |
|
-
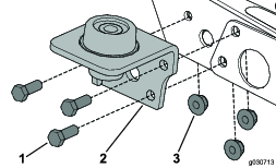
Rimuovete le viti e le griglie sia dal filtro dell'aria interno alla cabina, sia da quello sulla parte posteriore della cabina (Figura 59 e Figura 60).


-
Pulite i filtri soffiando aria compressa pulita e priva di tracce d'olio attraverso gli stessi.
Important: Se un filtro presenta un buco, uno strappo o un altro tipo di danno, sostituitelo.
-
Montate i filtri e la grata con le viti a testa zigrinata.
Pulizia del prefiltro della cabina
Lo scopo del prefiltro della cabina è quello di evitare che grossi detriti, come erba e foglie penetrino nei filtri della cabina.
-
Ruotate il coperchio dello schermo verso il basso.
-
Pulite il filtro con acqua.
Note: Non utilizzate il lavaggio a pressione.
Important: Se il filtro presenta un foro, uno strappo o un altro danno, sostituitelo.
-
Lasciate asciugare il prefiltro prima di montarlo sulla macchina.
-
Ruotate lo schermo del filtro attorno alle alette fino a quando il fermo non si blocca nel gruppo del supporto del fermo (Figura 61).

Pulizia del gruppo dell'aria condizionata
| Cadenza di manutenzione | Procedura di manutenzione |
|---|---|
| Ogni 250 ore |
|
-
Spegnete il motore ed estraete la chiave.
-
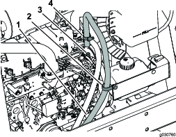
Scollegate il filo per ciascuna ventola (Figura 62).

-
Rimuovete le 2 manopole e rimuovete il gruppo della ventola (Figura 62).
-
Aprite i 4 fermi sul gruppo dell'aria condizionata e rimuovete la griglia (Figura 63).

-
Togliete i filtri dell'aria (Figura 60).
-
Pulite il gruppo dell'aria condizionata.
-
Installate i filtri dell'aria, la griglia e il gruppo ventola (Figura 60, Figura 63 e Figura 62).
-
Collegate il filo per ciascuna ventola (Figura 62).































































