Manutenção
Plano de manutenção recomendado
| Intervalo de assistência | Procedimento de manutenção |
|---|---|
| A cada 250 horas |
|
Limpeza
Cuidado
Se deixar a chave na ignição, alguém pode ligar acidentalmente o motor e feri-lo a si ou às pessoas que se encontrarem próximo da máquina.
Desligue o motor e retire a chave da ignição antes de realizar qualquer manutenção.
Limpe a cabina
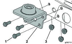
Important: Tome as devidas precauções nas luzes e rolamentos da cabina (Figura 58). Se utilizar uma máquina de pressão de água, mantenha a vareta de lavagem a, pelo menos, 0,6 m da máquina. Não utilize a máquina de pressão de água diretamente nos vedantes da cabina e das luzes ou sob a consola traseira.

Limpeza dos filtros de ar da cabina
| Intervalo de assistência | Procedimento de manutenção |
|---|---|
| A cada 250 horas |
|
-
Remova os parafusos e as grelhas dos filtros de ar interior e traseiro da cabina (Figura 59 e Figura 60).


-
Para limpar os filtros, sopre com ar comprimido livre de óleos.
Important: Se qualquer dos filtros tiver furos, desgaste ou qualquer outro dano, substitua o filtro.
-
Instale os filtros e a grelha com os parafusos de aperto manual.
Limpe o pré-filtro da cabina
O objetivo do pré-filtro da cabina é evitar que detritos grandes como, por exemplo, relva e folhas entrem para os filtros da cabina.
-
Rode a cobertura do filtro para baixo.
-
Limpe o filtro com água.
Note: Não utilize água sob pressão.
Important: Se o filtro tiver um furo, desgaste ou qualquer outro dano, substitua o filtro.
-
Espere que o pré-filtro seque antes de o instalar na máquina.
-
Rode o painel de filtro em volta das patilhas até que a lingueta entre no conjunto de montagem do trinco (Figura 61).

Limpeza do conjunto do ar condicionado
| Intervalo de assistência | Procedimento de manutenção |
|---|---|
| A cada 250 horas |
|
-
Desligue o motor e retire a chave.
-
Desligue o fio para cada uma das ventoinhas (Figura 62).

-
Retire os dois manípulos e o conjunto da ventoinha (Figura 62).
-
Abra as quatro linguetas do conjunto do ar condicionado e retire o filtro (Figura 63).

-
Retire os filtros (Figura 60).
-
Limpe o conjunto do ar condicionado.
-
Instale os filtros de ar, painel e conjunto da ventoinha (Figura 60, Figura 63 e Figura 62).
-
Ligue o fio de cada uma das ventoinhas (Figura 62).































































