Säkerhet

Denna produkt uppfyller alla relevanta europeiska direktiv. Mer information finns i försäkran om inbyggnad i slutet av det här dokumentet.

Vältskydd (ROPS) för hytt

  • Vältskyddet är en viktig del av hytten och en effektiv säkerhetsanordning.

  • Vältskyddet består av störtbågen, sätet, säkerhetsbältet, sätesspärren och hytten.

  • Använd alltid säkerhetsbälte när du använder maskinen med en hytt.

  • Försäkra dig om att säkerhetsbältet snabbt kan lossas i en nödsituation.

  • Kör långsamt och försiktigt.

  • Var mycket uppmärksam på utrymmen ovanför dig (dvs. grenar, dörrar, elektriska sladdar) innan du kör under ett föremål och vidrör dem inte.

  • Se till att hytten är i säkert bruksskick genom att regelbundet inspektera den noga och kontrollera att den inte är skadad samt hålla alla fästelement ådragna.

  • Byt ut hytten om den är skadad. Reparera eller modifiera den inte.

  • Ta inte bort och justera inte vältskyddet.

Säkerhets- och instruktionsdekaler

Graphic

Säkerhetsdekalerna och anvisningarna är fullt synliga för föraren och finns nära alla potentiella farozoner. Ersätt dekaler som har skadats eller saknas.

decal93-7272
decal125-9688
decal130-5361
decal140-4413
decal140-6632

Montering

Förbereda maskinen och hytten

Delar som behövs till detta steg:

Skruv (¾ x 4 tum)2
Mutter (¾ tum)2

Note: Spara lastpallen för långtidsförvaring efter att du har tagit bort hytten. Spara maskinens samtliga fästelement när du monterar eller tar bort hytten.

  1. Ställ maskinen på ett plant underlag, koppla in parkeringsbromsen, sänk ned redskapet, stäng av motorn och ta ut nyckeln.

  2. Koppla bort batteriets minuskabel (−) från batteriet.

  3. Ta bort muttern, skruven och distansbrickan som fäster kabeln vid gaspedalen och vrid pedalen mot sätet (Figur 1).

    g301596
  4. Ta bort vältskyddssprintarna och placera dem i det nedre placeringshålet (Figur 2).

    g302033
  5. Sätt i skruven (¾ x 4 tum) i störtbågens övre hål och fäst den för hand med en mutter (¾ tum). Se (Figur 3).

    Note: Kontrollera att skruven har monterats på störtbågens insida.

    g302032
  6. Ta bort det främre klippdäckets spärr från maskinens framsida (Figur 4). Spara spärren och fästelementen.

    g302034
  7. Ta bort muttrarna och skruvarna från det högra armstödet och fäll in det mot mitten (Figur 5).

    g301595
  8. Tippa styrkolonnen till det lägsta läget. Mer information finns i bruksanvisningen.

  9. Ta bort R-klämmorna som fäster luftningsrören från störtbågen (Figur 6).

  10. Lägg luftningsrören åt sidan så att du kan montera hytten.

  11. Sätt tillbaka R-klämmorna i störtbågen utan luftningsrören (Figur 6).

    g301597

Montera hyttens brandvägg

Delar som behövs till detta steg:

Hyttens brandvägg1
  1. Täta de befintliga brandväggsöppningarna på båda sidor på de platser som visas i Figur 7 med svart RTV-tätningsmedel.

    g301598
  2. Täta hyttens brandvägg på de platser som visas Figur 8 med svart RTV-tätningsmedel.

    g336508
  3. Ta bort de befintliga fästelementen som kopplar den befintliga brandväggen till störtbågens rör.

  4. Placera hyttens brandvägg runt sätet och på den befintliga brandväggen (Figur 9).

    g301513
  5. Använd de befintliga fästelementen för att montera hyttens brandvägg.

Montera hytten

Delar som behövs till detta steg:

Hytt1
Vänster vältskyddsstopp1
Höger vältskyddsstopp1
Vältskyddsfäste2
Vältskyddsstag2
Hållarkåpa2
Packning2
Skruv (1/4 × 3/4 tum)8
Skruv (⅜ x 1 tum)4
Låsmutter (⅜ tum)4
Skumpackning1

Important: Montera hyttens fästdon löst tills alla fästelement är monterade. När alla fästelement är monterade drar du åt fästdonen.

  1. Ta bort de vänstra och högra panelerna från hyttens insida enligt Figur 10.

    g301842
  2. Ta bort hyttens tak enligt Figur 11.

    g302035
  3. Använd en lyftanordning för att stötta hytten och anslut hyttlyftanordningen till hyttens fyra lyftpunkter (Figur 12).

    Note: Du hittar hyttlyftanordningar hos auktoriserade Toro-återförsäljare.

    g322358
  4. Höj upp hytten med en lyftanordning (Figur 12).

  5. Montera skumpackningen på hyttens undersida enligt Figur 13.

    g301543
  6. Passa in hytten över störtbågen.

  7. Placera luftningsrören i de bakre stolparna medan du sänker ner hytten (Figur 16).

    Note: Se till att gaspedalen är vänd bakåt mot sätet.

  8. Sänk hytten tills den är ungefär 51 mm ovanför brandväggen och maskinen.

  9. Montera störtbågstätningarna på störtbågens båda sidor (Figur 14).

  10. Montera den vänstra kåpan och en hållarkåpa i den vänstra tätningen och fäst kåporna med fyra skruvar (¼ x ¾ tum), se Figur 14.

  11. Montera den högra kåpan och en hållarkåpa i den högra tätningen och fäst kåporna med fyra skruvar (¼ x ¾ tum), se Figur 14.

    g301688
  12. Sänk ned hytten på brandväggen och maskinen.

  13. Montera klippdäcksspärren löst på hyttens framsida (Figur 4).

  14. Montera vältskyddsfästena löst för att fästa hytten på maskinens störtbåge (Figur 15).

  15. Montera det vänstra vältskyddsstoppet löst på störtbågens hörn med två skruvar (⅜ x 1 tum), ett vältskyddsstag och två muttrar (⅜ tum).

  16. Montera det högra vältskyddsstoppet löst på störtbågens hörn med två skruvar (⅜ x 1 tum), ett vältskyddsstag och två muttrar (⅜ tum).

    g301843

    Note: Se till att vältskyddsskruvarna dras åt sist (Figur 3).

  17. När alla delar och alla fästelement har monterats drar du åt fästelementen.

  18. Dra åt alla muttrar och skruvar som fäster hytten på störtbågen till 127–157 Nm. Se Figur 15

  19. Dra åt muttrarna och skruvarna för klippdäcksspärren på hyttens framsida till 127–157 Nm. Se Figur 4.

  20. Dra åt störtbågens skruv och mutter till 329–403 Nm. Se Figur 3.

  21. Montera hyttens tak (Figur 11).

  22. Montera muttern, skruven och distansbrickan för att fästa kabeln vid gaspedalen (Figur 1).

Montera luftningsrören

Delar som behövs till detta steg:

Skruv (5/16 x 1 ½ tum)2
Mutter (5/16 tum)2
Plåtklämma2
Rörklämma2
  1. Montera luftningsrören på hyttens båda sidor. Se Figur 16.

  2. Fäst varje luftningsrör med en skruv (5/16 x 1 ½ tum), en plåtklämma, en rörklämma och en mutter (5/16 tum) (Figur 16).

    g330010
  3. Montera sidopanelerna som du tog bort tidigare (Figur 11).

Montera fotsteget

Delar som behövs till detta steg:

Stegstång1
Vagnskruv (⅜ x ⅞ tum)2
Mutter (⅜ tum)2
Vagnskruv (5/16 x ¾ tum)2
Vagnsskruv (5/16 x 1 ¼ tum)1
Mutter (5/16 tum)3
Klippdäckssteg1
Golvmatta1
  1. Ta bort det befintliga steget på maskinens sida (Figur 17).

    Note: Det befintliga steget behöver inte vara monterat när hytten tas bort. Använd steget som medföljer hytten.

    g302817
  2. Montera klippdäckssteget på stegstången med en vagnsskruv (5/16 x 1 ¼ tum) och en mutter (5/16 tum). Se Figur 18.

  3. Montera steget på maskinens sida med två vagnsskruvar (⅜ x ⅞ tum), två muttrar (⅜ tum), en vagnsskruv (⅜ x ⅞ tum) och en mutter (⅜ tum). Se Figur 18.

    g301516
  4. Montera golvmattan i hytten (Figur 19).

    g302840

Montera slangarna för 24 hk-motorn

Delar som behövs till detta steg:

Slang1
Honkoppling1
Dammplugg, hona1
Rak koppling (⅜ npt x ⅝ hulling)2
Slangklämma4
Hankoppling1
Dammplugg, hane1
R-klämma2
Vagnsskruv (¼ x ¾ tum)2
Flänsmutter (¼ tum)2
Motorkoppling2
Kabelband8
Rak adapter (⅜ tum)1
Adapter (M16)1
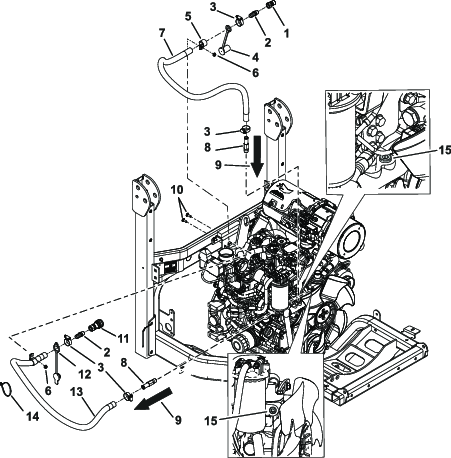
  1. Använd tätningsmedel på de raka kopplingarna (⅜ npt x ⅝ hulling). Hoppa över den första gängan.

  2. Dra slangklämmor över slangarna.

  3. Trä dammpluggen och dammkåpan över enheternas hullingände (Figur 20).

  4. Skruva i de raka kopplingarna (⅜ npt x ⅝ hulling) i han- och honkopplingarna (Figur 20).

  5. Dra åt det raka kopplingarna (⅜ npt x ⅝ hulling) i han- och honkopplingarna två till tre varv för hand.

  6. För in enheternas hullingände i slangarna och fäst dem med slangklämmorna (Figur 20).

  7. Montera den raka adaptern (⅜ tum) på motorkopplingen för slangen med hankoppling (Figur 20).

  8. Montera den raka adaptern (M16) på motorkopplingen för slangen med honkoppling (Figur 20).

    g301831
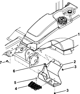
  9. Ta bort det befintliga fästet från maskinramen och kylaren (Figur 21). Spara fästelementen.

    g315428
  10. Dränera hälften av motorns kylvätska från kylaren genom att använda ventilen på höger sidan av kylaren enligt Figur 21.

  11. Leta reda på och ta bort motorpluggarna enligt Figur 20.

  12. Tillför rörtätningsmedel på motorkopplingarnas gängor.

  13. Fäst motorkopplingarna manuellt i portarna och dra åt dem för hand.

  14. Dra sedan åt motorkopplingarna ytterligare 2–3 varv.

  15. Dra slangklämmorna över slangarna.

  16. Dra slangarna över motorkopplingarnas hullingände och fäst dem med slangklämmorna (Figur 20).

  17. Montera R-klämmorna runt slangarna (Figur 20).

  18. Fäst slangarna på hyttens baksida med två vagnsskruvar och två muttrar (Figur 20 och Figur 22).

    g301828
  19. Fäst slangarna med kabelband på avstånd från rörliga delar och heta ytor.

  20. Fyll på kylaren med kylvätska.

  21. Starta motorn och töm ut luften ur kylsystemet.

  22. Stäng av motorn och kontrollera kylvätskenivån.

  23. Tillsätt mer kylvätska vid behov.

    Note: När motorn är kall ska kylvätskenivån inte vara högre än den undre markeringen FULL (COLD) (full (kall)).

    Note: Information om rätt vätska finns i drivenhetens bruksanvisning.

Montera slangarna för 37 hk-motorn

Delar som behövs till detta steg:

Slang1
Honkoppling1
Dammplugg, hona1
Rak koppling (⅜ npt x ⅝ hulling)2
Slangklämma4
Hankoppling1
Dammplugg, hane1
R-klämma2
Vagnsskruv (¼ x ¾ tum)2
Flänsmutter (¼ tum)2
Motorkoppling2
Kabelband8
Rak adapter (⅜ tum)1
Adapter (M16)1
  1. Använd tätningsmedel på de raka kopplingarna (⅜ npt x ⅝ hulling). Hoppa över den första gängan.

  2. Dra slangklämmor över slangarna.

  3. Trä dammpluggen och dammkåpan över enheternas hullingände (Figur 24).

  4. Skruva i de raka kopplingarna (⅜ npt x ⅝ hulling) i han- och honkopplingarna (Figur 24).

  5. Dra åt det raka kopplingarna (⅜ npt x ⅝ hulling) i han- och honkopplingarna två till tre varv för hand.

  6. För in enheternas hullingände i slangarna och fäst dem med slangklämmorna (Figur 24).

  7. Ta bort det befintliga fästet från maskinramen och kylaren (Figur 23). Spara fästelementen.

    g315428
  8. Dränera hälften av motorns kylvätska från kylaren genom att använda ventilen på höger sidan av kylaren enligt Figur 23.

  9. Leta reda på och ta bort motorpluggarna enligt Figur 24.

    g301830
  10. Tillför rörtätningsmedel på motorkopplingarnas gängor.

  11. Fäst motorkopplingarna manuellt i portarna och dra åt dem för hand.

  12. Dra sedan åt motorkopplingarna ytterligare 2–3 varv.

  13. Dra slangklämmorna över slangarna.

  14. Dra slangarna över motorkopplingarnas hullingände och fäst dem med slangklämmorna (Figur 24).

  15. Montera R-klämmorna runt slangarna (Figur 24).

  16. Fäst slangarna på hyttens baksida med två vagnsskruvar och två muttrar (Figur 24 och Figur 25).

    g301829
  17. Fäst slangarna med kabelband på avstånd från rörliga delar och heta ytor (Figur 25).

  18. Fyll på kylaren med kylvätska.

  19. Starta motorn och töm ut luften ur kylsystemet.

  20. Stäng av motorn och kontrollera kylvätskenivån.

  21. Tillsätt mer kylvätska vid behov.

    Note: När motorn är kall ska kylvätskenivån inte vara högre än den undre markeringen FULL (COLD) (full (kall)).

    Note: Se drivenhetens bruksanvisning för rätt vätska.

Montera spolarvätsketanken

Delar som behövs till detta steg:

Fäste till spolarvätskan1
Spolarvätsketank1
Vagnskruv (5/16 x ¾ tum)4
Låsmutter (5/16 tum)4
  1. Montera tanken på fästet med fyra vagnsskruvar (5/16 x ¾ tum) och fyra muttrar (5/16 tum). Se Figur 26.

    g301514
  2. Montera tanken och fästet på ramen och kylaren med fästelementen du tog bort tidigare (Figur 21 eller Figur 23).

Montera spolarvätskeslangarna

Delar som behövs till detta steg:

Slangkoppling (hona)1
Slangkoppling (hane)1

Note: Slangarna är extra långa och måste kapas före anslutningarna monteras.

  1. Dra slangarna längs ramen och tillbaka till spolarvätsketanken (Figur 28).

  2. Montera slangen på spolarvätsketanken enligt Figur 27.

    g301599
  3. Anslut slangen till tanken.

  4. Kapa slangen enligt Figur 28.

  5. Montera kopplingarna enligt Figur 28.

    g301541
  6. Fäst slangen med kabelband i plast (Figur 28).

Ansluta kablaget

Delar som behövs till detta steg:

Säkring (10 A)1
  1. Dra kablaget längs maskinramen (Figur 29).

    g302187
  2. Ta bort muttern som fäster plusbatteriklämman på plusbatteripolen.

  3. Fäst plusbatteripolen från kablaget på skruven som håller fast batteriklämman.

  4. Dra åt klämman med muttern som du tog bort tidigare.

  5. Upprepa föregående steg för minusbatteripolen på kablaget.

  6. Montera kontakten på vätsketanken (Figur 29).

  7. Anslut kontakten som visas i Figur 29 till maskinens huvudkablage.

  8. Montera en säkring (10 A) på traktorenhetens säkringsblock. Se lämplig plats för montering i avsnittet om underhåll av elsystem i traktorenhetens bruksanvisning.

Montera vikterna

Delar som behövs till detta steg:

Vikt (6 kg)2
Skruv (⅜ x 3 ½ tum)2
Bricka (⅜ tum)2
Låsmutter (⅜ tum)2
  1. Montera de två vikterna (6 kg) mellan ramen och den bakre stötfångaren med två skruvar (⅜ x 3 ½ tum), två brickor (⅜ tum) och två låsmuttrar (⅜ tum). Se Figur 30.

  2. Om du även monterar ett redskap (t.ex. en snöskrapa, snöborste eller klippenhet) tar du reda på lämplig bakre vikt i traktorenhetens bruksanvisning.

g315463

Slutföra monteringen

  1. Kontrollera om det finns några läckor.

  2. Kontrollera om det finns delar som kommer i kontakt med rörliga delar, och åtgärda dem innan du använder maskinen.

  3. Anslut batteriets minuskabel (-) till batteriet.

  4. Kontrollera att alla reglage fungerar innan du använder maskinen.

  5. Be någon hjälpa dig att justera backspegel och sidospeglar innan du använder maskinen.

Produktöversikt

Hyttreglage

g302074

Omkopplare till vindrutetorkare

Använd den här omkopplaren för att slå på och av vindrutetorkarna (Figur 31).

Temperaturreglage

Vrid på temperaturreglaget för att reglera lufttemperaturen i hytten (Figur 31).

Fläktreglage

Vrid fläktreglaget för att reglera fläktens hastighet (Figur 31).

Underhåll

Rekommenderat underhåll

UnderhållsintervallUnderhållsförfarande
Efter de första 250 timmarna
  • Rengör hyttens luftfilter(byt ut dem om de är trasiga eller mycket smutsiga).
  • Rengöring

    Var försiktig

    Om du lämnar nyckeln i tändningslåset kan någon råka starta motorn av misstag och skada dig eller någon annan person allvarligt.

    Ta ut nyckeln ur tändningslåset innan du utför något underhåll.

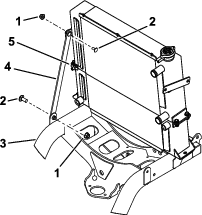
    Rengöra hytten

    Important: Var försiktig runt hyttens tätningar (Figur 32). Om du använder en högtryckstvätt, håll spridaren på minst 60 cm avstånd från maskinen. Använd inte högtryckstvätten direkt på hyttens tätningar, glastätningar och under det bakre överhänget.

    g302075

    Rengöra luftfiltren

    UnderhållsintervallUnderhållsförfarande
    Efter de första 250 timmarna
  • Rengör hyttens luftfilter(byt ut dem om de är trasiga eller mycket smutsiga).
    1. Ta bort vingskruvarna och gallren från de bakre luftfiltren i hytten (Figur 33).

      g302176
    2. Rengör filtren genom att blåsa ren, oljefri tryckluft genom dem.

      Important: Byt ut skadade filter.

    3. Montera filtren och gallren, och fäst dem med vingskruvarna.

    Förvaring

    Ta bort hytten från maskinen innan den ställs i förvaring.

    Förberedelser inför att ta bort hytten från maskinen

    1. Flytta maskinen så att den står under hyttlyftningsanordningen, stäng av motorn, koppla in parkeringsbromsen och ta ut nyckeln.

    2. Låt motorn svalna.

    3. Ta bort skruven och muttern som fäster gaspedalen (Figur 1).

    4. Ta bort den främre klippdäcksspärren från maskinens framsida (Figur 4).

    5. Ta bort skruvarna från det högra armstödet och vrid det mot mitten (Figur 5).

    6. Ta bort de vänstra och högra panelerna inuti hytten (Figur 10).

    7. Ta bort luftningsfönstret från hyttens båda sidor bakom panelerna (Figur 16).

    8. Tippa styrkolonnen till det lägsta läget. Information finns i maskinens bruksanvisning.

    9. Koppla loss den svarta (–) kabeln från batteriet.

    Koppla loss kablaget

    1. Koppla loss kablaget som sitter på maskinen från kablaget som sitter på hytten vid reläet (Figur 29).

    2. Koppla loss kontakten som är ansluten till huvudkablaget (Figur 29).

    3. Täck maskinens och hyttens kontakter med tejp för att hålla dem rena.

    Koppla loss slangarna

    1. Koppla loss spolarslangen (Figur 20).

    2. Koppla loss värmarslangarna (Figur 34).

      Note: Var beredd att samla upp eller torka bort eventuell vätska som töms från slangarna när de kopplas loss.

      g302188
    3. Täta värmarslangarna med dammskyddslocken (Figur 34).

    Ta bort hytten

    1. Ta bort hyttens tak (Figur 11).

    2. Ta bort vältskyddsstoppen och vältskyddsfästena (Figur 15).

      Note: Ta inte bort brandväggen.

    3. Ta bort kåporna och störtbågstätningarna från vältskyddets bas inuti hytten (Figur 14).

      Note: Sätt fast alla fästelement igen på sina ordinarie platser i den ordning de används för att fästa hytten på maskinen. På så vis tappar du inte borta några fästelement, och det kan även underlätta monteringen.

    4. Montera vänster och höger panel inuti hytten (Figur 10).

    5. Fäst hyttupphissningsanordningen i hyttens fyra lyftpunkter (Figur 12).

    6. Hissa upp hytten så högt att du kan flytta bort maskinen från hytten på ett säkert sätt.

    7. Flytta bort maskinen från hytten.

    8. Sänk ned hytten på lastpallen så att du kan flytta den till en förvaringsplats.

      Note: Fäst kablaget och slangarna så att de inte skadas när du sänker eller ställer hytten i förvaring. Täck över hytten för att hindra att damm och skräp samlas på den under förvaringstiden.

    9. Sätt tillbaka vältskyddssprintarna och skruvarna på sina ursprungliga positioner (Figur 2 och Figur 3).

    10. Dra åt varje skruv till 91–113 Nm.

    11. Montera skruven och muttern som fäster gaspedalen (Figur 1).

    12. Montera den främre klippdäcksspärren från maskinens framsida (Figur 4).

    13. Vrid armstödet på plats och montera skruvarna (Figur 5).

    14. Montera luftningsröret på störtbågens båda sidor (Figur 6).