Kunnossapito
Kunnossapitotaulukko
| Huoltoväli | Huoltotoimenpide |
|---|---|
| 250 käyttötunnin välein |
|
Puhdistus
Varoitus
Jos avain jätetään avainkytkimeen, joku voi vahingossa käynnistää moottorin ja vahingoittaa vakavasti lähellä olijoita.
Sammuta moottori ja irrota virta-avain ennen kaikkia huoltotoimia.
Ohjaamon puhdistus
Important: Käsittele ohjaamon tiivisteitä ja valoja varovaisesti (Kuva 58). Jos käytät painepesuria, pidä pesurin suutin ainakin 60 cm:n päässä koneesta. Älä pese ohjaamon tiivisteitä ja valoja tai takaulokkeen alapuolta suoraan painepesurilla.

Ohjaamon ilmansuodattimien puhdistus
| Huoltoväli | Huoltotoimenpide |
|---|---|
| 250 käyttötunnin välein |
|
-
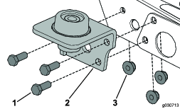
Irrota ruuvit ja säleiköt ohjaamon sisällä ja takana olevista ilmansuodattimista (Kuva 59 ja Kuva 60).


-
Puhdista suodattimet puhaltamalla puhdasta, öljytöntä paineilmaa niiden läpi.
Important: Vaihda suodatin, jos siinä on reikä, repeämä tai muu vaurio.
-
Asenna suodattimet ja säleikkö ja kiinnitä ne siipiruuveilla.
Ohjaamon esisuodattimen puhdistus
Ohjaamon esisuodattimen tarkoitus on estää suuria roskia, kuten ruohonkorsia ja lehtiä, päätymästä ohjaamon suodattimiin.
-
Käännä sihdin suojus alas.
-
Puhdista suodatin vedellä.
Note: Älä käytä painepesuria.
Important: Vaihda suodatin, jos siinä on reikä, repeämä tai muu vaurio.
-
Anna esisuodattimen kuivua ennen kuin asennat sen koneeseen.
-
Käännä suodattimen sihtiä kielekkeissä, kunnes salpa lukittuu salvan kannatinkokoonpanoon (Kuva 61).

Ilmastointilaitteen kokoonpanon puhdistus
| Huoltoväli | Huoltotoimenpide |
|---|---|
| 250 käyttötunnin välein |
|
-
Sammuta moottori ja irrota virta-avain.
-
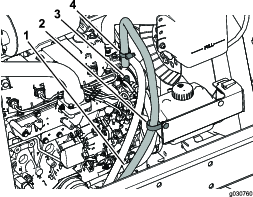
Irrota jokaisen puhaltimen johto (Kuva 62).

-
Irrota molemmat nupit ja irrota puhallinkokoonpano (Kuva 62).
-
Avaa ilmastointilaitteen kokoonpanon neljä salpaa ja irrota ritilä (Kuva 63).

-
Irrota ilmansuodattimet (Kuva 60).
-
Puhdista ilmastointilaitteen kokoonpano.
-
Asenna ilmansuodattimet, ritilä ja puhallinkokoonpano (Kuva 60, Kuva 63 ja Kuva 62).
-
Kytke jokaisen puhaltimen johto (Kuva 62).































































