Vedligeholdelse
Skema over anbefalet vedligeholdelse
| Vedligeholdelsesintervaller | Vedligeholdelsesprocedure |
|---|---|
| For hver 250 timer |
|
Rengøring
Forsigtig
Hvis du lader nøglen sidde i tændingskontakten, kan andre personer utilsigtet komme til at starte motoren og forårsage alvorlig personskade på dig eller andre omkringstående.
Sluk motoren, og tag nøglen ud, før du foretager vedligeholdelse.
Rengøring af førerhuset
Important: Vær forsigtig omkring førerhusets forseglinger og lygter (Figur 58). Hvis du bruger en højtryksrenser, så hold højtryksrenserpistolen mindst 0,6 m væk fra maskinen. Brug ikke højtryksrenser direkte på førerhusets forseglinger og lys eller under bageste udhæng.

Rengøring af førerhusets luftfiltre
| Vedligeholdelsesintervaller | Vedligeholdelsesprocedure |
|---|---|
| For hver 250 timer |
|
-
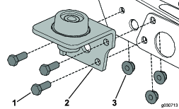
Afmonter skruerne og ristene fra luftfiltrene inde i førerhuset og bag førerhuset (Figur 59 og Figur 60).


-
Rengør filtrene ved at blæse ren, oliefri trykluft gennem dem.
Important: Hvis der konstateres huller, revner eller anden beskadigelse, udskiftes filteret.
-
Monter filtrene og risten med fingerskruerne.
Rengøring af førerhusets forfilter
Formålet med førerhusets forfilter er at forhindre affaldsstumper i at trænge ind i førerhusets filtre.
-
Drej filterdækslet ned.
-
Rengør filteret med vand.
Note: Brug ikke højtryksrenser.
Important: Hvis der konstateres huller, revner eller anden beskadigelse i filteret, skal det udskiftes.
-
Lad forfilteret tørre, før det sættes i maskinen.
-
Drej filtersigten omkring tapperne, indtil låsen låses fast i låsebeslagsamlingen (Figur 61).

Rengøring af airconditionenheden
| Vedligeholdelsesintervaller | Vedligeholdelsesprocedure |
|---|---|
| For hver 250 timer |
|
-
Sluk motoren, og tag nøglen ud.
-
Afmonter ledningen for de enkelte ventilatorer (Figur 62).

-
Afmonter de to greb, og fjern ventilatoren (Figur 62).
-
Åbn de fire låse på airconditionenheden, og fjern filteret (Figur 63).

-
Afmonter luftfiltrene (Figur 60).
-
Rengør airconditionenheden.
-
Monter luftfiltrene, filteret og ventilatorenheden (Figur 60, Figur 63 og Figur 62).
-
Tilslut ledningen for de enkelte ventilatorer (Figur 62).































































