Underhåll
Rekommenderat underhåll
| Underhållsintervall | Underhållsförfarande |
|---|---|
| Var 250:e timme |
|
Rengöra
Var försiktig
Om du lämnar nyckeln i tändningslåset kan någon av misstag starta motorn och skada dig eller någon annan allvarligt.
Stäng av motorn och ta ut nyckeln innan du utför något underhåll.
Rengöra hytten
Important: Var försiktig runt hyttens tätningar och lampor (Figur 58). Om du använder en högtryckstvätt, håll spridaren på minst 60 cm avstånd från maskinen. Använd inte högtryckstvätten direkt på hyttens tätningar, lampor och på det bakre överhänget.

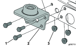
Rengöra hyttens luftfilter
| Underhållsintervall | Underhållsförfarande |
|---|---|
| Var 250:e timme |
|
-
Ta bort de skruvar och galler som sitter över luftfiltren både i och bakom hytten (Figur 59 och Figur 60).


-
Rengör filtren genom att blåsa ren, oljefri tryckluft genom dem.
Important: Om något filter har ett hål, en reva eller någon annan skada ska filtret i fråga bytas ut.
-
Montera filtren och gallren igen med vingskruvarna.
Rengöra hyttens förfilter
Syftet med hyttens förfilter är att förhindra att större skräp som gräs och löv kommer in i hyttens filter.
-
Vrid skärmskyddet nedåt.
-
Rengör filtret med vatten.
Note: Använd inte en högtryckstvätt.
Important: Om filtret har ett hål, en reva eller någon annan skada ska filtret i fråga bytas ut.
-
Låt förfiltret torka innan du monterar det i maskinen.
-
Vrid filterenheten runt flikarna tills spärren låser fast i spärrenheten (Figur 61).

Rengöra luftkonditioneringsenheten
| Underhållsintervall | Underhållsförfarande |
|---|---|
| Var 250:e timme |
|
-
Stäng av motorn och ta ut nyckeln.
-
Lossa kabeln för varje fläkt (Figur 62).

-
Avlägsna de två vreden och ta bort fläktenheten (Figur 62).
-
Öppna de fyra spärrarna på luftkonditioneringsenheten och ta bort filtret (Figur 63).

-
Ta bort luftfiltren (Figur 60).
-
Rengör luftkonditioneringsenheten.
-
Montera luftfiltren, filtret och fläktenheten igen (Figur 60, Figur 63 och Figur 62).
-
Anslut kabeln för varje fläkt (Figur 62).































































