Tämä tuote on soveltuvien eurooppalaisten direktiivien mukainen. Lisätietoja on tämän julkaisun lopussa olevassa liittämisvakuutuksessa.
Note: Sand Pro -mallit 08703 ja 08705: tilaa seuraavat osat ennen tämän sarjan asennusta:
| Kuvaus | Osanro | Määrä |
| Mittatikku | 110-8162 | 1 |
| Venttiililevy | 108-8460-01 | 1 |
| Itsekierteittävä ruuvi (5/16 × 3/4 tuumaa) | 32144-11 | 2 |
| Toro PX Extended Life Hydraulic Fluid -hydraulineste (19 litraa) | 133-8086 | 6,7 litraa |
Paineella suihkuava hydraulineste voi läpäistä ihon ja aiheuttaa vammoja.
Varmista, että kaikki hydrauliletkut ja -putket ovat hyvässä kunnossa ja että kaikki hydrauliputkien liittimet ovat tiukalla, ennen kuin lisäät järjestelmän painetta.
Pidä keho ja kädet kaukana vuotavista rei’istä ja suuttimista, joista ruiskuaa korkeapaineista hydraulinestettä.
Etsi hydraulinestevuotoja pahvin tai paperin avulla.
Poista paine varovasti hydraulijärjestelmästä, ennen kuin huollat järjestelmää.
Jos nestettä pääsee ihon alle, hakeudu välittömästi lääkäriin.
Aina kun tarvitset huoltoa, alkuperäisiä Toro-varaosia tai lisätietoja, ota yhteys valtuutettuun huoltoliikkeeseen tai Toron asiakaspalveluun. Ota tällöin tuotteesi malli- ja sarjanumerot valmiiksi esiin. Kuva 1 näyttää laitteen malli- ja sarjanumeron sijainnin. Kirjoita numerot annettuun tilaan.

Note: Koneen vasen ja oikea puoli määritellään normaalista käyttöasennosta käsin.
![]() |
Turva- ja ohjetarrat on sijoitettu hyvin näkyville paikoille mahdollisten vaara-alueiden lähettyville. Korvaa vioittuneet tai kadonneet tarrat uusilla. |

Pysäköi kone tasaiselle alustalle.
Laske lisälaitteet.
Kytke seisontajarru.
Sammuta moottori ja irrota virta-avain.
Puhdista kone huolellisesti. Poista kaikki roskat, jotta asennuskannattimet asettuvat oikein paikalleen ja jotta hydraulinestejärjestelmään ei pääse likaa tai roskia.
Puhdista ilmanpuhdistimen ympäristö perusteellisesti.
Löysää jäähdyttimen pidätintä letkun ympäriltä ja laske pidätin letkuun.
Irrota sisäpuolen pultti, joka pitää ilmanpuhdistinta paikallaan.
Irrota ilmanpuhdistimen suojus ja suodatin (Kuva 2).

Irrota letku ilmanpuhdistimen kotelosta.
Levitä ilmanpuhdistimen kieleke auki ja vedä se suojuksen päälle kohtaan, josta suodatin irrotettiin (Kuva 3).

Peitä letku tai työnnä siihen riepu, jotta siihen ei pääse likaa tai roskia asennuksen aikana.
Irrota vastapäinen pultti, joka kiinnittää ilmanpuhdistimen kielekkeen koneen runkoon.
Tyhjennä hydraulisäiliö. Katso koneen käyttöopas.
Nosta koneen takaosa irti maasta ja tue koneen takaosa. Katso koneen käyttöoppaan kohta Koneen nosto.
Mekaaniset tai hydrauliset tunkit saattavat pettää ja aiheuttaa vakavan loukkaantumisen.
Tue kone akselipukeilla.
Irrota vasen takarengas.
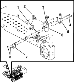
Irrota neljä laippakantaruuvia, joilla vasemman pyörän suojapeite on kiinnitetty runkoon (Kuva 4). Irrota suojapeite ja säilytä se.

Irrota kaksi laippakantaruuvia, joilla vasen etusäleikkö on kiinni rungossa. Irrota säleikkö ja säilytä se.

Irrota kolme pulttia, jotka kiinnittävät takavetokoukun suojuksen runkoon.

Irrota kaksi ruuvia, joilla keskimmäinen suojapeite on kiinni rungossa (Kuva 7). Irrota suojapeite ja säilytä se.

Irrota säiliöön menevät hydrauliputket.
Irrota hydraulisäiliön yläkannatin koneen rungosta ja löysää kahta rungon sivussa olevaa kannatinta (Kuva 8). Irrota säiliö ja säilytä osat.

Vaiheeseen tarvittavat osat:
| Pieni 90 asteen T-liitin | 1 |
| Iso 90 asteen kulmaliitin (kumpikin pää kierteinen) | 1 |
| Sihti | 1 |
Note: Voitele kaikki O-renkaat ja aseta ne oikein kaikkiin liittimiin ennen asennusta.
Note: Asenna kaikki liittimet ja hydrauliputket ensin löyhästi ja kiristä ne, kun kaikki on asennettu. Asenna liittimet kuvien mukaisissa kulmissa.
Irrota kaksi hydraulisäiliön tulppaa säiliön sivusta.
Asenna sihti hydraulisäiliöön kohtaan, josta iso tulppa irrotettiin.
Asenna iso 90 asteen kulmaliitin sihtiin.
Asenna pieni 90 asteen T-liitin kohtaan, josta pieni tulppa irrotettiin (Kuva 9).

Vaiheeseen tarvittavat osat:
| Kiinnike | 1 |
| Äänenvaimentimen pidätin | 2 |
| Letkun kiinnike | 1 |
| Liitinkannatin | 1 |
Note: Asenna hydrauliputket ensin löyhästi ja kiristä ne, kun kaikki on asennettu.
Aseta kiristimet takarungon kaarevan putken ympärille.
Asenna letkun kiinnike ja liitinkannatin äänenvaimentimen pidättimiin.
Note: Älä kiristä muttereita tässä vaiheessa. Liitinkannattimen on oltava löysällä hydrauliputkien asennusta varten (Kuva 10).

Aseta liitinkannatin väliaikaisesti kaarevaan runkoputkeen kuvan mukaisesti (Kuva 11).
Note: Aseta liitinkannatin kohtaan, jossa putki alkaa kaartua.

Vaiheeseen tarvittavat osat:
| Venttiili | 1 |
| Pultti (¼ × 3 tuumaa) | 2 |
| Mutteri (1/4 tuumaa) | 2 |
| Pieni 90 asteen kulmaliitin | 1 |
| T-liitin | 1 |
| Rele | 1 |
Note: Voitele kaikki O-renkaat ja aseta ne oikein kaikkiin liittimiin ennen asennusta.
Note: Asenna kaikki liittimet ja hydrauliputket ensin löyhästi ja kiristä ne, kun kaikki on asennettu. Asenna liittimet kuvien mukaisissa kulmissa.
Asenna liittimet kuvien mukaisissa kulmissa. Asenna T-liitin uuden venttiilin kylkeen kuvan mukaisesti (Kuva 12).
Asenna pieni 90 asteen kulmaliitin uuden venttiilin yläosaan (Kuva 12).
Irrota vanha venttiili venttiilin kannattimesta (Kuva 12).
Asenna rele venttiilin kannattimeen samalla, kun venttiilit asennetaan venttiilin kannattimeen.
Asenna venttiilit venttiilin kannattimeen kahdella pultilla (¼ × 3 tuumaa) ja kahdella mutterilla (¼ tuumaa) kuvan mukaisesti (Kuva 12).

Vaiheeseen tarvittavat osat:
| Hydrauliputki numero 1 | 1 |
| Hydrauliputki numero 2 | 1 |
| Hydrauliputki (letku) numero 5 | 1 |
Tunnista oikeat hydrauliputket kuvan perusteella (Kuva 13).

Note: Asenna hydrauliputket ensin löyhästi ja kiristä ne, kun kaikki on asennettu.
Aseta hydrauliputki numero 1 koneeseen kuvan mukaisesti (Kuva 14).
Asenna hydrauliputki numero 1 venttiilin kylkeen asennettuun T-liittimeen (Kuva 14).
Asenna hydrauliputki numero 1 ylempään urosliittimeen (Kuva 14).

Aseta hydrauliputki numero 2 koneeseen kuvan mukaisesti (Kuva 15).
Asenna hydrauliputki numero 2 uuden venttiilin yläosaan ja 90 asteen kulmaliittimeen (Kuva 15).
Asenna hydrauliputki numero 2 ylempään naarasliittimeen (Kuva 15).

Asenna hydrauliputki (letku) numero 5 löysästi alempaan urosliittimeen (Kuva 16).
Note: Letkun toinen pää asennetaan toimenpiteessä 10.

Vaiheeseen tarvittavat osat:
| Hydraulipumppu | 1 |
| 45 asteen liitin (urospäät) | 1 |
| Napakokoonpano | 1 |
| Nelikulmainen avain (1/4 x 1 tuumaa) | 1 |
| Kiristysruuvi (5/16 × 3/4 tuumaa) | 4 |
| Pumpun kannatin | 1 |
| Pultti (johon on levitetty kierrelukitetta) (5/16 × 3/4 tuumaa) | 2 |
| Aluslaatta (⅜ tuumaa) | 2 |
| Iso 90 asteen kulmaliitin (letkuliitinpää) | 1 |
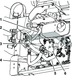
Asenna iso nelikulmainen 90 asteen kulmaliitin hydraulipumpun kylkeen.
Asenna 45 asteen kulmaliitin hydraulipumpun kylkeen (Kuva 17).

Irrota suojus moottorin voimanulosoton (PTO) päältä.
Asenna pumpun kannatin moottoriin kahdella pultilla (5/16 x 3/4 tuumaa) ja kahdella aluslaatalla (3/8 tuumaa). Katso kuvasta pumpun kannattimen oikea asennuskohta (Kuva 18).

Levitä lukkiintumisen estoainetta moottorin voimanulosoton (PTO) akseliin ja hydraulimoottorin akseliin.
Asenna nelikulmainen avain (1/4 × 1 tuumaa) moottorin voimanulosoton (PTO) akselin uraan (Kuva 19).
Kohdista napakokoonpano nelikulmaisen avaimen kanssa ja asenna se moottorin voimanulosoton (PTO) akseliin (Kuva 19).
Note: Varmista, että napakokoonpano on täysin perillä akselissa.
Levitä poistettavaa kierrelukitetta kahteen kiristysruuviin (5/16 × 3/4 tuumaa) ja asenna ne napakokoonpanoon pitämään se kiinni voimanulosoton (PTO) akselissa (Kuva 19).

Asenna pumpun levyn tappi pumpun kannattimeen ja hydraulipumpun akseli napakokoonpanoon.
Note: Hydraulipumpun akseli osuu moottorin voimanulosoton (PTO) akselin päähän (Kuva 20).

Napakokoonpanon on oltava täysin paikoillaan akselissa.
Note: Varmista, että pumpun levyn ja napakokoonpanon välissä on rako. Jos rakoa ei ole, napakokoonpano on väärin asennettu ja se on asennettava oikein (Kuva 21).

Levitä poistettavaa kierrelukitetta kahteen kiristysruuviin (5/16 × 3/4 tuumaa) ja asenna ne napakokoonpanoon pitämään se kiinni hydraulipumpun akselissa (Kuva 20).
Vaiheeseen tarvittavat osat:
| Hydrauliputki numero 3 | 1 |
| Hydrauliputki numero 4 | 1 |
Note: Asenna hydrauliputket ensin löyhästi ja kiristä ne, kun kaikki on asennettu.
Tunnista oikeat hydrauliputket kuvan perusteella (Kuva 22).

Asenna nykyiset letkut takaisin hydraulisäiliöön.
Asenna hydraulisäiliö runkoon ja kiinnitä se paikalleen kolmella aiemmin irrotetulla ja löysätyllä kannattimella (Kuva 23).

Asenna hydrauliputki numero 4 venttiilin kylkeen asennettuun T-liittimeen (Kuva 24).

Aseta hydrauliputki numero 3 koneeseen kuvan mukaisesti (Kuva 25).
Asenna hydrauliputki numero 3 sihtiin ja hydraulisäiliöön asennettuun isoon 90 asteen kulmaliittimeen (Kuva 25).

Vaiheeseen tarvittavat osat:
| Iso hydrauliletku | 1 |
| Hydrauliletku ja liittimet | 1 |
| Iso letkukiristin | 2 |
| Pieni letkukiristin | 2 |
| Pieni muovattu hydrauliletku | 1 |
| R-liitin | 1 |
| Pultti (5/16 × 7/8 tuumaa) | 1 |
| Laippamutteri (5/16 tuumaa) | 1 |
Note: Varmista, että mikään ei hankaa letkuja.
Liu’uta kaksi isoa letkukiristintä isoon hydrauliletkuun.
Asenna iso hydrauliletku hydraulipumpun kylkeen asennettuun 90 asteen kulmaliittimeen (Kuva 26).
Kiristä letkun ja kulmaliittimen ympärille letkukiristin (Kuva 26).
Asenna iso hydrauliletku hydrauliputkeen numero 3 (Kuva 26).
Kiristä letkukiristin letkun ja hydrauliputken numero 3 ympärille (Kuva 26).

Asenna R-liitin isoon hydrauliletkuun kuvan mukaisesti (Kuva 27 ja Kuva 30).

Asenna R-liitin kiinnikkeeseen pultilla (5/16 × 7/8 tuumaa) ja mutterilla (5/16 tuumaa) kuvan mukaisesti (Kuva 27).
Asenna hydrauliletku ja liittimet hydrauliputken numero 2 liittimeen kuvan mukaisesti (Kuva 28).

Asenna hydrauliletku ja liittimet hydraulipumppuun asennettuun 45 asteen kulmaliittimeen (Kuva 29 ja Kuva 30).
Note: Sen paikka on hydraulisylinterin alla.

Katso Kuva 30 ja määritä letkujen ja hydrauliputkien oikeat paikat hydraulipumpussa.

Liu’uta kaksi pientä letkukiristintä pieneen muovattuun hydrauliletkuun (Kuva 24 ja Kuva 31).
Asenna muovatun letkun pitkä osa hydraulisäiliössä olevaan 90 asteen T-liittimeen (Kuva 31).
Asenna muovatun letkun lyhyt osa hydrauliputken 4 liitinpäähän (Kuva 31).
Kiristä kaksi pientä letkukiristintä muovatun letkun kummassakin päässä.
Asenna hydrauliputki (letku) numero 5 löysästi pieneen 90 asteen T-liittimeen (Kuva 31).

Note: Varmista, että letkut ja hydrauliputket ovat etäällä terävistä, kuumista ja liikkuvista osista ja että ne eivät hankaudu tällaisia osia vasten.
Kun kaikki hydrauliputket ja -letkut on asennettu, kiristä kaikki liitännät.
Note: Käytä tukiavainta kaikkiin säiliön kiinnikkeisiin.
Aseta liitinkannatin mahdollisimman lähelle vasenta rengasta ja kiristä kiristimet.
Vaiheeseen tarvittavat osat:
| Johdinsarja | 1 |
| Kytkin | 1 |
| Sulake | 1 |
Irrota ohjauspaneeli koneesta.
Irrota muovitulppa paneelista ja asenna kytkin paneeliin (Kuva 34).
Vie johdinsarja kytkimestä saranaa pitkin venttiiliin aiemmin asennettuun releeseen (Kuva 32).

Asenna johdinsarja ohjauspaneelin katkaisijaan (Kuva 34).
Irrota hyppylanka ohjauspaneelin alla olevasta pääjohdinsarjasta (Kuva 33).

Asenna pääjohdinsarjan liitin pääjohdinsarjaan (Kuva 34).
Asenna ohjauspaneeli koneeseen.

Asenna sulake oikeaan aukkoon sulakerasiassa (Kuva 32).
Asenna nelikulmainen liitin venttiilin viereen asennettuun releeseen (Kuva 35).

Asenna pieni liitin uuteen venttiiliin (Kuva 35).

Kiinnitä johdinsarja venttiiliin nippusiteillä.
Vaiheeseen tarvittavat osat:
| Hydraulineste | 6,6 l malleille 08703 ja 08705 |
Mallien 08743 ja 08745 hydraulijärjestelmän tilavuus on 26,5 l, eikä ylimääräistä nestettä tarvita.
Lisää malleihin 08703 ja 08705 6,6 l nestettä.
Katso oikea neste koneen käyttöoppaasta.
Mallit 08703 ja 08705: irrota vanha mittatikku hydraulisäiliöstä ja hävitä se.
Sopiva mittatikku (osanro 110-8162) on saatavilla valtuutetulta Toro-jälleenmyyjältä.
Note: Malleissa 08743 ja 08745 sopiva mittatikku toimitetaan koneen mukana.
Kaada hitaasti noin 80 % määritetystä nestemäärästä säiliöön.
Työnnä uusi mittatikku paikalleen ja tarkista hydraulinesteen määrä (Kuva 37).
Lisää nestettä hitaasti siten, että sitä on Full-merkkiin asti.

Käynnistä kone ja anna sen käydä viisi minuuttia.
Tarkasta järjestelmän mahdolliset vuodot pahvipalalla.
Paineella suihkuava hydraulineste voi läpäistä ihon ja aiheuttaa vammoja.
Asiantuntevan lääkärin tulee leikata ihon alle joutunut neste muutaman tunnin sisällä. Jos näin ei tehdä, seurauksena saattaa olla kuolio.
Pidä keho ja kädet kaukana vuotavista rei’istä ja suuttimista, joista suihkuaa korkeapaineista hydraulinestettä.
Etsi hydraulinestevuotoja pahvin tai paperin avulla.
Poista paine varovasti hydraulijärjestelmästä, ennen kuin huollat järjestelmää.
Varmista, että kaikki hydrauliletkut ja -putket ovat hyvässä kunnossa ja että kaikki hydrauliputkien liittimet ovat tiukalla, ennen kuin lisäät järjestelmän painetta.
Asenna vasen etusäleikkö runkoon.
Asenna etusuojus runkoon ja kiinnitä se paikalleen neljällä laippakantaruuvilla.
Asenna neljä laippakantaruuvia, joilla vasemman pyörän suojus kiinnitetään runkoon (Kuva 38).
Asenna vasen takarengas (Kuva 38).

Laske kone maahan.
Asenna takavetokoukun suojus.
Asenna ilmanpuhdistinjärjestelmä.