Denna produkt uppfyller kraven i alla relevanta europeiska direktiv. Mer information finns i försäkran om inbyggnad i slutet av det här dokumentet.
Note: För Sand Pro-modellerna 08703 och 08705 ska du beställa följande delar innan du monterar den här satsen:
| Beskrivning | Artikelnummer | Antal |
| Oljesticka | 110-8162 | 1 |
| Ventilplatta | 108-8460-01 | 1 |
| Gängformande skruv (5/16 x 3/4 tum) | 32144-11 | 2 |
| Toro PX Extended Life-hydraulvätska (18,9 liter) | 133-8086 | 6,7 liter |
Hydraulolja som läcker ut under tryck kan tränga in i huden och orsaka skada.
Kontrollera att alla hydrauloljeslangar och -ledningar är i gott skick och att alla hydraulanslutningar och -kopplingar är ordentligt åtdragna innan hydraulsystemet trycksätts.
Håll händer och andra kroppsdelar borta från småläckor eller munstycken som sprutar ut hydraulvätska under högtryck.
Använd en kartong- eller pappersbit för att hitta hydraulläckor.
Lätta på allt tryck i hydraulsystemet på ett säkert sätt innan något arbete utförs i hydraulsystemet.
Uppsök läkare omedelbart om du blir träffad av en hydrauloljestråle och hydrauloljan tränger in i huden.
Kontakta en auktoriserad återförsäljare eller Toros kundservice och ha produktens modell- och serienummer till hands om du har behov av service, Toro originaldelar eller ytterligare information. Figur 1 visar var du finner produktens modell- och serienummer. Skriv in numren i det tomma utrymmet.

Note: Vänster och höger sida på maskinen är lika med förarens vänstra respektive högra sida vid normal körning.
![]() |
Säkerhetsdekalerna och säkerhetsinstruktionerna är fullt synliga för föraren och finns nära alla potentiella farozoner. Ersätt dekaler som har skadats eller saknas. |

Parkera maskinen på en plan yta.
Sänk redskapen.
Lägg i parkeringsbromsen.
Stäng av motorn och tag ut nyckeln.
Rengör maskinen noga. Ta bort allt skräp så att monteringsfästena kan monteras korrekt och så att ingen smuts eller skräp hamnar i hydraulsystemet.
Rengör området runt luftrenaren noga.
Lossa på kylarklämman runt slangen och flytta klämman nedåt på slangen.
Ta bort den inre skruven som håller luftrenaren på plats.
Avlägsna luftrenarkåpan och filtret (Figur 2).

Ta bort slangen från luftrenarskålen.
Böj ut luftrenarbandet och dra det över skåländen där filtret togs ut (Figur 3).

Täck över slangen eller stoppa in en trasa i den så att smuts och skräp inte hamnar i den när satsen monteras.
Ta bort den motsatta skruven som fäster luftrenarbandet på maskinramen.
Töm hydraultanken. Läs mer i bruksanvisningen till maskinen.
Lyft maskinens bakre del från marken och stötta upp den. Se avsnittet Höja maskinen i bruksanvisningen till maskinen.
Mekaniska eller hydrauliska domkrafter kan eventuellt inte stötta maskinen, vilket kan leda till allvarliga personskador.
Använd pallbockar för att stötta upp maskinen.
Ta bort det vänstra bakdäcket.
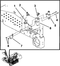
Ta bort de fyra flänsskruvarna som fäster det vänstra hjulskyddet på ramen (Figur 4). Ta bort skyddet och lägg det åt sidan.

Ta bort de två (2) flänsskruvarna som fäster den vänstra frontskärmen på ramen. Ta bort skärmen och lägg den åt sidan.

Ta bort de tre skruvarna som fäster det bakre dragkroksskyddet på ramen.

Ta bort de två skruvarna som fäster mittskyddet på ramen (Figur 7). Ta bort skyddet och lägg det åt sidan.

Koppla bort hydraulledningarna som går till tanken.
Ta bort fästet som sitter överst på hydraultanken från maskinramen och lossa de två fästena på ramens sida (Figur 8). Ta bort tanken och lägg fästelementen åt sidan.

Delar som behövs till detta steg:
| Litet 90-graders T-stycke med hulling | 1 |
| Stort 90-graders knärör (gängat i båda ändarna) | 1 |
| Filter | 1 |
Note: Kontrollera att alla o-ringar har smörjts och placerats korrekt på nipplarna innan de monteras.
Note: Montera alla nipplar och hydraulledningar löst till en början och dra sedan åt dem när alla delar har monterats. Montera alla nipplar i de vinklar som visas på bilderna.
Ta bort de två hydraultankpluggarna som sitter på sidan av tanken.
Montera filtret i hydraultanken på den plats där den stora pluggen satt.
Montera det stora 90-graders knäröret i filtret.
Montera det lilla 90-graders T-stycket med hullingen på den plats där den lilla pluggen satt (Figur 9).

Delar som behövs till detta steg:
| Fästkonsol | 1 |
| Ljuddämparklämma | 2 |
| Slangfästkonsol | 1 |
| Kopplingsfäste | 1 |
Note: Montera alla hydraulledningar löst till en början och dra sedan åt dem när alla delar har monterats.
Placera klämmorna runt det runda röret på den bakre ramen.
Montera slangfästkonsolen och kopplingsfästet på ljuddämparklämmorna.
Note: Dra inte åt muttrarna ännu. Kopplingsfästet måste sitta löst om hydraulledningarna ska kunna monteras (Figur 10).

Placera kopplingsfästet tillfälligt på det runda ramröret, se Figur 11.
Note: Placera kopplingsfästet där röret börjar krökas.

Delar som behövs till detta steg:
| Ventil | 1 |
| Skruv (¼ x 3 tum) | 2 |
| Mutter (¼ tum) | 2 |
| Litet 90-graders knärör | 1 |
| T-stycke | 1 |
| Relä | 1 |
Note: Kontrollera att alla o-ringar har smörjts och placerats korrekt på nipplarna innan de monteras.
Note: Montera alla nipplar och hydraulledningar löst till en början och dra sedan åt dem när alla delar har monterats. Montera alla nipplar i de vinklar som visas på bilderna.
Montera alla nipplar i de vinklar som visas på bilderna. Montera T-stycket på den nya ventilens sida. Se Figur 12.
Montera ett litet 90-graders knärör ovanpå den nya ventilen (Figur 12).
Ta bort den befintliga ventilen från ventilfästet (Figur 12).
Montera reläet på ventilfästet samtidigt som du monterar ventilerna på ventilfästet.
Fäst ventilerna vid ventilfästet med två skruvar (¼ x 3 tum) och två muttrar (¼ tum). Se Figur 12.

Delar som behövs till detta steg:
| Hydraulledning nummer 1 | 1 |
| Hydraulledning nummer 2 | 1 |
| Hydraulledning nummer 5 (slang) | 1 |
Se Figur 13 för att identifiera rätt hydraulledningar.

Note: Montera alla hydraulledningar löst till en början och dra sedan åt dem när alla delar har monterats.
Placera hydraulledning nummer 1 i maskinen så som visas i Figur 14.
Montera hydraulledning nummer 1 på T-stycket som sitter fast på ventilens sida (Figur 14).
Montera hydraulledning nummer 1 på den övre hankopplingen (Figur 14).

Placera hydraulledning nummer 2 i maskinen så som visas i Figur 15.
Montera hydraulledning nummer 2 på 90-graders knäröret och överst på den nya ventilen (Figur 15).
Montera hydraulledning nummer 2 på den övre honkopplingen (Figur 15).

Montera hydraulledning nummer 5 (slang) löst på den nedre hankopplingen (Figur 16).
Note: Den andra änden av den här slangen monteras i procedur 10.

Delar som behövs till detta steg:
| Hydraulpump | 1 |
| 45-graders nippel (hanändar) | 1 |
| Nav | 1 |
| Fyrkantsnyckel (1/4 x 1 tum) | 1 |
| Ställskruv (5/16 x 3/4 tum) | 4 |
| Pumpfäste | 1 |
| Skruv (med gängtätningsmassa) (5/16 x 3/4 tum) | 2 |
| Bricka (3/8 tum) | 2 |
| Stort 90-graders knärör (med slangände med hullingar) | 1 |
Montera det stora fyrkantiga 90-graders knäröret på hydraulpumpens sida.
Montera 45-graders knäröret på hydraulpumpens sida (Figur 17).

Ta bort skyddet från motorns kraftuttag.
Montera pumpfästet vid motorn med två skruvar (5/16 x 3/4 tum) och två brickor (3/8 tum). Se Figur 18 för information om rätt placering för montering av pumpfästet.

Stryk på monteringssmörjmedel på axeln till motorns kraftuttag och axeln till hydraulmotorn.
Sätt in fyrkantsnyckeln (1/4 x 1 tum) i skåran på axeln till motorns kraftuttag (Figur 19).
Rikta in navet med fyrkantsnyckeln och montera det på axeln till motorns kraftuttag (Figur 19).
Note: Kontrollera att navet monteras helt in på axeln.
Stryk på borttagbar gängtätningsmassa på de två ställskruvarna (5/16 x 3/4 tum) och montera dem på navet så att det fästs vid axeln till motorns kraftuttag (Figur 19).

Montera tappen på pumpplattan i pumpfästet samtidigt som du monterar hydraulpumpens axel i navet.
Note: Axeln på hydraulpumpen ska nudda vid änden på axeln till motorns kraftuttag (Figur 20).

Navet måste placeras helt på axeln.
Note: Kontrollera att det finns ett mellanrum mellan pumpplattan och navet. Om det inte finns något mellanrum där har inte navet monterats korrekt och måste placeras på nytt (Figur 21).

Stryk på borttagbar gängtätningsmassa på de två ställskruvarna (5/16 x 3/4 tum) och montera dem på navet så att axeln till hydraulpumpen fästs (Figur 20).
Delar som behövs till detta steg:
| Hydraulledning nummer 3 | 1 |
| Hydraulledning nummer 4 | 1 |
Note: Montera alla hydraulledningar löst till en början och dra sedan åt dem när alla delar har monterats.
Använd Figur 22 som en guide till att identifiera rätt hydraulledningar.

Montera tillbaka de befintliga slangarna på hydraultanken.
Montera hydraultanken på ramen och fäst den med de tre (3) fästena som tidigare lossades och togs bort (Figur 23).

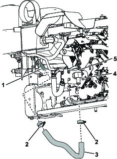
Montera hydraulledning nummer 4 på T-stycket som sitter på ventilens sida (Figur 24).

Placera hydraulledning nummer 3 i maskinen enligt Figur 25.
Montera hydraulledning nummer 3 på det stora 90-graders knäröret som är monterat på filtret och hydraultanken (Figur 25).

Delar som behövs till detta steg:
| Stor hydraulslang | 1 |
| Hydraulslang med nipplar | 1 |
| Stor slangklämma | 2 |
| Liten slangklämma | 2 |
| Liten gjuten hydraulslang | 1 |
| R-klämma | 1 |
| Skruv (5/16 x 7/8 tum) | 1 |
| Flänsmutter (5/16 tum) | 1 |
Note: Kontrollera att slangarna inte nuddar vid några andra komponenter.
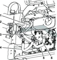
Dra upp de två stora slangklämmorna på den stora hydraulslangen.
Montera den stora hydraulslangen på 90-graders knäröret som är monterat på hydraulpumpens sida (Figur 26).
Dra åt en slangklämma runt slangen och knäröret (Figur 26).
Montera den stora hydraulslangen på hydraulledning nummer 3 (Figur 26).
Dra åt slangklämman runt slangen och hydraulledning nummer 3 (Figur 26).

Montera en R-klämma på den stora hydraulslangen enligt Figur 27 och Figur 30.

Montera R-klämman vid fästkonsolen med en skruv (5/16 x 7/8 tum) och en mutter (5/16 tum), se Figur 27.
Anslut hydraulslangen med nipplar till nippeln på hydraulledning nummer 2 så som visas i Figur 28.

Använd nipplarna och montera hydraulslangen på 45-graders knäröret som sitter fast på hydraulpumpen (Figur 29 och Figur 30).
Note: Den kommer att sitta nedanför hydraulcylindern.

Se Figur 30 för information om korrekt placering av slangarna och hydraulledningarna till hydraulpumpen.

Dra upp de två små slangklämmorna på den lilla gjutna hydraulslangen (Figur 24 och Figur 31).
Montera den gjutna slangens långa skaft på 90-graders T-stycket i hydraultanken (Figur 31).
Montera den gjutna slangens korta skaft på änden med hullingar på hydraulledning nummer 4 (Figur 31).
Dra åt de två (2) små slangklämmorna på den gjutna slangens båda ändar.
Montera hydraulledning nummer 5 (slang) löst på det lilla 90-graders T-stycket (Figur 31).

Note: Se till att slangarna och hydraulledningarna leds bort från alla vassa, heta eller rörliga komponenter och att de inte nuddar vid dem.
När alla hydraulledningar och slangar har monterats drar du åt alla anslutningar.
Note: Använd en stödnyckel på alla tankfästen.
Placera kopplingsfästet så nära det vänstra däcket som möjligt och dra åt klämmorna.
Delar som behövs till detta steg:
| Kablage | 1 |
| Omkopplare | 1 |
| Säkring | 1 |
Ta bort kontrollpanelen från maskinen.
Ta bort plastpluggen från panelen och montera omkopplaren på panelen (Figur 34).
Dra kablaget längs med sätets gångjärn, från omkopplaren till reläet som tidigare monterades på ventilen (Figur 32).

Montera kablaget på omkopplaren på kontrollpanelen (Figur 34).
Ta bort bygeln från huvudkablaget under kontrollpanelen (Figur 33).

Montera huvudkablagets kontakt på huvudkablaget (Figur 34).
Montera kontrollpanelen på maskinen.

Montera säkringen i rätt skåra i säkringsblocket (Figur 32).
Montera fyrkantskontakten i reläet som har monterats bredvid ventilen (Figur 35).

Montera den lilla kontakten på den nya ventilen (Figur 35).

Fäst kablaget på ventilen med ett kabelband.
Delar som behövs till detta steg:
| Hydraulvätska | 6,6 liter för modellerna 08703 och 08705 |
Hydraulsystemets kapacitet är 26,5 liter för modellerna 08743 och 08745 och ingen extra vätska behövs.
Tillsätt 6,6 liter vätska för modellerna 08703 och 08705.
Kontrollera i bruksanvisningen vilken hydraulvätska som ska användas.
För modellerna 08703 och 08705 ska du ta bort den gamla oljestickan från hydraultanken och kasta den.
Kontakta din auktoriserade Toro-återförsäljare för rätt oljesticka (artikelnr 110-8162).
Note: För modellerna 08743 och 08745 levereras maskinen med rätt oljesticka.
Häll långsamt i cirka 80 % av den angivna vätskan i tanken.
Sätt i oljestickan och kontrollera hydraulvätskenivån (Figur 37).
Tillsätt långsamt ytterligare vätska så att nivån når upp till markeringen Full.

Starta maskinen och låt den gå i fem minuter.
Kontrollera om det förekommer några läckor i systemet med hjälp av en bit kartong.
Hydraulvätska som läcker ut under tryck kan tränga in i huden och orsaka skada.
Hydraulolja som tränger in i huden måste opereras bort inom några få timmar av en läkare som är bekant med denna typ av skador. Om detta inte görs kan kallbrand uppstå.
Håll kropp och händer borta från småläckor eller munstycken som sprutar ut hydraulvätska under högtryck.
Använd en kartong- eller pappersbit för att hitta hydraulläckor.
Lätta på allt tryck i hydraulsystemet på ett säkert sätt innan något arbete utförs i hydraulsystemet.
Kontrollera att alla hydrauloljeslangar och -ledningar är i gott skick och att alla hydraulanslutningar och -kopplingar är ordentligt åtdragna innan hydraulsystemet trycksätts.
Montera den vänstra frontskärmen på ramen.
Montera det främre skyddet på ramen med fyra flänsskruvar.
Montera de fyra flänsskruvarna som fäster det vänstra hjulskyddet på ramen (Figur 38).
Montera det vänstra bakdäcket (Figur 38).

Sänk ned maskinen på marken.
Montera det bakre dragkroksskyddet.
Montera luftrenaren.