Important: Áður en miðjufestu tindastönginni er komið fyrir skal verða sér út um eina af tindastöngunum sem eru í boði með kerfinu. Hafið samband við viðurkenndan dreifingaraðila Toro til að fá frekari upplýsingar.
Note: Ef verið er að setja upp 08733 eða 08736 tindastöng skal setja upp festingar snúningsstangarinnar sem fylgja með þessum tindastöngum í stað festinganna sem fylgja með þessu tengitæki. Frekari upplýsingar eru í uppsetningarleiðbeiningunum fyrir 08733 eða 08736.
Note: Þegar handstýrðri tönn er komið fyrir að framan ásamt miðfestri tindastöng skal setja miðfestu tindastöngina upp.
Leggið vinnuvélinni á sléttu undirlagi og setjið stöðuhemilinn á.
Stillið inngjöfina á hægan lausagang, látið tengitækið síga og gangið úr skugga um að vinnuvélin sé í hlutlausum gír.
Drepið á vélinni, takið lykilinn úr, bíðið eftir að allir hreyfanlegir hlutar hafi stöðvast og leyfið öllum íhlutum að kólna.
Hlutar sem þarf fyrir þetta verk:
| Bolti (5/16 x 2¼ to.) | 2 |
| Ró (5/16 to.) | 2 |
| Handfang herfisins | 1 |
| Bolti (½ x 3¼ to.) | 2 |
| Þunn lásró (½ to.) | 2 |
| Festiplata | 1 |
| Hnúður | 1 |
Lyftið afturhluta vinnuvélarinnar á búkka og fjarlægið afturhjólin; frekari upplýsingar eru í notendahandbók vinnuvélarinnar.
Note: Setjið búkkana undir festingar afturhjóladrifsins; frekari upplýsingar eru í notendahandbók vinnuvélarinnar.
Fjarlægið kragaskrúfurnar fjórar sem halda hjólahlífinni hægra megin fastri við undirvagninn (Mynd 1).

Fjarlægið og geymið hlífina.
Note: Ef handvirkt blað er uppsett (gerð 08714) á vinnuvélinni skal fjarlægja festingu hægra blaðsins áður en lyftiarminum er komið fyrir.
Fjarlægið skrúfurnar tvær, boltana tvo, skinnurnar tvær og rærnar tvær sem festa hlífina við undirvagninn og geymið skinnurnar fyrir uppsetningu seinna meir (Mynd 1).
Note: Hlífinni, boltunum, skrúfunum og rónum má farga.
Komið festingu handfangs herfisins fyrir á rörum fóthvílunnar hægra megin og notið til þess tvo bolta (½ x 3¼ to.) og þunnar lásrær (½ to.) eins og sýnt er á Mynd 2.

Note: Gangið úr skugga um að boltahausarnir snúi út á við og að þunnu lásrærnar séu notaðar.
Important: Bæði þykkar og þunnar lásrær er að finna í lausu íhlutunum. Notið þunnar lásrær í þessu skrefi. Þykku lásrærnar læsast ekki alveg og detta á endanum af.
Note: Handfanginu er komið fyrir upp í gegnum neðri hluta dráttarvélarinnar með því að leiða handfangið í gegnum opið þar sem hlífin var.
Note: Ekki taka í sundur handfangið til að koma því fyrir á dráttarvélinni.
Komið festiplötunni fyrir á handfangi herfisins.
Note: Handfangið ætti að vera á milli festiplötunnar og handfangsrennunnar (Mynd 3).

Komið festiplötunni fyrir aftan á lóðrétta röri undirvagnsins hægra megin að aftan með tveimur boltum (5/16 x 2-1/4 to.), skinnunum tveimur sem voru fjarlægðar í skrefi 4 og tveimur lásróm (5/16 to.). Komið íhlutunum fyrir eins og sýnt er á Mynd 3.)
Skrúfið hnúðinn á lyftihandfangið (Mynd 3).
Gangið úr skugga um að lyftihandfangið hreyfist í allar áttir á festiplötunni og handfangið læsist í hverri haldstöðu fyrir sig.
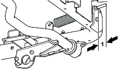
Note: Ef lyftihandfangið er of laust eða of þétt skal herða eða losa lásrærnar á snúningspinna lyftihandfangsins (Mynd 4).

Athugið fríbilið á milli lyftihandfangsins og vökvaleiðslnanna.
Note: Fríbilið verður að vera að lágmarki 3 mm (1/8 to.) á milli vökvaleiðslunnar og lyftihandfangsins. Stillið vökvaleiðsluna gætilega eftir þörfum (Mynd 2).
Hlutar sem þarf fyrir þetta verk:
| Snúningsstöng | 1 |
| Framlengingargormur | 1 |
| Fjöðrunarstöng | 1 |
| Festing fyrir snúningsstöng | 2 |
| Bolti (⅜ x 3 to.) | 4 |
| Lásró (⅜ to.) | 6 |
| Gormfesting | 1 |
| Bolti (⅜ x 2¾ to.) | 1 |
Note: Ef verið er að setja upp 08733 eða 08736 tindastöng skal setja upp festingar snúningsstangarinnar sem fylgja með þessum tindastöngum í stað festinganna sem fylgja með þessu tengitæki. Frekari upplýsingar eru í uppsetningarleiðbeiningunum fyrir 08733 eða 08736.
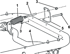
Tengið lengingargorminn við gorminn á snúningsstönginni og við gormstöngina (Mynd 5).

Komið festingu snúningsstangarinnar lauslega fyrir hægra megin (Mynd 5).
Rennið hægri hlið snúningsstangarinnar inn í festingu snúningsstangarinnar hægra megin (Mynd 5).
Setjið fjöðrunarstöngina inn í gatið í gormfestingunni og festið lauslega með lásró (⅜ to.).
Note: Komið gormfestingunni fyrir eins og sýnt er á Mynd 6.

Hækkið vinstri hlið snúningsstangarinnar að undirvagninum og komið henni fyrir með festingu fyrir snúningsstöng, tveimur boltum (⅜ x 3 to.) og tveimur lásróm (⅜ to.) (Mynd 5).
Komið gormafestingunni fyrir á stöng undirvagnsins að framan með bolta (⅜ x 2¾ to.) og lásró (⅜ to.).
Note: Komið gormfestingunum fyrir eins og sýnt er á Mynd 6.
Herðið allar festingarnar en ekki herða lásróna sem festir gormastöngina alveg strax.
Hlutar sem þarf fyrir þetta verk:
| Stillanleg stöng | 1 |
| Bolti (½ x 1½ to.) | 1 |
| Lásró (½ to.) | 2 |
Komið kúluliðinum fyrir við styttri enda stillanlegu stangarinnar hægra megin við stillanlegu stöngina á snúningsstönginni (Mynd 7).

Færið lyftihandfangið í seinni haldstöðuna talið að ofan.
Komið kúluliðnum fyrir á lengri enda stillanlegu stangarinnar þannig að hann fari yfir pinnann neðst á lyftihandfanginu og festið hann lauslega með lásró (½ to.) (Mynd 7).
Note: Hægt er að færa snúningsstöngina upp eða niður í festingunum til að auka fríbilið og festa stillanlegu stöngina á sínum stað.
Færið lyftihandfangið alla leið niður í neðstu haldstöðuna.
Færið kúluliðinn á styttri enda stillanlegu stangarinnar umhverfis stillanlegu stjórnstöngina á snúningstönginni þar til hann er vinstra megin á stjórnstönginni.
Note: Hægt er að færa snúningsstöngina upp eða niður í festingunum til að auka fríbilið og festa stillanlegu stöngina á sínum stað.
Færið lyftihandfangið þar til opið á kúluliðnum flúttar við opið hægra megin á stillanlegu stöng snúningsstangarinnar og festið stöngina með bolta (½ x 1½ to.) og lásró (½ to.) eins og sýnt er á Mynd 8.

Herðið festingarnar.
Hlutar sem þarf fyrir þetta verk:
| Hlíf | 1 |
| HWH-skrúfa (#10 x 1/2 to.) | 2 |
| Klafar hægra megin | 1 |
| Klafar vinstra megin | 1 |
| Bolti (5/16 x 1 to.) | 4 |
| Lásró (5/16 tomma) | 4 |
Note: Komið handvirka plógnum fyrir núna, ef hann var fjarlægður.
Hlutar sem þarf fyrir þetta verk:
| Tindastöng (seld sér) | 1 |
Important: Við uppsetningu 08733 eða 08736 tindastangar skal sleppa þessu ferli og setja íhlutina upp samkvæmt leiðbeiningunum sem fylgja með þeirri tindastöng. Þegar uppsetningunni er lokið skal fara í hlutann Uppsetning á lyftufótstigi tindastangarinnar“ í þessum leiðbeiningum.
Note: Ef engin snúningsfesting er á tindastönginni skal koma slíkri festingu fyrir á fjórðu tönn frá vinstri eins og sýnt er á Mynd 11 og herða boltann og róna til að festingin og tönnin hreyfist ekki úr stað áður en lengra er haldið.

Komið sitt hvorum enda festirörsins í stöðu á klöfunum.
Note: Skurðarbrúnir tindanna skulu snúa fram á við.
Færið lyftihandfangið í miðstöðu.
Festið framhlið hvers klafa við stangirnar með bolta (5/16 x 1 to.) og lásró (5/16 to.) (Mynd 12).

Hlutar sem þarf fyrir þetta verk:
| Stöng | 1 |
| Bolti (5/16 x 2 to.) | 1 |
| Lásró (5/16 tomma) | 3 |
| Snúningsflipi | 1 |
| Tengi tindastangar | 1 |
| Burðarbolti (⅜ x 1¼ to.) | 1 |
| Stöðuhólkur | 1 |
| Skinna (1 to.) | 1 |
| Lásró (⅜ to.) | 1 |
| Fótstig | 1 |
| Splitthringur | 2 |
| Skinna (⅞ to.) | 1 |
| Bolti (5/16 x 1 to.) | 1 |
| Hjámiðjubolti | 1 |
Rennið festingunni á stöngina í vinstri enda snúningsstangarinnar og festið með bolta (5/16 x 2 to.) og lásró (5/16 to.) í gegnum snúningsstöngina (Mynd 13).
Note: Hugsanlega verður að þræða boltanum í gegnum snúningsstöngina og stöngina.

Festið miðop snúningsflipans lauslega við snúningsfestinguna á tindastönginni með bolta (5/16 x 1 to.) og lásró (5/16 to.) (Mynd 14).

Rennið enda festingar tindastangarinnar yfir stuttu stöngina á fótstiginu og festið með splitthring (Mynd 15).

Rennið festingunni á hinn enda fótstigsins í gegnum efsta hluta stangarinnar og festið með skinnu (⅞ to.) og splitthring (Mynd 15).
Beygið hné lyftifótstigsins upp á við og komið ferhyrnda opinu á snúningsflipanum fyrir á enda tindastangarinnar með burðarbolta (⅜ x 1¼ to.), stöðuhólki, skinnu (1 to.), skinnu (13/16 to.) og lásró (⅜) eins og sýnt er á Mynd 16.

Þræðið hjámiðjuboltanum í gegnum neðri hluta snúningsflipans og snúningsplötunnar og festið með lásró (5/16 to.) eins og sýnt er á Mynd 17.

Komið lyftihandfanginu fyrir í efstu haldstöðunni.
Mælið fjarlægðina á milli grindar vinnuvélarinnar og snúningsstangarinnar eins og sýnt er á Mynd 18.

Breytið stöðu stillanlegu stangarinnar ef fríbilið er ekki á milli 0,06 og 0,18 to. eins og hér segir:
Fjarlægið boltann og róna sem festa stöngina við snúningsstöngina (Mynd 19).

Snúið kúluliðnum eins og sýnt er á Mynd 19 til að breyta lengd stangarinnar eins og hér segir:
Styttið stöngina til að auka fríbilið.
Lengið stöngina til að minnka fríbilið.
Komið stönginni fyrir með boltanum og lásrónni og mælið fríbilið að nýju.
Endurtakið þetta ferli þar til fríbilið er rétt.
Herðið lásrærnar sem halda gormspenntu stönginni þar til sést í 6 mm til 13 mm (1/4 til 1/ to.) af skrúfganginum til að setja spennu á gorminn (Mynd 20).

Note: Stilling á gorminum breytir lyftiálagi kerfisins, eftir því sem lengri tími líður þar til boltinn lendir, því auðveldara er að lyfta tindastönginni. Stillið gormana þannig að lyftikrafturinn sé þægilegur. Því meiri strekking sem er á aukagorminum því minni jarðþrýstingur verður á tindastöngina.
Komið fyrir hjólahlífinni hægra megin.
Setjið afturhjólin á og fjarlægið búkkana undan afturhluta vinnuvélarinnar; frekari upplýsingar eru í notendahandbók vinnuvélarinnar.
Færið lyftihandfangið í flutningsstöðuna (í efstu skoruna).
Snúið hjámiðjuboltanum í aðra hvora áttina þar til tindar tindastangarinnar eru samsíða skorunni í lyftiarminum (Mynd 17 og Mynd 21).
Important: Hjámiðjuboltinn snýst ekki í 360 gráður. Þegar boltinn stöðvast skal ekki reyna að þvinga hann lengra, að öðrum kosti skemmist hann. Snúið boltanum þess í stað aftur í hina áttina.

Herðið snúningsboltann í miðjunni (atriði 4 á Mynd 13) með 20 til 25 N·m (175 til 225 inch-lb) hersluátaki.
Herðið ró hjámiðjuboltans þéttingsfast en gætið þess að ofherða ekki.
Prófið virkni tengitækisins.
Hlutar sem þarf fyrir þetta verk:
| Millilegg (hlutarnr. 110-7379) | 1 |
| Millilegg (hlutarnr. 110-7380) | 1 |
| Millilegg (hlutarnr. 110-7381) | 1 |
Þegar lokið er við að koma tindastönginni fyrir og festingarnar hafa verið hertar skal beita eftirfarandi verklagi til að ganga úr skugga um að tennur tindastangarinnar séu jafnar:
Leggið vinnuvélinni á jafnsléttu.
Athugið loftþrýsting allra hjólbarðanna og gangið úr skugga um að loftþrýstingurinn sé jafn. Frekari upplýsingar um athugun á loftþrýstingi hjólbarðanna er að finna í notendahandbókinni.
Látið tindastöngina síga þar til tennurnar rétt snerta jörðina.
Ef tennur tindastangarinnar snerta jörðina jafnt er tindastöngin bein.
Note: Þegar tennur á annarri hlið tindastangarinnar snerta jörðina áður en tennurnar á hinni hliðinni snerta jörðina skal rétta tindastöngina af. Beitið verklaginu hér á eftir til að rétta tennurnar af.
Mælið bil tanna tindastangarinnar frá jörðu á hliðinni sem þarf að jafna og notið síðan eftirfarandi töflu til að ákvarða hvaða milliskífu þarf að koma fyrir samkvæmt mælingunni á bilinu:
| Milliskífupakki (þykkt í tommum) | Breytingar á hæð tanna (í tommum) við ytri brún |
| 110-7379 (.0747 to.) | ⅛ to. |
| 110-7381 (1345 to.) | ¼ to. |
| 110-7379 og 110-7381 (.2094 to.) | ⅜ to. |
| 110-7380 (.25 to.) | 7/16 to. |
| 110-7379 og 110-7380 (.3247 to.) | 9/16 to. |
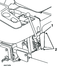
Losið um boltana á festingu snúningsstangarinnar til að búa til bil á milli undirvagnsins og festingar snúningsstangarinnar (Mynd 22).

Note: Hugsanlega verður að fjarlægja lyftifótstigið til að fá aðgang að festingu snúningsstangarinnar til að koma milliskífunni fyrir. Sjá hlutann Uppsetning á lyftufótstigi tindastangarinnar.
Komið milliskífunum fyrir og herðið allar festingar.
Athugið hvort að tindastöngin sé jöfn. Ef ekki, skal stilla hana eftir þörfum.
Lesið leiðbeiningarnar.
Geymið leiðbeiningarnar á öruggum stað.
Þegar lækka á tindastöngina skal færa lyftihandfangið til vinstri, lækka það niður og renna því til hægri í haldstöðuna sem óskað er eftir.
Þegar hækka á tindastöngina skal færa lyftihandfangið til vinstri, hækka það upp og renna því til hægri í haldstöðuna sem óskað er eftir.
Þegar hækka á og læsa tindastönginni í flutningsstöðu skal færa lyftihandfangið í hæstu stöðu og stíga á fótstig tindastangarinnar.
Þegar losa á tindastöngina úr flutningsstöðu skal færa lyftihandfangið í lægri stöðu.
Note: Við notkun tindastangar herfisins skal snúa tönnunum við til að lengja endingartíma tannanna.
Note: Hugsanlega þarf að lækka tindastöngina fram yfir stöðuna sem óskað er eftir og hækka hana síðan aftur upp til að finna notkunarstöðuna sem óskað er eftir.
Hægt er að lækka tindastöngina í stöðu við notkun með því að aka vinnuvélinni á hægum hraða aftur á bak og stilla dýpt tindastangarinnar um leið. Akið áfram um leið og tindastöngin er komin í stöðuna sem óskað er eftir. Tennurnar snerta jörðina og toga tindastöngina í stöðuna sem stillt var á.
Þegar stilla á þrýstinginn sem verkfærið setur á jörðina skal stilla gormspennu stillanlegu stangarinnar. Notið ¾ to. skrúflykil og snúið stillihulsu snúanlegu stangarinnar réttsælis til að auka þrýstinginn niður á við eða rangsælis til að draga úr þrýstingnum niður á við (Mynd 23).
Note: Slíkt hefur ekki áhrif á ferli stillanlegu stangarinnar samkvæmt hlutanum Stilling á spennu gormsins og stillanlegu stönginni.

Notið eftirfarandi töflu og skýringarmynd til hliðsjónar þegar þrýstingur tindastangarinnar niður á við er stilltur (Mynd 24).
| Gormþrýstingstafla | |
| Mál (í tommum) | Hleðsla (í pundum) |
| 3,00 | 238 |
| 2,88 | 335 |
| 2,75 | 430 |
| 2,62 | 526 |
| 2,50 | 623 |

| Problem | Possible Cause | Corrective Action |
|---|---|---|
| Beita verður miklu afli við að lyfta tengitækinu. |
|
|
| Ekki er hægt að festa handfangið í haldopin á festiplötunni. |
|
|
| Tindastöngin snýst ekki nægilega hátt. |
|
|
| Þrýstingur tengitækisins niður á við er of lítill. |
|
|
| Snerting við jörð er ójöfn þegar vinnuvélinni er snúið. |
|
|
| Vinnuvélin staðnæmist þegar hún rekst utan í hindrun. |
|
|
| Tennur tindastangarinnar eru ekki jafnar. |
|
|