Bakım
Ataşman Adaptörünün Greslenmesi
Ataşman adaptöründeki kilit kolu serbestçe ve kolayca çevrilmiyorsa Şekil 15 şeklinde gösterilen alan hafif bir gres katmanı uygulayın.

Ürünü kullanmayı ve bakımlarını yapmayı öğrenmek ve olası yaralanmalar ile maddi hasarları önlemek için bu bilgileri dikkatle okuyun. Ürünü doğru ve emniyetli bir şekilde kullanmak sizin sorumluluğunuzdur.
Ürün ve aksesuarlar hakkında bilgi almak, bayi bulmak veya ürününüzü kaydettirmek için www.Toro.com adresine giderek Toro ile doğrudan iletişim kurabilirsiniz.
Servise, orijinal Toro parçalarına veya ek bilgiye ihtiyaç duyduğunuz takdirde bir Yetkili Servis Merkeziyle ya da Toro Müşteri Hizmetleriyle iletişim kurun ve ürünün model ve seri numaralarını hazır bulundurun. Şekil 1, model ve seri numaralarının ürün üzerindeki yerini belirtir. Bu numaraları, ilgili alana yazın.

Bu kılavuz, karşılaşılabilecek tehlikeleri tanımlar ve belirtilen talimatlara uymadığınız takdirde ağır yaralanma veya ölüme yol açabilecek bir tehlikeye işaret eden emniyet uyarısı sembolüyle (Şekil 2) gösterilmiş çeşitli emniyet mesajları verir.

Bu kılavuzda, bilgileri vurgulamak için 2 farklı sözcük kullanılır. Önemli sözcüğü bazı özel mekanik bilgilere dikkat çeker, Not sözcüğü ise dikkate alınması gereken genel bilgileri vurgular.
![]() |
Tehlike potansiyeli barındıran tüm noktalara, operatör tarafından kolayca görülebilecek emniyet etiketleri ve talimatları yerleştirilmiştir. Hasar gören veya kaybolan etiketleri yenisiyle değiştirin. |

Bu prosedür için gerekli parçalar:
| Dişli tırmık düzeneği | 1 |
| Çeki demiri | 1 |
| Cıvata (½ x 1¾ inç) | 1 |
| Flanşlı somun (½ inç) | 1 |
| Altıgen somun (½ inç) | 1 |
| Flanş başlı cıvata (⅜ x 1 inç) | 1 |
| Flanşlı somun (⅜ inç) | 1 |
| Ataşman adaptör düzeneği | 1 |
| Kamalı pim | 2 |
| Kaldırma kolu düzeneği | 1 |
| Pivot çubuğu | 1 |
| Cıvata (3/8 x 1-1/4 inç) | 1 |
| Kilit somunu (⅜ inç) | 1 |
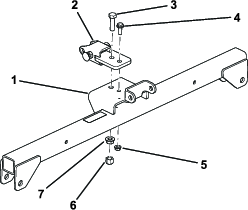
Çeki demirini, askı düzeneğindeki (Şekil 3) ön deliğe bir cıvata (½ x 1¾ inç), flanşlı somun (½ inç) ve altıgen somun (½ inç) kullanarak gevşek bir şekilde takın.

Dil hortumunu, askı düzeneğindeki arka deliğe bir flanş başlı cıvata (⅜ x 1 inç) ve bir flanşlı somun (⅜ inç) kullanarak gevşek bir şekilde takın.
Somunları, aşağıdaki tork değerleri ile sıkın:
Flanşlı somun (½ inç) - 104 ila 126 N∙m
Altıgen somun (½ inç) - 91 ila 113 N∙m
Flanşlı somun (⅜ inç) - 22 ila 27 N∙m
Kaldırma kolunu, ataşman adaptöründeki (Şekil 4) braket ile hizalayın ve Şekil 5 şeklinde gösterildiği üzere pivot çubuğu kullanarak bunları bağlayın.
Note: Ataşman adaptörünü hareket ettirirken adaptörün arkasındaki kolu (Şekil 4) kullanın.


Pivot çubuğunu (Şekil 5) 3 adet kamalı pim ve bir adet cıvata (⅜ x 1¼ inç) ile kilit somunu (⅜ inç) kullanarak sabitleyin.
Bu prosedür için gerekli parçalar:
| Cıvata (3/8 x 2-1/2 inç) | 2 |
| Rondela (⅜ x ⅞ inç) | 4 |
| Ara parça | 2 |
| Kilit somunu (⅜ inç) | 2 |
Makinenin arkasında herhangi bir ataşman varsa çıkarın.
Çekiş ünitesini indirin ve ataşman adaptörünün önüne geleceği şekilde geriye doğru hareket ettirin.
Note: Kilit kolunun, makinenin arkasından bakıldığında sola doğru dönük (kilit açık konum) olduğundan emin olun.
Ataşman adaptörünü, çekiş ünitesi adaptörüne kaydırarak takın.
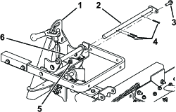
Important: Kaldırma kolu düzeneğinin uzun kolu, çekiş ünitesi arka şasi düzeneğinin altında olmalıdır (Şekil 6).
Parmaklarınız ataşmanla çekiş ünitesi adaptörlerinin arasına sıkışabilir.
Ataşmanı her zaman ataşman adaptörünün arkasındaki kolu kullanarak kaldırın ve hareket ettirin (Şekil 6).
Adaptörleri birbirine kilitlemek için sağ taraftaki kilit kolunu çevirin.
Kaldırma kolunun dışındaki her bir zincirin üst bağlantısını (Şekil 6) bir cıvata (⅜ x 2½ inç), 2 rondela (⅜ x ⅞ inç), bir ara parça ve bir kilit somunu (⅜ inç) kullanarak sabitleyin.

Note: Tırmığın düzgün bir şekilde çalışması için tırmık indirilmiş (çalışma) konumdayken zincirlerin gevşek olması gerekir.
Note: Tüm son işlem tırmıklarının düzgün şekilde üst üste bindiğinden ve zincirlerden hiçbiri dolanmamış veya bükülmemiş olarak düz şekilde durduğundan emin olun.
Tırmık çekiş ünitesine monte edildikten ve sabitlendikten sonra ataşmanı kaldırın.
Ataşman adaptöründeki ağır rondela ile kaldırma çeki kancasının omuz kısmı arasındaki boşluğu, Şekil 7 şeklinde gösterildiği gibi ölçün.
Note: Ağır rondela ile kaldırma çeki kancası omzu arasındaki boşluk 1,5 ila 2 mm ise bağlantı doğru şekilde ayarlanmıştır (Şekil 7).

Boşluk doğru değilse boşluğu değiştirmek için sıkıştırma somununu gevşetin ve bağlantı düzeneğindeki ayar somununu gerektiği şekilde sıkıştırın veya gevşetin (Şekil 7).

Bir kapanda tırmık işlemi gerçekleştirmeden önce tırmıklama ile ilgili bu bölümü okuyun. Dişli tırmık ataşmanı ayarlamalarını etkileyen birçok faktör söz konusudur. Kumun dokusu ve derinliği, nem içeriği, yabani otlar ve sıkışma miktarları sahadan sahaya ve hatta aynı sahadaki kapandan kapana bile değişiklik gösterebilir. Alanınızda en iyi sonuçları elde etmek için tırmık üzerinde gerekli ayarlamaları yapın.
Sahadaki büyük, düz bir kapanda tırmıklama pratiği yapın. Tırmığı çalıştırma, durdurma, döndürme, kaldırma ve indirme; kapana girme ve kapandan çıkma gibi işlemlerin pratiğini yapın. Ortalama bir motor devri ve yavaş ilerleme hızıyla pratik yapın. Bu eğitim dönemi, makineyi çalıştırma konusunda kendinize güven kazanmanıza yardımcı olacaktır.
Note: Ataşman indirilmiş haldeyken çekiş ünitesiyle geriye doğru hareket etmeyin. Aksi takdirde ataşman hasar görür.
Kum yeterince derinse zeminin düz olduğu alanlarda kapanın kenarına kadar tırmıklama gerçekleştirebilirsiniz.
Kum kenarlara doğru seyrelip çimen alana yayılırsa alttaki toprağın bozulmaması için kenarla aranıza yeterli mesafeyi koruyun.
Kısa, eğimli tümseklere çok yakın yerlerde tırmıklama yapmayın. Kum, kapanın dibine doğru akacaktır.
Eğimli tümsekler ve küçük cep gibi bölgelerde el tırmığı ile son dokunuşlar yapılması gerekebilir.
Kapanı, Şekil 9 şeklinde gösterilen desene göre tırmıklayın. Bu desen; gereksiz üst üste binmeleri engeller, sıkışma oranını en az düzeyde tutar ve kumda düzgün, ilgi çekici bir desen bırakır.
Kapana, eğimin en az olduğu yerden, direkt uzunlamasına girin. Kapanın merkezinden neredeyse ucuna kadar sürün, olabildiğince keskin şekilde sağa ya da sola dönün ve ilk geçişin hemen yanına geri dönün. Çizimde gösterildiği üzere dışa doğru bir spiral çizin ve kapanı zeminin düz olduğu bir alandan doğru açıyla terk edin.
Eğimli, kısa tümsekleri ve küçük cepleri el tırmığı ile düzeltin.

Kapana girerken tırmık kumun üzerine gelene kadar tırmığı indirmeyin. Böylelikle çimenlik alanları kesmez veya kapana çimen parçaları veya başka kalıntılar taşımazsınız. Makine hareket ederken tırmığı indirin.
Kapandan çıkarken ön tekerlek kapandan çıktığında tırmığı kaldırmaya başlayın. Makine dışarı çıkarken tırmık kalkar ve çimenlik alana kum taşımaz.
Kısa bir süre sonra deneyim ve pratik ile birlikte kapana doğru şekilde girmek ve çıkmak için gereken zamanlamayı kavrayacaksınız.
Tırmığın kum üzerindeki agresifliğini artırmak veya azaltmak üzere tırmık pozisyonunu değiştirebilirsiniz. Dilediğiniz agresiflik seviyesini elde etmek için çeki çubuğu ve tırmığı aşağıdaki şekillerde gösterildiği gibi monte edin.
Çatal dişi penetrasyonu miktarını yükseltmek veya azaltmak için malaların uzunluğunu ayarlayabilirsiniz.
Mala montaj vidalarını gevşetin, malayı istediğiniz konuma gelecek şekilde yukarı veya aşağı hareket ettirin ve vidaları sıkın (Şekil 12).

Sıkıştırma somunlarını gevşetin ve tırmık stoper cıvatalarını (Şekil 13) dışa doğru çevirerek tırmığın yandan yana dönüşünü sınırlandırın. Ayarlamayı kilitlemek için sıkıştırma somunlarını sıkın.

Kum nemli veya iri taneli ise veya kapanlarda derin ayak izleri varsa son işlem tırmıklarına isteğe bağlı ağırlıklar ekleyebilirsiniz. Toro distribütörünüzden 18-7570 parça numarasıyla sipariş edebilirsiniz.
Taşıma sırasında tırmık yüksekliğini artırmak için aşağıdaki prosedürü tamamlayın:
Tırmık ve kaldırma düzeneğini, olabildiğince aşağı indirin.
Kaldırma kollarındaki zincirlerin bağlantısını sökün ve bunları daha yüksek bir konumda bağlayın.
Note: Tırmığın doğru şekilde çalışmasını sağlamak adına tırmığı çalıştırmadan önce zincirleri orijinal gevşek konumuna döndürün.
Tırmıklama işleminden sonra makineyi iyice temizleyin. Bu makineyi temel olarak kumlu alanlarda kullandığınız ve kum oldukça aşındırıcı bir malzeme olduğu için her kullanımdan sonra kum temizliği yapın. Makineyi sık sık temizliyorsanız (kumun sertleşmesine imkan tanımadan) nozülü çıkarılmış bir hortumdan akan su ile temizleyin. Yüksek basınçlı su, kumu aşınabilecek alanlara taşıyabilir ve kum burada taşlama bileşeni etkisi gösterebilir.
Note: Ataşman adaptörü çekiş ünitesi adaptörüne yapıştıysa kaldıraç yuvasına bir levye veya tornavida yerleştirerek parçaları birbirinden ayırın (Şekil 14).

Ataşman adaptöründeki kilit kolu serbestçe ve kolayca çevrilmiyorsa Şekil 15 şeklinde gösterilen alan hafif bir gres katmanı uygulayın.
