Συντήρηση
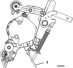
Χρήση του ποδιού στήριξης κατά το αναποδογύρισμα της μονάδας κοπής
Note: Όποτε απαιτείται να αναποδογυρίσετε τη μονάδα κοπής για να έχετε πρόσβαση στις λεπίδες της, χρησιμοποιήστε το πόδι στήριξης (παρέχεται με τον ελκυστήρα) (Σχήμα 12).

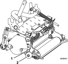
Λίπανση της μονάδας κάθετης κοπής
Κάθε μονάδα κάθετης κοπής διαθέτει 5 γρασαδοράκια (Σχήμα 13) που πρέπει να λιπαίνονται εβδομαδιαία με γράσο λιθίου Νο. 2.
Τα σημεία λίπανσης βρίσκονται στον εμπρός κύλινδρο (2), στον πίσω κύλινδρο (2) και στο πολύσφηνο του μοτέρ του κυλίνδρου κοπής (1).
Important: Η λίπανση των μονάδων κοπής αμέσως μετά το πλύσιμο συμβάλλει στην απομάκρυνση του νερού από τα ρουλεμάν και αυξάνει τον χρόνο ζωής των ρουλεμάν.
-
Σκουπίστε κάθε γρασαδοράκι με ένα καθαρό πανί.
-
Εφαρμόστε γράσο μέχρι να ρεύσει γράσο από τα παρεμβύσματα των κυλίνδρων και τη βαλβίδα εκτόνωσης των ρουλεμάν (Σχήμα 13).

-
Σκουπίστε το επιπλέον γράσο, αν υπάρχει.
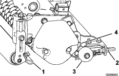
φαίρεση των λεπίδων της μονάδας κάθετης κοπής από τον άξονα
-
κινητοποιήστε σε μια μέγγενη το άκρο του άξονα της μονάδας κάθετης κοπής που διαθέτει μόνο μία ροδέλα και ένα παξιμάδι.
-
Στο άλλο άκρο του άξονα στρέψτε το παξιμάδι αριστερόστροφα και αφαιρέστε το.
Προσοχή
Οι λεπίδες είναι εξαιρετικά κοφτερές και ίσως έχουν εγκοπές που μπορούν να κόψουν τα χέρια σας.
Φοράτε γάντια και να είστε προσεκτικοί κατά την αφαίρεση των λεπίδων από τον άξονα.
-
φαιρέστε τον μικρό αποστάτη ή αποστάτες, τη ροδέλα (μόνο στο Μοντέλο 03619), τις λεπίδες και τους μεγάλους αποστάτες. Για ευκολότερη συναρμολόγηση, καθαρίστε και λιπάνετε τον άξονα εξαγωνικής ή τετραγωνικής διατομής με μια λεπτή στρώση γράσου (Σχήμα 15 ή Σχήμα 14).

Important: Η σειρά αποσυναρμολόγησης είναι πολύ σημαντική. Κατά τη συναρμολόγηση, μην αναστρέψετε τις λεπίδες του κυλίνδρου κοπής της μονάδας κάθετης κοπής και μην αντιστρέψετε τη σειρά τους. Σημειώστε την ενδεικτική οπή που υπάρχει σε κάθε λεπίδα της μονάδας κάθετης κοπής. Σκοπός της ενδεικτικής οπής είναι η συναρμολόγηση με τη σωστή σειρά ώστε να επιτευχθεί η κατάλληλη ελίκωση του κυλίνδρου κοπής της μονάδας κάθετης κοπής.

Εγκατάσταση των λεπίδων της μονάδας κάθετης κοπής
-
Συναρμολογήστε μία λεπίδα (Σχήμα 16).
-
Συναρμολογήστε έναν μεγάλο αποστάτη.
-
Κατά τη συναρμολόγηση, μην αναστρέψετε τις λεπίδες του κυλίνδρου κοπής επάνω στον άξονα.
Note: Εάν αναστρέψετε τις λεπίδες, οι λεπίδες που χρησιμοποιήθηκαν (στρογγυλεμένες) θα ανακατευτούν με τις κοφτερές ακμές των αχρησιμοποίητων λεπίδων, μειώνοντας την απόδοση της κοπής.
-
Εγκαταστήστε την επόμενη λεπίδα δεξιόστροφα έτσι ώστε η ενδεικτική οπή (Σχήμα 16) να μην είναι μετατοπισμένη ως προς την οπή της πρώτης λεπίδας κατά μία επίπεδη πλευρά του άξονα.

-
Συνεχίστε με τον ίδιο τρόπο την εγκατάσταση των αποστατών και των λεπίδων μέχρι να τοποθετηθούν όλες.
Note: Εάν οι λεπίδες έχουν συναρμολογηθεί σωστά, η διάταξή τους είναι τέτοια ώστε να μοιάζει με έλικα.
-
Εγκαταστήστε τον μικρό αποστάτη στον άξονα.
-
πλώστε Blue Loctite 242 στο παξιμάδι. Εγκαταστήστε το παξιμάδι στον άξονα (με την επίπεδη-μηχανικά κατεργασμένη πλευρά του παξιμαδιού προς τον αποστάτη) και σφίξτε το με ροπή 109 έως 135 N·m .
Προαιρετική διάταξη λεπίδων
Διάταξη λεπίδων ανά 0,50" για το Μοντέλο 03618
Για να αλλάξετε τη διαμόρφωση της μονάδας κάθετης κοπής από την τυπική ανά 0,75" σε διάταξη ανά 0,50" απαιτούνται 34 πρόσθετοι αποστάτες με Κωδ. εξαρτ. 17-1580 και είτε 10 πρόσθετες λεπίδες καρβιδίου με Κωδ. εξαρτ. 106-6355 είτε 10 πρόσθετες κανονικές λεπίδες με Κωδ. εξαρτ. 17-1590 (Σχήμα 17).

Διάταξη λεπίδων ανά 1,00" για το Μοντέλο 03619
Για να αλλάξετε τη διαμόρφωση της μονάδας κάθετης κοπής από την τυπική ανά 1,25" σε διάταξη ανά 1,00" απαιτούνται 19 νέοι αποστάτες με Κωδ. εξαρτ. 140-5532 και είτε 4 πρόσθετες λεπίδες καρβιδίου με Κωδ. εξαρτ. 106-8625 είτε 4 πρόσθετες κανονικές λεπίδες με Κωδ. εξαρτ. 93-3038-03 (Σχήμα 18).

Σέρβις του κυλίνδρου
Το κιτ αποκατάστασης κυλίνδρου (κωδ. 114-5430) και το κιτ εργαλείων αποκατάστασης κυλίνδρου (κωδ. 115-0803) (Σχήμα 19) διατίθενται για το σέρβις του κυλίνδρου. Το κιτ αποκατάστασης κυλίνδρου περιλαμβάνει όλα τα ρουλεμάν, τα παξιμάδια των ρουλεμάν, τα εσωτερικά παρεμβύσματα και τα εξωτερικά παρεμβύσματα για την αποκατάσταση του κυλίνδρου. Το κιτ εργαλείων αποκατάστασης κυλίνδρου περιλαμβάνει όλα τα εργαλεία και τις οδηγίες εγκατάστασης που απαιτούνται για την αποκατάσταση του κυλίνδρου με το κιτ αποκατάστασης κυλίνδρου. Για βοήθεια, ανατρέξτε στον κατάλογο ανταλλακτικών ή επικοινωνήστε με τον πλησιέστερο εξουσιοδοτημένο αντιπρόσωπο της Toro.



, το οποίο
συνοδεύει οδηγίες
για την προσωπική ασφάλεια
με τις ενδείξεις
Προσοχή, Προειδοποίηση
ή Κίνδυνος. Η μη
συμμόρφωση με αυτές
τις οδηγίες μπορεί
να προκαλέσει
σωματικές βλάβες
ή θάνατο.









