Important: Ortaya monte araç çubuğu sistemini kurmadan önce sistem ile kullanıma uygun araç çubuklarından birini edinmeniz gerekir. Daha fazla bilgi almak için yetkili Toro distribütörünüze danışın.
Note: Araç çubuğu 08733 veya 08736 modellerini kuracaksanız bu ataşman ile tedarik edilenler yerine araç çubuklarıyla tedarik edilen kılavuz boru braketlerini kullanın. Daha fazla bilgi için bkz. 08733 veya 08736 kurulum kılavuzları.
Note: Ön manuel bıçağı ortaya monte araç çubuğu sistemi ile birlikte kurarken, öncelikle ortaya monte araç çubuğu sisteminin kurulumunu gerçekleştirin.
Çekiş ünitesini düz bir zemine park edin ve park frenini etkinleştirin.
Gaz kolu anahtarını düşük rölanti konumuna alın, ataşmanı indirin ve hareket pedalının boş konumda olduğundan emin olun.
Motoru kapatın, anahtarı çıkarın, tüm hareketli parçaların durmasını ve tüm bileşenlerin soğumasını bekleyin.
Bu prosedür için gerekli parçalar:
| Cıvata (5/16 x 2-1/4 inç) | 2 |
| Somun (5/16 inç) | 2 |
| Kazıyıcı kaldırma kolu düzeneği | 1 |
| Cıvata (1/2 x 3-1/4 inç) | 2 |
| İnce kilit somunu (½ inç) | 2 |
| Kilit plakası | 1 |
| Düğme | 1 |
Makinenin arka kısmını kriko sehpasına kaldırın ve arka tekerlekleri çıkarın; bkz. makinenizin Kullanma Kılavuzu.
Note: Krikoları arka tekerlek motor montaj düzeneğinin altına yerleştirin; bkz. makinenizin Kullanma Kılavuzu.
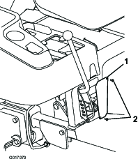
Sağ taraftaki tekerlek kapağını şasiye sabitleyen 4 flanş başlıklı vidayı çıkarın (Şekil 1).

Kapağı çıkarıp saklayın.
Note: Makineye bir Manuel Bıçak (Model 08714) takılmışsa kaldırma kolu düzeneğini kurmadan önce sağ taraftaki montaj braketini çıkarın.
Siper panelini şasiye sabitleyen 2 vida, 2 cıvata, 2 rondela ve 2 somunu çıkarın ve rondeleları daha sonraki kurulum işlemi için saklayın (Şekil 1).
Note: Siper panelini, cıvataları, vidaları ve somunları atabilirsiniz.
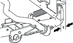
Kazıyıcı kaldırma kolu düzeneğinin montaj braketini 2 cıvata (½ x 3¼ inç) ve ince kilit somunları (½ inç) kullanarak Şekil 2 şeklinde gösterildiği üzere sağ taraftaki ayak dayama borularına takın.

Note: Cıvata kafalarının, dışta olacak şekilde konumlandırıldığından ve ince kilit somunları kullanıldığından emin olun.
Important: Çıkarılabilir parçalar arasında hem kalın hem de ince kilit somunları bulunur. Bu adımda ince kilit somunlarını kullanın. Kalın kilit somunları burada sabitleme gerçekleştiremez ve bir süre sonra düşecektir.
Note: Kol düzeneği, siperin sökülmesiyle oluşan açıklıktan kolun yönlendirilmesi vasıtasıyla çekiş ünitesinin alt tarafından kurulur.
Note: Çekiş ünitesi içine kurmak için kol düzeneğini sökmeyin.
Kilit plakasını, kazıyıcı kaldırma koluna yerleştirin.
Note: Kol, kilit plakası ve kol kılavuzu arasından geçmelidir (Şekil 3).

Kilit plakasını, sağ arka dikey şasi borusunun arka tarafına 2 cıvata (5/16 x 2¼ inç), 4 adımında sökülen 2 rondela ve 2 kilit somunu (5/16 inç) ile takın. Parçaları, Şekil 3 şeklinde gösterildiği üzere konumlandırın.)
Düğmeyi, kaldırma koluna geçirin (Şekil 3).
Kaldırma kolunun, kilit plakası boyunca tam hareket aralığı kapsamında hareket ettiğinden ve her bir kilit noktasına yerine sabitlendiğinden emin olun.
Note: Kaldırma kolu çok gevşek veya çok sıkıysa sağ kol kaldırma kılavuzundaki kilit somunlarını sıkın veya gevşetin (Şekil 4).

Kaldırma kolu düzeneği ve hidrolik hatlar arasındaki açıklığı kontrol edin.
Note: Hidrolik hat ile kaldırma kolu düzeneği arasında en az 3 mm'lik bir açıklık olmalıdır. Hidrolik hattı gerektiği şekilde nazikçe konumlandırın (Şekil 2).
Bu prosedür için gerekli parçalar:
| Kılavuz boru | 1 |
| Uzatma yayı | 1 |
| Baskı çubuğu | 1 |
| Kılavuz boru braketi | 2 |
| Cıvata (⅜ x 3 inç) | 4 |
| Kilit somunu (⅜ inç) | 6 |
| Yay braketi | 1 |
| Cıvata (3/8 x 2-3/4 inç) | 1 |
Note: Araç çubuğu 08733 veya 08736 modellerini kuracaksanız bu ataşman ile tedarik edilenler yerine araç çubuklarıyla tedarik edilen kılavuz boru braketlerini kullanın. Daha fazla bilgi için bkz. 08733 veya 08736 kurulum kılavuzları.
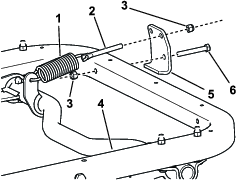
Uzatma yayını, kılavuz borudaki yay koluna ve baskı çubuğuna bağlayın (Şekil 5).

Kılavuz boru braketini sağ tarafa gevşek bir şekilde takın (Şekil 5).
Kılavuz borunun sağ tarafını, kılavuz boru braketinin sağ tarafına kaydırın (Şekil 5).
Baskı çubuğunu, yay braketindeki deliğe yerleştirin ve bir kilit somunu (⅜ inç) kullanarak gevşek bir şekilde sabitleyin.
Note: Baskı çubuğunu, Şekil 6 şeklinde gösterildiği üzere konumlandırın.

Kılavuz borunun sol tarafını şasiye kaldırın ve kılavuz boru braketi, 2 cıvata (⅜ x 3 inç) ve 2 kilit somunu (⅜ inç) kullanarak takın (Şekil 5).
Yay braketini, bir cıvata (⅜ x 2¾ inç) ve bir kilit somunu (⅜ inç) kullanarak ön şasi borusuna monte edin.
Note: Yay braketini, Şekil 6 şeklinde gösterildiği üzere konumlandırın.
Tüm bağlantı elemanlarını sıkın ancak baskı çubuğunu sabitleyen kilit somununu bu aşamada sıkmayın.
Bu prosedür için gerekli parçalar:
| Ayarlanabilir çubuk düzeneği | 1 |
| Cıvata (1/2 x 1-1/2 inç) | 1 |
| Kilit somunu (½ inç) | 2 |
Ayarlanabilir çubuk düzeneğinin kısa ucunda yer alan bilyalı mafsalı, kılavuz boruda ayarlanabilir çubuk düzeneğinin sağına konumlandırın (Şekil 7).

Kaldırma kolunu, üstten ikinci kilit konumuna alın.
Ayarlanabilir çubuk düzeneğinin uzun ucunda yer alan bilyalı mafsalı, kaldırma kolu düzeneğinin alt tarafındaki bijonun üzerine yerleştirin ve bir kilit somunu (½ inç) ile gevşek bir şekilde sabitleyin (Şekil 7).
Note: Kılavuz boruyu, braketlerinde yukarı ve aşağı hareket ettirerek ayarlanabilir çubuğu monte etmek için açıklık elde edebilirsiniz.
Kaldırma çubuğunu, kilit konumunun altına doğru tamamen aşağı alın.
Bilyalı mafsalı, çubuk kolunun sol tarafına gelene kadar kılavuz borudaki ayarlanabilir çubuk kolunun etrafından ayarlanabilir çubuğun kısa ucuna taşıyın.
Note: Kılavuz boruyu, braketlerinde yukarı ve aşağı hareket ettirerek ayarlanabilir çubuğu monte etmek için açıklık elde edebilirsiniz.
Bilyalı mafsaldaki delik, kılavuz borudaki ayarlanabilir çubuk kolunda yer alan delik ile hizalanana kadar kaldırma kolunu hareket ettirin ve çubuğu, bir cıvata (½ x 1½ inç) ve bir kilit somunu (½ inç) kullanarak Şekil 8 şeklinde gösterildiği gibi kola sabitleyin.

Bağlantı elemanlarını sıkın.
Bu prosedür için gerekli parçalar:
| Siper paneli | 1 |
| HWH vida (#10 x ½ inç) | 2 |
| Sağ taraftaki sele düzeneği | 1 |
| Sol taraftaki sele düzeneği | 1 |
| Cıvata (5/16 x 1 inç) | 4 |
| Kilit somunu (5/16 inç) | 4 |
Note: Manuel sabanı çıkardıysanız bu aşamada takın.
Yeni siper panelini, 2 HWH vida (#10 x ½ inç) kullanarak şasi açıklığının arka tarafına takın (Şekil 9).

Bir cıvata (5/16 x 1 inç) ve bir kilit somunu (5/16 inç) ile sele düzeneğinin arkasını her bir kaldırma koluna gevşek bir şekilde takın.
Note: Sele çivisi, iç tarafa doğru bakmalıdır (Şekil 10).
Note: Seleleri, Şekil 10 şeklinde gösterildiği üzere konumlandırın.

Bu prosedür için gerekli parçalar:
| Araç çubuğu (ayrı olarak satılır) | 1 |
Important: Araç çubuğu 08733 veya 08736'yı kuruyorsanız bu prosedürü atlayın ve araç çubuğu ile birlikte temin edilen talimatları izleyerek kurulumu gerçekleştirin. Kurulumu gerçekleştirdikten sonra bu talimatlarda yer alan Araç Çubuğu Kaldırma Pedalının Kurulumu bölümüne gidin.
Note: Araç çubuğunuz, kılavuz braketi kurulu olarak geliyorsa çubuğu Şekil 11 şeklinde gösterildiği gibi soldan dördüncü dişe takın ve işleme devam etmeden önce braket ve diş sabit olacak şekilde cıvata ve somunu sıkın.

Ataşman borusunun her bir ucunu selelere konumlandırın.
Note: Dişlerin kesici kenarları öne doğru bakmalıdır.
Kaldırma kolunu orta konuma alın.
Her bir selenin ön tarafını bir cıvata (5/16 x 1 inç) ve bir kilit somunu (5/16 inç) kullanarak boru düzeneğine sabitleyin (Şekil 12).

Bu prosedür için gerekli parçalar:
| Kol düzeneği | 1 |
| Cıvata (5/16 x 2 inç) | 1 |
| Kilit somunu (5/16 inç) | 3 |
| Kılavuz çıkıntı | 1 |
| Araç çubuğu bağlantısı | 1 |
| Taşıyıcı cıvata (3/8 x 1¼ inç) | 1 |
| Ara parça | 1 |
| Rondela (1 inç) | 1 |
| Kilit somunu (⅜ inç) | 1 |
| Pedal kolu düzeneği | 1 |
| Tespit halkası | 2 |
| Rondela (7/8 inç) | 1 |
| Cıvata (5/16 x 1 inç) | 1 |
| Eksantrik cıvatası | 1 |
Kol düzeneğindeki çubuğu kılavuz borunun sol kenarına kaydırın ve kılavuz borudan geçirerek bir cıvata (5/16 x 2 inç) ve bir kilit somunu (5/16 inç) ile sabitleyin (Şekil 13).
Note: Cıvatayı, kılavuz boru ve kol düzeneğinden geçirmeniz gerekebilir.

Kılavuz çıkıntının orta deliğini, bir cıvata (5/16 x 1 inç) ve bir kilit somunu (5/16 inç) kullanarak araç çubuğundaki kılavuz brakete gevşek bir şekilde takın (Şekil 14).

Araç çubuğu bağlantısının ucunu, pedal kolu düzeneğindeki kısa çubuk üzerinden kaydırın ve tespit halkası ile sabitleyin (Şekil 15).

Pedal kolu düzeneğinin diğer ucundaki çubuğu, kol düzeneğinin üst kısmından takın ve bir rondela (⅞ inç) ve bir tespit halkası kullanarak sabitleyin (Şekil 15).
Kaldırma pedalı düzeneğinin dizi yukarı doğru bükülmüş olarak kılavuz çıkıntıdaki kare deliği, bir taşıyıcı cıvata (⅜ x 1¼ inç), bir pul, bir rondela (1 inç), bir diğer rondela (13/16 inç) ve bir kilit somunu (⅜ inç) kullanarak Şekil 16 şeklinde gösterildiği gibi araç çubuğu bağlantısının ucuna takın.

Eksantrik cıvatasını, kılavuz çıkıntı ve kılavuz braketinin altından takın ve Şekil 17 şeklinde gösterildiği gibi bir kilit somunu (5/16 inç) kullanarak sabitleyin.

Kaldırma kolunu, üst kilit konumuna konumlandırın.
Çekiş ünitesi şasisi ve kılavuz boru arasındaki mesafeyi, Şekil 18 şeklinde gösterildiği üzere ölçün.

Açıklık, 0,06 ila 0,18 inç arasında değilse ayarlanabilir çubuğu aşağıdaki şekilde ayarlayın:
Çubuğu, kılavuz boruya sabitleyen cıvata ve somunu çıkarın (Şekil 19).

Çubuğun uzunluğunu aşağıdaki şekilde değiştirmek için Şekil 19 şeklinde gösterilen bilyalı mafsalı döndürün:
Boşluğu artırmak için çubuğu kısaltın.
Boşluğu azaltmak için çubuğu uzatın.
Cıvata ve somun ile çubuğu takın ve açıklığı tekrar test edin.
Boşluk doğru olana kadar bu prosedürü tamamlayın.
Yaya baskı uygulamak için baskı çubuğunu sabitleyen kilit somunlarını, dişlerin 6 mm ila 13 mm kadarı görünene kadar sıkın (Şekil 20).

Note: Baskı çubuğunun ayarlanması, sistemin kaldırma işlemi sırasında sarf ettiği eforu değiştirir. Cıvata uçları ne kadar uzunsa araç çubuğunu kaldırmak o kadar kolay olur. Yayları, kaldırma kuvvetinin rahatlıkla iş görebileceği şekilde ayarlayın. Yardım yayındaki gerginlik ne kadar yüksek olursa araç çubuğunda o kadar az zemin basıncı olacaktır.
Sağ taraftaki tekerlek kapağını takın.
Arka tekerlekleri takın ve makinenin arkasındaki kriko ayaklarını oradan alın; bkz. makinenizin Kullanma Kılavuzu.
Kaldırma çubuğunu, taşıma konumuna (en üstteki çentik) alın.
Araç çubuğu dişleri, kaldırma kolundaki çentiğe (Şekil 17 ve Şekil 21) paralel olana kadar eksantrik cıvatayı gerektiği yönde döndürün.
Important: Eksantrik cıvata, 360 derece dönmez. Cıvata durduğunda daha fazla dönmesi için güç uygulanması cıvataya zarar verecektir. Bunun yerine cıvatayı diğer yöne çevirin.

Orta kılavuz cıvatasını (Şekil 13 şeklinde öğe 4) 20 ila 25 N⋅m tork ile sıkın.
Eksantrik cıvatayı sabitleyen somunu, sabitlenene kadar sıkın ancak fazla sıkmayın.
Ataşmanın çalışmasını test edin.
Bu prosedür için gerekli parçalar:
| Şim (Parça No. 110-7379) | 1 |
| Şim (Parça No. 110-7380) | 1 |
| Şim (Parça No. 110-7381) | 1 |
Araç çubuğu kurulduktan ve bağlantı elemanları sıkıldıktan sonra araç çubuğu dişlerinin düz olduğunu doğrulamak için aşağıdaki prosedürü izleyin:
Makineyi düz bir zemine park edin.
Tüm tekerleklerin basıncını kontrol ederek hepsinin eşit olduğundan emin olun. Lastik basıncının kontrol edilmesi hakkında detaylı bilgi için Kullanma Kılavuzuna bakın.
Dişler, zemin ile henüz temas edene kadar araç çubuğunu indirin.
Araç çubuğunun dişleri zemin ile eşit şekilde temas ediyorsa araç çubuğu düzdür.
Note: Araç çubuğunun bir tarafındaki dişler, zeminle diğer taraftan önce temas ediyorsa araç çubuğunu düzleştirin. Bu prosedürün kalan adımlarını izleyerek düzleştirme işlemine devam edin.
Düzleştirilmesi gereken taraftaki araç çubuğu dişleri ile zemin arasındaki mesafeyi ölçün, ardından boşluk ölçümüne göre hangi şimin takılacağına karar vermek için aşağıdaki tablodan yararlanın:
| Şim paketi (İnç cinsinden kalınlık) | Dış kenar itibarıyla diş yüksekliğindeki değişiklik (inç cinsinden) |
| 110-7379 (0,0747 inç) | ⅛ inç |
| 110-7381 (0,1345 inç) | ¼ inç |
| 110-7379 ve 110-7381 (0,2094 inç) | ⅜ inç |
| 110-7380 (0,25 inç) | 7/16 inç |
| 110-7379 ve 110-7380 (0,3247 inç) | 9/16 inç |
Kılavuz boru braketini sabitleyen cıvataları genişleterek şasi ile kılavuz boru braketi arasında bir açıklık oluşturun (Şekil 22).

Note: Şimi takarken, kılavuz boru braketine erişmek için kaldırma pedalını çıkarmanız gerekebilir. Bkz. Araç Çubuğu Kaldırma Pedalının Kurulumu.
Şimleri takın ve tüm bağlantı elemanlarını sıkın.
Araç çubuğunun düz olduğunu doğrulayın. Düz değilse gerektiği şekilde ayarlayın.
Belgeleri okuyun.
Belgeleri, güvenli bir yerde saklayın.
Araç çubuğunu indirmek için kaldırma çubuğunu sola hareket ettirin, indirin ve ardından istenen kilit konumuna gelecek şekilde sağa doğru kaydırın.
Araç çubuğunu kaldırmak için kaldırma çubuğunu sola hareket ettirin, kaldırın ve ardından istenen kilit konumuna gelecek şekilde sağa doğru kaydırın.
Araç çubuğunu taşıma konumuna kaldırıp kilitlemek için kaldırma kolunu en yüksek konuma alın ve araç çubuğu kaldırma pedalını aşağı bastırın.
Araç çubuğunu taşıma konumundan serbest bırakmak için kaldırma kolunu aşağı konuma alın.
Note: Kazıyıcı araç çubuğunu kullanıyorsanız dişlerin kullanılabilir ömrünü uzatmak için dişleri döndürün.
Note: İstenen çalışma konumunu elde etmek için öncelikle araç çubuğunu istediğiniz konumun aşağısına indirip ardından tekrar kaldırmanız gerekebilir.
Çalışma sırasında araç çubuğunu indirmek için makineyle yavaşça geriye doğru giderken araç çubuğunu istenen derinliğe ayarlayabilirsiniz. Araç çubuğu istenen konuma geldiğinde ileri doğru sürün. Dişler zemin ile temas edecek ve araç çubuğunu etkin konuma çekecektir.
Araç tarafından zemine uygulanan aşağı yönlü basıncı ayarlamak için ayarlanabilir çubuğun yay gerilimini ayarlayın. ¾ inç anahtar kullanarak ayarlanabilir çubukta yer alan yay manşonu dökümünü sağ yiv yönüne doğru döndürerek aşağı yönlü basıncı yükseltin veya tersi yöne doğru döndürerek aşağı yönlü basıncı azaltın (Şekil 23).
Note: Bu işlem, Kılavuz Yay Gerilimi ve Ayarlanabilir Çubuk Düzeneğinin Ayarlanması prosedüründe gerçekleştirilen ayarlanabilir çubuk ayarını değiştirmez.

Aşağı yönlü araç çubuğu basıncının ayarlanmasında size yol göstermesi için aşağıdaki tablo ve şekilden yararlanın (Şekil 24).
| Yay Kuvveti Çizelgesi | |
| Boyut (inç cinsinden) | Kuvvet (libre cinsinden) |
| 3,00 | 238 |
| 2,88 | 335 |
| 2,75 | 430 |
| 2,62 | 526 |
| 2,50 | 623 |

| Problem | Possible Cause | Corrective Action |
|---|---|---|
| Ataşmanı kaldırmak için aşırı güç gerekiyor. |
|
|
| Kol, kilit plakasındaki kilit yuvalarına kilitlenmiyor. |
|
|
| Araç çubuğu yeterince yükseğe kadar dönmüyor. |
|
|
| Ataşmanın aşağı yönlü basıncı çok hafiftir. |
|
|
| Makineyi döndürürken zemin teması eşit değil. |
|
|
| Makine, bir engele çarptığında duruyor. |
|
|
| Araç çubuğu dişleri düz değildir. |
|
|