Întreţinere
Note: Determinaţi partea stângă şi dreaptă a maşinii din poziţia de operare normală.
Program(e) de întreţinere recomandat(e)
| Interval de întreţinere şi service | Procedură de întreţinere |
|---|---|
| După primele 10 ore |
|
| Înainte de fiecare folosinţă sau zilnic |
|
| Înainte de depozitare |
|
Avertisment
Dacă lăsați cheia în contact, cineva poate porni în mod accidental motorul și vă poate răni pe dumneavoastră sau alți trecători.
Scoateți cheia din contact și deconectați cablul de la bujie înainte de a efectua orice lucrare de întreținere. Amplasați cablul deoparte, astfel încât să nu intre în contact accidental cu bujia.
Pericol
Un motor se poate încinge în timp ce funcționează. Contactul cu suprafețele fierbinți poate cauza arsuri grave.
Lăsați să se răcească motorul, în special toba de eșapament, înainte de a le atinge.
Pericol
Resturile, cum ar fi frunzele, iarba sau tufișurile pot lua foc. Un incendiu în zona motorului poate provoca vătămări corporale și daune materiale.
-
Aveți grijă să nu se acumuleze resturi în zona motorului și a tobei de eșapament.
-
Aveți grijă când deschideți capacul sistemului de colectare pentru a împiedica resturile să cadă în zona motorului și a tobei de eșapament.
-
Înainte de depozitare, lăsaţi mașina să se răcească.
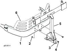
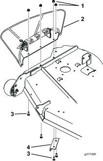
Verificarea sistemului de colectare
| Interval de întreţinere şi service | Procedură de întreţinere |
|---|---|
| După primele 10 ore |
|
| Înainte de depozitare |
|
Verificați sistemul de colectare după primele 10 ore de funcționare și după aceea lunar.
-
Verificați jgheabul, tubul de evacuare și partea superioară a sistemului de colectare. Înlocuiți aceste piese dacă sunt fisurate sau rupte.
-
Strângeți toate piulițele și șuruburile.
-
Verificați toate elementele de fixare; înlocuiți orice element lipsă sau deteriorat.
-
Verificați dacă sacii pentru iarbă sunt deteriorați.
Atenţie
Dumneavoastră sau cei din jur puteți fi răniți grav de reziduurile proiectate sau obiecte aruncate care pot trece prin saci pentru iarbă rupți, uzați sau deteriorați.
-
Verificați sacii pentru iarbă au găuri, rupturi, uzură și alte deteriorări.
-
Nu spălați sacii pentru iarbă.
-
Dacă sacul s-au deteriorat, montați saci pentru iarbă noi furnizați de producătorul acestui sistem de colectare.
-
Verificarea lamelor mașinii de tuns iarba
Verificați lamele mașinii de tuns iarba în mod regulat și ori de câte ori o lamă lovește un obiect străin.
Dacă lamele sunt foarte uzate sau deteriorate, montați lame noi. Consultați Manualul operatorului mașinii de tuns iarba pentru instrucțiuni cu privire la întreținerea completă a lamelor.
Curățarea sistemului de colectare
| Interval de întreţinere şi service | Procedură de întreţinere |
|---|---|
| Înainte de fiecare folosinţă sau zilnic |
|
| Înainte de depozitare |
|
Note: Pentru a preveni deteriorarea rapidă a materialului sacilor, depozitați-i într-un loc în care se vor usca complet după fiecare utilizare.
-
După fiecare utilizare, îndepărtați și spălați interiorul și exteriorul părții superioare a sistemului de colectare, tubul de evacuare, jgheabul și partea inferioară a mașinii de tuns iarba, folosind apă pulverizată de la un furtun de grădină. Utilizați un detergent delicat pentru a îndepărta murdăria persistentă.
-
Aveți grijă să îndepărtați iarba colmatată de pe toate piesele.
-
Clătiți sacii de iarbă cu apă, folosind un furtun de grădină pentru a îndepărta orice resturi.
-
După spălare, lăsați toate piesele să se usuce bine.















































