Maintenance
Servicing the Heater Air Filter
| Maintenance Service Interval | Maintenance Procedure |
|---|---|
| Every 250 hours |
|
Note: The heater air filter is designed to keep the cabin air clean.
-
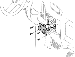
Remove the filter access cover from the heater box assembly (Figure 25).

-
Gently remove the filter from the heater box assembly.
Note: Do not attempt to clean the filter.
-
Inspect the new filter for damage by looking into the filter while shining a bright light on the outside of the filter.
Note: Holes in the filter appear as bright spots. Inspect the element for tears, an oily film, or damage to the rubber seal. If the filter is damaged, do not use it.
Note: Use care when handling the filter to avoid damaging or deforming it.
-
Carefully install the filter.
-
Install the filter access cover on the heater box assembly with the corresponding hardware.
Cleaning the Heater
Important: Do not get the heater box or heater components wet.

























