Manutenção
Fazer a manutenção do filtro de ar do aquecedor
| Intervalo de assistência | Procedimento de manutenção |
|---|---|
| A cada 250 horas |
|
Note: O filtro de ar do aquecedor foi concebido para manter o ar da cabine limpo.
-
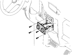
Remova a tampa de acesso ao filtro do conjunto da caixa do aquecedor (Figura 25).

-
Remova suavemente o filtro da montagem da caixa do aquecedor.
Note: Não tente limpar o filtro.
-
Inspecione o novo filtro para verificar se há danos olhando para o filtro com uma luz forte do lado de fora do filtro.
Note: Os furos no filtro são mostrados como pontos brilhantes. Verifique se o filtro tem rasgões, película de óleo ou o vedante de borracha danificado. Se o filtro estiver danificado, não o utilize.
Note: Tenha cuidado ao manusear o filtro para evitar danificá-lo ou deformá-lo.
-
Instale cuidadosamente o filtro.
-
Instale a tampa de acesso ao filtro no conjunto da caixa de aquecedor com as ferragens correspondentes.
Limpar o aquecedor
Important: Não molhe a caixa do aquecedor nem os componentes do aquecedor.

























