Underhåll
Underhålla värmeelementets luftfilter
| Underhållsintervall | Underhållsförfarande |
|---|---|
| Var 250:e timme |
|
Note: Värmeelementets luftfilter är utformat för att hålla luften i hytten ren.
-
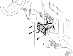
Ta bort åtkomstpanelen för filtret från förvärmaren (Figur 25).

-
Ta försiktigt bort filtret från förvärmaren.
Note: Försök inte rengöra filtret.
-
Undersök det nya filtret för att se om det är skadat genom att titta in i filtret samtidigt som du lyser med en stark lampa mot filtrets utsida.
Note: Hål i filtret syns då som ljusa punkter. Inspektera och leta efter sprickor, oljebeläggning eller skador på gummitätningen. Om filtret är skadat ska du inte använda det.
Note: Var försiktig när du hanterar filtret för att undvika att skada eller deformera det.
-
Montera filtret med försiktighet.
-
Montera åtkomstpanelen för filtret på förvärmaren med motsvarande fästelement.
Rengöra värmeelementet
Important: Låt inte förvärmaren eller värmekomponenterna bli våta.

























