保守
ヒーター用エアフィルタの整備
| 整備間隔 | 整備手順 |
|---|---|
| 250運転時間ごと |
|
Note: ヒーター用エアフィルタは、キャビン内の空気をきれいに保つためのものです。
-
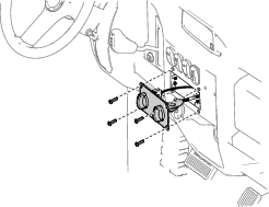
ヒーターボックスアセンブリからフィルタアクセスカバーを外す(図 25)。

-
ヒーターボックスアセンブリから静かにフィルタを取り外す。
Note: フィルタは清掃しないでください。
-
新しいフィルタの外側から照明を当ててフィルタの内側を点検し、傷などがないか確認する。
Note: フィルタに穴があいているとその部分が明るく見えます。破れや油汚れ、ゴムシールの傷がないか点検してください。破損しているフィルタは使用しない。
Note: フィルターを傷つけたり、変形させたりしないよう、取り扱いに注意してください。
-
注意深くフィルタを取り付ける。
-
ヒーターボックスアセンブリにフィルタアクセスカバーを取り付ける。
ヒーターの清掃
Important: ヒーターボックスやヒーター部を濡らさないよう注意してください。

























