Onderhoud
Onderhoud van het luchtfilter van de verwarming
| Onderhoudsinterval | Onderhoudsprocedure |
|---|---|
| Om de 250 bedrijfsuren |
|
Note: Het luchtfilter van de verwarming is ontworpen om de lucht in de cabine schoon te houden.
-
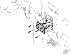
Verwijder de toegangsklep voor het filter van de verwarmingsinstallatiekast (Figuur 25).

-
Verwijder het filter voorzichtig uit de verwarmingsinstallatiekast.
Note: Probeer het filter niet te reinigen.
-
Inspecteer het nieuwe filter op beschadiging door een felle lichtbron op de buitenkant van het filter te richten en er doorheen te kijken.
Note: Gaten in het filter zien eruit als lichte vlekken. Controleer het filter op scheuren, een vettig oppervlak of beschadiging van de rubberen afdichting. Als het filter beschadigd is, mag u het niet gebruiken.
Note: Wees voorzichtig bij het hanteren van het filter om te voorkomen dat het beschadigd of vervormd raakt.
-
Monteer het filter voorzichtig.
-
Monteer de toegangsklep voor het filter op de verwarmingsinstallatiekast met het bijbehorende bevestigingsmateriaal.
De verwarming reinigen
Important: De verwarmingskast en onderdelen van de verwarming mogen niet nat worden.

























