Vedlikehold
Vedlikeholde luftfilteret til varmeapparatet
| Vedlikeholdsintervall | Vedlikeholdsprosedyre |
|---|---|
| Hver 250. driftstime |
|
Note: Luftfilteret til varmeapparatet er utformet for å holde luften i førerhuset ren.
-
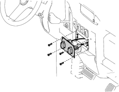
Fjern tilgangsdekslet til filteret fra varmeboksenheten (Figur 25).

-
Fjern filteret forsiktig fra varmeboksenheten.
Note: Ikke rengjør selve filteret.
-
Inspiser det nye filteret for skader ved å se inn i filteret mens du lyser med en lykt på utsiden av filteret.
Note: Hull i filteret vises som lyse flekker. Undersøk om elementet har skader, et oljet belegg eller om gummitetningen er skadet. Ikke bruk filteret hvis det er skadet.
Note: Vær forsiktig når du håndterer filteret for å unngå å skade eller deformere det.
-
Installer filteret forsiktig.
-
Monter tilgangsdekslet til filteret på varmeboksenheten med tilsvarende monteringsdeler.
Rengjøre varmeapparatet
Important: Ikke la varmeboksen eller varmekomponentene bli våte.

























