Wartung
Warten des Heizluftfilters
| Wartungsintervall | Wartungsmaßnahmen |
|---|---|
| Alle 250 Betriebsstunden |
|
Note: Der Heizluftfilter ist so ausgelegt, dass die Kabinenluft sauber bleibt.
-
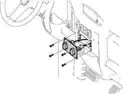
Entfernen Sie die Filterabdeckplatte vom Heizkasten (Bild 25).

-
Entfernen Sie den Filter vorsichtig aus dem Heizkasten.
Note: Versuchen Sie nicht, den Filter zu reinigen.
-
Prüfen Sie den neuen Filter auf Beschädigungen, indem Sie in den Filter schauen, während Sie eine helle Lampe auf die Außenseite des Filters richten.
Note: Löcher im Filter erscheinen als helle Punkte. Untersuchen Sie den Einsatz auf Risse, einen öligen Film und Schäden an der Gummidichtung. Verwenden Sie einen beschädigten Filter nicht.
Note: Lassen Sie beim Umgang mit dem Filter Vorsicht walten, um ihn nicht zu beschädigen oder zu verformen.
-
Setzen Sie den Filter vorsichtig ein.
-
Montieren Sie die Filterabdeckung mit dem entsprechenden Befestigungsmaterial an dem Heizkasten.
Reinigung der Heizung
Important: Der Heizkasten und die Heizkomponenten dürfen nicht nass werden.

























