Kunnossapito
Lämmittimen ilmansuodattimen huolto
| Huoltoväli | Huoltotoimenpide |
|---|---|
| 250 käyttötunnin välein |
|
Note: Lämmittimen ilmansuodatin on suunniteltu pitämään ohjaamon ilma puhtaana.
-
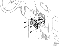
Irrota suodattimen kansi lämmitinkotelon kokoonpanosta (Kuva 25).

-
Irrota suodatin varovasti lämmitinkotelon kokoonpanosta.
Note: Älä yritä puhdistaa suodatinta.
-
Tarkista uuden suodattimen eheys katsomalla sen läpi kirkasta valoa vasten.
Note: Suodattimessa olevat reiät näkyvät kirkkaina pisteinä. Tarkista, ettei panos ole repeytynyt, ettei siinä ole öljykalvoa tai ettei kumitiiviste ole vaurioitunut. Jos suodatin on vaurioitunut, älä käytä sitä.
Note: Käsittele suodatinta varovasti, jotta se ei vaurioidu tai muuta muotoaan.
-
Asenna suodatin varovasti.
-
Asenna suodattimen kansi lämmitinkotelon kokoonpanoon vastaavalla kiinnittimellä.
Lämmittimen puhdistus
Important: Varmista, että lämmitinkotelo ja lämmittimen osat eivät kastu.

























