Vedlikehold
Vedlikeholde HVAC-luftfilteret
| Vedlikeholdsintervall | Vedlikeholdsprosedyre |
|---|---|
| Hver 250. driftstime |
|
Note: HVAC-luftfilteret er designet for å holde luften i førerhuset ren.
-
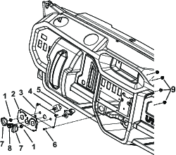
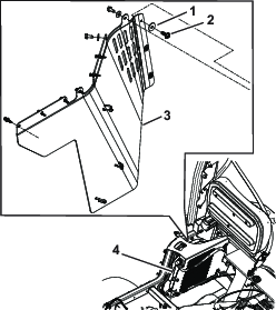
Fjern luftinntaksdekselet fra HVAC-boksenheten (Figur 52).

-
Fjern filteret forsiktig fra HVAC-boksenheten.
Note: Ikke rengjør selve filteret.
-
Inspiser det nye filteret for skader ved å se inn i filteret mens du lyser med en lykt på utsiden av filteret.
Note: Hull i filteret vises som lyse flekker. Undersøk om elementet har skader, et oljet belegg eller om gummitetningen er skadet. Ikke bruk filteret hvis det er skadet.
Note: Vær forsiktig når du håndterer filteret for å unngå å skade eller deformere det.
-
Installer filteret forsiktig.
-
Monter luftinntaksdekselet på HVAC-boksenheten med tilsvarende maskinvare.
Rengjøre HVAC-boksen
Important: Ikke la HVAC-boksen eller komponentene bli våte.




















































