Important: Monteer de sets met voorruit voordat u deze set monteert.

Veiligheid

Veiligheid van het koelsysteem

  • Motorkoelvloeistof inslikken kan vergiftiging veroorzaken; buiten bereik van kinderen en huisdieren houden.

  • Als u hete, onder druk staande koelvloeistof over u heen krijgt of in aanraking komt met een hete radiateur of omliggende delen, kunt u ernstige brandwonden oplopen.

    • Laat de motor minstens 15 minuten afkoelen voordat u de radiateurdop verwijdert.

    • Gebruik een doek als u de radiateurdop verwijdert en draai de dop langzaam open om de stoom te laten ontsnappen.

  • Gebruik de machine nooit zonder dat de kappen zijn geplaatst.

  • Houd uw vingers, handen en kleding uit de buurt van draaiende ventilatoren en drijfriemen.

  • Zet de motor af en verwijder het sleuteltje voordat u onderhoudswerkzaamheden uitvoert.

Veiligheids- en instructiestickers

Graphic

Veiligheidsstickers en veiligheidsinstructies zijn gemakkelijk zichtbaar voor de bestuurder en bevinden zich bij plaatsen waar gevaar kan ontstaan. Vervang alle beschadigde of ontbrekende stickers.

decal145-2219

Installatie

De machine gebruiksklaar maken

  1. Parkeer de machine op een horizontaal oppervlak.

  2. Zet de transmissiehendel in de stand P (PARKEREN).

  3. Zet de motor af en haal het sleuteltje uit het contact.

  4. Wacht tot de motor volledig afgekoeld is.

    g364252
  5. Koppel de minkabel (-) los van de accupool.

    g365494
  6. Til de motorkap op; raadpleeg de Gebruikershandleiding van de machine.

  7. Laat ongeveer 2 liter koelvloeistof weglopen uit het koelsysteem (of wacht totdat er geen koelvloeistof meer uit de rubberen slangen stroomt); zie de Gebruikershandleiding.

    Note: Bewaar de koelvloeistof voor hergebruik nadat u de set monteert.

Het HVAC-bedieningspaneel monteren

Benodigde onderdelen voor deze stap:

HVAC-bedieningspaneel1
Draaischakelaar1
Lineaire draaischakelaar1
Tuimelschakelaar voor airconditioning1
Schakelaarmoer (7/16 ")2
Knop2
Bolkopbout (⅝ ")4
Borgmoer (nr. 10-24)4
Bedieningskabel1
Kabelboom1
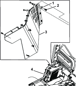
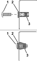
  1. Verwijder op het dashboard de 4 schakelaarpluggen en snijd het materiaal tussen de uitsparingen weg (Figuur 3).

    g398819

    Waarschuwing

    Een boor gebruiken zonder oogbescherming kan ertoe leiden dat vuil in het oog belandt, wat letsel veroorzaakt.

    Draag altijd oogbescherming wanneer u boort.

  2. Vind de 2 voorboorkuiltjes (Figuur 4) en boor 2 voorboringen (5 mm) rechtstreeks in de voorboorkuiltjes.

    g398820
  3. Gebruik het HVAC-bedieningspaneel als sjabloon en boor de andere 2 openingen die zich aan de rechterkant bevinden.

  4. Monteer de 2 schakelaars met knoppen op het bedieningspaneel met de 2 schakelaarmoeren (7/16 inch) zoals getoond in Figuur 5 enFiguur 6.

  5. Monteer de tuimelschakelaar voor de airconditioning in het paneel (Figuur 5 en Figuur 6).

  6. Monteer een knop op elke schakelaar (Figuur 5 en Figuur 6).

    g431722
    g418766
  7. Zet de bedieningsknoppen in de middelste stand zoals getoond in Figuur 7.

    g430156
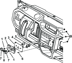
  8. Zorg ervoor dat de verwarmingsschakelaar in de middelste stand staat en sluit een uiteinde van de bedieningskabel aan op de achterkant van de verwarmingsschakelaar (Figuur 8).

    g409582
  9. Zorg ervoor dat de waterkraan in de middelste stand staat en sluit deze aan op het andere uiteinde van de bedieningskabel (Figuur 9).

    g460374
  10. Zorg ervoor dat de verwarmingsschakelaar van lage warmte naar hoge warmte kan schakelen en dat de verwarmingskraan volledig opent en sluit. Stel indien nodig de kabel af.

  11. Voor de tuimelschakelaar voor de airconditioning: sluit het platte contact met de zwarte draad aan op de goudkleurige schakelaaraansluiting met de aanduiding 3.

    Note: Raadpleeg de nummers die zijn gedrukt op de tuimelschakelaar voor de airconditioning voor de juiste aansluitingen (Figuur 10).

  12. Sluit het platte contact met de witte draad aan op de schakelaaraansluiting met de aanduiding nummer 2.

  13. Sluit het platte contact met de rode draad aan op de schakelaaraansluiting met nummer 1 (Figuur 10).

  14. Sluit de 5-pinsconnector aan op de kabelboom van de set aan de achterkant van de zijde van de luchtstroomschakelaar (Figuur 10).

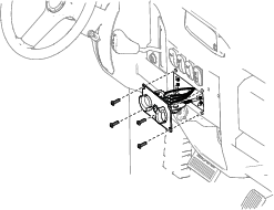
  15. Leid de bedieningskabel, de waterkraan en kabelboom door het dashboard en bevestig het bedieningspaneel op het dashboard met 4 bolkopbouten (⅝") en 4 borgmoeren (nr. 10-24); zie Figuur 11. Draai de bouten vast met een torsie van 3 N·m.

    g419184
    g419185
  16. Sluit de HVAC-kabelboom aan op de kabelboom van het voertuig (Figuur 12 enFiguur 18).

    g418763
  17. Leid de kabelboom naar beneden langs de rechterframebalk. Hou de kabelboom aan de binnenkant van het kanaal (Figuur 13).

    g419314

Gaten maken voor de ventilatieopeningen

  1. Zoek de 4 voorboorkuiltjes aan de bovenkant van het dashboard (Figuur 14) en boor 4 openingen (76 mm of 3") direct boven de voorboorkuiltjes.

    Note: Gebruik een gatenzaag van 76 mm (3") om de ventilatieopeningen uit te boren.

    g398901
  2. Zoek de 2 voorboorkuiltjes op de vloer (Figuur 15) en boor 2 openingen (76 mm of 3") direct boven de voorboorkuiltjes.

  3. Verwijder de braam van de openingen.

    g398912

De lange slangen leiden

Benodigde onderdelen voor deze stap:

Zuigslang1
Lange afvoerslang1

Note: Leid de lange afvoerslang en zuigslang voordat u de HVAC-kast monteert. Hierdoor hebt u meer ruimte om de slangen te leiden.

  1. Leid de zuigslang van de voorkant van de machine naar de achterkant, in de buurt van de compressor (Figuur 16 en Figuur 17).

    g443239
  2. Leid de afvoerslang van de voorkant van de machine naar de achterkant, in de buurt van de condensor (Figuur 17 en Figuur 18).

    g460889
    g443114

De HVAC-installatiekast monteren

Benodigde onderdelen voor deze stap:

HVAC-installatiekast1
Luchtinlaatkap1
HVAC-montagebeugel1
Flensadapter2
Schuimrubber afdichting1
Slotbout (¼ x ¾")6
Borgmoer (¼")6
Koelvloeistofslang (⅝ x 13")1
Koelvloeistofslang (⅝ x 26")1
Ontluchtingsslang (55 mm x 68,6 cm)4
Ontluchtingsslang (55 mm x 45,7 cm)2
Slangklem2
Grote kabelbinder 6
Ontluchtingsgat (niet verstelbaar)2
Ontluchtingsgat (verstelbaar)4
Zelftappende schroef (1,46 x 13 mm)4
Bolkopschroef (M5 x 22 mm)4
  1. Sluit de 4 ontluchtingsslangen (55 mm x 68,6 cm) aan op de verstelbare ventilatieopeningen en de 2 ontluchtingsslangen (55 mm x 45,7 cm) aan op de niet-verstelbare ventilatieopeningen. Maak hierbij gebruik van 6 grote kabelbinders zoals getoond in en Figuur 24.

    Note: Zorg ervoor dat de ventilatieopeningen zo gericht staan dat ze in de richting van de bestuurder blazen aan de bestuurderszijde en in de richting van de passagier aan de passagierszijde.

  2. Leid de slangen en monteer de 4 verstelbare ventilatieopeningen in de 4 bovenste openingen; zie Figuur 23 en Figuur 24.

  3. Leid de slangen en monteer de 2 niet-verstelbare ventilatieopeningen in de onderste 2 openingen; zie Figuur 23 en Figuur 24.

  4. Bevestig de HVAC-installatiekast aan de HVAC-montagebeugel met 6 slotbouten (¼ x ¾") en 6 borgmoeren (¼"); zie Figuur 19. Draai de bouten vast met een torsie van 11 N·m.

    g443116
  5. Verwijder de bestaande kap over het luchtfilter en de 4 bouten aan de kant van de HVAC-installatiekast. Gooi de kap en de bouten weg (Figuur 20).

    g419204
  6. Plaats de schuimrubber afdichting op de luchtinlaatkap door te beginnen bij de hoek aangegeven in Figuur 21.

    Note: Hou de schuimrubber afdichting strak bij het omwikkelen van de hoeken om het kreuken te verminderen.

  7. Snij het overtollige schuim weg wanneer u klaar bent met het plaatsen van de schuimrubber afdichting.

  8. Plaats de flensadapters in de luchtinlaatkap (Figuur 21 en Figuur 23).

    g419186
  9. Monteer de luchtinlaatkap op de HVAC-kast met 4 bolkopschroeven (M5 x 22 mm); zie Figuur 22 en Figuur 23.

    Note: Om te voorkomen dat de rubberen zwelmoeren in de HVAC-kast worden gedrukt, moet u de schroeven met de hand aandraaien (Figuur 22).

    g443133
  10. Monteer de luchtinlaatkap op de HVAC-kast met 4 zelftappende schroeven (1,46 x 13 mm); zie Figuur 23.

    Note: Draai de zelftappende schroeven met de hand aan om te voorkomen dat de schroefdraad in het plastic wordt beschadigd.

    g418768
    g419205
  11. Sluit de 2 koelvloeistofslangen aan op de voorkant van de HVAC-kast met 2 slangklemmen zoals getoond in Figuur 25.

    g460446

De HVAC-kast en slangen plaatsen

Benodigde onderdelen voor deze stap:

Zeskantbout (5/16 x ¾")2
Slotbout (¼" x ¾")2
Borgmoer (¼")2
Grote kabelbinder 6
Torx®-schroef (#10 x ⅜")4
Relais (280 12 V 50/30 A)2
Slang3
Slangklem2
Waterkraan1
Korte afvoerslang1
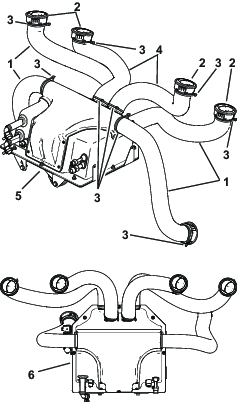
  1. Sluit de 4 ontluchtingsslangen (55 mm x 68,6 cm) aan op de HVAC-kast en de 2 ontluchtingsslangen (55 mm x 45,7 cm) aan op de luchtinlaatkap. Maak hierbij gebruik van 6 grote kabelbinders zoals getoond in Figuur 23 en Figuur 24.

  2. Bevestig de voorkant van de HVAC-installatiekast aan het frame van de machine met 2 zeskantbouten (5/16 x ¾"). Draai de bouten vast met een torsie van 22,6 N·m; zie Figuur 26.

    g419206

    Important: Blijf uit de buurt van het schakelmechanisme en de stuurkolom bij het monteren van de slangen.

  3. Bevestig de achterkant van de HVAC-installatiekast aan beugels op de machine met 2 slotbouten (¼ x ¾") en 2 borgmoeren (¼"); zie Figuur 27.

    g427099
  4. Monteer het relais aan de kabelboom en de HVAC-kast (Figuur 12).

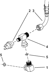
  5. Koppel de aanwezige koelvloeistofslang los van de zijkant van de koeltank (Figuur 28) en kort de slang met 23 cm in. Bewaar de slangklem.

    g409844
  6. Sluit de 2 koelvloeistofslangen die eerder op de verwarmingsinstallatiekast waren gemonteerd aan op hun juiste poorten op de waterkraan met 2 slangklemmen (Figuur 30).

    Note: Als er een BOSS sneeuwruimer op de machine is gemonteerd, leidt u de onderste slang van het verwarmingsblok (Figuur 29) rond de solenoïde van de sneeuwruimer.

  7. Sluit de eerder ingekorte thermostaatomlooplang aan op de waterkraan met een slangklem (Figuur 29 en Figuur 30).

  8. Sluit de resterende slang aan op de waterkraan met een slangklem, en sluit het andere uiteinde van de slang aan op de grote poort op het bovenste reservoir met een slangklem (Figuur 29 en Figuur 30).

    g460521
    g460707
  9. Leid de zuigslang en de afvoerslang naar de HVAC-kast (Figuur 31).

    g460886

De compressor plaatsen voor een benzinemotor

Benodigde onderdelen voor deze stap:

Compressor1
Riem1
Spanpoelie2
Borgmoer (⅜")5
Schakelaar met dubbele functie1
T-fitting (# 8, ¼")1
90°-elleboogfitting (O-ring pilot, -8)1
O-ring (-08)2
90°-elleboogfitting (O-ring pilot, -10)2
O-ring (-10)2
Flensbout (⅜" x 3¼")2
Riemaandrijving1
Flensbout (⅜" x 1¼")3
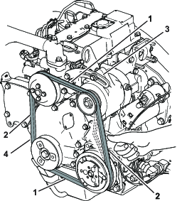
  1. Maak de bovenste stelbout van de wisselstroomdynamo los en verwijder de riem.

  2. Monteer de spanpoelies en de spaninrichting van de riem met 2 bouten (⅜" x 3¼") en 2 borgmoeren (⅜); zie Figuur 32 en Figuur 35. Draai de bouten vast met een torsie van 40,7 N·m.

    g443225
  3. Monteer de compressor aan de motorbevestiging met de ringconnector voor de aarding van de kabelboom, 3 flensbouten (⅜" x 1¼") en 3 borgmoeren (⅜"); zie Figuur 35. Draai de bouten vast met een torsie van 40,7 N·m.

  4. Monteer de fittings van de compressor met de hand op de compressor; zie Figuur 33 en Figuur 34.

    Note: Zorg ervoor dat de O-ringen goed op de fittingen zitten, zodat ze niet worden platgedrukt of doorgesneden wanneer u de fittingen plaatst.

  5. Plaats de fittings en markeer hun locaties (Figuur 33 en Figuur 34).

  6. Verwijder de fittings, plaats de fittings en maak hierbij gebruik van de markeringen, en draai de fittings vast.

  7. Monteer de fittings van de compressor op de compressor en draai ze vast (Figuur 33 en Figuur 34).

  8. Monteer de fittings, O-ringen en ellebogen aan de compressor zoals getoond in Figuur 34.

    g443238
    g443226
    g418769
    g419210
  9. Plaats de riem op de compressor, spanpoelies, motor en wisselstroomdynamo (Figuur 35 en Figuur 37).

    g419209

    Note: Stel de wisselstroomdynamo af om spanning op de riem te zetten.

  10. Stel de wisselstroomdynamo bij tot de riem is aangespannen. U kunt een rolkoevoet gebruiken om bij deze stap te helpen.

  11. Draai de bovenste stelbout van de wisselstroomdynamo vast.

  12. Meet de riemdoorbuiging door 98 N kracht of 8 tot 10 mm doorbuiging uit te oefenen op de riem tussen de ventilatorpoelie en de poelie van de wisselstroomdynamo (Figuur 38).

  13. Als de spanning van de riem niet juist is, moet u de stappen voor het aanspannen van de riem herhalen.

    g423269

De compressor plaatsen voor een dieselmotor

Benodigde onderdelen voor deze stap:

Compressor1
Riem1
Flensbout (⅜" x 1¼")3
Borgmoer (⅜")2
Schakelaar met dubbele functie1
O-ring (-08)1
T-fitting (# 8, ¼")1
90°-elleboogfitting (O-ring pilot, -10)2
O-ring (-10)2
  1. Maak de bovenste stelbout van de wisselstroomdynamo los en verwijder de riem.

  2. Monteer de fittings, O-ringen en ellebogen aan de compressor zoals getoond in Figuur 39.

    Note: Zorg ervoor dat de O-ringen goed op de fittingen zitten, zodat ze niet worden platgedrukt of doorgesneden bij het plaatsen van de fittingen.

  3. Bevestig de slangen van de compressor aan de fittingen zoals op Figuur 39.

  4. Monteer de compressor aan de motorbevestiging met de ringconnector voor de aarding van de kabelboom, 3 flensbouten (⅜" x 1¼") en 2 borgmoeren (⅜"); zie Figuur 39 en Figuur 40. Draai de bouten vast met een torsie van 40,7 N·m.

  5. Plaats de riem op de compressor, spanpoelies, motor en wisselstroomdynamo (Figuur 39).

    Note: Stel de wisselstroomdynamo af om spanning op de riem te zetten.

    g419364
    g419365

    Note: Stel de wisselstroomdynamo af om spanning op de riem te zetten.

  6. Stel de wisselstroomdynamo bij tot de riem is aangespannen. U kunt een rolkoevoet gebruiken om bij deze stap te helpen.

  7. Draai de bovenste stelbout van wisselstroomdynamo vast.

  8. Gebruik uw vinger of een liniaal om de riemdoorbuiging te meten door een kracht van 98 N uit te oefenen tussen de poelies zoals aangegeven in Figuur 41.

  9. Als de spanning van de riem niet juist is, moet u de stappen voor het aanspannen van de riem herhalen.

    g423268

De condensor en het zijpaneel monteren

Benodigde onderdelen voor deze stap:

Condensor1
Condensorbeugel1
Zijpaneel1
Flensmoer (5/16")3
R-klem 2
Bout (5/16" x 1¼")3
180°-fitting1
O-ring (-06)1
90°-elleboogfitting (O-ring pilot, -08)1
O-ring (-08)1
Platte ring (5/16")2
Zelftappende schroef (5/16" x ¾")2
Slotbout (¼" x ¾")1
Borgmoer (¼")1
  1. Verwijder het bestaande zijpaneel van de machine. Verwijder de bestaande druknagels van het bestaande zijpaneel voor gebruik in het nieuwe zijpaneel. Bewaar de bevestigingsmiddelen.

  2. Monteer de 90°-elleboogfitting (O-ring pilot, -8) en O-ring (08) aan de bovenkant van de condensor (Figuur 42).

  3. Monteer de 180°-elleboogfitting en O-ring (06) aan de zijkant van de condensor (Figuur 42).

  4. Schuif de R-klemmen over de slangen van de condensor (Figuur 42).

  5. Monteer de condensor aan de condensorbeugel met een bout (5/16" x 1¼") en een flensmoer (5/16"); zie (Figuur 42). Draai de bouten vast met een torsie van 22,6 N·m.

  6. Monteer de condensorslang die van de HVAC-kast (onderste slang) naar de condensor loopt. Maak hierbij gebruik van de R-klem, een bout (5/16" x 1¼") en een flensmoer (5/16"); zie Figuur 42.

    g419211
  7. Leid de kabelboom naar de condensor en monteer de connector op de condensor.

    g419229
  8. Begin van de achterkant en monteer het nieuwe zijpaneel aan het machineframe met de eerder verwijderde druknagels (Figuur 44).

    Note: Gebruik 2 zelftappende schroeven (5/16" x ¾") voor de laatste 2 gaten in het zijpaneel.

  9. Monteer de condensorbeugel en het nieuwe zijpaneel aan het machineframe met 2 zelftappende schroeven (5/16" x ¾") en 2 platte ringen (5/16"); zie Figuur 44 en Figuur 49.

  10. Monteer de condensorslang die van de compressor (bovenste slang) naar de condensor loopt. Maak hierbij gebruik van de R-klem, een bout (5/16" x 1¼") en een flensmoer (5/16"); zie Figuur 42.

    g419248
  11. Monteer van onder de machine de eerder verwijderde plastic schroeven aan het nieuwe paneel en zijpaneel met de brandstoftank (Figuur 45 en Figuur 47). Draai de plastic schroeven vast met een torsie van 2,25 N·m.

    g419272
  12. Voor machines met dieselmotoren moet u de onderste borgmoer van de brandstofpomp losdraaien zoals getoond in Figuur 48.

    Note: Voor machines met dieselmotoren: verwijder de bout niet. Maak de borgmoer enkel los.

  13. Voor machines met benzinemotoren: monteer de slotbout (¼" x ¾") en een borgmoer (¼") aan de machine, maak hierbij gebruik van de uitsparing voor de slotbout (Figuur 46).

    Note: Draai de slotbout en moer niet aan.

    g419212
  14. Schuif de condensorbeugel tussen de borgmoer (¼") en het onderste machineframe (Figuur 47 en Figuur 48).

  15. Draai de slotbout (¼" x ¾") en een borgmoer (¼") vast; zie (Figuur 47 en Figuur 48).

    g419224
    g424030
    g418773

De kabelboom en de slangaansluitingen controleren

Controleer en zorg ervoor dat de slangaansluitingen goed vastzitten.

Bevestig de kabelboom en slangen uit de buurt van bewegende onderdelen en hete oppervlakken met kabelbinders (Figuur 12, Figuur 13 en Figuur 50).

g443240

De accu aansluiten

Sluit de minkabel (-) aan op de accu.

g365493

Het koelsysteem ontluchten

Waarschuwing

Als de motor heeft gelopen, kan de hete koelvloeistof, die onder druk staat, ontsnappen indien de radiateurdop wordt verwijderd. Dit kan brandwonden veroorzaken.

  • Verwijder de radiateurdop nooit als de motor loopt.

  • Gebruik een doek als u de radiateurdop verwijdert en draai de dop langzaam open om de stoom te laten ontsnappen.

Type koelvloeistof: 50% ethyleen-glycol met organische additieventechnologie (OAT, organic additive technology) 50% destilleerwater

  1. Verwijder de dop van het reservoir van het koelsysteem.

  2. Vul het reservoir van het koelsysteem tot de koelvloeistof de onderste lijn in het reservoir bereikt.

  3. Draai de knop voor de temperatuurregeling naar de hoogste stand.

  4. Start de motor en laat deze lopen tot de koelventilator afslaat.

    Wanneer de machine op bedrijfstemperatuur is, moet het koelvloeistofpeil in het reservoir op de bovenste lijn staan.

  5. Voeg indien nodig koelvloeistof bij om de lucht te vervangen die uit het koelsysteem is verwijderd.

  6. Plaats de dop van het reservoir van het koelsysteem terug.

Het HVAC-systeem opladen

Volume HVAC-systeem: 414 ml

Koelmiddeltype: R134a

  1. Zorg ervoor dat alle onderdelen van de airconditioning van de machine geïnstalleerd en veilig zijn.

  2. Laat een gecertificeerde airconditioning onderhoudstechnicus het aircosysteem volledig leegmaken, het systeem op de juiste wijze bijvullen met R314a-koelmiddel en vervolgens het systeem op lekkage testen.

Gebruiksaanwijzing

De ventilator bedienen

De ventilator heeft 4 snelheden (UIT, LAAG, MIDDEL en HOOG). Draai aan de ventilatorregelingsknop om de snelheid van de ventilator te regelen.

Draai aan de knop van de temperatuurregeling om de temperatuur in de cabine te regelen.

Draai de airconditioningschakelaar op AAN om de cabine te koelen.

Onderhoud

Onderhoud van het HVAC-luchtfilter

OnderhoudsintervalOnderhoudsprocedure
Om de 250 bedrijfsuren
  • Vervang het HVAC-luchtfilter (dit moet vaker gebeuren in stoffige of vuile omstandigheden).
  • Note: Het HVAC-luchtfilter is ontworpen om de lucht in de cabine schoon te houden.

    1. Verwijder de luchtinlaatkap van de HVAC-installatiekast (Figuur 52).

      g419375
    2. Verwijder het filter voorzichtig uit de HVAC-installatiekast.

      Note: Probeer het filter niet te reinigen.

    3. Inspecteer het nieuwe filter op beschadiging door een felle lichtbron op de buitenkant van het filter te richten en er doorheen te kijken.

      Note: Gaten in het filter zien eruit als lichte vlekken. Controleer het filter op scheuren, een vettig oppervlak of beschadiging van de rubberen afdichting. Als het filter beschadigd is, mag u het niet gebruiken.

      Note: Wees voorzichtig bij het hanteren van het filter om te voorkomen dat het beschadigd of vervormd raakt.

    4. Monteer het filter voorzichtig.

    5. Monteer de luchtinlaatkap op de HVAC-kast met het bijbehorende bevestigingsmateriaal.

    De HVAC-kast reinigen

    Important: De HVAC-kast of onderdelen van de kast mogen niet nat worden.