Important: Перед установкой этого комплекта установите комплекты ветрового стекла.

Техника безопасности

Правила техники безопасности при работе с системой охлаждения

  • Проглатывание охлаждающей жидкости двигателя может вызвать отравление. Храните ее в месте, недоступном для детей и домашних животных.

  • Выброс под давлением горячей охлаждающей жидкости или прикосновение к горячему радиатору и расположенным рядом деталям могут привести к тяжелым ожогам.

    • Прежде чем снимать крышку радиатора, подождите не менее 15 минут, чтобы двигатель остыл.

    • При открывании крышки радиатора используйте ветошь; открывайте крышку медленно, чтобы выпустить пар.

  • Не эксплуатируйте машину без установленных на штатные места крышек.

  • Следите за тем, чтобы пальцы и кисти рук, а также одежда не оказались вблизи вращающегося вентилятора и приводного ремня.

  • Перед выполнением технического обслуживания выключите двигатель и извлеките ключ.

Наклейки с правилами техники безопасности и инструкциями

Graphic

Предупреждающие наклейки и инструкции по технике безопасности должны быть хорошо видны оператору и установлены во всех местах потенциальной опасности. При отсутствии или повреждении наклейки следует установить новую наклейку.

decal145-2219

Монтаж

Подготовка машины

  1. Установите машину на ровной поверхности.

  2. Переведите рычаг коробки передач в положение P (Стоянка).

  3. Выключите двигатель и извлеките ключ из замка зажигания.

  4. Подождите, пока двигатель полностью остынет.

    g364252
  5. Отсоедините отрицательный (-) кабель от полюсного штыря аккумулятора.

    g365494
  6. Поднимите капот; см. Руководство оператора для машины.

  7. Слейте примерно 2 л охлаждающей жидкости двигателя (или подождите, пока охлаждающая жидкость не перестанет вытекать из резиновых шлангов) из системы охлаждения; см. Руководство оператора.

    Note: После установки комплекта сохраните охлаждающую жидкость для последующего использования.

Установка панели управления ОВК

Детали, требуемые для этой процедуры:

Панель управления ОВК1
Поворотный переключатель1
Поворотный линейный переключатель1
Кулисный переключатель кондиционера1
Гайка переключателя (7/16 дюйма)2
Ручка2
Болт со сферической головкой (5/8 дюйма)4
Контргайка (№ 10-24)4
Кабель управления1
Жгут проводов1
  1. На приборной панели снимите 4 заглушки переключателя и вырежьте прорези для переключателя. (Рисунок 3).

    g398819

    Предупреждение

    Использование дрели при отсутствии надлежащей защиты глаз может привести к попаданию мусора в глаза и стать причиной травмы.

    При сверлении всегда используйте средства защиты глаз.

  2. Наметьте 2 направляющих лунки для сверления (Рисунок 4) и просверлите 2 установочных отверстия (5 мм) непосредственно над направляющими лунками.

    g398820
  3. Используя панель управления ОВК в качестве шаблона, просверлите 2 отверстия, расположенные на правой стороне.

  4. Установите 2 переключателя с ручками на панель управления с 2 гайками для переключателя (7/16 дюйма), как показано на Рисунок 5 и Рисунок 6.

  5. Установите кулисный переключатель кондиционера на панель (Рисунок 5 и Рисунок 6).

  6. Установите ручку на каждом переключателе (Рисунок 5 и Рисунок 6).

    g431722
    g418766
  7. Переведите ручки управления в среднее положение, как показано на Рисунок 7.

    g430156
  8. Убедитесь, что переключатель обогревателя находится в среднем положении, и подсоедините один конец троса управления к задней части переключателя обогревателя (Рисунок 8).

    g409582
  9. Убедитесь в том, что водяной клапан находится в среднем положении и подсоедините его к другому концу кабеля управления (Рисунок 9).

    g460374
  10. Убедитесь в том, что переключатель нагревателя может переключаться из позиции слабого обогрева до позиции сильного обогрева и что водяной клапан полностью открывается и закрывается. При необходимости отрегулируйте трос.

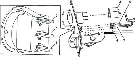
  11. В кулисном переключателе кондиционера подсоедините контактную пластину с черным проводом к контактному выводу переключателя золотистого цвета под номером 3.

    Note: Для правильного выбора контактных выводов см. номера, нанесенные на выводы кулисного переключателя кондиционера (Рисунок 10).

  12. Подсоедините контактную пластину с белым проводом к контактному выводу переключателя под номером 2.

  13. Подсоедините контактную пластину с красным проводом к контактному выводу переключателя под номером 1 (Рисунок 10).

  14. Подсоедините 5-контактный разъем к жгуту проводов из комплекта в задней части переключателя воздушного потока (Рисунок 10).

  15. Проложите трос управления, водяной вентиль и жгут проводов через приборную доску и закрепите панель управления в сборе на приборной панели с помощью 4 болтов со сферической головкой (5/8 дюйма) и 4 контргаек (№ 10-24); см. Рисунок 11. Затяните болты с усилием 3 Н∙м.

    g419184
    g419185
  16. Подсоедините жгут проводов системы ОВК к жгуту проводов автомобиля (Рисунок 12 и Рисунок 18).

    g418763
  17. Проложите жгут проводов вниз по каналу правой рамы. Удерживайте жгут проводов на внутренней стороне канала (Рисунок 13).

    g419314

Прорезание вентиляционных отверстий

  1. Сделайте 4 направляющих лунки на верхней стороне приборной панели (Рисунок 14) и просверлите 4 отверстия (76 мм) непосредственно над направляющими лунками.

    Note: Для сверления вентиляционных отверстий используйте 76-мм сверлильную коронку.

    g398901
  2. Сделайте 2 направляющих лунки в панели пола (Рисунок 15) и просверлите 2 отверстия (76 мм) непосредственно над направляющими лунками.

  3. Удалите заусеницы с отверстий.

    g398912

Прокладка длинных шлангов

Детали, требуемые для этой процедуры:

Всасывающий шланг1
Длинный выпускной шланг1

Note: Перед установкой блока ОВК проложите длинный выпускной шланг и всасывающий шланг. Наличие свободного места облегчит прокладку шлангов.

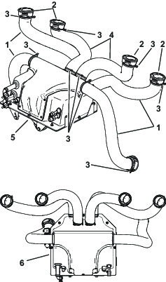
  1. Проложите всасывающий шланг от передней части машины к задней вблизи зоны компрессора (Рисунок 16 и Рисунок 17).

    g443239
  2. Проложите выпускной шланг от передней части машины к задней вблизи зоны конденсатора (Рисунок 17 и Рисунок 18).

    g460889
    g443114

Сборка узла блока ОВК

Детали, требуемые для этой процедуры:

Блок ОВК в сборе1
Крышка воздухозаборника1
Монтажный кронштейн узла ОВК1
Фланцевый переходник2
Уплотнитель из пеноматериала1
Каретный болт (¼ x ¾ дюйма)6
Контргайка (¼ дюйма)6
Шланг охлаждающей жидкости (⅝ x 13 дюймов)1
Шланг охлаждающей жидкости (⅝ x 26 дюймов)1
Вентиляционный шланг (55 мм x 68,6 см)4
Вентиляционный шланг (55 мм x 45,7 см)2
Ленточный хомут2
Крупноразмерная кабельная стяжка 6
Вентиляционная решетка (не регулируемая)2
Вентиляционная решетка (регулируемая)4
Самонарезающий винт (1,46 x 13 мм)4
Винт с полукруглой головкой (M5 x 22 мм)4
  1. Подсоедините 4 вентиляционных шланга (55 мм x 68,6 см) к регулируемым дефлекторам воздуховодов и 2 вентиляционных шланга (55 мм x 45,7 см) к нерегулируемым дефлекторам воздуховодов, используя 6 больших кабельных стяжек, как показано на Рисунок 24.

    Note: Ориентируйте дефлекторы воздуховодов таким образом, чтобы воздух направлялся на оператора на стороне оператора машины и на пассажира на стороне пассажира.

  2. Проложите шланги и установите четыре регулируемых дефлектора воздуховодов в четыре верхних отверстия; см. Рисунок 23 и Рисунок 24.

  3. Проложите шланги и установите два нерегулируемых дефлектора воздуховодов в два нижних отверстия; см. Рисунок 23 и Рисунок 24.

  4. Прикрепите блок ОВК в сборе к монтажному кронштейну ОВК с помощью 6 каретных болтов (¼ x ¾ дюйма) и 6 контргаек (¼ дюйма); см. Рисунок 19. Затяните болты с усилием 11 Н∙м.

    g443116
  5. Снимите имеющуюся крышку воздушного фильтра и 4 болта на стороне узла ОВК. Удалите в отходы крышку и болты (Рисунок 20).

    g419204
  6. Установите уплотнитель из пеноматериала на крышку воздухозаборника, начиная с угла, указанного на Рисунок 21.

    Note: Для предотвращения образования складок при оборачивании пеноматериала вокруг углов его следует натягивать.

  7. После завершения установки уплотнителя из пеноматериала излишки пеноматериала следует подрезать.

  8. Установите фланцевые переходники в крышке воздухозаборника (Рисунок 21 и Рисунок 23).

    g419186
  9. Установите крышку воздухозаборника на блоке ОВК с помощью 4 винтов с полукруглой головкой (M5 x 22 мм); см. Рисунок 22 и Рисунок 23.

    Note: Для предотвращения вдавливания резиновых гаек-заклепок в блок ОВК, закрутите винты вручную. (Рисунок 22).

    g443133
  10. Установите крышку воздухозаборника на блоке ОВК с помощью 4 самонарезающих винтов (1,46 x 13 мм); см. Рисунок 23.

    Note: Для предотвращения срыва резьбы на пластике затяните самонарезающие винты вручную.

    g418768
    g419205
  11. Подсоедините 2 шланга охлаждающей жидкости к передней части блока ОВК с помощью 2 ленточных хомутов, как это показано на Рисунок 25.

    g460446

Установка блока ОВК в сборе и шлангов

Детали, требуемые для этой процедуры:

Болт с шестигранной головкой (5/16 х 3/4 дюйма)2
Каретный болт (¼ x ¾ дюйма)2
Контргайка (¼ дюйма)2
Крупноразмерная кабельная стяжка 6
Винт Torx® (№ 10 x 3/8 дюйма)4
Реле (280 12В 50/30 А)2
Шланг3
Ленточный хомут2
Водяной клапан1
Короткий выпускной шланг1
  1. Подсоедините 4 вентиляционных шланга (55 мм x 68,6 см ) к блоку ОВК и 2 вентиляционных шланга (55 мм x 45,7 см) к крышке воздухозаборника с помощью 6 больших кабельных стяжек, как показано на Рисунок 23 и Рисунок 24.

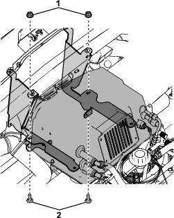
  2. Прикрепите переднюю часть блока ОВК в сборе к раме машины с помощью 2 болтов с шестигранной головкой (5/16 x ¾ дюйма). Затяните болты с усилием 22,6 Н∙м; см. Рисунок 26.

    g419206

    Important: При установке шлангов не затрагивайте механизм переключения передач или рулевую колонку.

  3. Прикрепите блок ОВК в сборе к кронштейнам приборной панели, расположенным на машине с помощью 2 каретных болтов (¼ x ¾ дюйма) и 2 контргаек (¼ дюйма); см. Рисунок 27.

    g427099
  4. Установите реле на жгут проводов и блок ОВК в сборе (Рисунок 12).

  5. Отсоедините имеющийся шланг охлаждающей жидкости от боковой стенки расширительного бачка (Рисунок 28) и укоротите шланг на 23 см. Сохраните ленточный хомут.

    g409844
  6. Подсоедините 2 шланга охлаждающей жидкости, ранее установленные на блок нагревателя, к соответствующим отверстиям водяного клапана с помощью 2 ленточных хомутов (Рисунок 30).

    Note: Если на машине установлен плужный снегоочиститель BOSS, проложите нижний шланг сердцечника нагревателя (Рисунок 29) вокруг соленоида плуга.

  7. Подсоедините ранее укороченный перепускной шланг термостата к водяному клапану с помощью ленточного хомута (Рисунок 29 и Рисунок 30).

  8. Подсоедините оставшийся шланг к водяному клапану с помощью ленточного хомута, затем подсоедините другой конец шланга к большому отверстию верхнего бачка с помощью ленточного хомута (Рисунок 29 и Рисунок 30).

    g460521
    g460707
  9. Подключите шланг линии всасывания и выпускной шланг к блоку ОВК (Рисунок 31).

    g460886

Установка компрессора для бензинового двигателя

Детали, требуемые для этой процедуры:

Компрессор1
Ремень1
Натяжной ролик2
Контргайка (⅜ дюйма)5
Двухфункциональный переключатель1
Тройник (№ 8, 1/4 дюйма)1
90° коленчатый патрубок (направляющее уплотнительное кольцо, -8)1
Уплотнительное кольцо (-08)2
90° коленчатый патрубок (направляющее уплотнительное кольцо, -10)2
Уплотнительное кольцо (-10)2
Фланцевый болт (3/8 x 3-1/4 дюйма)2
Натяжитель ремня в сборе1
Фланцевый болт (3/8 x 1-1/4 дюйма)3
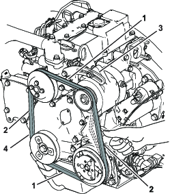
  1. Ослабьте верхний регулировочный болт генератора и снимите ремень.

  2. Установите натяжные ролики и натяжитель ремня в сборе с помощью 2 болтов (3/8 x 3-1/4 дюйма) и 2 контргаек (3/8 дюйма); см. Рисунок 32 и Рисунок 35. Затяните болты с усилием 40,7 Н∙м.

    g443225
  3. Установите компрессор на монтажную опору двигателя с использованием кольцевой заземляющей клеммы жгута проводов, 3 фланцевых болтов (3/8 x 1-1/4 дюйма) и 3 контргаек (3/8 дюйма); см. Рисунок 35. Затяните болты с усилием 40,7 Н∙м.

  4. Установите штуцеры компрессора на компрессор вручную; см.Рисунок 33 и Рисунок 34.

    Note: Убедитесь, что уплотнительные кольца правильно установлены на штуцерах, чтобы исключить возможность их сминания или разрезания при установке штуцеров.

  5. Разместите штуцеры и отметьте их расположение (Рисунок 33 и Рисунок 34).

  6. Снимите штуцеры, расположите штуцеры по меткам и затяните их.

  7. Установите штуцеры компрессора на компрессор и затяните их (Рисунок 33 и Рисунок 34).

  8. Установите штуцеры, уплотнительные кольца и коленчатые патрубки на компрессоре, как показано на Рисунок 34.

    g443238
    g443226
    g418769
    g419210
  9. Установите ремень на компрессор, натяжные ролики, двигатель и генератор (рис. Рисунок 35 и Рисунок 37).

    g419209

    Note: Отрегулируйте генератор, чтобы увеличить натяжение ремня.

  10. Регулируйте генератор до натяжения ремня. На этом этапе можно воспользоваться рычагом.

  11. Затяните верхний регулировочный болт генератора.

  12. Измерьте провисание ремня, приложив силу 98 Н или продавив ремень на 8--10 мм между шкивами вентилятора и генератора (Рисунок 38).

  13. В случае неправильного натяжения ремня, повторите операции по натяжению ремня.

    g423269

Установка компрессора для дизельного двигателя

Детали, требуемые для этой процедуры:

Компрессор1
Ремень1
Фланцевый болт (3/8 x 1-1/4 дюйма)3
Контргайка (⅜ дюйма)2
Двухфункциональный переключатель1
Уплотнительное кольцо (-08)1
Тройник (№ 8, 1/4 дюйма)1
90° коленчатый патрубок (направляющее уплотнительное кольцо, -10)2
Уплотнительное кольцо (-10)2
  1. Ослабьте верхний регулировочный болт генератора и снимите ремень.

  2. Установите штуцеры, уплотнительные кольца и коленчатые патрубки на компрессоре, как показано на Рисунок 39.

    Note: Убедитесь, что уплотнительные кольца правильно установлены на штуцерах, чтобы исключить возможность их сминания или разрезания при установке штуцеров.

  3. Установите шланги компрессора на штуцеры, как показано на Рисунок 39.

  4. Установите компрессор на монтажную опору двигателя с использованием кольцевой заземляющей клеммы жгута проводов, 3 фланцевых болтов (3/8 x 1-1/4 дюйма) и 2 контргаек (3/8 дюйма); см. Рисунок 39 и Рисунок 40. Затяните болты с усилием 40,7 Н∙м.

  5. Установите ремень на компрессор, натяжные ролики, двигатель и генератор (Рисунок 39).

    Note: Отрегулируйте генератор, чтобы увеличить натяжение ремня.

    g419364
    g419365

    Note: Отрегулируйте генератор, чтобы увеличить натяжение ремня.

  6. Регулируйте генератор до натяжения ремня. На этом этапе можно воспользоваться рычагом.

  7. Затяните верхний регулировочный болт генератора.

  8. Пальцем или линейкой замерьте провисание ремня при приложении силы 98 Н к ремню между роликами, как это показано на рис. Рисунок 41.

  9. В случае неправильного натяжения ремня, повторите операции по натяжению ремня.

    g423268

Установка конденсатора и боковой панели

Детали, требуемые для этой процедуры:

Конденсатор1
Кронштейн конденсатора1
Боковая панель1
Фланцевая гайка (5/16 дюйма)3
R-образный хомут2
Болт (5/16 x 1¼ дюйма)3
180° штуцер1
Уплотнительное кольцо (-06)1
90° коленчатый патрубок (направляющее уплотнительное кольцо, -08)1
Уплотнительное кольцо (-08)1
Плоская шайба (5/16 дюйма)2
Самонарезающие винты (5/16 x 3/4 дюйма)2
Каретный болт (¼ x ¾ дюйма)1
Контргайка (¼ дюйма)1
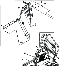
  1. Снимите имеющуюся боковую панель с машины. Снимите имеющиеся вставные крепежные детали с боковой панели для использования в новой боковой панели. Сохраните крепежные детали.

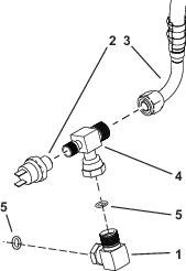
  2. Установите 90° коленчатый патрубок (направляющее уплотнительное кольцо, -8) и уплотнительное кольцо (08) на верхней части конденсатора (Рисунок 42).

  3. Установите 180градусный штуцер и уплотнительное кольцо (06) на стороне конденсатора (Рисунок 42).

  4. Надвиньте R-образный хомут на шланги конденсатора (Рисунок 42).

  5. Установите конденсатор на кронштейн конденсатора с помощью болта (5/16 x 1-1/4 дюйма) и фланцевой гайки (5/16 дюйма); см. (Рисунок 42). Затяните болты с усилием 22,6 Н∙м.

  6. Подсоедините шланг конденсатора, идущий к блоку ОВК (нижний шланг), к конденсатору с помощью R-образного хомута, болта (5/16 x 1-1/4 дюйма) и фланцевой гайки (5/16 дюйма); см. Рисунок 42.

    g419211
  7. Проложите жгут проводов к конденсатору и установите разъем на конденсаторе.

    g419229
  8. Начиная с задней части, установите новую боковую панель на раму машины с помощью ранее снятых вставных разъемов (Рисунок 44).

    Note: В последних 2 отверстиях боковой панели используйте 2 самонарезающих винта (5/16 x 3/4 дюйма).

  9. Установите кронштейн конденсатора и новую боковую панель на раму машины с помощью 2 самонарезающих винтов (5/16 x 3/4 дюйма) и 2 плоских шайб (5/16 дюйма); см. Рисунок 44 и Рисунок 49.

  10. Подсоедините шланг конденсатора от компрессора (верхний шланг) к конденсатору с помощью R-образного хомута, болта (5/16 x 1-1/4 дюйма) и фланцевой гайки (5/16 дюйма); см. Рисунок 42.

    g419248
  11. Начиная с нижней части машины, установите ранее снятые пластмассовые винты на новой панели и боковой панели бензинового бака (Рисунок 45 и Рисунок 47). Затяните пластмассовые винты с усилием 2,25 Н∙м.

    g419272
  12. На машинах с дизельным двигателем ослабьте нижнюю контргайку топливного насоса, как показано на Рисунок 48.

    Note: В машинах с дизельным двигателем этот болт снимать не нужно. Ослабьте только контргайку.

  13. Для машин с бензиновым двигателем установите каретный болт (1/4 x 3/4 дюйма) и контргайку (1/4 дюйма) в машину, используя вырез для каретного болта.(Рисунок 46).

    Note: Не затягивайте каретный болт и гайку.

    g419212
  14. Продвиньте кронштейн конденсатора между контргайкой (1/4 дюйма) и нижней рамой машины (Рисунок 47 и Рисунок 48).

  15. Затяните каретный болт (1/4 x 3/4 дюйма) и контргайку (1/4 дюйма); см.(Рисунок 47 и Рисунок 48).

    g419224
    g424030
    g418773

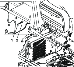
Проверка жгута проводов и соединений шлангов

Проверьте и убедитесь в том, что соединения шлангов надежно затянуты.

С помощью кабельных стяжек закрепите жгут проводов и шланги на безопасном расстоянии от движущихся частей и любых горячих поверхностей (Рисунок 12, Рисунок 13 и Рисунок 50).

g443240

Подсоединение аккумулятора

Подсоедините отрицательный (-) кабель аккумулятора к полюсному штырю аккумулятора.

g365493

Сброс давления в системе охлаждения

Предупреждение

При работающем двигателе может произойти выброс горячей охлаждающей жидкости, находящейся под давлением, и возникнуть опасность ожога.

  • Запрещается открывать крышку радиатора на работающем двигателе.

  • При открывании крышки радиатора используйте ветошь; открывайте крышку медленно, чтобы не допустить выброса пара.

Тип охлаждающей жидкости: 50% этиленгликоля с добавками органических соединений (OAT) и 50% дистиллированной воды.

  1. Снимите крышку с бачка системы охлаждения

  2. Заполните бачок системы охлаждения охлаждающей жидкостью до нижней линии в бачке.

  3. Поверните ручку управления температурой до положения полного обогрева.

  4. Запустите двигатель и оставьте его работающим при вращающемся вентиляторе охлаждающей жидкости.

    При достижении машиной рабочей температуры уровень охлаждающей жидкости в бачке должен соответствовать верхней линии.

  5. При необходимости долейте охлаждающую жидкость для компенсации объема воздуха, выпущенного из системы охлаждения.

  6. Установите крышку бачка системы охлаждения.

Заполнение системы ОВК

Объем системы ОВК: 414 мл

Тип холодильного агента: R134a

  1. Убедитесь, что все части кондиционера в машине установлены и надежно закреплены.

  2. Сертифицированный техник по обслуживанию кондиционера должен полностью откачать системы кондиционера, должным образом заполнить систему охлаждающим агентом R134a и затем проверить систему на наличие утечек.

Эксплуатация

Управление вентилятором

У вентилятора есть 4 состояния (Выкл, Низкая скорость, Средняя скорость и Высокая скорость). Поворачивайте ручку управления вентилятора для регулировки скорости вентилятора.

Для регулировки температуры воздуха в кабине поворачивайте ручку регулятора температуры.

Для охлаждения кабины установите переключатель кондиционера в положение ВКЛ.

Техническое обслуживание

Обслуживание воздушного фильтра системы ОВК

Периодичность технического обслуживанияПорядок технического обслуживания
Через каждые 250 часов
  • Замените воздушный фильтр системы ОВК (при эксплуатации в условиях сильной запыленности и загрязненности требуется более частая замена).
  • Note: Воздушный фильтр системы ОВК предназначен для поддержания воздуха в кабине в чистом состоянии.

    1. Снимите крышку воздухозаборника с блока ОВК в сборе (Рисунок 52).

      g419375
    2. Осторожно снимите фильтр с блока ОВК в сборе.

      Note: Не пытайтесь очистить фильтр.

    3. Осмотрите новый фильтр на наличие повреждений; для этого следует осмотреть фильтр внутри, осветив его снаружи яркой лампой.

      Note: Отверстия в фильтре будут выглядеть как яркие точки. Осмотрите элемент на наличие разрывов, масляной пленки или повреждений на резиновом уплотнении. Если фильтр поврежден, не используйте его.

      Note: При работе с фильтром проявляйте осторожность во избежание его повреждения или деформации.

    4. Осторожно установите фильтр.

    5. Установите крышку воздухозаборника на блок ОВК в сборе с помощью соответствующего крепежа.

    Очистка блока ОВК

    Important: Не допускается попадание влаги в блок ОВК и его части.