Important: Monter forrudesættene, før du monterer dette sæt.

Sikkerhed

Kølesystem – Sikkerhed

  • Indtagelse af motorkølevæske kan forårsage forgiftning. Opbevares utilgængeligt for børn og kæledyr.

  • Udslip af varm kølervæske under tryk eller berøring af den varme køler og de omgivende dele kan forårsage alvorlige forbrændinger.

    • Lad altid motoren køle af i mindst 15 minutter, før kølerdækslet tages af.

    • Brug en klud, når kølerdækslet åbnes, og åbn det langsomt, så damp kan slippe ud.

  • Betjen ikke maskinen, medmindre dækslerne er monteret.

  • Hold fingre, hænder og tøj væk fra den roterende ventilator og drivremmen.

  • Sluk for motoren, og tag nøglen ud, før der foretages vedligeholdelsesarbejde.

Sikkerheds- og instruktionsmærkater

Graphic

Sikkerheds- og instruktionsmærkaterne kan nemt ses af operatøren og er placeret tæt på potentielle risikoområder. Udskift eventuelle beskadigede eller manglende mærkater.

decal145-2219

Montering

Klargøring af maskinen

  1. Parker maskinen på en plan flade.

  2. Flyt gearstangen til positionen P (PARK) (parker).

  3. Sluk motoren, og tag nøglen ud.

  4. Vent, til motoren er kølet helt af.

    g364252
  5. Tag batteriets minuskabel (-) af batteripolen.

    g365494
  6. Løft motorhjelmen. Se maskinens betjeningsvejledning.

  7. Tøm ca. 2 l kølervæske (eller indtil kølervæsken ikke løber ud af gummislangerne) fra kølesystemet. Se betjeningsvejledningen.

    Note: Behold kølevæsken til genbrug, når du har installeret sættet.

Montering af HVAC-kontrolpanelet

Dele, der skal bruges til dette trin:

HVAC-kontrolpanel1
Drejeafbryder1
Dreje-/lineær afbryder1
A/C-vippekontakt1
Kontaktmøtrik (7/16")2
Skrue2
Rundhovedet bolt (⅝")4
Låsemøtrik (nr. 10-24)4
Styrekabel1
Ledningsnet1
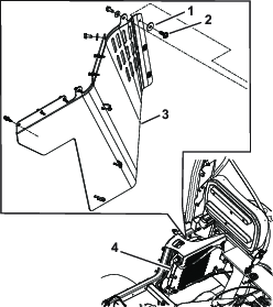
  1. Fjern de 4 kontaktpropper på instrumentpanelet, og skær materialet ud mellem kontaktudskæringerne (Figur 3).

    g398819

    Advarsel

    Hvis der bores uden at bruge beskyttelsesbriller, kan materiale trænge ind i øjnene og forårsage personskade.

    Bær altid beskyttelsesbriller, når der bores.

  2. Find de 2 borepilotfordybninger (Figur 4), og bor 2 pilothuller (5 mm eller 3/16") direkte over pilotfordybningerne.

    g398820
  3. Brug HVAC-kontrolpanelet som skabelon, og bor de øvrige 2 huller i højre side.

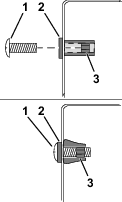
  4. Monter de 2 kontakter med knapper på kontrolpanelet med 2 kontaktmøtrikker (7/16") som vist i Figur 5 og Figur 6.

  5. Monter A/C-vippekontakten i panelet (Figur 5 og Figur 6).

  6. Monter en knap over hver kontakt (Figur 5 og Figur 6).

    g431722
    g418766
  7. Flyt reguleringsgrebene til midterpositionen som vist i Figur 7.

    g430156
  8. Sørg for, at varmeapparatets kontakt er i midterpositionen, og slut den ene ende af styrekablet til bagsiden af varmeapparatets kontakt (Figur 8).

    g409582
  9. Sørg for, at vandventilen er i midterpositionen, og slut den til den anden ende af styrekablet (Figur 9).

    g460374
  10. Sørg for, at varmeapparatets kontakt kan bevæges fra lav varme til høj varme, og at vandventilen åbner og lukker helt. Juster kablet om nødvendigt.

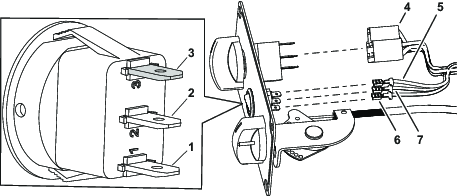
  11. Når A/C-vippekontakten skal efterses, skal spadeterminalen med sort ledning sættes på den guldfarvede kontaktklemme og mærkes med nummer 3.

    Note: Se de tal, der er trykt på A/C-vippekontakten, for at få oplysninger om de korrekte terminaler (Figur 10).

  12. Sæt spadeterminalen med hvid ledning på kontaktterminalen, der er mærket som nummer 2.

  13. Sæt spadeterminalen med den røde ledning på kontaktterminalen, der er mærket som nummer 1 (Figur 10).

  14. Sæt stikket med 5 poler på sættets ledningsnet i bagsiden af luftstrømskontakten (Figur 10).

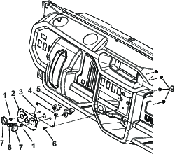
  15. Før styrekablet, vandventilen og ledningsnettet gennem instrumentpanelet, og fastgør kontrolpanelet på instrumentpanelet med 4 rundhovedede bolte (⅝") og 4 låsemøtrikker (nr. 10-24). Se Figur 11. Tilspænd boltene med et moment på 3 Nm (30 in-lb).

    g419184
    g419185
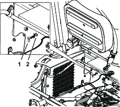
  16. Tilslut HVAC-ledningsnettet til køretøjets ledningsnet (Figur 12 og Figur 18).

    g418763
  17. Før ledningsnettet ned ad højre stelkanal. Hold ledningsnettet på kanalens indvendige side (Figur 13).

    g419314

Skærehuller til ventilationshullerne

  1. Find de 4 borepilotfordybninger øverst på instrumentpanelet (Figur 14), og bor 4 huller (76 mm eller 3") direkte over pilotfordybningerne.

    Note: Brug en hulsav på 76 mm (3") til at bore ventilationshullerne.

    g398901
  2. Find de 2 borepilotfordybninger på gulvpladen (Figur 15), og bor 2 huller (76 mm eller 3") direkte over pilotfordybningerne.

  3. Fjern graterne fra hullerne.

    g398912

Føring af de lange slanger

Dele, der skal bruges til dette trin:

Sugeslange1
Lang udblæsningsslange1

Note: Før den lange udblæsningsslange og sugeslangen inden montering af HVAC-boksen. Det giver mere plads til at føre slangerne.

  1. Før sugeslangen fra maskinens forside til bagsiden nær kompressorområdet (Figur 16 og Figur 17).

    g443239
  2. Før udblæsningslangen fra maskinens forside til bagsiden nær kondensatorområdet (Figur 17 og Figur 18).

    g460889
    g443114

Samling af HVAC-boksenheden

Dele, der skal bruges til dette trin:

HVAC-boksenhed1
Luftindtagsdæksel1
HVAC-monteringsbeslag1
Flangeadapter2
Skumforsegling1
Bræddebolt (1/4 x 3/4 tomme)6
Låsemøtrik (¼")6
Kølervæskeslange (⅝" x 13")1
Kølervæskeslange (⅝" x 26")1
Udluftningsslange (55 mm x 68,6 cm eller 27")4
Udluftningsslange (55 mm x 45,7 cm eller 18")2
Slangeklemme2
Stort kabelbånd 6
Udluftning (kan ikke justeres)2
Udluftning (kan justeres)4
Selvskærende skrue (1,46 x 13 mm)4
Rundhovedet unbrakoskrue (M5 x 22 mm)4
  1. Slut de 4 udluftningsslanger (55 mm x 68,6 cm) til de justerbare udluftningsåbninger og de 2 udluftningsslanger (55 mm x 45,7 cm) til de ikke-justerbare udluftningsåbninger med 6 store kabelbånd som vist i Figur 24.

    Note: Sørg for, at ventilationsåbningerne vender således, at luften blæses mod operatøren i førersiden af maskinen og mod passageren i passagersiden.

  2. Før slangerne, og monter de 4 justerbare ventilationsåbninger i de 4 øverste huller. Se Figur 23 og Figur 24.

  3. Før slangerne, og monter de 2 ikke-justerbare ventilationsåbninger i de 2 nederste huller. Se Figur 23 og Figur 24.

  4. Fastgør HVAC-boksenheden til HVAC-monteringsbeslaget med 6 bræddebolte (¼" x ¾") og 6 låsemøtrikker (¼"). Se Figur 19. Tilspænd boltene med et moment på 11 Nm (100 in-lb).

    g443116
  5. Fjern det nuværende dæksel over luftfilteret og de 4 bolte på siden af HVAC-enheden. Kassér dækslet og boltene (Figur 20).

    g419204
  6. Monter skumforseglingen på luftindtagsdækslet ved at starte ved det hjørne, der er angivet i Figur 21.

    Note: Hold skummet stramt, når du vikler det rundt om hjørnerne, så det ikke bliver ujævnt.

  7. Fjern skumrester, når du er færdig med at montere skummet.

  8. Monter flangeadapterne i luftindtagsdækslet (Figur 21 og Figur 23).

    g419186
  9. Monter luftindtagsdækslet på HVAC-boksen med 4 rundhovedede unbrakoskruer (M5 x 22 mm). Se Figur 22 og Figur 23.

    Note: Start med at skrue skruerne på ved håndkraft (Figur 22) for at forhindre, at gummiekspanderingsmøtrikkerne skubbes ind i HVAC-boksen.

    g443133
  10. Monter luftindtagsdækslet på HVAC-boksen med 4 selvskærende skrue (1,46 x 13 mm). Se Figur 23.

    Note: De selvskærende skruer skal håndspændes, så gevindene i plastikken ikke ødelægges.

    g418768
    g419205
  11. Slut de 2 kølervæskeslanger til forsiden af HVAC-boksen med 2 slangeklemmer som vist i Figur 25.

    g460446

Montering af HVAC-boksenheden og slangerne

Dele, der skal bruges til dette trin:

Sekskantbolt (5/16" x ¾")2
Bræddebolt (¼" x ¾")2
Låsemøtrik (¼")2
Stort kabelbånd 6
Torx®-skrue (#10 x ⅜")4
Relæ (280 12 V 50/30 A)2
Slange3
Slangeklemme2
Vandventil1
Kort udblæsningsslange1
  1. Slut de 4 udluftningsslanger (55 mm x 68,6 cm) til HVAC-boksen og de 2 udluftningsslanger (55 mm x 45,7 cm) til indtagsdækslet med 6 store kabelbånd som vist i Figur 23 og Figur 24.

  2. Fastgør forsiden af HVAC-boksenheden til maskinens stel med 2 sekskantbolte (5/16" x ¾"). Tilspænd boltene med et moment på 22,6 Nm. Se Figur 26.

    g419206

    Important: Rør ikke ved gearforbindelsen eller ratstammen, når slangerne monteres.

  3. Fastgør bagsiden af HVAC-boksenheden til instrumentbrætbeslagene på maskinen med 2 bræddebolte (¼" x ¾") og 2 låsemøtrikker (¼"). Se Figur 27.

    g427099
  4. Monter relæerne på ledningsnettet og HVAC-boksenheden (Figur 12).

  5. Frakobl den eksisterende kølervæskeslange fra siden af kølervæsketanken (Figur 28), og forkort slangen med 23 cm. Behold båndklemmen.

    g409844
  6. Tilslut de 2 kølervæskeslanger, der tidligere blev monteret på varmeapparatboksen, til de korrekte porte på vandventilen med 2 båndklemmer (Figur 30).

    Note: Hvis der monteres en BOSS-sneplov på maskinen, skal varmelegemets nederste slange (Figur 29) føres rundt om plovens solenoide.

  7. Tilslut den tidligere afkortede termostatomløbsslange til vandventilen med en båndklemme (Figur 29 og Figur 30).

  8. Tilslut den resterende slange til vandventilen med en båndklemme, og tilslut derefter den anden ende af slangen til den store port på den øvre beholder med en båndklemme (Figur 29 og Figur 30).

    g460521
    g460707
  9. Tilslut sugeslangen og udledningsslangen til HVAC-boksen )Figur 31).

    g460886

Montering af kompressoren til en gasdrevet motor

Dele, der skal bruges til dette trin:

Kompressor1
Rem1
Styreremskive2
Låsemøtrik (⅜")5
Kontakt med dobbeltfunktion1
T-fitting (nr. 8, ¼")1
90°-albuefitting (O-ringpilot, -8)1
O-ring (-08)2
90°-albuefitting (O-ringpilot, -10)2
O-ring (-10)2
Flangebolt (⅜ x 3¼")2
Remspændeenhed1
Flangebolt (⅜ x 1¼")3
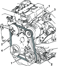
  1. Løsn den øverste generatorjusteringsbolt, og fjern remmen.

  2. Monter styreremsskiverne og remspændingsenheden med 2 bolte (⅜" x 3¼") og 2 låsemøtrikker (⅜"). Se Figur 32 og Figur 35. Tilspænd boltene med et moment på 40,7 Nm (360 in-lb).

    g443225
  3. Monter kompressoren på motorbeslaget med ledningsnettets jordringklemme, 3 flangebolte (⅜" x 1¼") og 3 låsemøtrikker (⅜"). Se Figur 35. Tilspænd boltene med et moment på 40,7 Nm (360 in-lb).

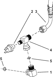
  4. Monter kompressorfittingsene på kompressoren ved håndkraft. Se Figur 33 og Figur 34.

    Note: Sørg for, at O-ringene sidder korrekt på beslagene, så de ikke knuses eller skæres, når du monterer fittingsene.

  5. Placer fittingsene, og afmærk deres placeringer (Figur 33 og Figur 34).

  6. Fjern fittingsene, placer fittingsene ved hjælp af mærkerne, og tilspænd fittingsene.

  7. Monter kompressorfittingsene på kompressoren, og spænd (Figur 33 og Figur 34).

  8. Monter fittings, O-ringe og knærør på kompressoren som vist i Figur 34.

    g443238
    g443226
    g418769
    g419210
  9. Monter remmen på kompressoren, styreremskiverne, motoren og generatoren (Figur 35 og Figur 37).

    g419209

    Note: Juster generatoren for at tilføje spænding på remmen.

  10. Juster generatoren, indtil remmen er spændt. Du kan bruge et koben som hjælp i dette trin.

  11. Stram den øverste generatorjusteringsbolt.

  12. Mål remafbøjningen ved at bøje remmen med en kraft på 98 N (22 lbf) eller 8 til 10 mm (5/16 til ⅜") mellem ventilator- og generator-remskiven (Figur 38).

  13. Hvis remspændingen ikke er korrekt, skal du gentage disse trin for at spænde remmen.

    g423269

Montering af kompressoren til en dieseldrevet motor

Dele, der skal bruges til dette trin:

Kompressor1
Rem1
Flangebolt (⅜ x 1¼")3
Låsemøtrik (⅜")2
Kontakt med dobbeltfunktion1
O-ring (-08)1
T-fitting (nr. 8, ¼")1
90°-albuefitting (O-ringpilot, -10)2
O-ring (-10)2
  1. Løsn den øverste generatorjusteringsbolt, og fjern remmen.

  2. Monter fittings, O-ringe og albuer på kompressoren som vist i Figur 39.

    Note: Sørg for, at O-ringene sidder korrekt på beslagene, så de ikke knuses eller skæres, når fittings monteres.

  3. Monter kompressorslangerne på fittingsene som vist i Figur 39.

  4. Monter kompressoren på motorbeslaget med ledningsnettets jordringklemme, 3 flangebolte (⅜" x 1¼") og 2 låsemøtrikker (⅜"). Se Figur 39 og Figur 40. Tilspænd boltene med et moment på 40,7 Nm (360 in-lb).

  5. Monter remmen på kompressoren, styreremskiverne, motoren og generatoren (Figur 39).

    Note: Juster generatoren for at tilføje spænding på remmen.

    g419364
    g419365

    Note: Juster generatoren for at tilføje spænding på remmen.

  6. Juster generatoren, indtil remmen er spændt. Du kan bruge et koben som hjælp i dette trin.

  7. Stram den øverste generatorjusteringsbolt.

  8. Brug en finger eller lineal til at måle bælteafvigelsen ved at påvirke bæltet med en kraft på 98 N mellem remskiverne som vist i Figur 41.

  9. Hvis remspændingen ikke er korrekt, skal du gentage disse trin for at spænde remmen.

    g423268

Montering af kondensatoren og sidepanelet

Dele, der skal bruges til dette trin:

Kondensator1
Kondensatorbeslag1
Sidepanel1
Flangemøtrik (5/16")3
R-klemme2
Bolt (5/16" x 1¼")3
180° fitting1
O-ring (-06)1
90°-albuefitting (O-ringpilot, -08)1
O-ring (-08)1
Underlagsskive (5/16")2
Selvskærende skrue (5/16 x ¾")2
Bræddebolt (¼" x ¾")1
Låsemøtrik (¼")1
  1. Fjern det nuværende sidepanel fra maskinen. Fjern de nuværende ledningsholdere fra det eksisterende sidepanel til brug i det nye sidepanel. Gem fastgørelsesanordningerne.

  2. Monter 90°-albuefittingen (O-ringpilot, -8) og O-ringen (08) øverst på kondensatoren (Figur 42).

  3. Monter 180°-beslaget og O-ringen (06) på siden af kondensatoren (Figur 42).

  4. Skub R-klemmerne over kondensatorslangerne (Figur 42).

  5. Monter kondensatoren på kondensatorbeslaget med en bolt (5/16" x 1¼") og en flangemøtrik (5/16"). Se (Figur 42). Tilspænd boltene med et moment på 22,6 Nm (200 in-lb).

  6. Monter kondensatorslangen, der går til HVAC-boksen (bundslangen), på kondensatoren ved hjælp af R-klemmen, en bolt (5/16" x 11/4") og en flangemøtrik (5/16"). Se Figur 42.

    g419211
  7. Før ledningsnet til kondensatoren, og monter stikket på kondensatoren.

    g419229
  8. Begynd fra bagsiden, og monter det nye sidepanel på maskinstellet med de tidligere fjernede fastgørelsesstik (Figur 44).

    Note: De sidste 2 huller i sidepanelet bruger de 2 selvskærende skruer (5/16" x ¾").

  9. Monter kondensatorbeslaget og det nye sidepanel på maskinens stel med 2 selvskærende skruer (5/16" x ¾"), 2 underlagsskiver (5/16"). Se Figur 44 og Figur 49.

  10. Monter kondensatorslangen, der går fra kompressoren (øverste slange), på kondensatoren ved hjælp af R-klemmen, en bolt (5/16" x 11/4") og en flangemøtrik (5/16"). Se Figur 42.

    g419248
  11. Monter de tidligere fjernede plastskruer under maskinen på det nye panel og gastankens sidepanel (Figur 45 og Figur 47). Tilspænd plastskruerne med et moment på 2,25 Nm.

    g419272
  12. Ved eftersyn af dieseldrevne maskiner skal du løsne den nederste brændstofpumpe-låsemøtrik som vist i Figur 48.

    Note: På dieseldrevne maskiner må bolten ikke fjernes. Løsn kun låsemøtrikken.

  13. På gasdrevne maskiner skal du montere bræddebolten (¼" x ¾") og en låsemøtrik (¼") på maskinen ved hjælp af udskæringen til bræddebolten (Figur 46).

    Note: Bræddebolten og møtrikken må ikke spændes.

    g419212
  14. Skub kondensatorbeslaget mellem låsemøtrikken (¼") og den nederste maskinstel (Figur 47 og Figur 48).

  15. Spænd bræddebolten (¼" x ¾") og en låsemøtrik (¼"). Se (Figur 47 og Figur 48).

    g419224
    g424030
    g418773

Kontrol af ledningsnet- og slangetilslutninger

Kontrollér og sørg for, at slangetilslutningerne er stramme.

Fastgør ledningsnettet og slangerne væk fra bevægelige komponenter og eventuelle varme overflader med kabelbånd (Figur 12, Figur 13 og Figur 50).

g443240

Tilslutning af batteriet

Slut batteriets minuskabel (-) til batteripolen.

g365493

Udluftning af kølesystemet

Advarsel

Hvis motoren har kørt, kan varm kølevæske under tryk slippe ud og forårsage forbrændinger.

  • Tag ikke kølerdækslet af, når motoren kører.

  • Brug en klud, når kølerdækslet åbnes, og åbn dækslet langsomt, så damp kan slippe ud.

Kølervæsketype: 50 % ethylenglycol med organisk additiv teknologi (OAT) 50 % destilleret vand

  1. Fjern dækslet fra kølesystembeholderen.

  2. Fyld kølesystembeholderen, indtil kølervæsken når den nederste linje i beholderen.

  3. Drej temperaturreguleringsgrebet til fuld varme.

  4. Start og kør motoren, indtil ventilatoren køler.

    Når maskinen har driftstemperatur, skal kølervæskestanden i beholderen være ved den øvre linje.

  5. Tilføj kølervæske efter behov for at udskifte luft, der er blevet lukket ud af kølesystemet.

  6. Monter dækslet til kølesystembeholderen.

Opladning af HVAC-systemet

HVAC-systemvolumen: 414 ml

Kølemiddeltype: R134a

  1. Sørg for, at alle delene til maskinens airconditionanlæg er installeret og sikre.

  2. Få en certificeret airconditionanlæg-tekniker til at tømme airconditionanlægget helt, genopfyld systemet korrekt med R134a-kølemiddel, og test, om systemet er utæt.

Betjening

Betjening af ventilatoren

Ventilatoren har 4 hastigheder (FRA, LAV, MEDIUM og HøJ). Drej på ventilatorreguleringsgrebet for at regulere ventilatorhastigheden.

Drej på temperaturreguleringsgrebet for at regulere lufttemperaturen i førerhuset.

Slå airconditionanlægskontakten TIL for køling af kabinen.

Vedligeholdelse

Eftersyn af HVAC-luftfilteret

VedligeholdelsesintervallerVedligeholdelsesprocedure
For hver 250 timer
  • Udskift HVAC-luftfilteret (hyppigere under støvede eller snavsede forhold).
  • Note: HVAC-luftfilteret er designet til at holde kabineluften ren.

    1. Fjern luftindtagsdækslet fra HVAC-boksenheden (Figur 52).

      g419375
    2. Fjern forsigtigt filteret fra HVAC-boksenheden.

      Note: Forsøg ikke at rengøre filteret.

    3. Efterse det nye filter for skader ved at kigge ind i filteret, mens du lyser med skarpt lys på filterets udvendige side.

      Note: Huller i filteret ses som lyse pletter. Undersøg indsatsen for revner, oliefilm eller beskadigelse af gummipakningen. Hvis filteret er beskadiget, må det ikke bruges.

      Note: Undgå at beskadige eller deformere filteret, når du håndterer det.

    4. Monter forsigtigt filteret.

    5. Monter luftindtagsdækslet på HVAC-boksenheden med de tilsvarende beslag.

    Rengøring af HVAC-boksen

    Important: HVAC-boksen eller komponenterne må ikke være våde.