Údržba
Doporučený harmonogram údržby
| Servisní interval | Postup při údržbě |
|---|---|
| Po každých 250 hodinách provozu |
|
Čištění
Výstraha
Jestliže ponecháte klíč v klíčovém spínači, může motor kdokoli spustit a způsobit vám nebo přihlížejícím osobám vážné zranění.
Před prováděním jakékoli údržby vypněte motor a vyjměte klíč.
Čištění kabiny
Important: V oblasti těsnění a světel kabiny si počínejte velmi opatrně (Obrázek 58). Pokud používáte tlakovou myčku, tyč myčky udržujte od stroje ve vzdálenosti alespoň 0,6 m. Tlakovou myčkou nemyjte přímo těsnění kabiny a světla nebo spodní část zadního převislého konce.

Čištění vzduchových filtrů kabiny
| Servisní interval | Postup při údržbě |
|---|---|
| Po každých 250 hodinách provozu |
|
-
Demontujte šrouby a mřížky ze vzduchového filtru v kabině i vzduchového filtru v zadní části kabiny (Obrázek 59 a Obrázek 60).


-
Vyčistěte filtry tak, že je vyfoukáte čistým stlačeným vzduchem bez obsahu oleje.
Important: Je-li některý z filtrů děravý, roztržený nebo jinak poškozený, vyměňte jej.
-
Pomocí křídlových šroubů namontujte filtry a mřížku.
Čištění předřadného filtru kabiny
Účelem předřadného filtru kabiny je zabránit vniknutí velkých nečistot, jako je tráva a listí, do kabinových filtrů.
-
Otočte kryt mřížky dolů.
-
Vyčistěte filtr vodou.
Note: Nepoužívejte tlakovou myčku.
Important: Je-li filtr děravý, roztržený nebo jinak poškozený, vyměňte jej.
-
Před instalací do stroje nechejte předřadný filtr uschnout.
-
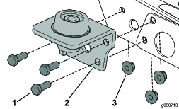
Otáčejte mřížkou filtru po výstupcích, dokud se neuzamkne západka v montážním celku západkového úchytu (Obrázek 61).

Čištění sestavy klimatizace
| Servisní interval | Postup při údržbě |
|---|---|
| Po každých 250 hodinách provozu |
|
-
Vypněte motor a vyjměte klíč ze zapalování.
-
Odpojte vodič každého ventilátoru (Obrázek 62).

-
Demontujte 2 knoflíky a vyjměte sestavu ventilátoru (Obrázek 62).
-
Otevřete 4 západky na sestavě klimatizace a vyjměte mřížku (Obrázek 63).

-
Demontujte vzduchové filtry (Obrázek 60).
-
Vyčistěte sestavu klimatizace.
-
Namontujte vzduchové filtry, mřížku a sestavu ventilátoru (Obrázek 60, Obrázek 63 a Obrázek 62).
-
Připojte vodič každého ventilátoru (Obrázek 62).































































