Монтаж

Important: Установите комплект жгута проводов вспомогательного оборудования (№ по каталогу Toro 139-1186, продается отдельно) перед установкой данного комплекта.

Подготовка машины

Note: Определите левую и правую стороны машины относительно места оператора.

  1. Припаркуйте тяговый блок на ровной горизонтальной поверхности.

  2. Отсоедините вспомогательную гидравлику.

  3. Опустите все установленное навесное оборудование; см. Руководство оператора для вашей машины.

  4. Включите стояночный тормоз тягового блока.

  5. Выключите двигатель тягового блока и извлеките ключ.

  6. Подождите, пока тяговый блок остынет.

  7. Отсоедините аккумулятор тягового блока; см. Руководство оператора для вашей машины.

Установка устройства гидравлического поворота

Детали, требуемые для этой процедуры:

Коллектор в сборе1
Болт (⅜ x 1 дюйм)3
Стопорная шайба3
Плоская шайба3
Шланговый хомут1
Болт (5/16 x 1½ дюйма)1
Длинный шланг1
Короткий шланг1
Гидроцилиндр в сборе1
Шкворень2
Стопорное кольцо4
Большая шайба4
Жгут проводов с 14-штыревым разъемом1
Y-образный переходник1

Important: Все снятые компоненты можно удалить в отходы, если не указано иное.

Предупреждение

При попадании жидкости под кожу следует немедленно обратиться за медицинской помощью. Если жидкость оказалась впрыснута под кожу, необходимо, чтобы врач удалил ее хирургическим путем в течение нескольких часов.

  • Перед подачей давления в гидравлическую систему необходимо проверить исправность всех гидравлических шлангов и трубопроводов, а также плотность затяжки всех гидравлических соединений и штуцеров.

  • Запрещено приближаться к местам точечных утечек или штуцерам, из которых под высоким давлением выбрасывается гидравлическая жидкость.

  • Для обнаружения гидравлических утечек следует использовать картон или бумагу.

  • Перед выполнением любых работ на гидравлической системе необходимо полностью сбросить давление в гидравлической системе безопасным способом.

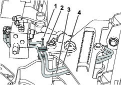
  1. Отметьте каждый шланг как левый или правый (если смотреть с места оператора).

  2. Удалите болт и гайку, которые крепят шланговый хомут к креплению шланга (Рисунок 1).

  3. Отсоедините шланги гидромотора механизированных грабель от шлангов навесного оборудования на угловом штуцере (Рисунок 1).

    g270391
  4. Присоедините коллектор в сборе к креплению шланга с помощью 3 болтов (⅜ x 1 дюйм), стопорных шайб и плоских шайб (Рисунок 2).

    Note: Присоедините коллектор таким образом, чтобы угловые штуцеры были направлены в сторону передней части грабель.

    g270540
  5. Затяните болты крепления коллектора с моментом от 37 до 45 Н∙м.

  6. Подсоедините шланги навесного оборудования непосредственно к прямым штуцерам в задней части коллектора в сборе (Рисунок 3).

    Important: Установите соединения шлангов таким образом, чтобы они были надежно подсоединены, но не затягивайте никакие соединения Завершение установки.

  7. Снимите угловые штуцеры со шлангов механизированных грабель и подсоедините концы шлангов к угловым штуцерам в верхней части коллектора в сборе (Рисунок 3).

    Important: Не перекручивайте и не перекрещивайте шланги. Сохраните ориентацию шлангов на клапане такой же, какой она была при фиксации шлангов хомутом.

    g284900
  8. Подсоедините длинный и короткий шланги к коллектору, затем проложите шланги под коллектором и установите шланговый хомут, как показано на Рисунок 4 и Рисунок 6.

    g270507
  9. Извлеките штифт фиксации угла поворота и шплинт с кольцом, которые не позволяют механизированным граблям поворачиваться (Рисунок 5).

    g285356
  10. Выровняйте гидроцилиндр в сборе, как показано на Рисунок 6.

    Note: Возможно, вам потребуется повернуть механизированные грабли вручную для выравнивания по длине гидроцилиндра.

  11. Установите шкворень с каждой стороны гидроцилиндра с помощью 2 больших шайб и стопорных колец на каждом конце шкворня (Рисунок 6).

    g285333
  12. Используйте органы управления вспомогательной гидравликой для регулировки угла поворота механизированных грабель.

  13. Подсоедините жгут проводов с 14-штыревым разъемом (короткий жгут проводов) к жгуту проводов вспомогательного оборудования (продается отдельно) в месте крепления соединителя (Рисунок 7).

    g284377
  14. Подсоедините открытый разъем Y-образного переходника (длинного жгута проводов) к жгуту проводов с 14-штыревым разъемом.

  15. Проложите 2 свободных разъема Y-образного переходника к открытым разъемам с левой стороны коллектора и подсоедините их (Рисунок 8).

    Note: Закрепите жгут проводов при помощи кабельных стяжек по мере необходимости.

    g284443

Завершение установки

  1. Затяните соединения более длинного шланга в верхней и задней части коллектора с моментом от 115 до 127 Н∙м.

    Note: При затяжке шлангового соединения на штуцере всегда используйте 2 ключа: 1 ключ установите на плоские грани шланга, чтобы предотвратить его перекручивание, а второй ключ – на гайку шланга для крепления шланга к штуцеру.

  2. Затяните соединения более короткого шланга в передней части коллектора с моментом от 24 до 27 Н∙м.

  3. Заправьте масленки гидроцилиндра консистентной смазкой; см. раздел Смазывание устройства гидравлического поворота.

  4. Подсоедините аккумулятор тягового блока; см. Руководство оператора для вашего тягового блока.

  5. Запустите тяговый блок и проверьте работу устройства гидравлического поворота.

    Important: Чтобы гидроцилиндр работал, гидравлический поток должен поступать в навесное оборудование. Когда гидравлический поток включен, управляйте гидравлическим цилиндром, используя функцию вторичного навесного оборудования на джойстике.

    Note: Если устройство гидравлического поворота работает неправильно, убедитесь, что шланги подсоединены к соответствующим отверстиям.

  6. Если была разлита гидравлическая жидкость, проверьте, что гидравлическая жидкость в тяговом блоке была залита до правильного уровня; см. Руководство оператора для вашего тягового блока.

  7. Используйте органы управления вспомогательной гидравликой для регулировки угла поворота механизированных грабель.

Техническое обслуживание

Смазывание устройства гидравлического поворота

Периодичность технического обслуживанияПорядок технического обслуживания
Перед каждым использованием или ежедневно
  • (а также сразу после каждой мойки)
  • Тип смазки: консистентная смазка общего назначения.

    1. Припаркуйте тяговый блок на ровной горизонтальной поверхности, включите стояночный тормоз и опустите стрелы погрузчика.

    2. Выключите двигатель тягового блока и извлеките ключ.

    3. Очистите пресс-масленки, используя для этого ветошь.

    4. Подсоединяйте смазочный шприц к пресс-масленкам шкворней шарниров гидравлического поворота (Рисунок 9).

      g272055
    5. Нагнетайте смазку в пресс-масленки до тех пор, пока смазка не начнет выходить из подшипников.

    6. Удалите излишки смазки.