| Onderhoudsinterval | Onderhoudsprocedure |
|---|---|
| Bij elk gebruik of dagelijks |
|
Deze machine is een zitmaaier met messenkooi bedoeld voor gebruik door professionele bestuurders in commerciële toepassingen. De machine is voornamelijk ontworpen voor het maaien van gras van goed onderhouden gazons in parken, golfbanen en sportvelden. De machine is niet ontworpen voor het maaien van lage struiken, het maaien van gras en andere begroeiing langs de snelweg, of voor gebruik in de landbouw.
Lees deze informatie zorgvuldig door, zodat u weet hoe u de machine op de juiste wijze moet gebruiken en onderhouden en om schade aan de machine en letsel te voorkomen. U bent verantwoordelijk voor het juiste en veilige gebruik van de machine.
Important: Om de veiligheid en de prestaties van deze machine te optimaliseren en een juist gebruik ervan te garanderen, moet u de inhoud van deze Gebruikershandleiding zorgvuldig lezen en volledig begrijpen. Als u deze bedieningsinstructies niet opvolgt of geen goede training krijgt, kan dit leiden tot letsel. Ga naar www.Toro.com voor meer informatie over veilige bediening, inclusief veiligheidstips en trainingsmaterialen.
Neem rechtstreeks contact op met Toro via www.toro.com voor trainingsmaterialen over productveiligheid en -bediening, informatie over accessoires, om een verdeler te zoeken of om uw product rechtstreeks te registreren.
Als u service, originele Toro-onderdelen of aanvullende informatie nodig hebt, kunt u contact opnemen met een erkende servicedealer of met de klantenservice van Toro. U dient hierbij altijd het modelnummer en het serienummer van het product te vermelden. Het plaatje met het modelnummer en het serienummer van het product bevindt zich rechtsvoor op het frame. De locatie van het plaatje is aangegeven op Figuur 1. U kunt de nummers noteren in de ruimte hieronder.
Important: U kunt met uw mobiel apparaat de QR-code op het plaatje met het serienummer (indien aanwezig) scannen om toegang te krijgen tot de garantie, onderdelen en andere productinformatie.

Deze handleiding wijst u op mogelijke gevaren en bevat veiligheidswaarschuwingen die u kunt herkennen aan het waarschuwingspictogram (Figuur 2), dat wijst op een gevaar dat ernstig letsel of de dood kan veroorzaken indien u nalaat de voorgeschreven maatregelen te treffen.

Er worden in deze handleiding twee woorden gebruikt om uw aandacht op bijzondere informatie te vestigen. Belangrijk attendeert u op bijzondere technische informatie en Opmerking duidt algemene informatie aan die bijzondere aandacht verdient.
Dit product voldoet aan alle relevante Europese richtlijnen. Zie voor details de aparte productspecifieke conformiteitsverklaring.
Als de machine zonder goed werkende vonkenvanger of goed onderhouden brandveilige motor wordt gebruikt in een bosgebied of op een met dicht struikgewas of gras begroeid terrein, handelt de bestuurder in strijd met de bepalingen van sectie 4442 of 4443 van de Wet op de Openbare Hulpbronnen (Public Resources Code) van de Staat Californië.
De bijgevoegde Gebruikershandleiding van de motor biedt informatie over het Amerikaanse Environmental Protection Agency (EPA) en het Californische controlesysteem voor emissies, onderhoud en garantie. U kunt vervangingsonderdelen bestellen via de fabrikant van de motor.
CALIFORNIË
Proposition 65 Waarschuwing
De uitlaatgassen van de dieselmotor van dit product bevatten bestanddelen waarvan bekend is dat ze kanker, geboorteafwijkingen of andere schade aan de voortplantingsorganen kunnen veroorzaken.
Accuklemmen, accupolen en dergelijke onderdelen bevatten lood en loodverbindingen. Van deze stoffen is bekend dat ze kanker en schade aan de voortplantingsorganen veroorzaken. Was altijd uw handen nadat u met deze onderdelen in aanraking bent geweest.
Gebruik van dit product kan leiden tot blootstelling aan chemische stoffen waarvan de Staat Californië weet dat ze kanker, geboorteafwijkingen en andere schade aan het voortplantingssysteem veroorzaken.
Deze machine voldoet minstens aan de normen EN ISO 5395:2013 (indien de juiste stickers en onderdelen zijn aangebracht) en B71.4-2017 van het American National Standards Institute.
Dit product kan handen of voeten afsnijden en voorwerpen uitwerpen. Volg altijd alle veiligheidsinstructies op om ernstig letsel te voorkomen.
Dit product gebruiken voor andere doeleinden dan het bedoelde gebruik kan gevaarlijk zijn voor u of voor omstanders.
Lees deze Gebruikershandleiding en zorg ervoor dat u deze begrijpt voordat u de motor start.
Geef uw volledige aandacht als u de machine gebruikt. Zorg ervoor dat u met niets anders bezig bent waardoor u kunt worden afgeleid, anders kunt u verwondingen oplopen of kan eigendom worden beschadigd.
Houd handen en voeten uit de buurt van de bewegende onderdelen van de machine.
Gebruik de machine enkel als de nodige schermen en andere beveiligingsmiddelen aanwezig zijn en naar behoren werken.
Blijf uit de buurt van afvoeropeningen. Houd omstanders en huisdieren op een veilige afstand van de machine.
Laat geen kinderen het werkgebied betreden. Laat kinderen nooit de machine bedienen.
Schakel de machine en de motor uit voordat u onderhoudswerkzaamheden uitvoert, bijtankt of de machine vrijmaakt.
Onjuist gebruik of onderhoud van deze machine kan letsel tot gevolg hebben. Om het risico op letsel te vermijden, dient u zich aan de volgende veiligheidsinstructies te houden en altijd op het veiligheidssymbool te letten, dat betekent Voorzichtig, Waarschuwing of Gevaar – instructie voor persoonlijke veiligheid. Niet-naleving van deze instructies kan leiden tot lichamelijk of dodelijk letsel.
Indien nodig vindt u bijkomende veiligheidsinformatie in deze Gebruikershandleiding.
De motor van deze machine voldoet aan de EU-normen van Stage 3A.
![]() |
Informatieve en veiligheidsstickers zijn gemakkelijk zichtbaar voor de bestuurder en bevinden zich bij plaatsen waar gevaar kan ontstaan. Vervang alle beschadigde of verdwenen stickers. |























Note: Bepaal vanuit de normale bedieningspositie de linker- en rechterzijde van de machine.
Afhankelijk van de breedte van de maai-eenheden die u op de tractie-eenheid wilt monteren, dient u de steunrollen als volgt af te stellen:
Parkeer de machine op een horizontaal oppervlak, stel de parkeerrem in werking, schakel de motor uit en verwijder het sleuteltje.
Benodigde onderdelen voor deze stap:
| Waarschuwingssticker | 1 |
Op machines die aan CE moeten voldoen: breng de waarschuwingssticker (onderdeelnummer 138-1186) aan over de standaard waarschuwingssticker (onderdeelnummer 120-1683).
Benodigde onderdelen voor deze stap:
| Vergrendelbeugel van de motorkap | 1 |
| Popnagel | 2 |
| Schroef (¼" x 2") | 1 |
| Platte ring (¼") | 2 |
| Borgmoer (¼") | 1 |
Haak de motorkapvergrendeling los van de beugel van de motorkapvergrendeling (Figuur 4).

Verwijder de 2 popnagels waarmee de motorkapvergrendeling aan de motorkap is bevestigd (Figuur 5).

Verwijder de beugel van de motorkapvergrendeling van de motorkap.
Plaats de beugel van de CE-vergrendeling en de beugel van de motorkapvergrendeling op de motorkap en lijn de montageopeningen uit.
Note: De beugel van de vergrendeling moet zich tegen de motorkap aan bevinden (Figuur 5).Verwijder de bout en moer niet van de arm van de vergrendelbeugel.

Lijn de ringen uit met de openingen aan de binnenzijde van de motorkap.
Bevestig de beugels en de ringen met de popnagels aan de motorkap (Figuur 6).
Haak de sluiting op de vergrendelbeugel van de motorkap (Figuur 7).

Schroef de bout in de andere arm van de vergrendelbeugel om de sluiting te vergrendelen (Figuur 8).

De bout stevig aandraaien, maar de moer niet.
Benodigde onderdelen voor deze stap:
| Slanggeleider voorzijde (rechts) | 1 |
| Slanggeleider voorzijde (links) | 1 |
Haal de motoren van de messenkooien uit de transportbeugels.
Verwijder de verzendbeugels en werp deze weg.
Haal de maaidekken uit de dozen.
U moet de maaidekken monteren en afstellen volgens de instructies in de Gebruikershandleiding.
Zorg ervoor dat het contragewicht (Figuur 9) wordt gemonteerd aan het juiste uiteinde van het maaidek volgens de instructies in de Gebruikershandleiding van het maaidek.

Zorg ervoor dat de gazoncompensatieveer van elke maai-eenheid wordt gemonteerd aan dezelfde kant als de aandrijfmotor van de messenkooi. Ga als volgt te werk om de veer te verstellen:
Verwijder de 2 slotbouten en moeren waarmee de stangbeugel aan de lipjes van het maaidek is bevestigd (Figuur 10).

Verwijder de flensmoer waarmee de bout van de veerbuis bevestigd is aan het lipje van het draagframe (Figuur 10).
Verwijder het geheel.
Monteer de bout van de veerbuis op het tegenoverliggende lipje van het draagframe, en bevestig met de flensmoer.
Note: Plaats de kop van de bout aan de buitenkant van de lip, zoals wordt getoond in Figuur 11.

Monteer de stangbeugel aan de lippen op het maaidek met de slotbouten en de moeren (Figuur 11). Op de maai-eenheid moet u de linkerslanggeleider aan de voorzijde van de lippen op de maai-eenheid bevestigen bij het plaatsen van de stangbeugel (Figuur 13).
Important: Op maaidek 4 (links voor) en maaidek 5 (rechts voor), gebruikt u de moeren van de stang-beugel om de slanggeleiders aan de voorkant van de lipjes van het maaidek te monteren. De slanggeleiders moeten naar het middelste maaidek zijn gericht (Figuur 12 tot Figuur 14).



Note: Als u de maaidekken monteert of verwijdert, dient u ervoor te zorgen dat de R-pen is gemonteerd in het gat van de veerstang, naast de stangbeugel. Anders moet u de R-pen in de opening in het uiteinde van de stang plaatsen.
Vergroot de stuuruitslag van de achterste maaidekken door de 2 afstandsstukken, inbusbouten, en flensborgmoeren (Figuur 15) te verwijderen van de draagframes van de achterste maaidekken (maaidekken 2 en 3); zie Figuur 12.

Laat alle hefarmen helemaal neer.
Breng een laag schoon smeermiddel aan op de as van het draagframe (Figuur 16).

Als u een voormaaidek monteert, moet u het maaidek onder de hefarm schuiven, terwijl u de as van het draagframe in het juk van het draaipunt van de hefarm steekt (Figuur 16).
Zorg ervoor dat de drukring zich op zijn plaats op de as van het draagframe bevindt.
Zet de as van het draagframe vast aan het juk van de hefarm met de borgpen (Figuur 16).
Om de stuuruitslag van de maai-eenheden te borgen, bevestigt u het juk van het draaipunt met de borgpen aan het draagframe (Figuur 17).

Note: Zet de besturing vast bij het maaien op de zijkant van heuvels.
Ga als volgt te werk bij de montage van de achtermaaidekken als de maaihoogte hoger dan 19 mm is.
Verwijder de lynchpen en de ring waarmee de as van het draaipunt van de hefarm is bevestigd aan de hefarm, en schuif de as uit de hefarm (Figuur 18).

Plaats het juk van de hefarm op de as van het draagframe (Figuur 16).
Steek de as van de hefarm in de hefarm en zet deze vast met de ring en de lynchpen (Figuur 18).
Bevestig de ketting van de hefarm aan de kettingbeugel met de borgpen (Figuur 19).
Note: Gebruik het aantal kettingschakels volgens de instructies in de Gebruikershandleiding van het maaidek.

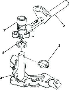
Smeer schoon vet op de sleufas van de motor van de messenkooi.
Smeer olie op de O-ring van de motor van de messenkooi en plaats deze op de flens van de motor.
Plaats de motor door deze rechtsom te draaien zodat de flenzen van motor loskomen van de bouten (Figuur 20).

Draai de motor linksom tot de flenzen de bouten omsluiten en draai dan de bouten vast.
Important: Controleer of de slangen van de motor van de messenkooi niet zijn verdraaid, geknikt of het risico lopen te worden afgekneld.
De gazoncompensatieveer (Figuur 21) zorgt ervoor dat het gewicht van de voorste naar de achterste rol wordt verplaatst. Dit voorkomt dat er een golfpatroon in de grasmat ontstaat, ook wel bekend als 'bobbing'.
Important: Stel de veer af als de maai-eenheid is gemonteerd aan de tractie-eenheid, als ze recht naar voren staat en als ze is neergelaten op de vloer van de werkplaats.
Monteer de borgpen in de achterste opening in de veerstang (Figuur 21).
Note: Bij onderhoud van het maaidek beweegt u de borgpen naar de opening van de veerstang naast de gazoncompensatieveer.

Draai de zeskantige moeren op het voorste uiteinde van de veerstang vast totdat de lengte van de samengedrukte veer 15,9 cm bedraagt; zie (Figuur 21).
Note: Als u werkt op oneffen terrein, moet de veer 13 mm korter zijn. De machine zal het grondoppervlak iets minder goed volgen.
Note: U dient de compensatie-instelling bij te stellen als u de instelling van de maaihoogte of de agressiviteit van het maaien verandert.
Benodigde onderdelen voor deze stap:
| Kickstandaard van maaidek | 1 |
Als u de maai-eenheid moet kantelen om bij het ondermes/messenkooi te kunnen komen, moet u de achterkant van de maai-eenheid ondersteunen met de kickstandaard zodat de moeren op het achtereind van de stelschroeven van de snijbalk niet op het werkvlak rusten (Figuur 22).

Bevestig de kick-standaard aan de kettingbeugel met de borgpen (Figuur 23).

Voordat u de machine gebruikt, moet u smeervet aanbrengen om een goede smering te verzekeren. Zie Smering. Als de machine niet goed is gesmeerd, kunnen belangrijke onderdelen hierdoor voortijdig slijten of defect raken.
Controleer het peil van het smeermiddel van de achteras voordat u de motor voor het eerst start; zie Het oliepeil van de achteras controleren.
Controleer het peil van de hydraulische vloeistof voordat u de motor voor het eerst start; raadpleegHydraulische vloeistof controleren.
Controleer het motoroliepeil voor- en nadat u de motor voor de eerste keer start; zie Het motoroliepeil controleren.
Benodigde onderdelen voor deze stap:
| Meetstaaf | 1 |
Gebruik de meetstaaf om het maaidek af te stellen. Raadpleeg de Gebruikershandleiding van het maaidek voor de afstelprocedures (Figuur 24).

De 2 pedalen (Figuur 25) bedienen de afzonderlijke remmen op de wielen ter ondersteuning van het draaien en ten behoeve van een betere tractie bij het rijden op hellingen.
Om de pedaalvergrendeling in werking te stellen (Figuur 25), koppelt u de pedalen met de borgpen.
Om de parkeerrem in te schakelen, (Figuur 25) sluit u de pedalen op elkaar aan met de borgpen en drukt u het rechter rempedaal in terwijl u het andere pedaal inschakelt. Om de parkeerrem uit te schakelen, trapt u 1 van de rempedalen in totdat de vergrendeling van de parkeerrem wordt ingetrokken.

Het tractiepedaal (Figuur 25) regelt de beweging vooruit en achteruit. Om vooruit te rijden, moet u de bovenkant van het pedaal intrappen en om achteruit te rijden de onderkant van het pedaal. De rijsnelheid wordt bepaald door de mate waarin u het pedaal intrapt. Voor de maximale rijsnelheid trapt u het pedaal volledig in terwijl de gashendel op SNEL staat.
Om de machine te stoppen, laat u het tractiepedaal opkomen en weer terugkeren in de middelste stand.
Om het stuur in uw richting te kantelen, moet u het pedaal (Figuur 25) intrappen, de stuurkolom naar u toe trekken in een stand die voor u het meest comfortabel is en daarna uw voet van het pedaal halen.
Als de begrenzer voor de maaisnelheid (Figuur 26) is omhooggeklapt, kunt u de maaisnelheid regelen en de maaidekken inschakelen. Met elk afstandsstuk kunt u de maaisnelheid met ongeveer 0,8 km/u wijzigen. Hoe meer afstandsstukken u bovenop de bout plaatst, des te trager zal de machine zich voortbewegen. Om de machine in de transportstand te zetten, klapt u de snelheidsbegrenzer terug; u kunt dan met de maximale transportsnelheid rijden.
Door aan de schroef of schroeven (Figuur 26) te draaien, kunt u de afstand begrenzen waarmee u het tractiepedaal kunt intrappen als u vooruit- of achteruitrijdt.
Important: De schroef van de snelheidsbegrenzer moet het tractiepedaal tegenhouden voordat de pomp een volledige slag aflegt, omdat anders de pomp schade kan oplopen.

Met deze hendel (Figuur 27) kunt u de maai-eenheden omhoog en omlaag brengen om te maaien en de messenkooien starten en tot stilstand brengen als u de messenkooien in de maaistand zet. U kunt de maaidekken niet neerlaten als de maai-/hefhendel in de transportstand staat.
De contactschakelaar (Figuur 27) heeft 3 standen: UIT, AAN/VOORGLOEIEN en START.
Het InfoCenter lcd-scherm toont informatie over de machine, o.a. de bedrijfsmodus en diverse diagnostieken (Figuur 27).
De aftakasschakelaar (Figuur 27) heeft 2 standen: START en STOP. Duw de aftakasschakelaar naar voren om de maaimessen van het maaidek in te schakelen. Duw de schakelaar naar achteren om de maaimessen van het maaidek uit te schakelen.

Zet de toerentalschakelaar naar voren (Figuur 27) om het motortoerental te verhogen en naar achteren om het toerental te verlagen.
Zet de schakelaar omlaag om de koplampen te ontsteken (Figuur 27).
Het aansluitpunt Figuur 28 dient voor de aansluiting van optionele elektrische accessoires van 12 V.

Gebruik de zakhouder (Figuur 29) voor opslagdoeleinden.

Gebruik de wethendels om de messenkooien te wetten (Figuur 30).

Trek de hendel uit om de stoel naar voren of naar achteren te verschuiven (Figuur 31).
Draai aan de knop om de hoek van de armsteun van de stoel te verstellen (Figuur 31).
Verplaats de hendel om de hoek van de stoel naar achteren in te stellen (Figuur 31).
De meter voor de instelling van het gewicht geeft aan wanneer de stoel is ingesteld naar uw gewicht (Figuur 31). U kunt de hoogte instellen door de ophanging binnen de groene zone in te stellen.

Stel de stoel in volgens uw gewicht (Figuur 31). Trek de hendel omhoog om de luchtdruk te verhogen en druk de hendel omlaag om de luchtdruk te verlagen. De afstelling is correct als de gewichtsmeter in het groene gedeelte staat.
Het InfoCenter lcd-scherm toont informatie over uw machine, onder meer de bedrijfsstatus en allerlei diagnostische informatie (Figuur 32). Het InfoCenter beschikt over een welkomstscherm en hoofdscherm. U kunt te allen tijde heen en weer gaan tussen de welkompagina en het hoofdscherm door om het even welke knop in het InfoCenter te bedienen en dan op de overeenkomstige pijl te drukken.

Linkerknop, knop toegang tot menu/terug – druk op deze knop om naar de menu's van het InfoCenter te gaan. De knop dient om het huidige menu te verlaten.
Middelste knop – gebruik deze knop om naar beneden door menu's te bewegen.
Rechterknop – Gebruik deze knop als een pijl naar rechts aangeeft dat er nog andere opties in het menu zijn.
Ventilator handmatig omkeren — druk tegelijk op de linker- en rechterknop om deze functie te activeren.
Pieper – klinkt als u de maaidekken omlaag brengt of als er berichten of storingen zijn
Note: De knoppen kunnen verschillende functies vervullen afhankelijk van wat op dat moment nodig is. Voor elke knop is er een pictogram dat de huidige functie weergeeft.
| SERVICE DUE | Geeft aan wanneer gepland onderhoud moet worden uitgevoerd |
![]() | Uren resterend tot onderhoud |
![]() | Bedrijfsuren op nul zetten![]() |
![]() | Informatiepictogram |
![]() | Urenteller |
![]() | Snel |
![]() | Langzaam |
![]() | Ventilator omkering – geeft aan of de ventilator omgekeerd draait |
![]() | Luchtinlaatverwarming actief |
![]() | Maai-eenheden omhoog brengen |
![]() | Maai-eenheden omlaag brengen |
![]() | De bestuurder moet op de stoel zitten |
![]() | Indicator parkeerrem – geeft aan of de parkeerrem is ingeschakeld |
![]() | Geeft het hoge bereik aan |
![]() | Vrijstand |
![]() | Geeft het lage bereik aan |
![]() | Koelvloeistoftemperatuur – de temperatuur van de motorkoelvloeistof in °C of °F |
![]() | Temperatuur (heet) |
![]() | Geweigerd of niet toegestaan |
![]() | Aftakas is ingeschakeld |
![]() | Motor starten |
![]() | Gestopt of uitgeschakeld |
![]() | Motor |
![]() | Contactschakelaar |
![]() | De maai-eenheden worden omlaag gebracht |
![]() | De maai-eenheden worden omhooggebracht |
![]() | Pincode |
![]() | Temperatuur hydraulische vloeistof – Geeft de temperatuur van de hydraulische vloeistof aan |
![]() | CAN-bus |
![]() | InfoCenter |
![]() | Slecht of mislukt |
![]() | Gloeilamp |
![]() | Uitvoer van TEC-controller of bedieningskabel in kabelboom |
![]() | Hoog: boven toegestaan bereik |
![]() | Laag: onder toegestaan bereik |
/![]() | Buiten bereik |
![]() | Schakelaar |
![]() | De bestuurder moet de schakelaar vrijgeven |
![]() | De bestuurder moet de status wijzigen in wat aangegeven wordt |
| Symbolen worden vaak gecombineerd in zinnen. Hier volgen enkele voorbeelden. | |
![]() | De bestuurder moet de machine in neutraal zetten |
![]() | Motor weigert te starten |
![]() | Motor uitgeschakeld |
![]() | Motorkoelvloeistof te heet |
![]() | De hydraulische vloeistof is te heet |
![]() | Ga zitten of schakel de parkeerrem in werking |
Enkel
toegankelijk met de pincode
Druk in het hoofdscherm op de menuknop om naar het InfoCenter menusysteem te gaan. U gaat naar het hoofdmenu. Raadpleeg de volgende tabellen voor een overzicht van de opties die u hebt in de menu's:
| Hoofdmenu | |
| Menu-optie | Beschrijving |
| Storingen | Het menu Storingen bevat een lijst met de recente machinestoringen. Raadpleeg de Gebruikershandleiding of een erkende Toro distributeur voor meer informatie over het menu Storingen en de informatie die het bevat. |
| Onderhoud | Het menu Onderhoud bevat informatie over de machine, zoals bedrijfsurentellers en andere cijfergegevens van die aard. |
| Diagnostiek | Het menu Diagnostiek geeft de status van elke machineschakelaar, sensor en bedieningsoutput aan. U kunt dit menu gebruiken om sommige problemen op te lossen. In het menu ziet u namelijk welke onderdelen in- of uitgeschakeld zijn. |
| Instellingen | In het menu Instellingen kunt u het InfoCenter-scherm configureren en aan uw voorkeuren aanpassen. |
| Machine | In het menu Machine ziet u het modelnummer, het serienummer en de versie van de software op uw machine. |
| Onderhoud | |
| Menu-optie | Beschrijving |
| Uren | Het menu ‘Hours’ toont het totale aantal bedrijfsuren van de machine, motor en aftakas, alsook het aantal uren dat de machine getransporteerd is geweest en de tijd tot het volgende onderhoudsinterval. |
| Counts | Het menu ‘Counts’ geeft een overzicht van talrijke tellingen die de machine heeft uitgevoerd. |
| Diagnostiek | |
| Menu-optie | Beschrijving |
| Cutting Units | Geeft de invoer, bepalende factoren en uitvoer voor het optillen en neerlaten van de maaidekken aan |
| Hi/Low Range | Geeft de invoer, bepalende factoren en uitvoer voor het rijden in de transportmodus aan |
| PTO | Geeft de invoer, bepalende factoren en uitvoer voor het inschakelen van het aftakascircuit aan |
| Engine Run | Geeft de invoer, bepalende factoren en uitvoer voor het inschakelen van de motor aan |
| Backlap | Geeft de invoer, bepalende factoren en uitvoer voor het inschakelen van de wetfunctie aan |
| Instellingen | |
| Menu-optie | Beschrijving |
| Eenheden | Bepaalt de eenheden die gebruikt worden in het InfoCenter. De opties zijn Engels of metrisch |
| Taal | Bepaalt de taal die gebruikt wordt in het InfoCenter* |
| Schermverlichting lcd | De helderheid van het lcd-scherm |
| Contrast lcd | Het contrast van het lcd-scherm |
| Voorste messenkooisnelheid (wetmodus) | Bepaalt de snelheid van de voorste messen in wetmodus |
| Achterste messenkooisnelheid (wetmodus) | Bepaalt de snelheid van de achterste messen in wetmodus |
| Beveiligde menu's | Geeft de supervisor/monteur via een code toegang tot beveiligde menu's |
Auto stationair ![]() | Bepaalt hoeveel tijd er verstrijkt voordat de machine bij stationair draaien naar laag stationair schakelt |
Aantal messen ![]() | Bepaalt het aantal messen van de messenkooi voor het messenkooitoerental |
Maaisnelheid ![]() | Regelt de rijsnelheid om het messenkooitoerental te bepalen |
Maaihoogte ![]() | Regelt de maaihoogte om het messenkooitoerental te bepalen |
V messenkooi tpm ![]() | De berekende toerentalstand van de voorste messenkooien. De messenkooien kunnen ook handmatig worden ingesteld |
A messenkooi tpm ![]() | De berekende toerentalstand van de achterste messenkooien. De messenkooien kunnen ook handmatig worden ingesteld |
*Alleen gebruikerstekst wordt vertaald. De schermen fouten, onderhoud en diagnostiek hebben betrekking op onderhoud. De titels zijn in de ingestelde taal, maar de menu-items zijn in het Engels.
Beveiligd
menu – Enkel toegankelijk met de pincode
| Betreffende | |
| Menu-optie | Beschrijving |
| Model | Het modelnummer van de machine |
| Serienummer | Het serienummer van de machine |
| Machine Controller Revision | De softwareversie van de hoofdbedieningseenheid |
| InfoCenter softwareversie | De softwareversie van het InfoCenter |
| CAN-bus | De status van de communicatiebus van de machine |
In het instellingenmenu van het InfoCenter kunt u 5 configuratie-instellingen voor de bediening veranderen: aantal messen, maaisnelheid, maaihoogte, V messenkooi tpm en A messenkooi tpm. U kunt deze instellingen vergrendelen met behulp van het beveiligde menu.
Note: Bij levering van de machine is de oorspronkelijke code geprogrammeerd door uw distributeur.
Scroll in het hoofdmenu naar beneden tot het instellingenmenu en druk op de rechterknop.
Scroll in het instellingenmenu naar beneden tot het beveiligde menu en druk op de rechterknop.
Om de code in te voeren drukt u op de middelste knop om het eerste cijfer in te stellen en drukt u vervolgens op de rechterknop om naar het volgende cijfer te gaan.
Gebruik de middelste knop om het tweede cijfer in te stellen en druk dan op de rechterknop om naar het volgende cijfer te gaan.
Gebruik de middelste knop om het derde cijfer in te stellen en druk dan op de rechterknop om naar het volgende cijfer te gaan.
Druk de middelste knop in om het vierde cijfer in te stellen en druk vervolgens op de rechterknop.
Druk op de middelste knop om de code in te voeren.
Als de code aanvaard wordt en het beveiligde menu 'ontgrendeld' is, zult u in de rechter bovenhoek van het display 'PIN' zien.
U kunt kiezen of de instellingen in het beveiligde menu worden weergegeven en kunnen worden gewijzigd. Scroll in het beveiligde menu naar omlaag tot de optie Beveiligde Instellingen. Druk op de rechterknop om de optie Beveiligde instellingen uit te schakelen. U kunt de instellingen in het beveiligde menu nu bekijken en wijzigen zonder de code in te voeren. Zet de optie Beveiligde Instellingen aan om de beveiligde opties te verbergen; u hebt nu een code nodig om de instelling in het beveiligde menu te wijzigen. Als de code ingesteld is, moet u het sleutelcontact uit- en aanzetten om de instelling toe te passen en te bewaren.
Note: Als u de code bent vergeten of als u deze niet meer vindt, moet u uw distributeur vragen om hulp.
Scroll in het instellingenmenu naar beneden tot u de functie Auto Stationair ziet.
Druk op de rechterknop om de instelling voor automatisch stationair draaien te wijzigen; de mogelijke opties zijn 8, 10, 15, 20, 30 seconden of UIT.
Scroll in het instellingenmenu naar beneden tot u de functie Aantal messen ziet
Druk op de rechterknop om het aantal messen in te stellen op 5, 8 of 11.
Scroll in het instellingenmenu naar beneden tot u de functie Maaisnelheid ziet.
Druk op de rechterknop om de maaisnelheid in te stellen.
Gebruik de middelste en de rechterknop om de gepaste maaisnelheidinstelling te selecteren op de mechanische maaisnelheidbegrenzer van het tractiepedaal.
Druk op de linkerknop om het maaisnelheidmenu te verlaten en de instelling te bewaren.
Scroll in het instellingenmenu naar beneden tot u de functie HOC ziet
Druk op de rechterknop om HOC te selecteren.
Gebruik de middelste en de rechterknop om de gewenste maaihoogte-instelling te kiezen.
Note: Als de gewenste instelling niet wordt weergegeven, kies dan de HOC-instelling uit de lijst die deze het dichtst benadert.
Druk op de linkerknop om het menu HOC te verlaten en de instelling te bewaren.
De toerentallen van de voorste en achterste messenkooien worden berekend aan de hand van het aantal messen, de maaisnelheid en de maaihoogte-instelling in het InfoCenter. U kunt de instelling echter handmatig aanpassen aan verschillende maaiomstandigheden.
Scroll beneden naar de snelheid van de voorste messenkooi, de achterste, of beide.
Druk op de rechterknop om het toerental te veranderen. Als de toerentalinstelling verandert, zal het display het toerental berekend op basis van uw vorige instellingen van het aantal messen, de maaisnelheid en de maaihoogte blijven weergeven; u zult echter ook de nieuwe waarde zien.
Note: Specificaties en ontwerp kunnen zonder voorafgaande kennisgeving worden gewijzigd.
| Maaibreedte, 69 cm maaidekken | 307 cm |
| Maaibreedte, 81 cm maaidekken | 320 cm |
| Totale breedte, 69 cm maaidekken neergelaten | 345 cm |
| Totale breedte, 81 cm maaidekken neergelaten | 358 cm |
| Totale breedte, maaidekken opgeheven (transport) | 239 cm |
| Totale lengte | 370 cm |
| Hoogte met rolbeugel | 220 cm |
| Spoorbreedte, vóór | 229 cm |
| Spoorbreedte, achter | 141 cm |
| Wielbasis | 171 cm |
| Nettogewicht (zonder maaidekken en vloeistoffen) | 1574 kg |
Een selectie van door Toro goedgekeurde werktuigen en accessoires is verkrijgbaar voor gebruik met de machine om de mogelijkheden daarvan te verbeteren en uit te breiden. Neem contact op met een erkende servicedealer of een erkende Toro- distributeur, of bezoek www.Toro.com voor een lijst van alle goedgekeurde werktuigen en accessoires.
Om de beste prestaties te verkrijgen en er zeker van te zijn dat de machine altijd veilig kan worden gebruikt, moet u ter vervanging uitsluitend originele Toro- onderdelen en accessoires gebruiken. Gebruik ter vervanging nooit onderdelen en accessoires van andere fabrikanten, omdat dit gevaarlijk kan zijn. Dit kan ertoe leiden dat de garantie op het product komt te vervallen.
Note: Bepaal de linker- en rechterzijde van de machine vanuit de normale bedieningspositie.
Laat kinderen of personen die geen instructie hebben ontvangen, de machine nooit gebruiken of onderhoudswerkzaamheden daaraan verrichten. Plaatselijke voorschriften kunnen nadere eisen stellen aan de leeftijd van degene die met de machine werkt. Plaatselijke voorschriften kunnen nadere eisen stellen aan de leeftijd van degene die met de machine werkt. De eigenaar is verantwoordelijk voor de instructie van alle bestuurders en technici.
Zorg ervoor dat u vertrouwd raakt met de bedieningsorganen en de veiligheidssymbolen, en weet hoe u de machine veilig kunt gebruiken.
Zorg ervoor dat u weet hoe u de machine en de motor snel kunt stoppen.
Controleer of de dodemansknoppen, de veiligheidsschakelaars en de veiligheidsschermen zijn bevestigd en naar behoren werken. Gebruik de machine uitsluitend als deze naar behoren werkt.
Controleer voordat u begint te maaien altijd de machine om zeker te zijn dat de maai-eenheden in goede staat zijn.
Inspecteer het terrein waarop u de machine gaat gebruiken en verwijder voorwerpen die de machine kan uitwerpen.
Wees uiterst voorzichtig bij het omgaan met brandstof. Brandstof is ontvlambaar en de dampen kunnen tot ontploffing komen.
Doof alle sigaretten, sigaren, pijpen en andere ontstekingsbronnen.
Gebruik uitsluitend een goedgekeurd vat of blik voor de brandstof.
Wanneer de motor loopt of heet is, mag u de brandstofdop niet verwijderen of geen brandstof toevoegen.
Geen brandstof bijvullen of aftappen in een afgesloten ruimte.
Bewaar de machine en het brandstofvat niet op plaatsen waar open vlammen, vonken of waakvlammen (bv. van een boiler of een ander toestel) aanwezig kunnen zijn.
Probeer de motor niet te starten als u brandstof hebt gemorst; voorkom elke vorm van open vuur of vonken totdat de brandstofdampen volledig zijn verdwenen.
83 l
Als de onderstaande waarschuwingen niet worden opgevolgd kan dit leiden tot schade aan de motor.
Gebruik geen kerosine of benzine in plaats van dieselbrandstof.
Meng nooit kerosine of motorolie met de dieselbrandstof.
Bewaar de brandstof nooit in vaten die van binnen verzinkt zijn.
Voeg geen additieven toe aan de brandstof.
Gebruik uitsluitend schone, verse dieselbrandstof of biodiesel met een laag (<500 ppm) of ultralaag (<15 ppm) zwavelgehalte. Het cetaangetal moet minimaal 40 zijn. Koop brandstof in hoeveelheden die binnen 180 dagen kunnen worden gebruikt zodat u altijd verse brandstof heeft.
Gebruik zomerbrandstof (nr. 2-D) bij temperaturen boven -7 °C en winterbrandstof (nr. 1-D of nr. 1-D/2-D-mengsel) bij temperaturen onder -7 °C. Gebruik van winterdieselbrandstof bij lage temperaturen biedt een lager vlampunt en een lager stolpunt. Dit vergemakkelijkt het starten en vermindert de kans dat de filters verstopt raken.
Als u bij temperaturen boven -7 °C zomerbrandstof gebruikt, zal de pomp langer meegaan en meer vermogen leveren dan bij gebruik van winterbrandstof.
Deze machine kan ook gebruik maken van een dieselmengsel tot maximaal B20 (20% biodiesel, 80% petrodiesel). Het deel petrodiesel moet een laag of ultralaag zwavelgehalte hebben. Neem de volgende voorzorgsmaatregelen in acht:
Biodiesel specificatie: ASTM D6751 of EN 14214
Gemengde brandstof specificatie: ASTM D975 of EN 590
Neem de volgende voorzorgsmaatregelen in acht:
Biodieselmengsels kunnen gelakte oppervlakken beschadigen.
Gebruik B5 (biodieselinhoud 5%) of mengsels met een lager percentage in koud weer.
Controleer afdichtingen, slangen en pakkingen die in contact met brandstof komen, omdat zij in de loop der tijd hierdoor kunnen worden aangetast.
Nadat u bent overgestapt op een biodieselmengsel kan het brandstoffilter van uw machine een tijdlang verstopt raken.
Neem voor verdere informatie over biodiesel contact op met een erkende Toro- distributeur.
Plaats de machine op een horizontaal vlak, laat de maai-eenheden neer, zet de motor af en verwijder het sleuteltje.
Maak de omgeving van de dop van de brandstoftank schoon. Gebruik hiervoor een schone doek.
Verwijder de dop van de brandstoftank (Figuur 33).

Vul de tank tot de brandstof de onderkant van de vulnek bereikt.
Draai de tankdop na het vullen stevig vast.
Note: Vul de brandstoftank na elk gebruik indien dit mogelijk is. Dit beperkt mogelijke condensvorming in de brandstoftank tot een minimum.
Voordat u de motor start en de machine gaat gebruiken, moet u het hydraulische systeem controleren; zie Controleer het peil van de hydraulische vloeistof.
| Onderhoudsinterval | Onderhoudsprocedure |
|---|---|
| Bij elk gebruik of dagelijks |
|
Het carter van de motor is in de fabriek gevuld met olie; het oliepeil moet echter worden gecontroleerd voor- en nadat de motor voor de eerste keer wordt gestart.
De carterinhoud is ongeveer 9,5 liter met filter.
Gebruik hoogwaardige motorolie die moet voldoen aan de volgende specificaties:
Vereiste onderhoudsclassificatie van API: CH-4, CI-4 of hoger.
Aanbevolen olie: SAE 15W-40: boven -18°C
Alternatieve olie: SAE 10W-30 of 5W-30 (voor alle temperaturen)
Note: Toro Premium motorolie is verkrijgbaar bij uw dealer met een viscositeit van 15W-40 of 10W-30. Zie de onderdelencatalogus voor de onderdeelnummers.
Note: De beste tijd om de motorolie te controleren is wanneer de motor koud is voordat deze is gestart voor de dag. Als hij al heeft gedraaid, moet u de olie eerst terug laten lopen gedurende tenminste 10 minuten voordat u controleert. Als het olieniveau op of onder de bijvul-markering (Add) op de peilstok staat, vul dan olie bij om het olieniveau bij de vol-markering (Full) te brengen. Giet de motor niet te vol. Als het olieniveau zich tussen de twee markeringen bevindt, hoeft er geen olie te worden bijgevuld.
Parkeer de machine op een horizontaal oppervlak.
Maak de sluitingen van de motorkap los en open de kap (Figuur 34).

Verwijder de peilstok uit de buis, veeg deze schoon en plaats de peilstok weer in de buis. Haal de peilstok er weer uit.
Het oliepeil moet zich in de veilige zone bevinden (Figuur 35).

Als het oliepeil zich onder de veilige zone bevindt, verwijdert u de vuldop (Figuur 36) en vult u bij met olie totdat het oliepeil de vol-markering bereikt.
Important: Giet de motor niet te vol.

Note: Als u andere olie gaat gebruiken, moet u eerst alle oude olie aftappen uit het carter voordat u dit vult met nieuwe olie.
Plaats de vuldop en de peilstok terug.
Sluit de motorkap en zet deze vast met de vergrendelingen.
| Onderhoudsinterval | Onderhoudsprocedure |
|---|---|
| Bij elk gebruik of dagelijks |
|
Controleer het koelvloeistofpeil bij het begin van elke dag. De inhoud van het systeem is 12,3 liter.
Verwijder voorzichtig de radiateurdop.
Als de motor heeft gelopen, kan de hete koelvloeistof, die onder druk staat, ontsnappen indien de radiateurdop wordt verwijderd. Dit kan brandwonden veroorzaken.
Verwijder de radiateurdop nooit als de motor loopt.
Gebruik een doek als u de radiateurdop verwijdert en draai de dop langzaam open om de stoom te laten ontsnappen.

Controleer het koelvloeistofpeil in de radiateur.
Note: De radiateur moet worden gevuld tot de bovenkant van de vulbuis, en de expansietank tot de vol-markering (Figuur 37).
Als het koelvloeistofpeil te laag is, moet u bijvullen met een oplossing die half uit water, half uit ethyleenglycol-antivries bestaat.
Note: Gebruik geen koelvloeistoffen op basis van alcohol/methanol of alleen water.
Plaats de doppen van de radiateur en de expansietank terug.
| Onderhoudsinterval | Onderhoudsprocedure |
|---|---|
| Bij elk gebruik of dagelijks |
|
De banden worden in de fabriek opzettelijk te hard opgepompt. U moet daarom voor gebruik wat lucht laten ontsnappen om de luchtdruk te verminderen. De luchtdruk in de banden moet tussen 0,83 en 1,03 bar zijn. Controleer de bandenspanning elke dag.
Important: Zorg ervoor dat alle banden steeds de aanbevolen bandenspanning hebben, hierdoor kan de machine optimale maaiprestaties leveren en goed functioneren. Pomp de banden niet te zacht op.
De eigenaar/gebruiker is verantwoordelijk voor ongelukken die persoonlijk letsel of materiële schade kunnen veroorzaken, en hij dient zulke ongelukken te voorkomen.
Draag geschikte kleding, zoals een veiligheidsbril, gripvaste, stevige schoenen, een lange broek en gehoorbescherming. Draag lang haar niet los en draag geen losse juwelen.
Gebruik de machine niet als u ziek, moe of onder de invloed van alcohol of drugs bent.
Vervoer nooit passagiers op de machine en houd omstanders en huisdieren weg van de machine terwijl deze wordt gebruikt.
Gebruik de machine uitsluitend bij een goede zichtbaarheid zodat u kuilen en verborgen gevaren kunt vermijden.
Gebruik de machine niet op nat gras. Als de wielen hun grip verliezen, kan de machine gaan glijden.
Voordat u de motor start: zorg dat alle aandrijvingen in de neutraalstand staan, de parkeerrem in werking is gesteld en u zich in de bestuurderspositie bevindt.
Houd uw handen en voeten uit de buurt van de maai-eenheden. Blijf altijd uit de buurt van de afvoeropening.
Kijk achterom en omlaag voordat u achteruitrijdt om er zeker van te zijn dat de weg vrij is.
Wees voorzichtig bij het naderen van blinde hoeken, struiken, bomen, en andere objecten die uw zicht kunnen belemmeren.
Maai niet in de buurt van steile hellingen, greppels of dijken. De machine kan plotseling omslaan als een wiel over de rand komt, of als de rand instort.
Schakel de maai-eenheden uit wanneer u niet maait.
Stop de machine, zet de motor uit, verwijder het sleuteltje en controleer de maai-eenheden als u een voorwerp heeft geraakt of de machine abnormaal begint te trillen. Voer alle noodzakelijke reparaties uit voordat u de machine weer in gebruik neemt.
Verminder uw snelheid en wees voorzichtig als u een bocht maakt of wegen en voetpaden oversteekt met de machine. Verleen altijd voorrang.
Schakel de aandrijving van de maai-eenheid uit en stop de motor voordat u de maaihoogte wijzigt (tenzij u deze kunt aanpassen vanuit de bestuurderspositie).
Laat de motor nooit lopen in een ruimte waar uitlaatgassen zich kunnen verzamelen.
Als u de machine verlaat, laat deze dan niet draaien.
Doe het volgende voordat u de bestuurderspositie verlaat (inclusief het legen van de grasvangers of deblokkeren van het kanaal):
Parkeer de machine op een horizontaal oppervlak.
Schakel de aftakas uit en laat de werktuigen zakken.
Haal de parkeerrem aan.
Zet de motor af en verwijder het sleuteltje.
Wacht tot alle bewegende onderdelen tot stilstand zijn gekomen.
Gebruik de machine niet als het kan bliksemen.
De machine niet gebruiken als sleepvoertuig.
Gebruik alleen door The Toro® Company goedgekeurde accessoires, werktuigen en reserveonderdelen.
Verwijder de rolbeugel niet van de machine.
Zorg dat u de veiligheidsgordel draagt en deze in een noodgeval snel kunt losmaken.
Controleer aandachtig of er obstakels zijn waar u onderdoor moet rijden, en zorg dat u ze niet raakt.
Houd de rolbeugel in deugdelijke staat door deze regelmatig grondig te controleren op beschadiging, en zorg dat alle bevestigingsmateriaal stevig is vastgedraaid.
Een beschadigde rolbeugel dient vervangen te worden. Probeer niet om deze te repareren of aan te passen.
Doe altijd de veiligheidsgordel om als de rolbeugel omhoog is geklapt.
De rolbeugel is een integrale veiligheidsvoorziening. Houd een inklapbare rolbeugel in de opgeheven en vergrendelde positie en doe de veiligheidsgordel om als u de machine gebruikt met de rolbeugel omhoog.
Klap een inklapbare rolbeugel slechts tijdelijk omlaag en alleen als dit noodzakelijk is. Doe de veiligheidsgordel niet om als de rolbeugel omlaag is geklapt.
Let op: er is geen omkantelbeveiliging als een inklapbare rolbeugel omlaag is geklapt.
Controleer het gebied dat u gaat maaien en klap de rolbeugel nooit omlaag op golvend terrein of gebieden met steile hellingen of waterkanten.
Het maaien op hellingen is een belangrijke factor bij ongelukken waarbij de controle over de machine wordt verloren of deze omkantelt. Dit kan ernstig of dodelijk letsel veroorzaken. De bestuurder is verantwoordelijk voor een veilig gebruik van de machine op hellingen. Gebruik van de machine op hellingen vereist altijd extra voorzichtigheid.
Onderzoek de toestand van het werkgebied om te bepalen of de machine veilig kan worden gebruikt op de helling. Gebruik altijd uw gezond verstand en uw beoordelingsvermogen wanneer u dit onderzoek uitvoert.
Neem de hieronder genoemde instructies voor gebruik van de machine op hellingen door en beoordeel de gebruiksomstandigheden van de machine om na te gaan of u de machine in de specifieke situatie op het betreffende terrein kunt gebruiken. Veranderingen in het terrein kunnen tot gevolg hebben dat de machine anders reageert op hellingen.
Vermijd starten, stoppen of bochten maken op hellingen. Vermijd plotse veranderingen van snelheid of richting. Draai langzaam en geleidelijk.
Gebruik een machine nooit in omstandigheden waarbij u twijfelt over tractie, sturen of stabiliteit.
Verwijder of markeer obstakels zoals greppels, putten, geulen, hobbels, stenen en andere verborgen gevaren. In hoog gras zijn obstakels niet altijd zichtbaar. De machine kan omslaan op oneffenheden in het terrein.
Denk eraan dat de machine tractie kan verliezen doordat u bergafwaarts, op nat gras of dwars op een helling maait. Als de aandrijfwielen tractie verliezen, kunnen ze gaan slippen en kunt u niet meer remmen of sturen.
Rij zeer voorzichtig als u de machine gebruikt in de buurt van steile hellingen, greppels, dijken, waterhindernissen en andere gevaarlijke punten. De machine kan plotseling omslaan als een wiel over de rand komt, of als de rand instort. Zorg voor een veilige afstand tussen de machine en een gevarenzone.
Spoor gevaren onderaan de helling op. Indien er gevaren zijn, maait u de helling met een loopmaaimachine.
Laat de maai-eenheden indien mogelijk neer op de grond wanneer u de machine op een helling gebruikt. Als u de maai-eenheden omhoog brengt op hellingen, kan de machine onstabiel worden.
Wees uiterst voorzichtig met grasopvangsystemen of andere werktuigen. Deze kunnen de machine minder stabiel maken, waardoor u de controle over de machine kunt verliezen.
Important: Ontlucht het brandstofsysteem in de volgende gevallen:
De motor is gestopt omdat de brandstof op was.
Er is onderhoud uitgevoerd aan componenten van het brandstofsysteem.
Haal uw voet van het tractiepedaal en controleer of het pedaal in de NEUTRAALSTAND staat.
Note: Zorg dat de parkeerrem in werking is gesteld.
Zet de toerentalschakelaar op LAAG STATIONAIR.
Draai het contactsleuteltje naar de stand LOPEN.
Note: Het indicatielampje van de gloeibougie gaat branden.
Als het indicatielampje van de gloeibougie dooft, draait u het contactsleuteltje op START.
Laat het sleuteltje direct los als de motor start en laat het weer terugkeren naar DRAAIEN.
Stel het toerental af.
Important: Laat de startmotor niet langer dan 15 seconden achter elkaar draaien omdat de startmotor hierdoor vroegtijdig defect kan raken. Als de motor na 15 seconden nog niet aangeslagen is, moet u het sleuteltje op UIT draaien, de bedieningsorganen en de startprocedure opnieuw controleren, nog eens 15 seconden wachten en de startprocedure herhalen.
Als de temperatuur beneden -7 °C is, kunt u de startmotor 30 seconden laten draaien. Daarna moet u de startmotor 60 seconden afzetten voordat u een tweede startpoging onderneemt.
Aanraking van bewegende delen kan leiden tot letsels.
Zet de motor af en wacht totdat alle bewegende delen tot stilstand gekomen zijn voordat u controleert op olielekken, losse onderdelen en andere defecten.
Important: Laat de motor 5 minuten stationair lopen voordat u deze afzet of nadat de machine volledig belast is gebruikt. Hierdoor kan de turbocompressor afkoelen voordat u de motor afzet. Indien u dit nalaat, kunnen er problemen met de turbocompressor ontstaan.
Note: Laat de maaidekken op de grond neer als u de machine parkeert. Dit vermindert de hydraulische belasting van het systeem, beperkt slijtage van onderdelen van het systeem en voorkomt dat de maaidekken per ongeluk worden neergelaten.
Laat de motor opnieuw op een laag stationair toerental lopen.
Zet de aftakasschakelaar in de stand UIT.
Stel de parkeerrem in werking.
Draai het contactsleuteltje op UIT.
Verwijder het sleuteltje uit het contact om te voorkomen dat de motor per ongeluk start.
U kunt de tegendruk op de hefarmen van het achtermaaidek afstellen om de machine aan te passen voor verschillende gazonomstandigheden en ervoor te zorgen dat de maaihoogte constant blijft in zware omstandigheden of op terrein waar een viltlaag is ontstaan.
U kunt elke tegendrukveer instellen op 4 verschillende standen. Elke stand verhoogt of verlaagt de tegendruk op het maaidek met 2,3 kg ten opzichte van de vorige stand. De veren kunnen op de achterkant van de eerste actuator van de veer worden geplaatst om alle tegendruk op te heffen (vierde stand).
Plaats de machine op een horizontaal oppervlak, laat de maai-eenheden zakken, stel de parkeerrem in werking, zet de motor af en verwijder het sleuteltje.
Steek een buis of gelijksoortig voorwerp op het uiteinde van de lange veer om de spanning op de veer tijdens de afstelling weg te nemen (Figuur 38).
De veren staan onder spanning en kunnen persoonlijk letsel veroorzaken.
Wees voorzichtig bij het instellen van de veren.
Als de veer is ontspannen, verwijdert u de bout en de borgmoer waarmee de actuator van de veer is bevestigd aan de beugel (Figuur 38).

Plaats de actuator van de veer in het gewenste gat en zet deze vast met de borgmoer.
Herhaal deze procedure bij de andere veer.
Plaats de machine op een horizontaal oppervlak, laat de maai-eenheden zakken, stel de parkeerrem in werking, zet de motor af en verwijder het sleuteltje.
De schakelaar van de hefarm bevindt zich achter de hefarm rechts voor (Figuur 39).

Maak de schroeven van de schakelaar (Figuur 39) los en beweeg de schakelaar naar boven om de draaistand van de hefarm te vergroten, of naar beneden om de draaistand van de hefarm te verkleinen.
Draai de bevestigingsschroeven vast.
U kunt de rolbeugel naar beneden vouwen om onder lage obstakels door te rijden.
De machine heeft geen kantelbeveiliging wanneer de rolbeugel ingeklapt is en mag in dat geval dus niet beschouwd worden als beveiligd tegen kantelen.
Doe de veiligheidsgordel niet om als de rolbeugel omlaag is geklapt.
Plaats de machine op een horizontaal oppervlak, zet de motor af, stel de parkeerrem in werking en verwijder de sleutel.
Ondersteun het gewicht van het bovengeraamte van de rolbeugel terwijl u de borgpennen en de gaffelpennen uit de scharnierhouders verwijdert (Figuur 40).

Laat het frame voorzichtig zakken tot het op de steunen rust.
Plaats de gaffelpennen in de onderste gaten en bevestig ze met de borgpennen om het bovengeraamte te ondersteunen terwijl het ingevouwen is.
Om het geraamte omhoog te brengen, volgt u deze instructies in omgekeerde volgorde.
De beveiliging van de rolbeugel is mogelijk niet werkzaam als de bevestigingsbouten van de rolbeugel los staan; als de machine in dat geval kantelt, kan dat ernstig, mogelijk dodelijk letsel veroorzaken.
Als het frame niet is ingevouwen, moeten de beide bevestigingsbouten gemonteerd zijn en volledig vastgedraaid voor een goede kantelbeveiliging.
Zorg er bij het in- en uitvouwen van de rolbeugel voor dat uw vingers niet gekneld raken tussen de machine en de rolbeugel.
Wees voorzichtig bij het in- en uitvouwen van de rolbeugel om te voorkomen dat uw vingers gekneld raken tussen het vaste en het scharnierende gedeelte van de constructie.
Zorg ervoor dat alle moeren, bouten en schroeven juist aangedraaid zijn, zodat de machine steeds veilig kan worden gebruikt.
Vervang versleten of beschadigde onderdelen met het oog op een veilig gebruik.
Zorg ervoor dat de veiligheidsgordel en zitsteun veilig kunnen worden gebruikt.
Gebruik de veiligheidsgordel als de rolbeugel omhoog geklapt is; geen veiligheidsgordel dragen als de rolbeugel naar beneden is geklapt.
Important: De rolbeugel is een volledige veiligheidsinrichting. Houd de rolbeugel in de omhooggeklapte stand als u de maaier gebruikt. Klap de rolbeugel uitsluitend tijdelijk omlaag als dit absoluut noodzakelijk is.
| Onderhoudsinterval | Onderhoudsprocedure |
|---|---|
| Bij elk gebruik of dagelijks |
|
Niet-aangesloten of beschadigde interlockschakelaars kunnen onverwachte gevolgen hebben op de werking van de machine. Dit kan lichamelijk letsel veroorzaken.
Laat de interlockschakelaars ongemoeid.
Controleer elke dag de werking van de interlockschakelaars en vervang beschadigde schakelaars voordat u de machine weer in gebruik neemt.
De machine heeft interlockschakelaars in het elektrische systeem. Deze schakelaars zijn bedoeld om de motor uit te schakelen als u de stoel verlaat terwijl het tractiepedaal wordt ingedrukt. U kunt echter de stoel verlaten terwijl de motor loopt en het tractiepedaal in neutraal staat. Hoewel de motor blijft draaien als u de aftakasschakelaar uitschakelt en het tractiepedaal loslaat, moet u de motor uitschakelen voordat u de stoel verlaat.
Om de controleren of de interlockschakelaars functioneren, moet u de volgende stappen uitvoeren:
Rij de machine langzaam naar een ruim, tamelijk open terrein.
Laat de maai-eenheden zakken, zet de motor af en stel de parkeerrem in werking.
Neem plaats op de bestuurdersstoel en trap het tractiepedaal in.
Probeer de motor te starten.
Note: De motor mag niet starten. Als de motor draait dan heeft het veiligheidssysteem een defect; repareer het voordat u de machine gebruikt.
Neem plaats op de bestuurdersstoel en start de motor.
Kom overeind uit de bestuurdersstoel en schakel de aftakasschakelaar op Aan.
Note: De aftakas mag niet in werking komen. Als de aftakas draait dan heeft het veiligheidssysteem een defect; repareer het voordat u de machine gebruikt.
Neem plaats op de bestuurdersstoel, stel de parkeerrem in werking en start de motor.
Zet het tractiepedaal uit de NEUTRAALSTAND.
Note: De motor moet afslaan. Als de motor niet afslaat, is er een defect in het interlocksysteem; repareer het voordat u de machine gaat gebruiken.
Zet de motor af en haal het sleuteltje uit het contact. Wacht totdat alle bewegende onderdelen tot stilstand zijn gekomen en laat de machine afkoelen voordat u deze afstelt, reinigt, stalt of repareert.
Verwijder gras en vuil van de maai-eenheden, de geluiddempers en het motorcompartiment om brand te voorkomen. Veeg gemorste olie en brandstof op.
Als de maai-eenheden in de transportstand staan, breng dan een positieve mechanische vergrendeling aan (indien voorhanden) voordat u de machine onbeheerd achterlaat.
Laat de motor afkoelen voordat u de machine in een afgesloten ruimte stalt.
Zorg ervoor dat de brandstofafsluitklep is gesloten voordat u de machine stalt of transporteert.
Stal de machine of het brandstofvat nooit in de buurt van een open vuur, vonken of een waakvlam zoals die van een boiler of een ander apparaat.
Zorg ervoor dat alle onderdelen van de machine in goede staat verkeren en alle bevestigingselementen stevig vastzitten, in het bijzonder de bevestigingen van maaimessen.
Vervang versleten of beschadigde stickers.
In een noodgeval kunt u de machine verplaatsen door de omloopklep van de hydraulische pomp in werking te stellen, en dan een hydraulische slang te monteren als omloop rond de terugslagklep, en de machine dan te duwen of slepen.
Important: Duw of sleep de machine niet sneller dan 3 tot 4,8 km/h of over een afstand groter dan 0,4 km – dat zou kunnen leiden tot beschadiging van de interne transmissie. De omloopklep moet open zijn als u de machine duwt of sleept. Bovendien moet u een hydraulische omloopslang monteren over de terugslagklep indien u de machine achteruit duwt of sleept.
Als u de machine moet duwen of slepen zal dit vaak zowel vooruit als achteruit gedaan moeten worden. Om schade aan de aandrijving door duwen of slepen te voorkomen is het aan te raden de machine voor te bereiden op duwen of slepen vooruit én achteruit.
Important: Als u de machine achteruit moet duwen of slepen dan moet u eerst een omloop aanbrengen rond de terugslagklep op het verdeelstuk voor vierwielaandrijving.
Voor het omlopen van de terugslagklep heeft u de volgende Toro onderdelen nodig:
Toro onderdeelnr. 59-7410, diagnosefitting
Toro onderdeelnr. 354-79, dop van diagnosefitting
Toro onderdeelnr. 95-8843, hydraulische slang
Toro onderdeelnr. 95-0985, koppelingfitting (2)
Toro onderdeelnr. 340-77, hydraulische fitting (2)
Monteer een diagnosefitting op de ongemerkte poort tussen poorten M8 en P2 op het achterste tractieverdeelstuk (Figuur 41).

Sluit een hydraulische slang aan tussen de diagnosefitting in het achterste tractieverdeelstuk en de druktestpoort voor tractie-achteruit (Figuur 42).
Note: Gebruik de geschikte hydraulische fittingen en koppelingen om de slang aan te sluiten.

Draai de omloopklep 90° (een kwartslag), naar links of naar rechts, om deze te openen en de vloeistof intern te laten stromen (Figuur 43).
Note: Omdat de vloeistof nu om de transmissie heen loopt, kunt u de machine langzaam verplaatsen zonder schade aan de transmissie.Let op de stand van de klep als u deze opent en sluit.

Na het duwen of slepen van de machine verwijdert u de hydraulische slang die u heeft aangebracht.
Plaats de bestaande eindkap op de druktestpoort voor tractie-achteruit.
Plaats de kap voor de diagnose-fitting op de fitting die u heeft geplaatst in het verdeelstuk.
Draai de omloopklep 90° (¼ slag) terug voordat u de motor te start.
Note: Sluit de klep met een torsie van maximaal 7 tot 11 N∙m.
Als u de machine uitsluitend vooruit wilt duwen of slepen kunt u gewoon de omloopklep omzetten.
Important: Als u de machine achteruit moet duwen of slepen, zie dan De machine voorbereiden op duwen of slepen achteruit.
Open de motorkap en verwijder het middelste scherm.
Draai de omloopklep 90° (een kwartslag), naar links of naar rechts, om deze te openen en de vloeistof intern te laten stromen (Figuur 43).
Note: Omdat de vloeistof nu om de transmissie heen loopt, kunt u de machine langzaam verplaatsen zonder schade aan de transmissie.Let op de stand van de klep als u deze opent en sluit.
Draai de omloopklep 90° (¼ slag) terug voordat u de motor te start.
Note: Sluit de klep met een torsie van maximaal 7 tot 11 N∙m.
Gebruik een oprijplaat van volledige breedte bij het laden van de machine op een aanhanger of vrachtwagen.
Maak de machine stevig vast.
De bevestigingspunten bevinden zich op de volgende plaatsen:
Aan beide kanten van het frame onder de voorste opstap.
De achterbumper

De krikpunten bevinden zich op de volgende plaatsen:
Op de voorkant van het frame van de machine aan de binnenzijde van elk wiel
Op de achterkant van het frame op het midden van as
Oefen u in het rijden met de machine, omdat deze een hydrostatische transmissie heeft en de eigenschappen ervan anders zijn dan die van veel gazonmachines.
Om voldoende vermogen te hebben tijdens het gebruik moet u het tractiepedaal gebruiken om de motorsnelheid hoog en constant te houden. Rij trager als de maai-eenheden meer belast worden, en sneller als ze minder worden belast.
Laat het tractiepedaal dan ook terugkomen als de motorsnelheid afneemt, en druk het pedaal langzaam in als de snelheid toeneemt. Maar bij het rijden tussen werkplekken, onbelast en met geheven maai-eenheden, zet u de gashendel op SNEL en drukt u het tractiepedaal langzaam volledig in om de hoogste rijsnelheid te verkrijgen.
Met behulp van de remmen kunt u de machine een bocht laten maken; ga echter voorzichtig te werk indien u ze gebruikt, want dit kan het gazon beschadigen, vooral zacht of nat gras. De remmen kunnen ook helpen om tractie te behouden. In sommige heuvelachtige omstandigheden kan het hoogste wiel slippen en grip verliezen. Als dit gebeurt, trapt u het stuurpedaal voor het hoogste wiel geleidelijk en met tussenpozen in totdat dit wiel niet meer slipt, waarmee de tractie op het laagste wiel wordt vergroot.
Wees extra voorzichtig wanneer u de machine op hellingen gebruikt. Zorg ervoor dat de stoelvergrendeling goed vastzit, de rolbeugel uitgeklapt en vastgezet is, en dat u de veiligheidsgordel hebt omgedaan. Rij langzaam en maak geen scherpe bochten om omkantelen te voorkomen.
Important: Laat de motor 5 minuten stationair lopen voordat u deze afzet of nadat de machine volledig belast is gebruikt. Hierdoor kan de turbocompressor afkoelen voordat u de motor afzet. Indien u dit nalaat, kunnen er problemen met de turbocompressor ontstaan.
Voordat u de motor afzet, moet u alle bedieningsorganen uitschakelen en de gashendel op LANGZAAM zetten. De gashendel op LANGZAAM zetten leidt tot een lager toerental en minder lawaai en trillingen. Draai het sleuteltje op UIT om de motor af te zetten.
Voordat u gaat maaien, moet u zich op een open terrein oefenen in het gebruik van de machine. De motor starten en uitschakelen. Rij de machine vooruit en achteruit. Laat de maai-eenheden neer en hef ze op en schakel de messenkooien in en uit. Als u zich vertrouwd voelt met de machine, moet u zich oefenen in het helling opwaarts en afwaarts rijden bij verschillende snelheden.
Als een waarschuwingslampje tijdens het gebruik gaat branden, moet u de machine onmiddellijk stoppen en het probleem verhelpen voordat u verder gaat met maaien. Een machine met een defect kan ernstige schade oplopen als deze wordt gebruikt.
Start de motor en zet de motorsnelheidsschakelaar op SNEL. Zet de maaisnelheidbegrenzer op MAAIEN. Zet de aftakasschakelaar op AAN en gebruik de hefschakelaar om de maai-eenheden te bedienen (de voorste maai-eenheden zijn zo ingesteld dat ze vóór de achterste naar beneden gaan). Om vooruit te rijden en het gras te maaien, moet u de tractiepedaal naar voren intrappen.
Zet de schakelaar van de vermogenaftakas op UIT en breng de maai-eenheden omhoog in de transportstand. Zet de maaisnelheidbegrenzer in de transportstand. Wees voorzichtig als u tussen objecten rijdt zodat u de machine of de maaidekken niet per ongeluk beschadigt. Wees extra voorzichtig wanneer u de machine op hellingen gebruikt. Rij langzaam en maak geen scherpe bochten om omkantelen te voorkomen.
Note: Bepaal vanuit de normale bedieningspositie de linker– en rechterzijde van de machine.
| Onderhoudsinterval | Onderhoudsprocedure |
|---|---|
| Na de eerste 8 bedrijfsuren |
|
| Na de eerste 200 bedrijfsuren |
|
| Bij elk gebruik of dagelijks |
|
| Om de 50 bedrijfsuren |
|
| Om de 100 bedrijfsuren |
|
| Om de 200 bedrijfsuren |
|
| Om de 250 bedrijfsuren |
|
| Om de 400 bedrijfsuren |
|
| Om de 800 bedrijfsuren |
|
| Vóór de stalling |
|
Gelieve deze pagina te kopiëren ten behoeve van gebruik bij routinecontroles.
| Gecontroleerd item | Voor week van: | ||||||
|---|---|---|---|---|---|---|---|
| Ma. | Di. | Wo. | Do. | Vr. | Za. | Zo. | |
| Werking van veiligheidssysteem controleren. | |||||||
| Werking van de remmen controleren. | |||||||
| Peil van de motorolie en brandstof controleren. | |||||||
| Peil van de koelvloeistof controleren. | |||||||
| Brandstoffilter/waterafscheider aftappen. | |||||||
| Onderhoudsindicator van het luchtfilter controleren. | |||||||
| Radiateur, oliekoeler en scherm controleren op vuil. | |||||||
| Controleren of motor ongewone geluiden maakt.1 | |||||||
| Controleren op ongewone geluiden tijdens het gebruik. | |||||||
| Peil van het hydraulische systeem controleren. | |||||||
| Hydraulische slangen en leidingen op schade controleren. | |||||||
| Controleren op lekkages. | |||||||
| Controleer de bandenspanning. | |||||||
| Werking van instrumenten controleren. | |||||||
| Afstelling van contact tussen ondermes en messenkooi controleren. | |||||||
| Maaihoogte-instelling controleren. | |||||||
| Vet in alle smeernippels spuiten.2 | |||||||
| Beschadigde lak bijwerken. | |||||||
|
1. Controleer de gloeibougie en de spuitstukken van de injector als de motor moeilijk start, buitensporig veel rook afgeeft of ongelijkmatig loopt. |
|||||||
|
2. Onmiddellijk na elke wasbeurt, ongeacht de voorgeschreven interval |
|||||||
| Controle uitgevoerd door: | ||
| Item | Datum | Informatie |
| 1 | ||
| 2 | ||
| 3 | ||
| 4 | ||
| 5 | ||
| 6 | ||
| 7 | ||
| 8 | ||
Important: Raadpleeg de Gebruikershandleiding van de motor en de Gebruikershandleiding van de maai-eenheid voor verdere onderhoudsprocedures.
Note: Om een elektrisch of hydraulisch schema van uw machine te verkrijgen, kunt u terecht op www.Toro.com.
Als u het sleuteltje in het contact laat, bestaat de kans dat iemand de motor per ongeluk start waardoor u of andere omstanders ernstig letsel kunnen oplopen.
Verwijder het sleuteltje uit het contact voordat u onderhoudswerkzaamheden uitvoert aan de machine.
Doe het volgende voordat u de machine gaat afstellen, schoonmaken of repareren:
Parkeer de machine op een horizontaal oppervlak.
Zet de gashendel op stationair – laag.
Schakel de maai-eenheden uit.
Breng de maai-eenheden omlaag.
Zorg dat de tractie in neutraal staat.
Haal de parkeerrem aan.
Zet de motor af en verwijder het sleuteltje.
Wacht tot alle bewegende onderdelen tot stilstand zijn gekomen.
Laat de onderdelen van de machine afkoelen voordat u onderhoudswerkzaamheden uitvoert.
Voer indien mogelijk geen onderhoudswerkzaamheden uit als de motor draait. Blijf uit de buurt van bewegende onderdelen.
Plaats de machine of onderdelen ervan op assteunen indien dit nodig is.
Haal voorzichtig de druk van onderdelen met opgeslagen energie.
Maak de motorkapvergrendelingen (Figuur 45) los en open de motorkap.

Verwijder de borgpennen waarmee de achterste beugels van de motorkapvergrendeling aan de pennen van het frame zijn bevestigd en verwijder de motorkap.
| Onderhoudsinterval | Onderhoudsprocedure |
|---|---|
| Om de 50 bedrijfsuren |
|
De machine is voorzien van smeerpunten die regelmatig moeten worden gesmeerd met nr. 2 smeervet op lithiumbasis. Als u de machine in normale omstandigheden gebruikt, moet u alle lagers en lagerbussen om de 50 bedrijfsuren of direct na een wasbeurt smeren.
De smeerpunten en de hoeveelheden zijn:
Lagers van draaipunt van remas (5) (Figuur 46)

Lagerbussen van draaipunt van achteras (2) (Figuur 47)

Kogelverbindingen van stuurcilinder (2) (Figuur 48)

Kogelverbindingen van spoorstang (2) (Figuur 48)
Lagerbussen van koppelpen (2) (Figuur 48). De bovenste nippel op de koppelpen hoeft slechts één keer per jaar te worden gesmeerd (twee keer pompen).
Lagerbussen van hefarm (1 per maaidek) (Figuur 49)

Lagerbussen van hefcilinder (2 per maaidek) (Figuur 49)
Draaikogellagers van hefarm (1 per maaidek) (Figuur 50)
Draagframe van maaidek (2 per maaidek) (Figuur 50)
As van hefarm van maaidek (1 per maaidek) (Figuur 50)

U moet de motor afzetten voordat u het oliepeil controleert of het carter bijvult met olie.
Verander de snelheid van de toerenregelaar niet en laat de motor het maximale toerental niet overschrijden.
| Onderhoudsinterval | Onderhoudsprocedure |
|---|---|
| Om de 400 bedrijfsuren |
|
Controleer de luchtfilterbehuizing op schade die een luchtlek kan veroorzaken. Vervang deze in geval van beschadiging. Controleer het gehele luchtinlaatsysteem op lekken, beschadiging of losse slangklemmen.
Geef het luchtfilter uitsluitend een onderhoudsbeurt als de onderhoudsindicator (Figuur 51) dit aangeeft. Als u het luchtfilter vervangt voordat dit nodig is, wordt alleen maar de kans vergroot dat er vuil in de motor komt als het filter wordt verwijderd.

Important: Zorg ervoor dat het deksel goed vastzit en de luchtfilterbehuizing helemaal afsluit.
Plaats de machine op een horizontaal oppervlak, laat de maai-eenheden zakken, stel de parkeerrem in werking, zet de motor af en verwijder het sleuteltje.
Trek de vergrendeling naar buiten en draai het luchtfilterdeksel linksom (Figuur 52).

Verwijder het deksel van de luchtfilterbehuizing.
Voordat u het filter weghaalt, moet u met schone en droge perslucht onder lage druk (2,76 bar) grote hoeveelheden aangekoekt vuil verwijderen dat tussen de buitenkant van het voorfilter en de filterbus zit. Gebruik geen perslucht onder hoge druk, omdat hierdoor vuil via the filter in het inlaatkanaal kan worden geblazen.
Deze reiniging voorkomt dat er rommel in de inlaat terechtkomt als het voorfilter wordt verwijderd.
Verwijder en vervang het voorfilter (Figuur 53).
Het wordt afgeraden het gebruikte element te reinigen omdat dit kan leiden tot beschadiging van de filtermedia. Inspecteer het nieuwe filter op transportschade en controleer het uiteinde van het filter, dat goed moet aansluiten, en de filterbehuizing. Een beschadigd element mag niet worden gebruikt.
Plaats het nieuwe filter door de buitenring van het element aan te drukken om dit vast te zetten in de filterbus. Druk niet op het flexibele midden van het filter.

Important: Probeer nooit een veiligheidsfilter te reinigen (Figuur 54). Plaats steeds een nieuw veiligheidsfilter als het voorfilter 3 onderhoudsbeurten heeft gehad.

Reinig de opening van de vuiluitlaat in het afneembare deksel.
Verwijder de rubberen uitlaatklep van het deksel, maak de holte schoon en plaats de uitlaatklep.
Monteer het deksel met de rubberen uitlaatklep naar beneden gericht, in een stand tussen ongeveer 5 tot 7 uur gezien vanaf het uiteinde.
Stel de indicator (Figuur 51) opnieuw in als deze rood is.
| Onderhoudsinterval | Onderhoudsprocedure |
|---|---|
| Om de 250 bedrijfsuren |
|
Plaats de machine op een horizontaal oppervlak, laat de maai-eenheden zakken, stel de parkeerrem in werking, zet de motor af en verwijder het sleuteltje.
Verwijder de aftapplug (Figuur 55) en laat de olie in een opvangbak lopen.

Plaats de aftapplug wanneer de olie stopt.
Verwijder het oliefilter (Figuur 56).

Smeer een dun laagje schone olie op de nieuwe filterpakking voordat u deze plaatst.
Note: Draai het filter niet te vast.
Het carter met olie vullen, zie Het motoroliepeil controleren.
Stel de kabel van de gashendel (Figuur 57) zo af, dat de regelhendel op de motor contact maakt met de stelbout voor hoog toerental op hetzelfde punt waar de kabel van de gashendel contact maakt met het uiteinde van de sleuf in de bedieningsarm.

In bepaalde omstandigheden zijn brandstof en brandstofdampen uiterst ontvlambaar en explosief. Brand of explosie van brandstof kan brandwonden of materiële schade veroorzaken.
Vul de brandstoftank in de open lucht wanneer de motor koud is en uit staat. Eventueel gemorste brandstof opnemen.
Vul de brandstoftank niet helemaal vol. Vul de brandstoftank tot 25 mm vanaf de bovenkant van de tank, niet de vulbuis. Dit geeft de brandstof in de tank ruimte om uit te zetten.
Rook nooit wanneer u met brandstof bezig bent en houd de brandstof weg van open vlammen of vonken.
Bewaar de brandstof in schone, veilige en goedgekeurde containers en zorg dat de dop op zijn plaats blijft.
| Onderhoudsinterval | Onderhoudsprocedure |
|---|---|
| Om de 800 bedrijfsuren |
|
| Vóór de stalling |
|
Plaats de machine op een horizontaal oppervlak, laat de maai-eenheden zakken, stel de parkeerrem in werking, zet de motor af en verwijder het sleuteltje.
De tank moet worden afgetapt en gereinigd als het brandstofsysteem vervuild raakt of wanneer de machine voor langere tijd wordt gestald. Gebruik schone brandstof om de tank uit te spoelen.
| Onderhoudsinterval | Onderhoudsprocedure |
|---|---|
| Om de 400 bedrijfsuren |
|
Plaats de machine op een horizontaal oppervlak, laat de maai-eenheden zakken, stel de parkeerrem in werking, zet de motor af en verwijder het sleuteltje.
Inspecteer de brandstofleidingen op slijtage, beschadigingen of loszittende verbindingen.
| Onderhoudsinterval | Onderhoudsprocedure |
|---|---|
| Bij elk gebruik of dagelijks |
|
| Om de 400 bedrijfsuren |
|
Plaats de machine op een horizontaal oppervlak, laat de maai-eenheden zakken, stel de parkeerrem in werking, zet de motor af en verwijder het sleuteltje.
Plaats een schone opvangbak onder het brandstoffilter.
Draai de aftapplug onder de filterbus los.

Reinig de omgeving van de plaats waar de filterbus wordt gemonteerd.
Verwijder de filterbus en reinig de plaats waar deze wordt gemonteerd.
Smeer schone olie op de pakking van de filterbus.
Monteer de filterbus met de hand totdat de pakking contact maakt en draai deze vervolgens nog een halve slag verder.
Draai de aftapplug onder de filterbus vast.
Plaats de machine op een horizontaal oppervlak, laat de maai-eenheden zakken, stel de parkeerrem in werking, zet de motor af en verwijder het sleuteltje.
De brandstofinlaatbuis bevindt zich in de brandstoftank en is voorzien van een rooster dat voorkomt dat er vuil in het brandstofsysteem komt. Verwijder de brandstofinlaatbuis en reinig het rooster als dit nodig is.
Koppel de accu af voordat u reparaties aan de machine verricht. Maak eerst de minpool van de accu los en daarna de pluspool. Bevestig eerst de pluspool van de accu en daarna de minpool.
Laad de accu op in een open, goed geventileerde ruimte, uit de buurt van vonken en open vuur. Haal de oplader uit het stopcontact voordat u de accu aan- of loskoppelt. Draag beschermende kleding en gebruik geïsoleerd gereedschap.
Plaats de machine op een horizontaal oppervlak, laat de maai-eenheden zakken, stel de parkeerrem in werking, zet de motor af en verwijder het sleuteltje.
Ontgrendel het bedieningspaneel en breng dit omhoog (Figuur 59).

Accuzuur bevat zwavelzuur; deze stof is dodelijk bij inname en veroorzaakt ernstige brandwonden.
U mag accuzuur nooit inslikken en moet elk contact met huid, ogen of kleding vermijden. Draag een veiligheidsbril en rubberhandschoenen om uw ogen en handen te beschermen.
Vul de accu alleen bij op plaatsen waar schoon water aanwezig is om indien nodig uw huid af te spoelen.
Sluit een acculader van 3 tot 4 A aan op de accupolen.
Laad de accu op gedurende 4 tot 8 uur bij 3-4 A.
Als de accu is opgeladen, haalt u de acculader uit het stopcontact en maakt u deze los van de accupolen.
Bij het opladen produceert de accu gassen die tot ontploffing kunnen komen.
Rook nooit in de buurt van de accu en zorg ervoor dat er geen vonken of vlammen vlakbij de accu komen.
Bevestig de pluskabel (rood) aan de klem van pluspool (+) van de accu en de minkabel (zwart) aan de klem van minpool (-) van de accu (Figuur 60).

Bevestig de kabels met inbusbouten en moeren aan de accupolen.
Zorg ervoor dat de accuklem helemaal op de pluspool zit en de kabel goed op de accu is geplaatst. De kabel mag geen contact maken met het accudeksel.
Schuif het rubberen stofkapje over de pluspool om eventuele kortsluiting te voorkomen.
Om corrosie van de accuklemmen te voorkomen, moet hierop u een dun laagje Grafo 112X-vet (Toro onderdeelnr. 505-47), vaseline of dunvloeibare smeerolie aanbrengen.
Schuif het rubberen kapje over de pluspool van de accu heen.
Sluit het bedieningspaneel en sluit de vergrendeling.
Accupolen of metalen gereedschappen kunnen kortsluiting maken met metalen onderdelen van de , waardoor vonken kunnen ontstaan. Hierdoor kunnen accugassen tot ontploffing komen en lichamelijk letsel veroorzaken.
Zorg ervoor dat bij het verwijderen of installeren van de accu de accupolen niet in aanraking komen met metalen onderdelen van de machine.
Voorkom dat metalen gereedschappen kortsluiting veroorzaken tussen de accupolen en metalen onderdelen van de machine.
Als de accukabels verkeerd worden verbonden, kan dit schade aan de machine en de kabels tot gevolg hebben en vonken veroorzaken. Hierdoor kunnen accugassen tot ontploffing komen en lichamelijk letsel veroorzaken.
Maak altijd de minkabel (zwart) van de accu los voordat u de pluskabel (rood) losmaakt.
Sluit altijd de pluskabel (rood) van de accu aan voordat u de minkabel (zwart) aansluit.
| Onderhoudsinterval | Onderhoudsprocedure |
|---|---|
| Om de 50 bedrijfsuren |
|
Important: Voordat u laswerkzaamheden aan de machine verricht, moet u de minkabel loskoppelen van de accu om beschadiging van het elektrische systeem te voorkomen.
Note: Controleer de conditie van de accu elke week of om de 50 bedrijfsuren. Zorg ervoor dat de accuklemmen en de gehele accubehuizing schoon zijn omdat een vuile accu langzaam stroom afgeeft.
Reinig de accu als volgt:
Plaats de machine op een horizontaal oppervlak, laat de maai-eenheden zakken, stel de parkeerrem in werking, zet de motor af en verwijder het sleuteltje.
Verwijder de accu uit de machine.
Maak de gehele accubehuizing schoon met een oplossing van natriumbicarbonaat en water.
Spoel de accubehuizing met schoon water.
Smeer een dun laagje Grafo 112X-vet (Toro-onderdeelnr. 505-47) of vaseline op de accupolen en de kabelklemmen om corrosie te voorkomen.
De zekeringen bevinden zich onder het bedieningspaneel.

Plaats de machine op een horizontaal oppervlak, laat de maai-eenheden zakken, stel de parkeerrem in werking, zet de motor af en verwijder het sleuteltje.
Maak de vergrendeling los en breng het bedieningspaneel omhoog (Figuur 62) om toegang te krijgen tot de zekeringen (Figuur 63).



| Onderhoudsinterval | Onderhoudsprocedure |
|---|---|
| Na de eerste 8 bedrijfsuren |
|
| Om de 200 bedrijfsuren |
|
Plaats de machine op een horizontaal oppervlak, laat de maai-eenheden zakken, stel de parkeerrem in werking, zet de motor af en verwijder het sleuteltje.
Indien de wielmoeren niet steeds zijn aangedraaid met de correcte torsie, kan dit leiden tot defecten of verlies van een wiel, waardoor lichamelijk letsel kan worden veroorzaakt.
De torsie van de moeren van de voorwielen en achterwielen moet 115 tot 136 N·m bedragen. Haal de moeren aan na 1 tot 4 bedrijfsuren en nog eens na 8 bedrijfsuren. Draai de wielmoeren vervolgens om de 200 uur aan.
Note: De moeren van de voorwielen zijn 1/2-20 UNF. De moeren van de achterwielen zijn M12 x 1,6-6H (metrisch).
| Onderhoudsinterval | Onderhoudsprocedure |
|---|---|
| Om de 400 bedrijfsuren |
|
De planeetaandrijvingen/aandrijfwielen mogen geen eindspeling hebben (d.w.z. de wielen mogen niet bewegen wanneer u ze in een richting parallel met de as duwt of trekt).
Parkeer de machine op een horizontaal oppervlak, stel de parkeerrem in werking, laat de maai-eenheden zakken, schakel de motor uit en verwijder het sleuteltje.
Blokkeer de achterwielen en hef de voorzijde van de machine op; laat de vooras/het frame op assteunen rusten.
Een opgekrikte machine kan wankel staan en van de krik glijden waardoor iemand die zich onder de machine bevindt letsel kan oplopen.
Start de motor niet als de machine is opgekrikt.
Haal altijd het sleuteltje uit het contact voordat u van de machine stapt.
Blokkeer de wielen wanneer u de machine opkrikt.
Ondersteun de machine met assteunen.
Neem een van de voorste aandrijfwielen en duw/trek het naar de machine toe en van de machine weg; controleer of het beweegt.

Herhaal stap 3 voor het andere aandrijfwiel.
Als een wiel beweegt, moet u contact opnemen met uw erkende Toro distributeur om de planeetaandrijving te laten reviseren.
| Onderhoudsinterval | Onderhoudsprocedure |
|---|---|
| Om de 400 bedrijfsuren |
|
Aanbevolen smeermiddel: hoogwaardige SAE 85W-140 transmissieolie
Plaats de machine op een egale ondergrond en zet het wiel zodanig dat de vulplug zich bovenaan bevindt, de controleplug rechts en de aftapplug onderaan (Figuur 66).

Verwijder de controleplug rechts (Figuur 66).
De olie zou tot de onderkant van de opening van de controleplug moeten reiken.

Als het peil te laag is, verwijder dan de vulplug bovenaan en voeg olie toe tot deze uit de opening aan de rechterkant begint te vloeien.
Controleer de O-ring voor de plug(gen) op slijtage of schade.
Note: Vervang de O-ring(en) indien nodig.
Plaats de plug(en).
Herhaal stappen 1 tot en met 5 voor het planeetwiel aan de andere kant van de machine.
| Onderhoudsinterval | Onderhoudsprocedure |
|---|---|
| Na de eerste 200 bedrijfsuren |
|
| Om de 800 bedrijfsuren |
|
Aanbevolen smeermiddel: hoogwaardige SAE 85W-140 transmissieolie
Smeermiddelcapaciteit planeetwiel- en remkast: 0,65 liter
Plaats de machine op een egale ondergrond en zet het wiel zodanig dat de vulplug zich bovenaan bevindt, de controleplug rechts en de aftapplug onderaan; zie Figuur 66 in Het smeermiddel van de planeetwielaandrijving controleren.
Verwijder de vulplug bovenaan en de controleplug rechts (Figuur 68).

Plaats een opvangbak onder de naaf van het planeetwiel, verwijder de aftapplug onderaan en laat al de olie weglopen (Figuur 68).
Controleer de O-ringen van de vul-, controle- en aftappluggen op slijtage of schade.
Note: Vervang de O-ring(en) indien nodig.
Monteer de aftapplug in de aftapopening van de planeetwielkast (Figuur 68).
Plaats een opvangbak onder de remkast, verwijder de aftapplug en laat al de olie in de bak lopen (Figuur 69).

Controleer de O-ring van de plug op slijtage of schade en monteer de aftapplug in de remkast.
Note: Vervang de O-ring indien nodig.
Giet langzaam 0,65 liter hoogwaardige SAE 85W-140 tandwielolie door de opening van de vulplug.
Important: Als het planeetwiel vol is voordat u 0,65 liter olie hebt toegevoegd, moet u 1 uur wachten of de plug monteren en de machine ongeveer 3 meter verplaatsen om de olie over het remsysteem te verdelen. Verwijder daarna de plug en voeg de resterende olie toe.

Plaats de vulplug en de controleplug.
Veeg de planeetwiel- en remkast schoon (Figuur 71).

Herhaal stappen 1 tot en met 7 in De olie uit de planeetwielaandrijving verwijderen en stappen 1 tot en met 3 in deze procedure voor de planeetwiel- en remeenheid aan de andere kant van de machine.
| Onderhoudsinterval | Onderhoudsprocedure |
|---|---|
| Om de 400 bedrijfsuren |
|
De achteras is in de fabriek gevuld met SAE 85-140 tandwielolie. De capaciteit bedraagt 2,4 liter. Controleer elke dag op lekkage.
Plaats de machine op een horizontaal oppervlak, laat de maai-eenheden zakken, stel de parkeerrem in werking, zet de motor af en verwijder het sleuteltje.
Verwijder de controleplug van één uiteinde van de as (Figuur 72) en controleer of de olie tot aan de onderkant van de opening komt. Indien het peil te laag staat, verwijdert u de vulplug (Figuur 72) en vult u voldoende olie bij totdat het peil de onderkant van de openingen van de controleplug bereikt.

| Onderhoudsinterval | Onderhoudsprocedure |
|---|---|
| Na de eerste 200 bedrijfsuren |
|
| Om de 800 bedrijfsuren |
|
Plaats de machine op een horizontaal oppervlak, laat de maai-eenheden zakken, stel de parkeerrem in werking, zet de motor af en verwijder het sleuteltje.
Reinig de omgeving van de drie aftappluggen, 1 aan elke kant en 1 in het midden (Figuur 73).

Verwijder de controlepluggen voor het oliepeil en de ontluchtingsdop op de hoofdas zodat de olie gemakkelijk kan weglopen.
Verwijder de aftappluggen zodat de olie in de opvangbakken kan lopen.
Plaats de pluggen.
Verwijder en controleplug en vuil de as met ongeveer 2,37 liter 85W-140 tandwielkastolie, of totdat de olie de onderkant van het gat bereikt.
Plaats de controleplug terug.
| Onderhoudsinterval | Onderhoudsprocedure |
|---|---|
| Om de 400 bedrijfsuren |
|
De achteras is gevuld met SAE 85W-140 smeerolie. U moet echter het oliepeil controleren voordat u de machine voor de eerste keer in gebruik neemt, en daarna om de 400 bedrijfsuren. De capaciteit bedraagt 0,5 liter. Controleer elke dag op lekkage.
Plaats de machine op een horizontaal oppervlak, laat de maai-eenheden zakken, stel de parkeerrem in werking, zet de motor af en verwijder het sleuteltje.
Verwijder de controle/vulplug aan de linkerzijde van de tandwielkast (Figuur 74) en controleer of de tandwielolie tot aan de onderkant van de opening komt. Als het peil te laag is, vult u voldoende tandwielolie bij totdat het peil de onderkant van de opening bereikt.

De machine mag niet kruipen als het tractiepedaal niet is ingetrapt. Als de machine kruipt, is afstelling vereist
Parkeer de machine op een horizontaal oppervlak, schakel de motor uit, zet de snelheidsregeling op Laag, en laat de maai-eenheden neer.
Trap alleen het rechterrempedaal en stel de parkeerrem in werking.
Krik de linkerkant van de machine omhoog totdat het linkervoorwiel vrij komt van de vloer van de werkplaats. Zorg ervoor dat de machine steunt op de rustpunten van de krik om te voorkomen dat de machine per ongeluk valt.
Start de motor en laat deze laagstationair lopen.
Draai aan de contramoeren op het uiteinde van de pompstang en beweeg de bedieningshendel van de pomp naar voren als de machine voorwaarts kruipt, of naar achteren als de machine achterwaarts kruipt, totdat de machine niet meer kruipt (Figuur 75).

Als de wielen niet meer draaien, draait u de contramoeren vast om de afstelling te borgen.
Zet de motor af en zet de rechterrem vrij.
Haal de assteunen weg en laat de machine neer op de grond.
Maak een proefrit met de machine om er zeker van te zijn dat deze niet kruipt.
| Onderhoudsinterval | Onderhoudsprocedure |
|---|---|
| Om de 800 bedrijfsuren |
|
Plaats de machine op een horizontaal oppervlak, laat de maai-eenheden zakken, stel de parkeerrem in werking, zet de motor af en verwijder het sleuteltje.
Meet de afstand hart-op-hart van het toespoor (ter hoogte van de assen) aan de voorzijde en de achterzijde van de stuurwielen.
Note: De afstand aan de voorzijde moet 3 mm korter zijn dan de gemeten afstand aan de achterzijde (Figuur 76).

Om het toespoor bij te stellen verwijdert u de borgpen en de moer van één van de kogelverbindingen van de trekstang (Figuur 77).

Verwijder de kogelverbinding van de trekstang uit de steun van het differentieelhuis.
Draai de klemmen aan beide uiteinden van de spoorstangen los (Figuur 77).
Draai de losgezette kogelverbinding 1 hele slag naar binnen of naar buiten.
Zet de klem vast op het losse uiteinde van de trekstang.
Draai de complete trekstang 1 hele slag in dezelfde richting (naar binnen of naar buiten).
Zet de klem vast op het aangesloten uiteinde van de trekstang.
Plaats de kogelverbinding in de steun van het differentieelhuis en draai de moer met de hand vast.
Meet het toespoor.
Herhaal deze procedure indien nodig.
Draai de moer vast en monteer een nieuwe pen als de afstelling correct is.
Motorkoelvloeistof inslikken kan lichamelijk letsel of dodelijk letsel veroorzaken; buiten bereik van kinderen en huisdieren houden.
Als u hete, onder druk staande koelvloeistof over u heen krijgt of in aanraking komt met een hete radiateur of omliggende delen, kunt u ernstige brandwonden oplopen.
Laat de motor altijd minstens 15 minuten afkoelen voordat u de radiateurdop losdraait.
Gebruik een doek als u de radiateurdop verwijdert en draai de dop langzaam open om de stoom te laten ontsnappen.
| Onderhoudsinterval | Onderhoudsprocedure |
|---|---|
| Bij elk gebruik of dagelijks |
|
Verwijder dagelijks het vuil uit de omgeving van de motor, de oliekoeler en de radiateur. Reinig ze vaker als in vuile omstandigheden wordt gemaaid.
Plaats de machine op een horizontaal oppervlak, laat de maai-eenheden zakken, stel de parkeerrem in werking, zet de motor af en verwijder het sleuteltje.
Ontgrendel en draai het achterscherm open (Figuur 78).

Verwijder grondig al het vuil dat zich op het scherm bevindt.
Note: Om het scherm te verwijderen, moet u de scharnierpennen verwijderen.
Reinig beide zijden van de oliekoeler en de omgeving van de radiateur (Figuur 79) grondig met perslucht. Begin aan de voorkant en blaas het vuil eruit naar de achterkant. Reinig vervolgens vanaf de achterkant en blaas het vuil naar de voorkant. Herhaal deze procedure verschillende keren totdat het maaisel en het vuil geheel zijn verwijderd.

Important: Als u de radiateur of de oliekoeler met water reinigt, kan hierdoor voortijdig corrosie optreden en kunnen onderdelen schade oplopen en kan vuil gaan aankoeken.
Sluit het achterscherm en zet het vast met de vergrendeling.
Stel de serviceremmen af als de rempedalen meer dan 13 mm 'speling' hebben of als de remmen niet naar behoren functioneren. Met speling wordt de afstand bedoeld die het rempedaal aflegt als het wordt ingetrapt voordat er remweerstand wordt gevoeld.
Plaats de machine op een horizontaal oppervlak, laat de maai-eenheden zakken, stel de parkeerrem in werking, zet de motor af en verwijder het sleuteltje.
Haal de borgpen van de rempedalen los zodat beide pedalen onafhankelijk van elkaar kunnen functioneren.
Om de speling op de rempedalen te verkleinen, moet u de remmen als volgt vaster zetten:
Draai de voorste moer op het draadeinde van de remkabel los (Figuur 80).

Draai vervolgens de achterste moer vast om de kabel naar achteren te halen totdat de rempedalen 0 tot 13 mm speling hebben.
Note: Zorg ervoor dat er geen remspanning is als u het pedaal loslaat.
Draai de voorste moeren aan nadat de remmen correct zijn afgesteld.
| Onderhoudsinterval | Onderhoudsprocedure |
|---|---|
| Om de 100 bedrijfsuren |
|
Bij een correcte spanning heeft de riem een speling van 10 mm als u halverwege tussen de poelies op de riem drukt met een kracht van 45 N (4,5 kg).
Als de indrukking niet correct is (geen 10 mm), moet u de montagebouten van de wisselstroomdynamo losdraaien (Figuur 81).

Verhoog of verminder de spanning van de riem van de wisselstroomdynamo en draai de bouten vast.
Controleer nogmaals de indrukking van de riem om zeker van te zijn dat de spanning correct is.
Waarschuw onmiddellijk een arts als er hydraulische vloeistof is geïnjecteerd in de huid. Geïnjecteerde vloeistof moet binnen enkele uren operatief worden verwijderd door een arts.
Controleer of alle hydraulische slangen en leidingen in goede staat verkeren en alle hydraulische aansluitingen en fittings stevig vastzitten voordat u druk zet op het hydraulische systeem.
Houd lichaam en handen uit de buurt van kleine lekgaten of spuitmonden waaruit onder hoge druk hydraulische vloeistof ontsnapt.
U kunt lekken in het hydraulische systeem opsporen met behulp van karton of papier.
Hef alle druk in het hydraulische systeem op veilige wijze op, voordat u werkzaamheden gaat verrichten aan het hydraulische systeem.
| Onderhoudsinterval | Onderhoudsprocedure |
|---|---|
| Bij elk gebruik of dagelijks |
|
Het reservoir is in de fabriek gevuld met ongeveer 28,4 liter hoogwaardige hydraulische vloeistof. Controleer het peil van de hydraulische vloeistof voordat de motor voor het eerst wordt gestart, en vervolgens dagelijks.
Aanbevolen wordt het reservoir bij te vullen met Toro Premium All Season hydraulische vloeistof — verkrijgbaar in emmers van 19 liter of vaten van 208 liter. Raadpleeg de Onderdelencatalogus of een erkende Toro distributeur voor de onderdeelnummers).
Alternatieve vloeistoffen: Als de aanbevolen vloeistof van Toro niet beschikbaar is, kunt u andere gewone, op petroleum gebaseerde vloeistoffen gebruiken als deze voldoen aan alle onderstaande materiaaleigenschappen en industriespecificaties. Vraag uw leverancier van hydraulische vloeistof of de vloeistof voldoet aan deze specificaties.
Note: Toro aanvaardt geen enkele aansprakelijkheid voor schade die wordt veroorzaakt door gebruik van verkeerde vervangende vloeistoffen. Gebruik daarom uitsluitend producten van gerenommeerde fabrikanten die garant staan voor de door hen aanbevolen vloeistoffen.
| ISO VG 46 multigrade slijtagewerende hydraulische vloeistof met hoge viscositeitsindex/laag stolpunt | |||
| Materiaaleigenschappen: | |||
| Viscositeit, ASTM D445 | cSt bij 40 °C 44 tot 50cSt bij 100 °C 7,9 tot 9,1 | ||
| Viscositeitsindex ASTM D2270 | 140 of hoger (een hoge viscositeitsindex wijst op een type olie met viscositeitsmodifier) | ||
| Stolpunt, ASTM D97 | -37 °C tot -45 °C | ||
| FZG, Fail stage | 11 of beter | ||
| Watergehalte (nieuwe vloeistof) | 500 ppm (maximum) | ||
| Industriespecificaties: | |||
| Vickers I-286-S, Vickers M-2950-S, Denison HF-0, Vickers 35 VQ 25 (Eaton ATS373-C) | |||
De juiste hydraulische vloeistoffen moeten geschikt zijn voor mobiele machines (in tegenstelling tot gebruik in een fabriek), een type olie met een viscositeitmodifier, met ZnDTP of ZDDP slijtagewerend additievenpakket (geen asloze vloeistof).
Important: De ISO VG 46 multigrade vloeistof blijkt optimaal te presteren in een brede reeks van temperatuuromstandigheden. Voor gebruik bij constant hoge omgevingstemperaturen van 18 °C tot 49 °C, kan ISO VG 68 hydraulische vloeistof zorgen voor betere prestaties.
Hoogwaardige biologisch afbreekbare hydraulische vloeistof-Mobil EAL EnviroSyn 46H
Important: Mobil EAL EnviroSyn 46H is de enige synthetische biologisch afbreekbare vloeistof die Toro heeft goedgekeurd. Deze vloeistof is compatibel met de elastomeren die worden gebruikt in hydraulische systemen van Toro, en is geschikt voor een groot aantal temperatuursomstandigheden. Deze vloeistof is compatibel met gangbare vloeistoffen, maar met het oog op maximale biologische afbreekbaarheid en goede prestaties moet gewone vloeistof grondig uit het hydraulische systeem worden gespoeld. De vloeistof is verkrijgbaar in emmers van 19 liter of vaten van 208 liter bij een Mobil distributeur.
Important: Veel hydraulische vloeistoffen zijn bijna kleurloos, zodat het moeilijk is lekkages op te sporen. Er is een rode kleurstof voor de hydraulische vloeistof verkrijgbaar in flesjes van 20 ml. Een flesje is voldoende voor 15 tot 22 liter hydraulische vloeistof. U kunt deze kleurstof bestellen bij een erkende Toro- distributeur, onderdeelnr. 44-2500.
Plaats de machine op een horizontaal oppervlak, laat de maai-eenheden zakken, stel de parkeerrem in werking, zet de motor af en verwijder het sleuteltje.
Reinig de omgeving van de vulbuis en de dop van de hydraulische tank (Figuur 82).

Verwijder de dop van de vulbuis.
Verwijder de peilstok uit de vulbuis en veeg deze af met een schone doek.
Steek de peilstok in de vulbuis, haal hem er vervolgens weer uit en controleer het vloeistofpeil.
Het vloeistofpeil moet tussen de 2 markeringen op de peilstok staan.
Als het peil te laag is, vult u genoeg vloeistof bij totdat het peil de bovenste markering bereikt.
Plaats de peilstok en de dop op de vulbuis.
| Onderhoudsinterval | Onderhoudsprocedure |
|---|---|
| Om de 800 bedrijfsuren |
|
Als de vloeistof verontreinigd raakt, moet u contact opnemen met uw erkende Toro distributeur omdat het systeem dient te worden schoongespoeld. Verontreinigde vloeistof ziet er in vergelijking met schone vloeistof melkachtig of zwart uit.
Plaats de machine op een horizontaal oppervlak, laat de maai-eenheden zakken, stel de parkeerrem in werking, zet de motor af en verwijder het sleuteltje.
Til de motorkap op.
Maak de terugvoerleiding van de bak los van de bodem van het hydraulische reservoir en laat de hydraulische vloeistof in een opvangbak lopen.
Plaats de leiding weer terug als er geen hydraulische vloeistof meer naar buiten komt.
Vul het reservoir met ongeveer 28,4 liter hydraulische vloeistof; zie Controleer het peil van de hydraulische vloeistof.
Important: Gebruik uitsluitend de gespecificeerde hydraulische vloeistoffen. Andere vloeistoffen kunnen schade aan het systeem veroorzaken.
Plaats de dop weer op het reservoir.
Start de motor en gebruik alle hydraulische bedieningsorganen om de hydraulische vloeistof door het hele systeem te verspreiden.
Controleer op lekkages en zet de motor af.
Controleer het vloeistofpeil en vul vloeistof bij totdat het peil de Full-markering (Vol) op de peilstok bereikt.
Note: Vul het hydraulische systeem niet te vol.
| Onderhoudsinterval | Onderhoudsprocedure |
|---|---|
| Na de eerste 200 bedrijfsuren |
|
| Om de 800 bedrijfsuren |
|
Gebruik ter vervanging Toro filters met onderdeelnr. 94-2621 op de achterkant (maai-eenheid) van de machine en onderdeelnr. 75-1310 op de voorkant (druk) van de machine.
Important: Als u een ander type filter gebruikt, kan de garantie van bepaalde onderdelen komen te vervallen.
Plaats de machine op een horizontaal oppervlak, laat de maai-eenheden zakken, stel de parkeerrem in werking, zet de motor af en verwijder het sleuteltje.
Reinig de omgeving van de plaats waar het filter wordt gemonteerd.
Plaats een opvangbak onder het filter en verwijder het filter (Figuur 83 en Figuur 84).
Smeer de nieuwe filterpakking en vul het filter met hydraulische vloeistof.


Zorg ervoor dat de plaats waar het filter wordt bevestigd, schoon is.
Schroef het filter erop totdat de pakking contact maakt met de bevestigingsplaat: draai het filter vervolgens nog eens een ½ slag.
Start de motor en laat deze ongeveer 2 minuten lopen om lucht uit het systeem te verwijderen.
Zet de motor af en controleer op lekkages.
| Onderhoudsinterval | Onderhoudsprocedure |
|---|---|
| Bij elk gebruik of dagelijks |
|
Plaats de machine op een horizontaal oppervlak, laat de maai-eenheden zakken, stel de parkeerrem in werking, zet de motor af en verwijder het sleuteltje.
Controleer dagelijks de hydraulische leidingen en slangen op lekkages, kinken, loszittende steunen, slijtage, loszittende aansluitingen, slijtage door weersinvloeden en de inwerking van chemicaliën. Voer alle noodzakelijke reparaties uit voordat u de machine in gebruik neemt.
Een versleten of beschadigde maai-eenheid kan breken en een stuk van de messenkooi of het ondermes kan naar u of naar omstanders worden uitgeworpen en ernstig lichamelijk of dodelijk letsel toebrengen.
Controleer op gezette tijden de maai-eenheden op slijtage of beschadigingen.
Wees voorzichtig als u de maaidekken controleert. Omwikkel de maaimessen of draag handschoenen en wees voorzichtig als u onderhoudswerkzaamheden aan de messenkooien en ondermessen verricht. De maaimessen en ondermessen mogen alleen worden vervangen of geslepen; probeer ze nooit te rechten of eraan te lassen.
Let op dat bij machines met meerdere maaimessen andere messen kunnen gaan draaien doordat u 1 messenkooi draait.
Contact met de messenkooien of andere bewegende onderdelen kan lichamelijk letsel veroorzaken.
Houd uw vingers, handen en kleding uit de buurt van de messenkooien of andere bewegende onderdelen.
Probeer de messenkooien nooit met uw handen of voeten te draaien of aan te raken terwijl de motor draait.
Note: Tijdens het wetten zijn de voormaaidekken en de achterste maaidekken tegelijk in werking.
Parkeer de machine op een horizontaal oppervlak, laat de maai-eenheden zakken, stel de parkeerrem in werking, zet de motor af en zet de afstakasschakelaar in de stand UIT.
Ontgrendel de motorkap en til deze omhoog zodat u bij de bedieningsorganen kunt komen.
Stel het contact tussen de messenkooi en het ondermes af en zorg ervoor dat dit geschikt is voor het wetten bij alle maaidekken; zie de Gebruikershandleiding van het maaidek.
Kies met de voorste, achterste of beide wethendels de messenkooien die moeten worden gewet (Figuur 85).
Start de motor en laat deze op een laag stationair toerental lopen.
Wanneer u het toerental van de motor tijdens het wetten verandert, kunnen de messenkooien tot stilstand komen.
Verander nooit het motortoerental tijdens het wetten.
Wet de messenkooien uitsluitend als de motor laag stationair loopt.
Aanraking met de maaidekken kan lichamelijk letsel veroorzaken.
Blijf buiten het bereik van de maaidekken alvorens verdere werkzaamheden uit te voeren.
Zet, terwijl de maaisnelheidbegrenzer op MAAIEN staat, de aftakasschakelaar op AAN.
Druk op de hefschakelaar om de gewenste messenkooien te beginnen wetten.
Breng de wetpasta aan met een borstel met lange steel.
Note: Gebruik geen borstel met een korte steel.

Als de messenkooien vast komen te zitten of onregelmatig worden tijdens het wetten, verhoogt u gasinstelling tot de messenkooi gestabiliseerd wordt.
Afstellen van de maaidekken tijdens het wetten: schakel de messenkooien uit door op de achterkant van de hefschakelaar te drukken, zet de aftakasschakelaar op UIT, en schakel de motor uit. Na de afstelling herhaalt u alle stappen5 tot en met 9.
Herhaal de procedure bij alle maaidekken die u wilt wetten.
Als u klaar bent met wetten, moet u de wethendels in de MAAISTAND zetten, de motorkap laten zakken en alle wetpasta van de maai-eenheden wassen. Stel indien nodig het tussen de messenkooi en het ondermes af. Zet de toerentalregeling van de messenkooien in de gewenste maaistand.
Important: Als u de wetschakelaar na het wetten niet in de stand UIT zet, zullen de maai-eenheden niet omhoog komen of naar behoren werken.
Note: Voor nadere informatie over het wetten, zie de Toro handleiding Slijpen van maaimachines met messenkooien en roterende messen, documentnr. 80-300SL.
Note: Voor een betere snijrand moet u de voorkant van het ondermes bijvijlen als u klaar bent met wetten. Hiermee verwijdert u bramen of ruwe randen die kunnen zijn ontstaan op de snijrand.
Plaats de machine op een horizontaal oppervlak, laat de maai-eenheden zakken, stel de parkeerrem in werking, zet de motor af en verwijder het sleuteltje.
Reinig de tractie-eenheid, de maai-eenheden en de motor grondig.
Controleer de bandenspanning; zie De bandenspanning controleren.
Controleer of alle bevestigingsmiddelen vastzitten; zet ze vast indien nodig.
Smeer alle smeer- en draaipunten met vet of olie. Neem overtollig vet op.
Plaatsen waar de lak is bekrast, beschadigd of geroest, moeten licht geschuurd en bijgewerkt worden. Eventuele deuken in de metalen carrosserie uitdeuken.
Verricht de volgende onderhoudswerkzaamheden aan de accu en de kabels; zie Veiligheid van het elektrisch systeem:
Haal de accuklemmen los van de accupolen.
Reinig de accu, de klemmen en de polen met behulp van een staalborstel en een oplossing van zuiveringszout (natriumbicarbonaat).
Smeer een dun laagje Grafo 112X-vet (Toro- onderdeelnr. 505-47) of vaseline (petrolatum) op de kabelklemmen en de accupolen om corrosie te voorkomen.
Laad de accu om de 60 dagen 24 uur lang op om loodsulfatie van de accu te voorkomen.
Tap de motorolie af uit het carter en plaats de aftapplug.
Verwijder het oliefilter en gooi het weg. Plaats een nieuw oliefilter.
Vul de motor met de opgegeven motorolie.
Start de motor en laat deze ongeveer twee minuten stationair lopen.
Zet de motor af en verwijder het sleuteltje.
Spoel de brandstoftank met verse, schone brandstof.
Zet alle onderdelen van het brandstofsysteem weer goed vast.
Zorg ervoor dat het luchtfilter grondig wordt gereinigd en een onderhoudsbeurt krijgt.
Plak de luchtfilterinlaat en de uitlaat af met weerbestendige tape.
Controleer de antivriesbescherming en vul het systeem bij met een oplossing die half uit water, half uit ethyleenglycol bestaat. Vul zoveel bij als nodig is met het oog op de plaatselijk te verwachten minimumtemperatuur.