| Wartungsintervall | Wartungsmaßnahmen |
|---|---|
| Bei jeder Verwendung oder täglich |
|
Dieser Aufsitzrasenmäher mit Messerspindeln sollte nur von geschulten Lohnarbeitern in gewerblichen Anwendungen eingesetzt werden. Er ist hauptsächlich für das Mähen von Gras auf gepflegten Grünflächen auf Golfplätzen, in Parks, Sportplätzen und öffentlichen Anlagen gedacht. Der Rasenmäher ist nicht für das Schneiden von Büschen, für das Mähen von Gras oder anderer Anpflanzungen entlang öffentlicher Verkehrswege oder für den landwirtschaftlichen Einsatz gedacht.
Lesen Sie diese Informationen sorgfältig durch, um sich mit dem ordnungsgemäßen Einsatz und der Wartung des Geräts vertraut zu machen und Verletzungen und eine Beschädigung des Geräts zu vermeiden. Sie tragen die Verantwortung für einen ordnungsgemäßen und sicheren Einsatz des Geräts.
Important: Zur Maximierung der Sicherheit, Leistung und des richtigen Betriebs dieser Maschine müssen Sie den Inhalt dieser Bedienungsanleitung sorgfältig lesen und verstehen. Wenn Sie diese Bedienungsanleitung nicht einhalten oder nicht richtig geschult sind, können Sie Verletzungen erleiden. Weitere Informationen zur sicheren Betriebspraxis, u. a. Sicherheitstipps und Schulungsunterlagen finden Sie unter www.toro.com.
Wenden Sie sich hinsichtlich Informationen zu Produkten und Zubehör sowie Angaben zu Ihrem örtlichen Vertragshändler oder zur Registrierung des Produktes direkt an Toro unter www.Toro.com.
Wenden Sie sich an den Toro-Vertragshändler oder Kundendienst, wenn Sie eine Serviceleistung, Originalersatzteile von Toro oder weitere Informationen benötigen. Haben Sie dafür die Modell- und Seriennummern der Maschine griffbereit. In Bild 1 wird der Standort der Modell- und Seriennummern am rechten vorderen Rahmen des Produkts angegeben. Tragen Sie hier bitte die Modell- und Seriennummern des Geräts ein.
Important: Scannen Sie mit Ihrem Mobilgerät den QR-Code auf der Seriennummernplatte (falls vorhanden), um auf Garantie-, Ersatzteil- oder andere Produktinformationen zuzugreifen.

In dieser Anleitung werden potenzielle Gefahren angeführt, und Sicherheitshinweise werden vom Sicherheitswarnsymbol (Bild 2) gekennzeichnet. Dieses Warnsymbol weist auf eine Gefahr hin, die zu schweren oder tödlichen Verletzungen führen kann, wenn Sie die empfohlenen Sicherheitsvorkehrungen nicht einhalten.

In dieser Anleitung werden zwei Begriffe zur Hervorhebung von Informationen verwendet. Wichtig weist auf spezielle mechanische Informationen hin, und Hinweis hebt allgemeine Informationen hervor, die Ihre besondere Beachtung verdienen.
Dieses Produkt entspricht allen relevanten europäischen Richtlinien. Weitere Angaben finden Sie in der separaten produktspezifischen Konformitätsbescheinigung.
Entsprechend dem California Public Resource Code Section 4442 oder 4443 ist der Einsatz des Motors in bewaldeten oder bewachsenen Gebieten ohne richtig gewarteten und funktionsfähigen Funkenfänger, wie in Section 4442 definiert, oder ohne einen Motor verboten, der nicht für die Brandvermeidung konstruiert, ausgerüstet und gewartet ist.
Die beiliegende Motoranleitung enthält Angaben zu den Abgasbestimmungen der amerikanischen Environmental Protection Agency (EPA) und den Kontrollvorschriften von Kalifornien zu Abgasanlagen, der Wartung und Garantie. Sie können einen Ersatz beim Motorhersteller anfordern.
KALIFORNIEN
Warnung zu Proposition 65
Die Dieselauspuffgase und einige Bestandteile wirken laut den Behörden des Staates Kalifornien krebserregend, verursachen Geburtsschäden oder andere Defekte des Reproduktionssystems
Batteriepole, -klemmen und -zubehör enthalten Blei und Bleibestandteile. Dies sind Chemikalien, die laut den Behörden des Staates Kalifornien krebserregend sind und zu Erbschäden führen können. Waschen Sie sich nach dem Umgang mit diesen Materialien die Hände.
Bei Verwendung dieses Produkts sind Sie ggf. Chemikalien ausgesetzt, die laut den Behörden des Staates Kalifornien krebserregend wirken, Geburtsschäden oder andere Defekte des Reproduktionssystems verursachen.
Diese Maschine erfüllt oder übersteigt die Anforderungen von EN ISO 5395:2013 (wenn die entsprechenden Aufkleber angebracht und Teile montiert sind) und ANSI B71.4-2017.
Dieses Produkt kann Hände und Füße amputieren und Gegenstände aufschleudern. Befolgen Sie zum Vermeiden von schweren Verletzungen immer alle Sicherheitshinweise.
Wenn diese Maschine für einen anderen Zweck als vorgesehen eingesetzt wird, kann das für Sie und andere Personen gefährlich sein.
Lesen und verstehen Sie vor dem Anlassen des Motors den Inhalt dieser Bedienungsanleitung.
Konzentrieren Sie sich immer bei der Verwendung der Maschine. Tun Sie nichts, was Sie ablenken könnte, sonst können Verletzungen oder Sachschäden auftreten.
Halten Sie Hände und Füße von beweglichen Teilen fern.
Bedienen Sie die Maschine niemals, wenn nicht alle Schutzvorrichtungen und Abdeckungen angebracht und funktionstüchtig sind.
Bleiben Sie immer von der Auswurföffnung fern. Halten Sie Unbeteiligte und Haustiere in einem sicheren Abstand zur Maschine.
Halten Sie Kinder aus dem Arbeitsbereich fern. Die Maschine darf niemals von Kindern betrieben werden.
Halten Sie die Maschine an und stellen den Motor aus, ehe Sie Wartungsarbeiten durchführen, Kraftstoff nachfüllen oder Blockierungen beseitigen.
Der unsachgemäße Einsatz oder die falsche Wartung dieser Maschine kann zu Verletzungen führen. Durch das Befolgen dieser Sicherheitshinweise kann das Verletzungsrisiko verringert werden. Achten Sie immer auf das Warnsymbol. Es bedeutet Vorsicht, Warnung oder Gefahr – Hinweise für die Personensicherheit. Wenn diese Hinweise nicht beachtet werden, kann es zu schweren bis tödlichen Verletzungen kommen.
Sie finden weitere Sicherheitshinweise an den jeweils relevanten Stellen in dieser Bedienungsanleitung.
Der Motor in dieser Maschine entspricht der EU Abgasnorm 3A.
![]() |
Die Sicherheits- und Bedienungsaufkleber sind für den Bediener gut sichtbar und befinden sich in der Nähe der möglichen Gefahrenbereiche. Tauschen Sie beschädigte oder verloren gegangene Aufkleber aus. |























Note: Bestimmen Sie die linke und rechte Seite der Maschine anhand der üblichen Einsatzposition.
Stellen Sie abhängig von der Breite der Schneideinheiten, die an der Zugmaschine montiert sind, die Stützrollen wie folgt ein:
Parken Sie die Maschine auf einer ebenen Fläche, aktivieren Sie die Feststellbremse, stellen den Motor ab und ziehen den Schlüssel ab.
Für diesen Arbeitsschritt erforderliche Teile:
| Warnaufkleber | 1 |
Wechseln Sie an CE-konformen Maschinen das Warnschild, Bestellnummer 138–1186, gegen das Standard-Warnschild, Bestellnummer 120–1683, aus.
Für diesen Arbeitsschritt erforderliche Teile:
| Halterung des Motorhaubenriegels | 1 |
| Niete | 2 |
| Schraube (¼" x 2") | 1 |
| Flachscheibe (¼") | 2 |
| Sicherungsmutter (¼") | 1 |
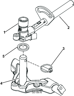
Haken Sie den Motorhaubenriegel aus der Motorhaubenriegelhalterung aus (Bild 4).

Entfernen Sie die zwei Nieten, mit denen die Halterung des Motorhaubenriegels an der Motorhaube befestigt ist (Bild 5).

Nehmen Sie die Halterung des Motorhaubenriegels von der Motorhaube ab.
Fluchten Sie die Befestigungslöcher aus und positionieren Sie gleichzeitig die Halterung des CE-Riegels und des Motorhaubenriegels auf der Motorhaube.
Note: Die Riegelhalterung muss an der Haube anliegen (Bild 5).Nehmen Sie die Schraube und Mutter nicht vom Arretierungsarm der Halterung ab.

Fluchten Sie die Scheiben mit den Löchern an der Innenseite der Motorhaube aus.
Nieten Sie die Halterungen und Scheiben an die Haube (Bild 6).
Haken Sie den Riegel in die Halterung des Motorhaubenriegels ein (Bild 7).

Schrauben Sie die Schraube in den anderen Arm der Motorhaubenhalterung, um den Riegel zu arretieren (Bild 8).

Ziehen Sie die Schraube (nicht die Mutter) fest an.
Für diesen Arbeitsschritt erforderliche Teile:
| Vordere Schlauchführung (rechts) | 1 |
| Vordere Schlauchführung (links) | 1 |
Nehmen Sie die Spindelmotoren aus den Versandhalterungen.
Nehmen Sie die Versandhalterungen ab und werfen sie weg.
Nehmen Sie die Schneideinheiten aus den Kartons heraus.
Lesen Sie in der Bedienungsanleitung der Schneideinheit nach, wie Sie sie zusammenbauen und einstellen.
Stellen Sie sicher, dass der Gegenballast (Bild 9) am richtigen Ende der Schneideinheit montiert ist, siehe die Bedienungsanleitung der Schneideinheit.

Stellen Sie sicher, dass die Rasenkompensierungsfeder an jeder Schneideinheit an derselben Seite wie der Spindelantriebsmotor angebracht ist. Führen Sie zum Ändern der Stellung der Feder folgende Schritte aus:
Nehmen Sie die zwei Schlossschrauben und Muttern ab, mit denen die Stangenhalterung an den Nasen des Mähwerks befestigt ist (Bild 10).

Nehmen Sie die Bundmutter ab, mit denen die Schraube des Federrohrs an der Nase des Trägerrahmens befestigt ist (Bild 10)
Nehmen Sie das ganze Teil ab.
Montieren Sie die Schraube des Federrohrs an der anderen Nase am Trägerrahmen und befestigen sie mit der Bundmutter.
Note: Positionieren Sie den Schraubenkopf zur Außenseite der Nase, wie in Bild 11 dargestellt.

Montieren Sie die Stangenhalterung mit den Schlossschrauben und Muttern an den Mähwerknasen (Bild 11). Befestigen Sie die linke Schlauchführung an der Schneideinheit vorne an den Schneideinheitnasen, wenn Sie die Stangenhalterung (Bild 13) montieren.
Important: Montieren Sie an den Schneideinheiten Nr. 4 (vorne links) und Nr. 5 (vorne rechts) die Schlauchführungen mit den Befestigungsmuttern der Stangenhalterung vorne an den Schneideinheitnasen. Die Schlauchführungen sollten sich zur mittleren Schneideinheit neigen (Bild 12 bis Bild 14).



Note: Achten Sie beim Ein- oder Ausbau der Schneideinheiten darauf, dass der Splint in das Federrohrloch neben der Stangenhalterung eingesetzt ist. Sonst müssen Sie den Splint in das Loch am Ende der Stange einsetzen.
Verbessern Sie die Lenkung an den Heckschneideinheiten, indem Sie die zwei Gelenkdistanzstücke, Sechskantschrauben und Bundmuttern (Bild 15) von den Trägerrahmen der Heckschneideinheiten (Schneideinheiten Nr. 2 und Nr. 3) entfernen, siehe Bild 12.

Senken Sie alle Hubarme komplett ab.
Schmieren Sie den Trägerrahmen mit sauberem Schmiermittel ein (Bild 16).

Frontschneideinheiten: Schieben Sie eine Schneideinheit unter den Hubarm und schieben Sie gleichzeitig die Trägerrahmenwelle in das Gelenkjoch des Hubarms (Bild 16).
Stellen Sie sicher, dass die Druckscheibe auf der Trägerrahmenwelle positioniert ist.
Befestigen Sie die Trägerrahmenwelle mit dem Einraststift am Hubarmjoch (Bild 16).
Befestigen Sie das Gelenkjoch mit dem Einraststift am Trägerrahmen, um die Lenkung an den Schneideinheiten zu arretieren (Bild 17).

Note: Verwenden Sie die arretierte Lenkung, wenn Sie Seitenhänge mähen.
Verwenden Sie die folgenden Schritte an den Heckschneideinheiten, wenn die Schnitthöhe über 1,9 cm liegt.
Nehmen Sie den Klappstecker und die Scheibe ab, mit denen die Gelenkwelle des Hubarms am Hubarm befestigt ist. Schieben Sie die Gelenkwelle des Hubarms aus dem Hubarm (Bild 18).

Setzen Sie das Hubarmjoch in die Trägerrahmenwelle ein (Bild 16).
Setzen Sie die Hubarmwelle in den Hubarm ein und befestigen sie mit der Scheibe und dem Klappstecker (Bild 18).
Befestigen Sie die Hubarmkette mit dem Einraststift an der Kettenhalterung (Bild 19).
Note: Verwenden Sie die Anzahl der Kettenglieder, die in der Bedienungsanleitung des Mähwerks beschrieben ist.

Fetten Sie die Keilwelle des Spindelmotors mit sauberem Fett ein.
Ölen Sie den O-Ring des Spindelmotors und setzen Sie ihn in den Motorflansch ein.
Montieren Sie den Motor; drehen Sie ihn nach rechts, damit die Motorflansche nicht die Schrauben berühren (Bild 20).

Drehen Sie den Motor nach links, bis die Flanschen die Schrauben umgeben. Ziehen Sie die Schrauben dann an.
Important: Stellen Sie sicher, dass die Schläuche des Spindelmotors nicht verdreht oder abgeknickt sind oder eingeklemmt werden können.
Die Rasenkompensierungsfeder (Bild 21) verlagert das Gewicht von der Front- zur Heckrolle. Dies reduziert ein Bobbing genanntes Wellenmuster auf der Grünfläche.
Important: Stellen Sie die Feder ein, wenn die Schneideinheit an der Zugmaschine montiert und auf den Boden der Werkstatt abgesenkt ist sowie gerade nach vorne zeigt.
Stellen Sie sicher, dass der Splint in das hintere Loch in der Federstange eingesetzt ist (Bild 21).
Note: Schieben Sie den Splint zum Federstangenloch neben der Rasenkompensierungsfeder, wenn Sie die Schneideinheit warten.

Ziehen Sie die Sechskantmuttern vorne an der Federstange an, bis die komprimierte Länge der Feder 15,9 cm beträgt, siehe Bild 21.
Note: Verkürzen Sie die Federlänge um 13 mm, wenn Sie auf unebenem Terrain arbeiten. Der Bodenkontur wird nicht so genug gefolgt.
Note: Sie müssen die Einstellung für die Rasenkompensierung zurücksetzen, wenn Sie die Schnitthöheneinstellung oder die Schnittschärfe ändern.
Für diesen Arbeitsschritt erforderliche Teile:
| Mähwerkständer | 1 |
Wenn Sie die Schneideinheit kippen, um an das Untermesser bzw. die Spindel zu gelangen, stützen Sie das Heck der Schneideinheit mit dem Ständer ab, um sicherzustellen, dass die Muttern hinten an den Einstellschrauben des Untermesserträgers nicht auf der Arbeitsfläche aufliegen (Bild 22).

Befestigen Sie den Ständer mit dem Einraststift an der Kettenhalterung (Bild 23).

Fetten Sie die Maschine vor der Verwendung ein, um eine richtige Schmierung zu gewährleisten. Siehe Schmierung. Wenn Sie die Maschine nicht einwandfrei einfetten, kommt es zum frühzeitigen Ausfall kritischer Bauteile.
Prüfen Sie den Füllstand des Hinterachsenöls vor dem ersten Anlassen des Motors, siehe Füllstand des Getriebeöls der Hinterachse prüfen.
Prüfen Sie den Hydraulikölstand vor dem ersten Anlassen des Motors, siehe Prüfen der Hydraulikanlage.
Prüfen Sie den Stand des Motoröls vor und nach dem ersten Anlassen des Motors, siehe Prüfen des Stands des Motoröls.
Für diesen Arbeitsschritt erforderliche Teile:
| Messlehre | 1 |
Stellen Sie die Schneideinheit mit der Messlehre ein. Weitere Informationen zum Einstellen finden Sie in der Bedienungsanleitung der Schneideinheit (Bild 24).

Mit den zwei Fußpedalen (Bild 25) steuern Sie unabhängige Radbremsen zum Unterstützen des Wendens oder zum Beibehalten der Bodenhaftung beim seitlichen Überfahren von Hängen.
Der Pedalsperrriegel (Bild 25) verbindet beide Pedale zum Aktivieren der Feststellbremse.
Verbinden Sie die Pedale mit dem Pedalsperrriegel, (Bild 25) treten auf das rechte Bremspedal und aktivieren das Pedal mit den Zehen, um die Feststellbremse zu aktivieren. Treten Sie eines der Bremspedale durch, bis der Riegel der Feststellbremse wieder zurückgeht, um die Feststellbremse zu lösen.

Das Fahrpedal (Bild 25) regelt die Vorwärts- und Rückwärtsfahrt. Treten Sie oben auf das Pedal, um vorwärts zu fahren und unten auf das Pedal, um rückwärts zu fahren. Die Fahrgeschwindigkeit hängt davon ab, wie weit Sie das Pedal durchtreten. Treten Sie für die maximale Fahrgeschwindigkeit das Pedal ganz durch, während Sie den Gasbedienungshebel auf SCHNELL stellen.
Verringern Sie zum Anhalten den Druck auf das Fahrpedal und lassen es in die mittlere Stellung zurückgehen.
Wenn Sie das Lenkrad zu Ihnen kippen möchten, treten Sie das Pedal (Bild 25) durch und ziehen Sie die Lenksäule zu sich, bis Sie die bequemste Stellung erreicht haben. Nehmen Sie dann den Fuß vom Pedal.
Wenn Sie den Mähgeschwindigkeitsbegrenzer (Bild 26) nach oben kippen, steuert er die Mähgeschwindigkeit und ermöglicht das Einkuppeln der Schneideinheiten. Jedes Distanzstück stellt die Mähgeschwindigkeit um 0,8 km/h ein. Je mehr Distanzstücke auf der Schraube liegen, desto langsamer fährt die Maschine. Kippen Sie für den Transport der Maschine den Mähgeschwindigkeitsbegrenzer zurück, um die maximale Transportgeschwindigkeit zu erhalten.
Stellen Sie die Schrauben (Bild 26) ein, um die Bewegung des Fahrpedals in die Vorwärts- oder Rückwärtsrichtung zu begrenzen und so die Geschwindigkeit zu begrenzen.
Important: Die Schraube des Geschwindigkeitsbegrenzers muss das Fahrpedal stoppen, bevor die Pumpe den vollen Hub erreicht, sonst kann diese beschädigt werden.

Mit diesem Hebel (Bild 27) heben Sie die Schneideinheiten an und senken sie ab. Außerdem werden die Spindeln ein- und ausgeschaltet, wenn Sie die Spindeln im Mähmodus aktivieren. Sie können die Schneideinheiten nicht absenken, wenn der Mäh-/Transporthebel in der Transport-Stellung ist.
Das Zündschloss (Bild 27) hat drei Stellungen: AUS, EIN/GLüHKERZEN und START.
Auf dem InfoCenter-LCD-Display werden Informationen zur Maschine angezeigt, u. a. Betriebszustand, verschiedene Diagnostikwerte und andere Informationen (Bild 27).
Der Zapfwellenschalter (Bild 27) hat zwei Stellungen: Herausgezogen (START) und nicht herausgezogen (STOPP). Drücken Sie den Zapfwellenschalter nach vorne, um die Schneideinheitmesser einzukuppeln. Drücken Sie den Zapfwellenschalter hinein, um die Schneideinheitmesser auszukuppeln.

Bewegen Sie Motordrehzahlschalter (Bild 27) nach vorne, um die Motordrehzahl zu erhöhen und nach hinten, um die Drehzahl zu reduzieren.
Drehen Sie den Schalter nach unten, um die Scheinwerfer einzuschalten (Bild 27).
Mit dieser Steckdose (Bild 28) speisen Sie optionales Zubehör mit 12 Volt.

Der Taschenhalter (Bild 29) dient Aufbewahrungszwecken.

Mit den Läppenhebeln läppen Sie die Spindeln (Bild 30).

Ziehen Sie am Hebel, um den Sitz nach vorne oder hinten zu verstellen (Bild 31).
Drehen Sie das Handrad, um den Winkel der Armlehne einzustellen (Bild 31).
Stellen Sie die Neigung der Rückenlehne mit dem Hebel ein (Bild 31).
Die Gewichtsanzeige gibt an, wenn der Sitz auf Ihr Gewicht eingestellt ist (Bild 31). Stellen Sie die Federung in den grünen Bereich, um die Höhe einzustellen.

Stellen Sie den Sitz auf Ihr Gewicht ein (Bild 31). Ziehen Sie am Hebel, um den Luftdruck zu erhöhen, und drücken Sie ihn herunter, um den Luftdruck zu verringern. Die Einstellung ist richtig, wenn die Gewichtsanzeige im grünen Bereich ist.
Auf dem InfoCenter-LCD-Display werden Maschinenangaben angezeigt, u. a. Betriebszustand, verschiedene Diagnostikwerte und andere Informationen (Bild 32). Das InfoCenter hat einen Begrüßungsbildschirm und einen Bildschirm mit den Hauptinformationen. Sie können jederzeit zwischen dem Willkommensbildschirm und dem Hauptinformationsbildschirm wechseln, wenn Sie eine InfoCenter-Taste drücken und den entsprechenden Richtungspfeil auswählen.

Linke Taste, Menüzugriff, Zurück-Taste: Drücken Sie diese Taste, um auf die InfoCenter-Menüs zuzugreifen. Mit dieser Taste verlassen Sie auch das aktuell verwendete Menü.
Mittlere Taste: Mit dieser Taste durchlaufen Sie die Menüs.
Rechte Taste: Mit dieser Taste öffnen Sie ein Menü, wenn ein Pfeil nach rechts weitere Inhalte angibt.
Manuelle Lüfterumkehrung: Drücken Sie gleichzeitig die linke und rechte Taste, um dieses Feature zu aktivieren.
Summer: Wird beim Absenken der Schneideinheiten oder bei Hinweisen und Defekten aktiviert
Note: Der Zweck jeder Taste hängt von den aktuellen Erfordernissen ab. Jede Taste ist mit einem Symbol beschriftet, das die aktuelle Funktion anzeigt.
| SERVICE DUE | Gibt an, dass geplante Wartungsarbeiten fällig sind. |
![]() | Verbleibende Stunden bis Service |
![]() | Zurücksetzen der Betriebsstunden ![]() |
![]() | Info-Symbol |
![]() | Betriebsstundenzähler |
![]() | Schnell |
![]() | Langsam |
![]() | Umkehren des Ventilators: Gibt an, dass die Ventilatorrichtung umgekehrt ist |
![]() | Lufteinlassheizung ist aktiviert |
![]() | Mähwerke anheben |
![]() | Mähwerke absenken |
![]() | Bediener muss auf dem Sitz sitzen |
![]() | Anzeige für Feststellbremse: Leuchtet auf, wenn die Feststellbremse aktiviert ist |
![]() | Gibt den Bereich als Hoch“ an |
![]() | Leerlauf |
![]() | Gibt den Bereich als Niedrig“ an |
![]() | Kühlmitteltemperatur: Gibt die Temperatur des Motorkühlmittels in °C oder °F an |
![]() | Temperatur (heiß) |
![]() | Verweigert oder nicht zugelassen |
![]() | Zapfwelle ist eingekuppelt |
![]() | Motorstart |
![]() | Stopp oder Abstellen |
![]() | Motor |
![]() | Zündschloss |
![]() | Leuchtet auf, wenn die Mähwerke abgesenkt werden |
![]() | Leuchtet auf, wenn die Mähwerke angehoben werden |
![]() | PIN-Passcode |
![]() | Temperatur des Hydrauliköls: Gibt die Temperatur des Hydrauliköls an |
![]() | CAN-Bus |
![]() | InfoCenter |
![]() | Defekt oder fehlgeschlagen |
![]() | Birne |
![]() | Ausgabe von TEC-Steuergerät oder Steuerkabel in Kabelbaum |
![]() | Hoch: Über zulässigem Bereich |
![]() | Niedrig: Unter zulässigem Bereich |
/![]() | Nicht im Bereich |
![]() | Schalter |
![]() | Bediener muss Schalter lösen |
![]() | Bediener sollte ändern, um Zustand anzugeben |
| Symbole werden oft für das Zusammenstellen von Sätzen kombiniert. Sie finden einige Beispiele unten. | |
![]() | Bediener sollte Leerlauf einlegen |
![]() | Motorstart verweigert |
![]() | Motor wird abgestellt |
![]() | Motorkühlmittel ist zu heiß |
![]() | Hydrauliköl ist zu heiß |
![]() | Setzen Sie sich hin oder aktivieren Sie die Feststellbremse. |
Nur
durch die Eingabe der PIN zugänglich
Drücken Sie auf dem Hauptbildschirm die Taste für den Menüzugriff, um das InfoCenter-Menüsystem zu öffnen. Das Hauptmenü wird angezeigt. In den folgenden Tabellen finden Sie eine Zusammenfassung der Optionen, die in den Menüs verfügbar sind:
| Hauptmenü | |
| Menüelement | Beschreibung |
| Fehler | Das Faults-Menü enthält eine Liste der letzten Maschinendefekte. Weitere Informationen zum Fehler-Menü und den im Menü enthaltenen Angaben finden Sie in der Wartungsbedienungsanleitung oder wenden Sie sich an den offiziellen Toro Vertragshändlers. |
| Service | Das Menü Service“ enthält Informationen zur Maschine, u. a. Betriebsstundenzähler und ähnliche Angaben. |
| Diagnostik | Im Diagnostik-Menü wird der Zustand der Maschinenschalter, Sensoren sowie der Steuerausgabe angezeigt. Diese Angaben sind bei der Problembehebung nützlich, da Sie sofort sehen, welche Bedienelemente der Maschinen ein- oder ausgeschaltet sind. |
| Einstellungen | Im Einstellungen-Menü können Sie Konfigurationsvariablen auf dem InfoCenter-Display anpassen und ändern. |
| Info | Im Info-Menü wird die Modellnummer, Seriennummer und Softwareversion der Maschine aufgelistet. |
| Wartung | |
| Menüelement | Beschreibung |
| Hours | Im Menü Hours“ werden die Gesamtbetriebsstunden der Maschine, des Motors und der Zapfwelle aufgeführt, sowie die Transportstunden der Maschine und der Zeitpunkt von fälligem Kundendienst. |
| Counts | Im Menü Counts“ werden mehrere Ereignisse für die Maschine aufgeführt. |
| Diagnostik | |
| Menüelement | Beschreibung |
| Mähwerke | Gibt die Eingaben, Qualifizierer und Ausgaben für das Anheben und Absenken der Mähwerke an |
| Hi/Low Range | Gibt die Eingaben, Qualifizierer und Ausgaben für das Fahren im Transportmodus an |
| Zapfwelle | Gibt die Eingaben, Qualifizierer und Ausgaben für das Aktivieren der Zapfwelle an |
| Engine Run | Gibt die Eingaben, Qualifizierer und Ausgaben für das Anlassen des Motors an |
| Backlap | Gibt die Eingaben, Qualifizierer und Ausgaben für das Läppen an |
| Einstellungen | |
| Menüelement | Beschreibung |
| Maßeinheiten | Steuert die auf dem InfoCenter verwendeten Maßeinheiten. Die Menüauswahlen sind englische Maße oder metrisch |
| Sprache | Steuert die auf dem InfoCenter verwendete Sprache* |
| LCD-Rückbeleuchtung | Steuert die Helligkeit des LCD-Displays |
| LCD-Kontrast | Steuert den Kontrast des LCD-Displays |
| Vordere Spindelgeschwindigkeit (Läppen) | Steuert die Geschwindigkeit der vorderen Spindeln im Läppen-Modus |
| Hintere Spindelgeschwindigkeit (Läppen) | Steuert die Geschwindigkeit der hinteren Spindeln im Läppen-Modus |
| Geschützte Menüs | Der Vorarbeiter bzw. Mechaniker kann einen Passcode eingeben und erhält Zugriff auf geschützte Menüs |
Autom. Leerlauf ![]() | Steuert die zulässige Dauer, bevor der Motor bei stationärer Maschine in den niedrigen Leerlauf wechselt |
Messeranzahl ![]() | Steuert die Anzahl der Messer an der Spindel für die Spindeldrehzahl |
Mähgeschwindigkeit ![]() | Steuert die Fahrgeschwindigkeit zum Ermitteln der Spindeldrehzahl |
Schnitthöhe ![]() | Steuert die Schnitthöhe zum Ermitteln der Spindeldrehzahl |
U/min vordere Spindel ![]() | Zeigt die berechnete Spindeldrehzahl für die vorderen Spindeln an. Die Spindeln können auch manuell eingestellt werden |
U/min hintere Spindel ![]() | Zeigt die berechnete Spindeldrehzahl für die hinteren Spindeln an. Die Spindeln können auch manuell eingestellt werden |
* Nur der Text, den der Bediener sieht, wurde übersetzt. Bildschirme für Fehler, Wartung und Diagnostics gehören nicht dazu. Die Titel werden in der ausgewählten Sprache angezeigt; Menüelemente sind jedoch in Englisch.
Geschützt
unter den geschützten Menüs – Nur durch die Eingabe
der PIN zugänglich
| Info | |
| Menüelement | Beschreibung |
| Modell | Listet die Modellnummer der Maschine auf |
| SN | Listet die Seriennummer der Maschine auf |
| Machinensteuergerät Revision | Listet die Softwarerevision des Hauptsteuergeräts auf |
| InfoCenter Revision | Listet die Softwarerevision des InfoCenter auf |
| CAN Bus | Listet den Status des Maschinenkommunikationsbusses auf |
Das Menü Einstellungen“ im InfoCenter hat fünf anpassbare Einstellungen für die Betriebskonfiguration: Messeranzahl, Mähgeschwindigkeit, Schnitthöhe, U/min vordere Spindel und U/min hintere Spindel. Sie können diese Einstellungen im geschützten Menü sperren.
Note: Bei der Auslieferung programmiert der Händler den anfänglichen Passcode.
Gehen Sie vom Hauptmenü auf das Menü Einstellungen“ und drücken Sie die rechte Taste.
Gehen Sie im Menü Einstellungen“ auf Geschütztes Menü“ und drücken Sie die rechte Taste.
Geben Sie mit der mittleren Taste die erste Ziffer des Passcodes ein; drücken Sie dann die rechte Taste, um auf die nächste Ziffer zu gehen.
Stellen Sie die zweite Ziffer mit der mittleren Taste ein; drücken Sie dann die rechte Taste, um auf die nächste Ziffer zu gehen.
Stellen Sie die dritte Ziffer mit der mittleren Taste ein; drücken Sie dann die rechte Taste, um auf die nächste Ziffer zu gehen.
Stellen Sie die vierte Ziffer mit der mittleren Taste ein; drücken Sie dann die rechte Taste.
Drücken Sie die mittlere Taste, um den Code einzugeben.
Wenn der Code akzeptiert wird und das geschützte Menü entsperrt ist, wird oben rechts auf dem Anzeigebildschirm PIN“ angezeigt.
Das mögliche Anzeigen und Ändern der Einstellungen im Geschützten Menü“ kann geändert werden. Öffnen Sie das Geschützte Menü“ und gehen Sie auf Einstellungen schützen“. Wenn Sie die Einstellung Einstellungen schützen“ mit der rechten Taste zu Aus“ ändern, können Sie die Einstellungen im Geschützten Menü“ ohne Eingabe des Passcodes anzeigen und ändern. Wenn Sie die Einstellung Einstellungen schützen“ zu Ein“ ändern, werden die geschützten Optionen ausgeblendet und Sie müssen zum Ändern der Einstellungen im Geschützten Menü“ einen Passcode eingeben. Nach dem Einstellen des Passcodes muss die Zündung aus- und erneut eingeschaltet werden, um diese Funktion zu aktivieren und zu speichern.
Note: Wenden Sie sich an den Vertragshändler, wenn Sie den Passcode vergessen haben.
Gehen Sie im Menü Einstellungen“ auf Autom. Leerlauf“.
Drücken Sie die rechte Taste, um die automatische Leerlaufzeit auf Aus, 8S, 10S, 15S, 20S und 30S einzustellen.
Gehen Sie im Menü Einstellungen“ auf Messeranzahl“.
Drücken Sie die rechte Taste, um die Messeranzahl auf 5, 8 oder 11 Messerspindeln einzustellen.
Gehen Sie im Menü Einstellungen“ auf Mähgeschwindigkeit“.
Drücken Sie die rechte Taste, um die Mähgeschwindigkeit auszuwählen.
Wählen Sie mit der mittleren und rechten Taste die entsprechende Mähgeschwindigkeit aus, die am mechanischen Mähgeschwindigkeitsbegrenzer am Fahrpedal eingestellt ist.
Drücken Sie die linke Taste, um die Mähgeschwindigkeit zu verlassen und die Einstellung zu speichern.
Gehen Sie im Menü Einstellungen“ auf Schnitthöhe“.
Drücken Sie die rechte Taste, um die Schnitthöhe auszuwählen.
Wählen Sie mit der mittleren und rechten Taste die entsprechende Schnitthöheneinstellung aus.
Note: (Wenn die genaue Einstellung nicht angezeigt wird, wählen Sie die nächste Schnitthöheneinstellung aus der angezeigten Liste aus.)
Drücken Sie die linke Taste, um die Schnitthöhe zu verlassen und die Einstellung zu speichern.
Obwohl die Drehzahl der vorderen und hinteren Spindeln durch Eingabe der Messeranzahl, Mähgeschwindigkeit und der Schnitthöhe im InfoCenter berechnet wird, können Sie die Einstellung manuell ändern, um sie unterschiedlichen Mähbedingungen anzupassen.
Navigieren Sie auf U/min vordere Spindel, U/min hintere Spindel oder beide.
Drücken Sie die rechte Taste, um die Spindeldrehzahl zu ändern. Wenn Sie die Geschwindigkeitseinstellung ändern, wird auf dem Display weiterhin die berechnete Spindeldrehzahl auf der Basis der vorher eingegebenen Messeranzahl, Mähgeschwindigkeit und Schnitthöhe angezeigt. Der neue Wert wird auch angezeigt.
Note: Technische und konstruktive Änderungen vorbehalten.
| Schnittbreite, 69 cm-Mähwerke | 307 cm |
| Schnittbreite, 81 cm-Mähwerke | 320 cm |
| Gesamtbreite, 69 cm-Mähwerke, abgesenkt | 345 cm |
| Gesamtbreite, 81 cm-Mähwerke, abgesenkt | 358 cm |
| Gesamtbreite, angehobene Mähwerke (Transportstellung) | 239 cm |
| Gesamtlänge | 370 cm |
| Höhe inkl. Überrollschutz | 220 cm |
| Spurbreite vorne | 229 cm |
| Spurbreite hinten | 141 cm |
| Radstand | 171 cm |
| Nettogewicht (ohne Mähwerke und ohne Öle) | 1574 kg |
Ein Sortiment an Originalanbaugeräten und -zubehör von Toro wird für diese Maschine angeboten, um den Funktionsumfang des Geräts zu erhöhen und zu erweitern. Wenden Sie sich an Ihren offiziellen Toro-Vertragshändler oder navigieren Sie auf www.Toro.com für eine Liste der zugelassenen Anbaugeräte und des Zubehörs.
Verwenden Sie, um die optimale Leistung und Sicherheit zu gewährleisten, nur Originalersatzteile und -zubehörteile von Toro. Ersatzteile und Zubehör anderer Hersteller können gefährlich sein und eine Verwendung könnte die Garantie ungültig machen.
Note: Bestimmen Sie die linke und rechte Seite der Maschine anhand der üblichen Einsatzposition.
Kinder oder nicht geschulte Personen dürfen die Maschine weder verwenden noch warten. Örtliche Vorschriften bestimmen u. U. das Mindestalter von Benutzern. Der Besitzer ist für die Schulung aller Bediener und Mechaniker verantwortlich.
Machen Sie sich mit dem sicheren Betrieb der Maschine sowie den Bedienelementen und Sicherheitssymbolen vertraut.
Sie müssen wissen, wie Sie die Maschine schnell anhalten und den Motor abstellen können.
Prüfen Sie, ob alle elektronischen Sicherheiten, Sicherheitsschalter und Schutzbleche montiert und funktionsfähig sind. Nehmen Sie die Maschine nur in Betrieb, wenn diese richtig funktionieren.
Überprüfen Sie vor jedem Mähen die Maschine und stellen Sie sicher, dass die Schneideinheiten funktionsfähig sind.
Prüfen Sie den Arbeitsbereich gründlich und entfernen Sie alle Objekte, die von der Maschine aufgeschleudert werden könnten.
Seien Sie besonders vorsichtig beim Umgang mit Kraftstoff. Kraftstoff ist brennbar und die Dämpfe sind explosiv.
Machen Sie alle Zigaretten, Zigarren, Pfeifen und andere Zündquellen aus.
Verwenden Sie nur einen vorschriftsmäßigen Benzinkanister.
Entfernen Sie nie den Tankdeckel oder füllen den Kraftstofftank, wenn der Motor läuft oder heiß ist.
Füllen Sie Kraftstoff nicht in einem geschlossenen Raum auf oder lassen ihn ab.
Lagern Sie die Maschine oder den Benzinkanister nie an Orten mit offener Flamme, Funken oder Zündflamme, z. B. Warmwasserbereiter, oder anderen Geräten.
Versuchen Sie niemals, bei Kraftstoffverschüttungen den Motor anzulassen. Vermeiden Sie Zündquellen, bis die Verschüttung verdunstet ist.
83 Liter
Das Nichtbefolgen dieser Vorsichtsmaßnahmen zu Motorschäden führen.
Verwenden Sie nie Kerosin oder Benzin statt Dieselkraftstoff.
Mischen Sie nie Kerosin oder altes Motoröl mit Dieselkraftstoff.
Bewahren Sie Kraftstoff nie in Behältern auf, die innen verzinkt sind.
Verwenden Sie keine Kraftstoffzusätze.
Verwenden Sie nur sauberen, frischen Dieselkraftstoff mit einem niedrigen (<500 ppm) oder extrem niedrigen (<15 ppm) Schwefelgehalt. Der Cetanwert sollte mindestens 40 sein. Besorgen Sie, um immer frischen Kraftstoff sicherzustellen, nur so viel Kraftstoff, wie sie innerhalb von 180 Tagen verbrauchen können.
Verwenden Sie bei Temperaturen über -7 °C Sommerdiesel (Nr. 2-D) und bei niedrigeren Temperaturen Winterdiesel (Nr. 1-D oder Nr. 1-D/2-D-Mischung). Bei Verwendung von Winterkraftstoff bei niedrigeren Temperaturen besteht ein niedrigerer Flammpunkt und Kaltflussmerkmale, die das Anlassen vereinfachen und ein Verstopfen des Kraftstofffilters vermeiden.
Die Verwendung von Sommerdiesel über -7 °C erhöht die Lebensdauer der Kraftstoffpumpe und steigert im Vergleich zum Winterdiesel die Kraft.
Diese Maschine kann auch mit einem Kraftstoff eingesetzt werden, der bis zu B20 mit Biodiesel vermischt ist (20 % Biodiesel, 80 % Benzindiesel). Der Benzindieselkraftstoff sollte einen niedrigen oder extrem niedrigen Schwefelgehalt aufweisen. Befolgen Sie die nachstehenden Sicherheitsvorkehrungen:
Technische Angaben für Biodiesel-Kraftstoff: ASTM D6751 oder EN 14214
Technische Angaben für Kraftstoffgemische: ASTM D975 oder EN 590
Befolgen Sie die nachstehenden Sicherheitsvorkehrungen:
Biodieselmischungen können lackierte Oberflächen beschädigen.
Verwenden Sie B5 (Biodiesel-Inhalt von 5 %) oder geringere Mischungen in kaltem Wetter.
Prüfen Sie Dichtungen und Schläuche, die mit Kraftstoff in Kontakt kommen, da sie sich nach längerer Zeit abnutzen können.
Nach der Umstellung auf Biodieselmischungen ist ein Verstopfen des Kraftstofffilters für einige Zeit zu erwarten.
Wenden Sie sich an den offiziellen Toro-Vertragshändler für weitere Informationen zu Biodiesel.
Parken Sie die Maschine auf einer ebenen Fläche, senken die Mähwerke ab, stellen den Motor ab und ziehen den Zündschlüssel ab.
Wischen Sie den Bereich um den Tankdeckel herum mit einem Lappen sauber.
Nehmen Sie den Deckel vom Kraftstofftank ab (Bild 33).

Füllen Sie den Tank mit , bis der Flüssigkeitsstand an der Unterkante des Füllstutzens liegt.
Schrauben Sie den Tankdeckel nach dem Auffüllen des Tanks sorgfältig fest.
Note: Betanken Sie die Maschine wenn möglich nach jedem Einsatz. Dadurch minimiert sich die Betauung der Innenseite des Kraftstofftanks.
Vor dem Anlassen des Motors und dem Einsatz der Maschine sollten Sie die Hydraulikanlage prüfen, siehe Prüfen des Hydraulikölstands.
| Wartungsintervall | Wartungsmaßnahmen |
|---|---|
| Bei jeder Verwendung oder täglich |
|
Der Motor wird vom Werk aus mit Öl befüllt. Prüfen Sie jedoch den Ölstand, bevor und nachdem Sie den Motor das erste Mal verwenden.
Das Kurbelgehäuse fasst ungefähr 9,5 l mit Filter.
Verwenden Sie qualitativ hochwertiges Öl, dass die folgenden Spezifikationen erfüllt:
Erforderliche API-Klassifizierung: CH-4, CI-4 oder höher
Bevorzugte Ölsorte: SAE 15W-40; über -18° C
Ersatzöl: SAE 10W-30 oder 5W-30 (alle Temperaturen)
Note: Toro Premium Motoröl ist vom Vertragshändler mit einer Viskosität von 15W-40 oder 10W-30 erhältlich. Die Bestellnummern finden Sie im Ersatzteilkatalog.
Note: Der Stand des Motoröls sollte am besten bei kaltem Motor vor dem täglichen Anlassen geprüft werden. Wenn der Motor gelaufen ist, lassen Sie das Öl für 10 Minuten in die Wanne zurücklaufen, bevor Sie den Ölstand prüfen. Wenn der Ölstand an oder unter der Nachfüllen-Markierung am Peilstab liegt, gießen Sie Öl nach, bis der Ölstand die VOLL-Markierung erreicht. Überfüllen Sie den Motor nicht. Wenn der Ölstand zwischen der Voll- und der Nachfüll-Markierung liegt, muss kein Öl nachgefüllt werden.
Stellen Sie die Maschine auf eine ebene Fläche.
Lösen Sie die Motorhaubenriegel und öffnen Sie die Motorhaube (Bild 34).

Entfernen Sie den Peilstab, wischen ihn ab und führen ihn wieder in das Rohr ein; ziehen Sie ihn dann wieder heraus.
Der Ölstand sollte im sicheren Bereich liegen (Bild 35).

Wenn der Ölstand unter dem sicheren Bereich liegt, nehmen Sie den Fülldeckel ab (Bild 36) und gießen Sie genug Öl ein, um den Ölstand bis zur VOLL-Markierung anzuheben.
Important: Überfüllen Sie den Motor nicht.

Note: Lassen Sie, wenn Sie die Ölsorte wechseln möchten, das Altöl vollständig aus dem Kurbelgehäuse ablaufen, bevor Sie das neue einfüllen.
Führen Sie den Peilstab ein und schrauben den Deckel auf.
Schließen Sie die Motorhaube und befestigen Sie sie mit den Riegeln.
| Wartungsintervall | Wartungsmaßnahmen |
|---|---|
| Bei jeder Verwendung oder täglich |
|
Prüfen Sie den Kühlmittelstand täglich vor Arbeitsbeginn. Die Kühlanlage fasst 12,3 l.
Nehmen Sie den Kühlerdeckel ab.
Wenn der Motor gelaufen ist, ist das Kühlmittel heiß und steht unter Druck, d. h. es kann ausströmen und Verbrühungen verursachen.
Entfernen Sie niemals den Kühlerdeckel, wenn der Motor noch läuft.
Verwenden Sie beim Öffnen des Kühlerdeckels einen Lappen und öffnen den Kühler langsam, damit Dampf ohne Gefährdung austreten kann.

Prüfen Sie den Kühlmittelstand im Kühler.
Note: Der Kühler sollte bis zur Oberseite des Einfüllstutzens und das Ausdehnungsgefäß bis zur Voll-Markierung gefüllt sein (Bild 37).
Füllen Sie bei niedrigem Kühlmittelstand eine 50:50-Mischung aus Wasser und Ethylenglykol-Frostschutzmittel nach.
Note: Verwenden Sie niemals pures Wasser oder Kühlmittel auf Alkohol-/Methanolbasis.
Setzen Sie den Kühlerdeckel und den Deckel des Ausdehnungsgefäßes wieder auf.
| Wartungsintervall | Wartungsmaßnahmen |
|---|---|
| Bei jeder Verwendung oder täglich |
|
Die Reifen werden für den Versand zu stark aufgeblasen. Lassen Sie also etwas Luft aus den Reifen ab, um den Druck zu verringern. Der richtige Reifendruck ist 0,83-1,03 bar. Prüfen Sie täglich den Reifendruck.
Important: Behalten Sie den korrekten Reifendruck bei, um eine gute Schnittqualität und optimale Maschinenleistung zu gewährleisten. Achten Sie darauf, dass der Reifendruck nicht zu niedrig ist.
Der Besitzer bzw. Bediener ist für Unfälle oder Verletzungen von Dritten sowie Sachschäden verantwortlich und kann diese verhindern.
Tragen Sie geeignete Kleidung, u. a. eine Schutzbrille, rutschfeste Arbeitsschuhe, lange Hosen und einen Gehörschutz. Binden Sie lange Haare hinten zusammen und tragen Sie keinen herunterhängenden Schmuck.
Bedienen Sie die Maschine nicht, wenn Sie müde oder krank sind oder unter Alkohol- oder Drogeneinfluss stehen.
Nehmen Sie nie Passagiere auf der Maschine mit und halten Sie alle Unbeteiligten und Haustiere von der verwendeten Maschine fern.
Setzen Sie die Maschine nur bei guten Sichtverhältnissen ein, um Löcher sowie andere verborgene Gefahren zu vermeiden.
Vermeiden Sie ein Mähen auf nassem Gras. Bei reduzierter Bodenhaftung kann die Maschine ins Rutschen geraten.
Stellen Sie vor dem Anlassen des Motors sicher, dass alle Antriebe in der Neutral-Stellung sind, dass die Feststellbremse aktiviert ist und Sie in die Bedienungsposition sind.
Berühren Sie die Schneideinheiten nicht mit Händen und Füßen. Bleiben Sie immer von der Auswurföffnung fern.
Schauen Sie hinter sich und nach unten, um vor dem Rückwärtsfahren sicherzustellen, dass der Weg frei ist.
Seien Sie vorsichtig, wenn Sie sich unübersichtlichen Kurven, Sträuchern, Bäumen und anderen Objekten nähern, die Ihre Sicht behindern können.
Mähen Sie nie in der Nähe von steilen Gefällen, Gräben oder Böschungen. Die Maschine könnte plötzlich umkippen, wenn ein Rad über den Rand fährt oder die Böschung nachgibt.
Stellen Sie die Schneideinheiten ab, wenn Sie nicht mähen.
Halten Sie die Maschine an, stellen Sie den Motor ab, ziehen Sie den Schlüssel ab und prüfen Sie die Schneideinheiten, wenn sie auf ein Objekt aufgeprallt sind oder ungewöhnliche Vibrationen auftreten. Führen Sie alle erforderlichen Reparaturen durch, ehe Sie die Maschine wieder in Gebrauch nehmen.
Fahren Sie beim Wenden und beim Überqueren von Straßen und Gehsteigen mit der Maschine langsam und vorsichtig. Geben Sie immer Vorfahrt.
Kuppeln Sie den Antrieb der Schneideinheit aus und stellen den Motor ab, bevor Sie die Schnitthöhe einstellen (wenn Sie sie nicht von der Bedienerposition aus einstellen können).
Lassen Sie den Motor nie in einem geschlossenen Bereich laufen, aus dem die Auspuffgase nicht entweichen können.
Lassen Sie niemals eine laufende Maschine unbeaufsichtigt zurück.
Führen Sie folgende Schritte vor dem Verlassen der Bedienerposition (einschließlich dem Leeren des Grasfangkorbs oder Entfernen von Verstopfungen im Auswurfkanal) aus:
Stellen Sie die Maschine auf einer ebenen Fläche ab.
Kuppeln Sie die Zapfwelle aus und senken die Anbaugeräte ab.
Aktivieren Sie die Feststellbremse
Stellen Sie den Motor ab und ziehen Sie den Schlüssel ab.
Warten Sie, bis alle beweglichen Teile zum Stillstand gekommen sind.
Fahren Sie die Maschine nie bei Gewitter, bzw. wenn Gefahr durch Blitzschlag besteht.
Nutzen Sie die Maschine nicht als Zugmaschine.
Verwenden Sie nur von The Toro® Company zugelassene(s) Zubehör, Anbaugeräte und Ersatzteile.
Entfernen Sie den Überrollschutz nicht von der Maschine.
Stellen Sie sicher, dass Sie Ihren Sicherheitsgurt angelegt haben und ihn in einem Notfall schnell lösen können.
Achten Sie immer auf hängende Objekte und berühren Sie sie nicht.
Halten Sie den Überrollschutz in einem sicheren Betriebszustand, überprüfen Sie ihn regelmäßig auf Beschädigungen und halten Sie alle Befestigungen angezogen.
Ersetzen Sie den Überrollschutz durch einen neuen, wenn er beschädigt ist. Führen Sie keine Reparaturen oder Modifikationen daran aus.
Legen Sie immer den Sicherheitsgurt an, wenn der Überrollbügel aufgeklappt ist.
Der Überrollschutz ist eine integrierte Sicherheitseinrichtung. Beim Einsatz der Maschine mit aufgeklapptem Überrollbügel sollten Sie den Überrollbügel hochklappen und arretieren sowie den Sicherheitsgurt anlegen.
Senken Sie den Überrollbügel nur vorübergehend ab, wenn es wirklich erforderlich ist. Legen Sie keinen Sicherheitsgurt an, wenn der Überrollbügel abgesenkt ist.
Es besteht kein Überrollschutz, wenn der klappbare Überrollbügel abgesenkt ist.
Prüfen Sie den Mähbereich und senken Sie den klappbaren Überrollbügel nie in Bereichen mit Gefällen, Abhängen oder Gewässern ab.
Hanglagen sind eine wesentliche Ursache für den Verlust der Kontrolle und Umkippunfälle, die zu schweren ggf. tödlichen Verletzungen führen können. Der Bediener ist für den sicheren Einsatz auf abschüssigem Gelände verantwortlich. Das Einsetzen der Maschine an jeder Hanglage erfordert große Vorsicht.
Evaluieren Sie das Gelände, einschließlich einer Ortsbegehung, um zu ermitteln, ob die Maschine sicher auf der Hanglage eingesetzt werden kann. Setzen Sie immer gesunden Menschenverstand ein, wenn Sie diese Ortsbegehung durchführen.
Prüfen Sie die unten aufgeführten Anweisungen für den Einsatz der Maschine auf Hanglagen und die Bedingungen, in denen die Maschine eingesetzt wird, und ermitteln Sie, ob die Maschine in den Bedingungen an diesem Tag und an diesem Ort eingesetzt werden kann. Veränderungen im Gelände können zu einer Veränderung in der Neigung für den Betrieb der Maschine führen.
Vermeiden Sie das Anfahren, Anhalten oder Wenden der Maschine an Hanglagen. Vermeiden Sie plötzliche Geschwindigkeits- oder Richtungsänderungen. Wenden Sie möglichst langsam und vorsichtig.
Benutzern Sie die Maschine niemals unter Bedingungen, bei der die Bodenhaftung, das Lenkverhalten oder die Stabilität des Fahrzeugs gefährdet werden.
Entfernen oder markieren Sie Hindernisse, u. a. Gräben, Löcher, Rillen, Bodenwellen, Steine oder andere verborgene Gefahren. Hohes Gras kann Hindernisse verdecken. Die Maschine könnte sich in unebenem Terrain überschlagen.
Beim Arbeiten auf nassem Gras, Überqueren von steilen Hanglagen oder beim Fahren hangabwärts kann die Maschine die Bodenhaftung verlieren. Wenn die Antriebsräder die Bodenhaftung verlieren, kann die Maschine rutschen und zu einem Verlust der Bremsleistung und Lenkung führen.
Gehen Sie beim Einsatz der Maschine in der Nähe von Gräben, Böschungen, Gewässern oder anderen Gefahrenstellen besonders vorsichtig vor. Die Maschine könnte plötzlich umkippen, wenn ein Rad über den Rand fährt oder die Böschung nachgibt. Halten Sie stets einen Sicherheitsabstand von der Maschine zur Gefahrenstelle ein.
Achten Sie auf Gefahren unten am Hang. Mähen Sie die Hanglage mit einer handgeführten Maschine, wenn Gefahren vorhanden sind.
Halten Sie das/die Mähwerk(e), sofern möglich, beim Einsatz der Maschine an Hanglagen abgesenkt. Das Anheben der Mähwerke beim Arbeiten an Hanglagen kann zu einer Instabilität der Maschine führen.
Passen Sie besonders mit Heckfangsystemen oder anderen Anbaugeräten auf. Diese Geräte können die Stabilität der Maschine ändern und zu einem Verlust der Fahrzeugkontrolle führen.
Important: Entlüften Sie die Kraftstoffanlage, wenn einer der folgenden Umstände eingetreten ist:
Der Motor hat aufgrund von Kraftstoffmangel abgestellt.
Die Kraftstoffanlage wurde gewartet.
Nehmen Sie den Fuß vom Fahrpedal und stellen Sie sicher, dass es in die NEUTRALSTELLUNG geht.
Note: Stellen Sie sicher, dass die Feststellbremse aktiviert ist.
Stellen Sie den Motordrehzahlschalter in die LANGSAME LEERLAUF-Stellung.
Drehen Sie den Zündschlüssel auf die LAUF-Stellung.
Note: Dann leuchtet die Glühkerzenlampe auf.
Drehen Sie den Schlüssel auf die START-Stellung, wenn die Glühkerzenlampe ausgeht.
Lassen Sie den Zündschlüssel sofort los und in die LAUF-Stellung zurückgehen, sobald der Motor anspringt.
Stellen Sie die Motordrehzahl ein.
Important: Lassen Sie den Anlasser nie länger als 15 Sekunden am Stück laufen, sonst kann dieser vorzeitig ausfallen. Stellen Sie den Zündschlüssel in die AUS-Stellung, wenn der Motor nach 15 Sekunden nicht anspringt, prüfen die Bedienelemente und Schritte erneut, warten weitere 15 Sekunden und wiederholen den Schritt.
Bei Temperaturen unter -7 °C kann der Anlasser 30 Sekunden lang laufen und sich dann 60 Sekunden lang abkühlen, bevor Sie einen zweiten Startversuch unternehmen.
Ein Berührung beweglicher Teilen kann Verletzungen verursachen.
Stellen Sie den Motor ab und warten Sie, bis alle beweglichen Teile zum Stillstand gekommen sind, bevor Sie auf undichte Stellen, lose Teile und andere Defekte prüfen.
Important: Lassen Sie den Motor für 5 Minuten im Leerlauf laufen, bevor Sie ihn nach einem Einsatz unter voller Last ausschalten. Der Turbolader kann dann vor dem Abstellen des Motors abkühlen. Ansonsten können Probleme mit dem Turbolader entstehen.
Note: Senken Sie die Schneideinheiten auf den Boden ab, wenn Sie die Maschine parken. Dies nimmt die Hydrauliklast von der Anlage, verhindert eine Abnutzung der Systemteile und auch ein versehentliches Absenken der Schneideinheiten.
Stellen Sie die Motordrehzahl wieder auf den niedrigen Leerlauf.
Stellen Sie den Zapfwellenschalter in die AUS-Stellung.
Aktivieren Sie die Feststellbremse.
Drehen Sie den Zündschlüssel auf AUS.
Ziehen Sie den Schlüssel aus dem Zündschloss, um einem versehentlichen Anlassen vorzubeugen.
Sie können das Gegengewicht an den Hubarmen der Heckschneideinheit einstellen, um unterschiedliche Rasenbedingungen auszugleichen und um in unebenem Gelände oder Bereichen mit Ablagerungen von abgestorbenem Gras eine einheitliche Schnitthöhe zu erhalten.
Sie können jede Gegengewichtfeder auf eine von vier Einstellungen einstellen. Jede Stufe erhöht oder verringert das Gegengewicht an der Schneideinheit um 2,3 kg. Die Federn können hinten am ersten Federaktuator positioniert werden, um das ganze Gegengewicht zu entfernen (4. Stellung).
Parken Sie die Maschine auf einer ebenen Fläche, senken die Schneideinheiten ab, aktivieren die Feststellbremse, stellen den Motor ab und ziehen den Zündschlüssel ab.
Führen Sie ein Rohr oder ein ähnliches Objekt in die lange Feder ein, um die Federspannung während der Einstellung aufzuheben (Bild 38).
Die Federn stehen unter Spannung und können sie verletzen.
Gehen Sie beim Einstellen der Federn vorsichtig vor.
Wenn Sie die Federspannung aufgehoben haben, nehmen Sie die Schraube und Sicherungsmutter ab, mit denen der Federaktuator an der Halterung befestigt ist (Bild 38).

Verschieben Sie den Federaktuator in die gewünschte Lochposition und befestigen Sie ihn mit einer Sicherungsmutter.
Wiederholen Sie die Schritte an der restlichen Feder.
Parken Sie die Maschine auf einer ebenen Fläche, senken die Schneideinheiten ab, aktivieren die Feststellbremse, stellen den Motor ab und ziehen den Zündschlüssel ab.
Der Hubarmschalter befindet sich hinter dem rechten vorderen Hubarm (Bild 39).

Lösen Sie die Befestigungsschrauben des Schalters (Bild 39) und schieben den Schalter nach oben, um die Wendehöhe des Hubarms zu erhöhen, oder schieben Sie den Schalter nach unten, um die Wendehöhe des Hubarms zu verringern.
Ziehen Sie die Befestigungsschrauben fest.
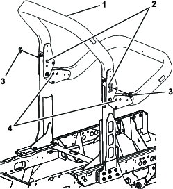
Sie können den Überrollbügel zusammenklappen, um den Zugang zu Bereichen mit beschränkter lichter Höhe zu ermöglichen.
Die Maschine hat keinen Überrollschutz, wenn der Überrollbügel zusammengeklappt ist; dies sollte nicht als Überrollschutz angesehen werden.
Legen Sie keinen Sicherheitsgurt an, wenn der Überrollbügel abgesenkt ist.
Parken Sie die Maschine auf einer ebenen Fläche, stellen Sie den Motor ab, aktivieren Sie die Feststellbremse und ziehen Sie den Schlüssel ab.
Stützen Sie das Gewicht des oberen Rahmens des Überrollbügels ab, während Sie die Rastzungen und Lastösenbolzen aus den Schwenkhalterung nehmen (Bild 40).

Senken Sie den Rahmen vorsichtig ab, bis er auf den Anschlägen aufliegt.
Setzen Sie die Lastösenbolzen in die unteren Löcher ein und befestigen sie mit den Rastzungen, um den oberen Rahmen in der abgesenkten Stellung abzustützen.
Gehen Sie in umgekehrter Reihenfolge vor, um den Rahmen aufzuklappen.
Der Überrollschutz ist ggf. nicht wirksam, wenn die Befestigungsschrauben des Überrollschutzes lose sind; dies kann bei einem Überschlagen zu schweren ggf. tödlichen Verletzungen führen.
In der hochgeklappten Stellung müssen beide Befestigungsschrauben eingesetzt und fest angezogen sein, um vollen Schutz durch den Überrollschutz zu gewährleisten.
Beim Zusammen- und Aufklappen des Überrollbügels können Finger zwischen der Maschine und dem Überrollbügel eingeklemmt werden.
Passen Sie beim Zusammen- und Aufklappen des Überrollbügels auf, damit keine Finger zwischen dem festen und dem sich drehenden Teil der Struktur eingeklemmt werden.
Halten Sie alle Muttern, Bolzen und Schrauben richtig angezogen, damit die Maschine in einem sicheren Betriebszustand bleibt.
Tauschen Sie abgenutzte und beschädigte Teile aus Sicherheitsgründen aus.
Stellen Sie sicher, dass der Sicherheitsgurt und die Befestigungen in gutem Betriebszustand sind.
Legen Sie den Sicherheitsgurt an, wenn der Überrollbügel aufgerichtet; ein Sicherheitsgurt ist nicht erforderlich, wenn der Überrollbügel heruntergeklappt ist.
Important: Der Überrollbügel ist eine integrierte Sicherheitseinrichtung. Lassen Sie den Überrollbügel ganz aufgestellt, wenn Sie den Mäher verwenden. Senken Sie den Überrollbügel nur ab, wenn es wirklich erforderlich ist.
| Wartungsintervall | Wartungsmaßnahmen |
|---|---|
| Bei jeder Verwendung oder täglich |
|
Wenn die Sicherheitsschalter abgeklemmt oder beschädigt werden, setzt sich die Maschine möglicherweise von alleine in Bewegung, was Verletzungen verursachen kann.
An den Sicherheitsschaltern dürfen keine Veränderungen vorgenommen werden.
Prüfen Sie die Funktion der Sicherheitsschalter täglich und tauschen alle defekten Schalter vor dem Einsatz der Maschine aus.
Im elektrischen System der Maschine befinden sich Sicherheitsschalter. Diese Schalter sind so ausgelegt, dass sie den Motor abstellen, wenn Sie den Sitz verlassen und das Fahrpedal heruntergedrückt ist. Sie können jedoch den Sitz bei laufendem Motor verlassen, wenn das Fahrpedal in der Neutral-Stellung ist. Obwohl der Motor weiter läuft, wenn Sie den Zapfwellenschalter auskuppeln und das Fahrpedal lösen, sollten Sie den Motor abstellen, bevor Sie den Sitz verlassen.
Führen Sie die folgenden Schritte durch, um die Funktion der Sicherheitsschalter zu prüfen:
Fahren Sie die Maschine langsam auf eine größere, verhältnismäßig offene Fläche.
Senken Sie die Schneideinheiten ab, stellen Sie den Motor ab und aktivieren Sie die Feststellbremse.
Nehmen Sie auf dem Sitz Platz und treten auf das Fahrpedal.
Versuchen Sie anschließend, den Motor zu starten.
Note: Der Motor sollte nicht anspringen. Wenn der Motor anspringt, sind die Sicherheitsschalter defekt; reparieren Sie sie vor dem Einsatz der Maschine.
Setzen Sie sich auf den Sitz und lassen Sie den Motor an.
Verlassen Sie den Sitz und stellen den Zapfwellenschalter in die Ein-Stellung.
Note: Die Zapfwelle sollte sich jetzt eigentlich nicht einkuppeln lassen. Wenn die Zapfwelle eingekuppelt wird, sind die Sicherheitsschalter defekt; reparieren Sie sie vor dem Einsatz der Maschine.
Nehmen Sie auf dem Sitz Platz, aktivieren Sie die Feststellbremse und lassen den Motor an.
Bewegen Sie das Fahrpedal aus der NEUTRAL-Stellung.
Note: Der Motor sollte ausgehen. Wenn der Motor nicht abstellt, sind die Sicherheitsschalter defekt und müssen vor dem Einsatz repariert werden.
Stellen Sie den Motor ab und ziehen Sie den Zündschlüssel ab. Lassen Sie vor dem Einstellen, Reinigen, Einlagern und Reparieren alle beweglichen Teile zum Stillstand kommen und die Maschine abkühlen.
Entfernen Sie Gras und Schmutz von den Schneideinheiten, den Auspuffen und dem Motorraum, um einem Brand vorzubeugen. Wischen Sie Öl- und Kraftstoffverschüttungen auf.
Befinden sich die Mähwerke in der Transport-Stellung, verwenden Sie die formschlüssige mechanische Sicherung (sofern vorhanden), bevor Sie die Maschine unbeaufsichtigt lassen.
Lassen Sie den Motor abkühlen, bevor Sie die Maschine in einem geschlossenen Raum abstellen.
Schließen Sie den Kraftstoffhahn, bevor Sie die Maschine einlagern oder transportieren.
Lagern Sie die Maschine oder den Benzinkanister nie an Orten mit offener Flamme, Funken oder Zündflamme, z. B. Warmwasserbereiter, oder andere Geräte.
Alle Teile der Maschine müssen sich in gutem Zustand befinden, und alle Hardware – insbesondere die Messerbefestigungen – korrekt festgezogen sein.
Ersetzen Sie abgenutzte und beschädigte Aufkleber.
Im Notfall können Sie die Maschine durch Aktivieren des Sicherheitsventils an der stufenlosen Hydraulikpumpe und durch Umgehen des Sperrventils im Hydraulikschlauch und anschließendes Schieben oder Schleppen, bewegen.
Important: Schieben oder schleppen Sie die Maschine höchstens mit 3 km bis 4,8 km/h über eine maximale Strecke von 400 m, sonst kann das interne Getriebe beschädigt werden. Öffnen Sie das Sicherheitsventil, wenn die Maschine geschoben oder geschleppt wird. Außerdem müssen Sie, wenn Sie die Maschine rückwärts schieben oder abschleppen, einen Hydraulikschlauch einbauen, um das Sicherheitsventil zu umgehen.
Wenn Sie die Maschine schieben oder abschleppen müssen, werden Sie diese vorwärts und rückwärts bewegen müssen. Bereiten Sie deshalb die Maschine für beide Bewegungsrichtungen vor, damit das Antriebssystem beim Schieben oder Abschleppen keinen Schaden nimmt.
Important: Wenn Sie die Maschine rückwärts schieben oder schleppen müssen, sollten Sie zuerst das Sicherheitsventil im Allradantriebssteuerblock umgehen.
Für das Umgehen des Sicherheitsventils sind folgende Teile von Toro erforderlich:
Toro Bestellnummer 59-7410, Diagnose-Anschlussstück
Toro Bestellnummer 354-79, Deckel des Diagnose-Anschlussstücks
Toro Bestellnummer 95-8843, Hydraulikschlauch
Toro Bestellnummer 95-0985, Kupplungsanschlussstück
Toro Bestellnummer 340-77, Hydraulikanschlussstück (2)
Installieren Sie das Diagnose-Anschlussstück in dem unmarkierten Anschluss zwischen den Anschlüssen M8 und P2 am Heckantriebverteiler (Bild 41).

Schließen Sie einen Hydraulikschlauch zwischen dem eingebauten Diagnose-Anschlussstück im Heckantriebverteiler und dem Testanschluss für den Rückwärtsantriebsdruck (Bild 42) an.
Note: Verwenden Sie zum Anschluss des Hydraulikschlauchs die Hydraulikanschlussstücke und Kupplungsanschlussstücke.

Drehen Sie das Sicherheitsventil um eine Vierteldrehung nach rechts oder links, um es zu öffnen und das Öl intern umzuleiten (Bild 43).
Note: Da das Öl um das Getriebe umgeleitet wird, kann die Zugmaschine ohne Schäden am Getriebe langsam bewegt werden.Merken Sie sich die Ventilstellung beim Öffnen oder Schließen.

Nehmen Sie den eingebauten Hydraulikschlauch nach Abschluss des Schiebe- oder Abschleppvorgangs der Maschine wieder ab.
Bringen Sie den Deckel der Rückwärtsfahrt-Druckteststelle wieder an.
Bringen Sie den Deckel des Diagnose-Anschlussstücks auf das am Steuerblock installierte Anschlussstück an.
Drehen Sie das Sicherheitsventil um 90 Grad (eine Viertelumdrehung) zurück, bevor Sie den Motor anlassen.
Note: Ziehen Sie das Ventil zum Schließen höchstens mit 7-11 Nm an.
Wenn Sie die Maschine nur vorwärts schieben oder abschleppen müssen, brauchen Sie nur das Sicherheitsventil drehen.
Important: Wenn Sie die Maschine rückwärts schieben oder abschleppen müssen, siehe Vorbereiten der Maschine für das Rückwärtsschieben bzw. -abschleppen.
Öffnen Sie die Haube und entfernen Sie die mittlere Abdeckung.
Drehen Sie das Sicherheitsventil um eine Vierteldrehung nach rechts oder links, um es zu öffnen und das Öl intern umzuleiten (Bild 43).
Note: Da das Öl um das Getriebe umgeleitet wird, kann die Zugmaschine ohne Beschädigen des Getriebes langsam vorwärts bewegt werden.Merken Sie sich die Ventilstellung beim Öffnen oder Schließen.
Drehen Sie das Sicherheitsventil um 90 Grad (eine Viertelumdrehung) zurück, bevor Sie den Motor anlassen.
Note: Ziehen Sie das Ventil zum Schließen höchstens mit 7-11 Nm an.
Verwenden Sie durchgehenden Rampen für das Verladen der Maschine auf einen Anhänger oder Pritschenwagen.
Vergurten Sie die Maschine.
Die Vergurtungsstellen befinden sich in den folgenden Positionen:
An jeder Seite des Rahmens unter den vorderen Stufen.
Hintere Stoßstange

Die Hebestellen befinden sich in den folgenden Positionen:
Vorne am Maschinenchassis an der Innenseite jedes Antriebsreifens
In der Mitte der Achse hinten an der Maschine
Üben Sie das Fahren mit der Maschine, da sie ein hydrostatisches Getriebe hat, dessen Fahrverhalten sich von vielen anderen Rasenpflegemaschinen unterscheidet.
Stellen Sie das Fahrpedal so ein, dass die Motordrehzahl hoch und in etwa gleich bleibt, damit eine ausreichende Leistung für die Maschine verfügbar bleibt. Reduzieren Sie bei zunehmender Belastung der Schneideinheiten die Fahrgeschwindigkeit und erhöhen sie, wenn die Last abnimmt.
Lassen Sie deshalb das Fahrpedal bei abnehmender Motordrehzahl zurückgehen und drücken Sie es wieder langsam herunter, wenn sich die Drehzahl erhöht. Wenn Sie jedoch ohne Belastung und mit angehobenen Schneideinheiten von einem Arbeitsbereich zum anderen fahren, sollte die Gasbedienung in die SCHNELL-Stellung sein; treten Sie das Fahrpedal langsam ganz durch, um die maximale Fahrgeschwindigkeit zu erzielen.
Sie können die Bremsen zur Unterstützung des Wendens einsetzen; gehen Sie dabei jedoch vorsichtig vor, insbesondere auf weichem und nassem Gras, da die Grünfläche beschädigt werden kann. Mit den Bremsen können Sie auch den Antrieb erhalten. An manchen Hängen rutscht das hangaufwärts liegende Rad durch und verliert die Bodenhaftung. Treten Sie in solchen Fällen das Pedal zum Hangaufwärtsfahren langsam ab und zu durch, bis das hangaufwärts liegende Rad nicht mehr rutscht, wodurch sich die Bodenhaftung des hangabwärts liegenden Rades verbessert.
Gehen Sie beim Einsatz der Maschine an Hängen besonders vorsichtig vor. Stellen Sie sicher, dass der Sitzriegel richtig eingerastet ist, der Überrollbügel hochgeklappt und der Sicherheitsgurt angelegt ist. Um einen Überschlag zu vermeiden, sollten Sie an Hängen langsam fahren und scharfe Kurven vermeiden.
Important: Lassen Sie den Motor für fünf Minuten im Leerlauf laufen, bevor Sie ihn nach einem Einsatz unter voller Last ausschalten. Der Turbolader kann dann vor dem Abstellen des Motors abkühlen. Ansonsten können Probleme mit dem Turbolader entstehen.
Deaktivieren Sie vor dem Abstellen des Motors alle Bedienelemente und stellen Sie die Gasbedienung in die LANGSAM-Stellung. Wenn der Gasbedienungshebel auf LANGSAM gestellt wird, sinkt die Motordrehzahl, die Geräuschentwicklung und die Vibration. Drehen Sie den Zündschlüssel in die AUS-Stellung, um den Motor abzustellen.
Bevor Sie mit dem Mähen von Rasenflächen beginnen, sollten Sie mit der Maschine in einem offenen Bereich üben. Lassen Sie den Motor an und stellen ihn ab. Fahren Sie vorwärts und rückwärts. Senken Sie die Mähwerke ab und heben Sie diese an, kuppeln Sie die Spindeln ein und aus. Wenn Sie sich mit der Maschine vertraut gemacht haben, üben Sie das Fahren hangauf- und hangabwärts mit verschiedenen Geschwindigkeiten.
Wenn eine Warnlampe beim Betrieb aufleuchtet, stellen Sie die Maschine sofort ab und beheben Sie den Fehler, bevor Sie weiterarbeiten. Die Maschine kann schwer beschädigt werden, wenn Sie sie mit einer Fehlfunktion einsetzen.
Lassen Sie den Motor an und stellen den Motordrehzahlschalter in die SCHNELL-Stellung. Stellen Sie den Mähgeschwindigkeitsbegrenzer in die MäH-Stellung. Stellen Sie den Zapfwellenschalter in die EIN-Stellung und steuern Sie dann die Schneideinheiten mit dem Hubschalter (die Frontschneideinheiten werden vor den Heckschneideinheiten abgesenkt). Drücken Sie das Fahrpedal nach vorne, um vorwärts zu fahren und zu mähen.
Schieben Sie den Zapfwellenschalter in die AUS-Stellung und heben Sie die Schneideinheiten in die Transportstellung an. Stellen Sie den Mähgeschwindigkeitsbegrenzer in die Transport-Stellung. Fahren Sie vorsichtig zwischen Objekten durch, damit Sie weder die Maschine noch die Schneideinheiten beschädigen. Gehen Sie beim Einsatz der Maschine an Hängen besonders vorsichtig vor. Um einen Überschlag zu vermeiden, sollten Sie an Hängen langsam fahren und scharfe Kurven vermeiden.
Note: Bestimmen Sie die linke und rechte Seite der Maschine anhand der üblichen Einsatzposition.
| Wartungsintervall | Wartungsmaßnahmen |
|---|---|
| Nach acht Betriebsstunden |
|
| Nach 200 Betriebsstunden |
|
| Bei jeder Verwendung oder täglich |
|
| Alle 50 Betriebsstunden |
|
| Alle 100 Betriebsstunden |
|
| Alle 200 Betriebsstunden |
|
| Alle 250 Betriebsstunden |
|
| Alle 400 Betriebsstunden |
|
| Alle 800 Betriebsstunden |
|
| Vor der Einlagerung |
|
Kopieren Sie diese Seite für regelmäßige Verwendung.
| Wartungsprüfpunkt | Für KW: | ||||||
|---|---|---|---|---|---|---|---|
| Mo | Di | Mi | Do | Fr | Sa | So | |
| Prüfen Sie die Funktion der Sicherheitsschalter. | |||||||
| Prüfen Sie die Funktion der Bremsen. | |||||||
| Prüfen Sie den Füllstand des Motoröls und des Kraftstoffs. | |||||||
| Prüfen Sie den Stand des Kühlmittels. | |||||||
| Entleeren Sie den Kraftstoff-/Wasserabscheider. | |||||||
| Prüfen Sie die Anzeige für den Luftfilter. | |||||||
| Prüfen Sie den Kühler, den Ölkühler und das Gitter auf Sauberkeit. | |||||||
| Achten Sie auf ungewöhnliche Motorengeräusche.1 | |||||||
| Achten Sie auf ungewöhnliche Betriebsgeräusche. | |||||||
| Prüfen Sie den Hydraulikölstand. | |||||||
| Prüfen Sie die Hydraulikschläuche auf Defekte. | |||||||
| Prüfen Sie die Dichtheit. | |||||||
| Prüfen Sie den Reifendruck. | |||||||
| Prüfen Sie die Funktion der Instrumente. | |||||||
| Prüfen Sie die Einstellung der Spindel zum Untermesser. | |||||||
| Prüfen Sie die Schnitthöheneinstellung. | |||||||
| Fetten Sie alle Schmiernippel ein.2 | |||||||
| Bessern Sie alle Lackschäden aus. | |||||||
|
1. Prüfen Sie die Glühkerze und Einspritzdüsen, wenn der Motor schwer anspringt, stark qualmt oder unruhig läuft. |
|||||||
|
2. Unmittelbar nach jeder Wäsche, ungeachtet des aufgeführten Intervalls |
|||||||
| Inspiziert durch: | ||
| Punkt | Datum | Informationen |
| 1 | ||
| 2 | ||
| 3 | ||
| 4 | ||
| 5 | ||
| 6 | ||
| 7 | ||
| 8 | ||
Important: Weitere Wartungsarbeiten finden Sie in der Bedienungsanleitung des Motors und der Bedienungsanleitung des Mähwerks.
Note: Ein Elektroschaltbild oder ein Hydraulikschaltbild für Ihre Maschine finden Sie unter www.Toro.com.
Wenn Sie den Zündschlüssel im Zündschloss lassen, könnte eine andere Person den Motor versehentlich anlassen und Sie und Unbeteiligte schwer verletzen.
Ziehen Sie vor irgendwelchen Wartungsarbeiten den Zündschlüssel ab.
Vor dem Einstellen, Reinigen, Reparieren oder Verlassen der Maschine:
Stellen Sie die Maschine auf eine ebene Fläche.
Stellen Sie die Gasbedienung in die niedrige Leerlauf-Stellung.
Kuppeln Sie die Mähwerke aus.
Senken Sie die Mähwerke ab.
Stellen Sie sicher, dass der Fahrantrieb in der Leerlauf-Stellung ist.
Aktivieren Sie die Feststellbremse.
Stellen Sie den Motor ab und ziehen Sie den Schlüssel ab.
Warten Sie, bis alle beweglichen Teile zum Stillstand gekommen sind.
Lassen Sie alle Maschinenteile abkühlen, ehe Sie mit Wartungsarbeiten beginnen.
Führen Sie Wartungsarbeiten möglichst nicht bei laufendem Motor durch. Halten Sie sich von beweglichen Teilen fern.
Stützen Sie die Maschine oder Komponenten bei Bedarf mit Stützböcken ab.
Lassen Sie den Druck aus Maschinenteilen mit gespeicherter Energie vorsichtig ab.
Lösen Sie die Motorhaubenriegel (Bild 45) und öffnen die Motorhaube.

Entfernen Sie die Splints, mit denen die hinteren Haubenhalterungen an den Rahmenstiften befestigt sind, und nehmen Sie die Haube ab.
| Wartungsintervall | Wartungsmaßnahmen |
|---|---|
| Alle 50 Betriebsstunden |
|
Die Maschine hat Schmiernippel, die regelmäßig mit Nr. 2 Schmierfett auf Lithiumbasis eingefettet werden müssen. Fetten Sie alle Lager und Büchsen alle 50 Betriebsstunden und unverzüglich nach jeder Reinigung ein, wenn die Maschine unter normalen Bedingungen eingesetzt wird.
Die Schmiernippel und deren Anzahl sind:
Bremsstangen-Drehlager (5) (Bild 46)

Hinterachse-Drehbüchsen (2) (Bild 47)

Lenkzylinder-Kugelgelenke (2) (Bild 48)

Spurstangen-Kugelgelenke (2) (Bild 48)
Achsschenkelbolzen (2) (Bild 48) Fetten Sie die obere Armatur am Achsschenkelbolzen nur einmal jährlich (2 Pumpen).
Hubarmbüchsen (1 pro Schneideinheit) (Bild 49)

Hubzylinderbüchsen (2 pro Schneideinheit) (Bild 49)
Hubarm-Drehbüchsen (1 pro Schneideinheit) (Bild 50)
Schneideinheit-Trägerrahmen (2 pro Schneideinheit) (Bild 50)
Schneideinheit-Hubarmgelenk (1 pro Schneideinheit) (Bild 50)

Stellen Sie den Motor grundsätzlich vor dem Prüfen des Ölstands oder Auffüllen des Kurbelgehäuses mit Öl ab.
Ändern Sie nicht die Geschwindigkeit des Drehzahlreglers oder überdrehen den Motor.
| Wartungsintervall | Wartungsmaßnahmen |
|---|---|
| Alle 400 Betriebsstunden |
|
Prüfen Sie das Luftfiltergehäuse auf Beschädigungen, die eventuell zu einem Luftaustritt führen können. Ersetzen Sie ihn bei einer Beschädigung. Prüfen Sie die ganze Ansauganlage auf Lecks, Beschädigungen oder lose Schlauchklemmen.
Warten Sie den Luftfilter nur, wenn die Wartungsanzeige dies angibt (Bild 51). Das frühzeitige Auswechseln des Luftfilters erhöht nur die Gefahr, dass Schmutz in den Motor gelangt, wenn Sie den Filter entfernen.

Important: Stellen Sie sicher, dass die Abdeckung richtig angebracht ist und das Luftfiltergehäuse abdichtet.
Parken Sie die Maschine auf einer ebenen Fläche, senken die Schneideinheiten ab, aktivieren die Feststellbremse, stellen den Motor ab und ziehen den Zündschlüssel ab.
Ziehen Sie den Riegel nach außen und drehen Sie die Luftfilterabdeckung nach links (Bild 52).

Nehmen Sie die Abdeckung vom Luftfiltergehäuse ab.
Vor dem Entfernen des Filters sollten Sie große Schmutzablagerungen zwischen der Außenseite des Hauptfilters und der Glocke mit schwacher Druckluft (2,76 bar, sauber und trocken) entfernen. Verwenden Sie keinen Hochdruckreiniger, da Schmutz durch den Filter in die Ansauganlage gedrückt werden könnte.
Diese Reinigung verhindert, dass Rückstände in den Einlass gelangen, wenn Sie den Hauptfilter entfernen.
Entfernen und wechseln Sie den Hauptfilter aus (Bild 53).
Sie sollten ein gebrauchtes Element nicht reinigen, da die Gefahr einer Beschädigung des Filtermediums besteht. Prüfen Sie den neuen Filter auf Versandschäden, prüfen Sie das Dichtungsende des Filters und des Gehäuses. Verwenden Sie nie einen beschädigten Einsatz.
Setzen Sie den neuen Filter ein. Drücken Sie auf den äußeren Rand des Einsatzes, um es im Kanister zu platzieren. Drücken Sie nie auf die flexible Mitte des Filters.

Important: Versuchen Sie nie, den Sicherheitsfilter zu reinigen (Bild 54). Tauschen Sie den Sicherheitsfilter bei jeder dritten Wartung des Hauptluftfilters aus.

Reinigen Sie den Schmutzauswurfanschluss in der abnehmbaren Abdeckung.
Nehmen Sie das Gummiablassventil von der Abdeckung ab, reinigen Sie den Hohlraum und setzen Sie das Ablassventil ein.
Setzen Sie die Abdeckung ein, richten Sie das Gummiablassventil nach unten, ungefähr zwischen 5 und 7 Uhr (vom Ende her gesehen).
Stellen Sie die Anzeige (Bild 51) zurück, wenn sie auf Rot steht.
| Wartungsintervall | Wartungsmaßnahmen |
|---|---|
| Alle 250 Betriebsstunden |
|
Parken Sie die Maschine auf einer ebenen Fläche, senken die Schneideinheiten ab, aktivieren die Feststellbremse, stellen den Motor ab und ziehen den Zündschlüssel ab.
Entfernen Sie die Ablassschraube (Bild 55) und lassen Sie das Öl in die Auffangwanne ab.

Setzen Sie die Ablassschraube ein, wenn kein Öl mehr austritt.
Entfernen Sie den Ölfilter (Bild 56).

Ölen Sie die neue Filterdichtung leicht mit frischem Öl ein, bevor Sie den Filter eindrehen.
Note: Ziehen Sie den Filter nicht zu fest.
Füllen Sie Öl in das Kurbelgehäuse, siehe Prüfen des Stands des Motoröls.
Stellen Sie den Bowdenzug (Bild 57) so ein, dass den Drehzahlregler am Motor die Einstellschraube für die hohe Geschwindigkeit berührt, bevor den Bowdenzug die Kerbe im Steuerarm berührt.

Unter gewissen Bedingungen sind Kraftstoff und -dünste äußerst brennbar und explosiv. Feuer und Explosionen durch Kraftstoff können Sie und Unbeteiligte verletzen und Sachschäden verursachen.
Betanken Sie die Maschine nur im Freien, wenn der Motor abgeschaltet und kalt ist. Wischen Sie verschütteten Kraftstoff auf.
Füllen Sie den Kraftstofftank nicht ganz auf. Tanken Sie nur bis zu einer Höhe von 25 mm unterhalb der Unterseite des Füllstutzens. Der verbleibende Raum im Tank ist für die Ausdehnung des Kraftstoffes erforderlich.
Rauchen Sie beim Umgang mit Kraftstoff unter keinen Umständen und halten Kraftstoff von offenem Licht und jeglichem Risiko von Funkenbildung fern.
Lagern Sie Kraftstoff in einem sauberen, zulässigen Kanister und halten den Deckel aufgeschraubt.
| Wartungsintervall | Wartungsmaßnahmen |
|---|---|
| Alle 800 Betriebsstunden |
|
| Vor der Einlagerung |
|
Parken Sie die Maschine auf einer ebenen Fläche, senken die Schneideinheiten ab, aktivieren die Feststellbremse, stellen den Motor ab und ziehen den Zündschlüssel ab.
Entleeren und reinigen Sie den Tank, wenn die Kraftstoffanlage verunreinigt wird oder die Maschine längere Zeit eingelagert werden muss. Spülen Sie den Tank nur mit frischem Kraftstoff.
| Wartungsintervall | Wartungsmaßnahmen |
|---|---|
| Alle 400 Betriebsstunden |
|
Parken Sie die Maschine auf einer ebenen Fläche, senken die Schneideinheiten ab, aktivieren die Feststellbremse, stellen den Motor ab und ziehen den Zündschlüssel ab.
Prüfen Sie die Kraftstoffleitungen auf Verschleiß, Defekte oder lockere Anschlüsse.
| Wartungsintervall | Wartungsmaßnahmen |
|---|---|
| Bei jeder Verwendung oder täglich |
|
| Alle 400 Betriebsstunden |
|
Parken Sie die Maschine auf einer ebenen Fläche, senken die Schneideinheiten ab, aktivieren die Feststellbremse, stellen den Motor ab und ziehen den Zündschlüssel ab.
Stellen Sie einen sauberen Behälter unter den Kraftstofffilter.
Lösen Sie die Ablassschraube an der Unterseite der Filterglocke.

Reinigen Sie den Anbaubereich der Filterglocke.
Entfernen Sie die Filterglocke und reinigen die Kontaktfläche.
Ölen Sie die Dichtung der Filterglocke mit frischem Öl ein.
Drehen Sie die Filterglocke per Hand ein, bis die Dichtung die Kontaktfläche berührt; drehen Sie sie dann um eine weitere halbe Umdrehung fest.
Ziehen Sie die Ablassschraube an der Unterseite der Filterglocke.
Parken Sie die Maschine auf einer ebenen Fläche, senken die Mähwerke ab, aktivieren die Feststellbremse, stellen den Motor ab und ziehen den Zündschlüssel ab.
Der Kraftstoffzulaufschlauch, der sich im Kraftstofftank befindet, hat ein Sieb, damit keine Rückstände in die Kraftstoffanlage gelangen. Entfernen Sie den Kraftstoffzulaufschlauch und reinigen das Sieb nach Bedarf.
Klemmen Sie vor dem Durchführen von Reparaturen an der Maschine den Akku ab. Klemmen Sie immer zuerst die Minusklemme und dann die Plusklemme ab. Schließen Sie immer zuerst den Pluspol und dann den Minuspol an.
Laden Sie den Akku in offenen, gut gelüfteten Bereichen und nicht in der Nähe von Funken und offenem Feuer. Stecken Sie das Ladegerät aus, ehe Sie die Batterie anschließen oder abklemmen. Tragen Sie Schutzkleidung und verwenden Sie isoliertes Werkzeug.
Parken Sie die Maschine auf einer ebenen Fläche, senken die Schneideinheiten ab, aktivieren die Feststellbremse, stellen den Motor ab und ziehen den Zündschlüssel ab.
Entriegeln und heben Sie die Abdeckung der Bedienerkonsole hoch (Bild 59).

Die Batterieflüssigkeit enthält Schwefelsäure, die ein tödliches Gift ist und starke chemische Verbrennungen verursacht.
Trinken Sie nie Akkusäure und vermeiden Sie den Kontakt mit Haut, Augen und Kleidungsstücken. Tragen Sie eine Schutzbrille, um Ihre Augen zu schützen, sowie Gummihandschuhe, um Ihre Hände zu schützen.
Füllen Sie den Akku an einem Ort, an dem immer klares Wasser zum Spülen der Haut verfügbar ist.
Schließen Sie ein Ladegerät mit drei Ampere oder vier Ampere an die Batteriepole an.
Laden Sie die Batterie mit drei bis vier Ampere für vier bis acht Stunden auf.
Ziehen Sie, wenn die Batterie ganz geladen ist, den Netzstecker des Ladegeräts und klemmen dieses von den Batteriepolen ab.
Beim Laden des Akkus werden Gase erzeugt, die explodieren können.
Rauchen Sie nie in der Nähe des Akkus und halten Sie Funken und offenes Feuer von des Akkus fern.
Klemmen Sie das Pluskabel (Rot) am Pluspol (+) der Batterie und das Minuskabel (Schwarz) am Minuspol (-) der Batterie an (Bild 60).

Befestigen Sie die Kabel mit Kopfschrauben und Muttern an den Polen.
Stellen Sie sicher, dass die Plusklemme (+) vollständig auf den Pluspol aufgezogen und das Kabel fest an die Batterie angeklemmt ist. Das Kabel darf die Batterieabdeckung nicht berühren.
Ziehen Sie die Gummimuffe über den Pluspol, um Kurzschlüssen vorzubeugen.
Überziehen Sie beide Batteriepole und Anschlüsse mit Grafo 112X-Fett (Toro, Bestellnummer 505-47), mit Vaseline oder leichtem Schmierfett, um einer Korrosion vorzubeugen.
Ziehen Sie den Gummischuh über den Pluspol.
Schließen Sie die Konsolenabdeckung und befestigen Sie den Riegel.
Batteriepole und Metallwerkzeuge können an metallischen Teilen Kurzschlüsse verursachen, was Funken erzeugen kann. Funken können zum Explodieren der Gase im Akku führen und Verletzungen verursachen.
Beim Aus- und Einbau des Akkus verhindern, dass Akkupole mit Metallteilen der Maschine in Kontakt kommen.
Vermeiden Sie Kurzschlüsse zwischen metallischen Werkzeugen, den Akkupolen und metallischen Maschinenteilen.
Das unsachgemäße Verlegen der Akkukabel kann zu Schäden an der Maschine führen, und die Kabel können Funken erzeugen. Funken können zum Explodieren der Batteriegase führen, was Verletzungen zur Folge haben kann.
Trennen Sie immer das Minuskabel (Schwarz) ab, bevor Sie das Pluskabel (Rot) abtrennen.
Schließen Sie immer das Pluskabel (Rot) an, bevor Sie das Minuskabel (Schwarz) anschließen.
| Wartungsintervall | Wartungsmaßnahmen |
|---|---|
| Alle 50 Betriebsstunden |
|
Important: Klemmen Sie vor Schweißarbeiten an der Maschine das negative Akkukabel vom Akkupol ab, um einer Beschädigung der elektrischen Anlage vorzubeugen.
Note: Prüfen Sie den Akkuzustand wöchentlich oder alle 50 Betriebsstunden. Halten Sie die Pole und den gesamten Batteriekasten sauber, da sich eine verschmutzte Batterie langsam entlädt.
Reinigen Sie die Batterie wie folgt:
Parken Sie die Maschine auf einer ebenen Fläche, senken die Schneideinheiten ab, aktivieren die Feststellbremse, stellen den Motor ab und ziehen den Zündschlüssel ab.
Nehmen Sie die Batterie aus der Maschine heraus.
Waschen Sie den ganzen Kasten mit Natronlauge aus.
Spülen Sie den Kasten mit klarem Wasser aus.
Überziehen Sie die Batteriepole und Anschlüsse mit Grafo 112X-Schmiermittel (Toro Bestellnummer 50547) oder mit Vaseline, um einer Korrosion vorzubeugen.
Die Sicherungen befinden Sie unter dem Bedienfeld.

Parken Sie die Maschine auf einer ebenen Fläche, senken die Schneideinheiten ab, aktivieren die Feststellbremse, stellen den Motor ab und ziehen den Zündschlüssel ab.
Entriegeln und heben Sie die Abdeckung der Bedienerkonsole hoch (Bild 62), um an die Sicherungen (Bild 63) zu gelangen.



| Wartungsintervall | Wartungsmaßnahmen |
|---|---|
| Nach acht Betriebsstunden |
|
| Alle 200 Betriebsstunden |
|
Parken Sie die Maschine auf einer ebenen Fläche, senken die Schneideinheiten ab, aktivieren die Feststellbremse, stellen den Motor ab und ziehen den Zündschlüssel ab.
Wenn Sie die Radmuttern nicht fest genug ziehen, kann sich ein Rad lösen, was zu Verletzungen führen kann.
Ziehen Sie die Muttern an den Vorder- und Hinterreifen nach ein bis vier Arbeitsstunden bis auf 115-136 N∙m an und danach noch einmal nach acht Betriebsstunden. Ziehen Sie sie dann alle 200 Betriebsstunden nach.
Note: Die Vorderradmuttern sind ½-20 UNF. Die Hinterradmuttern sind M12 x 1,6-6H (metrisch).
| Wartungsintervall | Wartungsmaßnahmen |
|---|---|
| Alle 400 Betriebsstunden |
|
Die Planetengetriebe bzw. Antriebsräder sollten am Ende kein Spiel haben (d. h. die Räder sollten sich nicht bewegen, wenn sie in eine Richtung parallel zur Achse gezogen oder geschoben werden).
Parken Sie die Maschine auf einer ebenen Fläche, aktivieren Sie die Feststellbremse, senken die Mähwerke ab, stellen den Motor ab und ziehen den Schlüssel ab.
Blockieren Sie die Hinterräder und heben die Front der Maschine an; stützen Sie die Vorderachse bzw. den Rahmen auf Stützböcken ab.
Unter Umständen ist eine aufgebockte Maschine unstabil und fällt vom Wagenheber, wodurch Personen unter der Maschine verletzt würden.
Lassen Sie den Motor nie an, wenn die Maschine aufgebockt ist.
Ziehen Sie immer den Schlüssel aus dem Zündschloss, bevor Sie von der Maschine absteigen.
Blockieren Sie die Räder, wenn Sie die Maschine mit einem Wagenheber aufbocken.
Stützen Sie die Maschine mit Stützböcken ab.
Fassen Sie eines der vorderen Antriebsräder an und drücken es zur Maschine bzw. ziehen es von der Maschine weg; achten Sie auf eine mögliche Bewegung.

Wiederholen Sie Schritt 3 für das andere Antriebsrad.
Wenn sich eines der Räder bewegt, wenden Sie sich an den Toro-Vertragshändler und lassen das Planetengetriebe überholen.
| Wartungsintervall | Wartungsmaßnahmen |
|---|---|
| Alle 400 Betriebsstunden |
|
Technische Angaben für das Öl: SAE 85W-140 Qualitätsgetriebeöl
Parken Sie die Maschine auf einer ebenen Fläche und positionieren Sie das Rad so, dass die Füllschraube auf 12 Uhr, die Prüfschraube auf 3 Uhr und die Ablassschraube auf 6 Uhr steht (Bild 66).

Entfernen Sie die Prüfschraube, die auf 3 Uhr steht (Bild 66).
Der Ölstand sollte am unteren Rand des Prüflochs sein.

Wenn der Ölstand niedrig ist, entfernen Sie die Füllschraube, die auf 12 Uhr steht, und füllen Sie Öl auf, bis es aus dem Loch an der 3-Uhr-Stellung austritt.
Prüfen Sie die O-Ringe für die Schrauben auf Abnutzung oder Beschädigungen.
Note: Wechseln Sie ggf. die O-Ringe aus.
Setzen Sie die Schrauben ein.
Wiederholen Sie die Schritte 1 bis 5 für das Planetengetriebe an der anderen Seite der Maschine.
| Wartungsintervall | Wartungsmaßnahmen |
|---|---|
| Nach 200 Betriebsstunden |
|
| Alle 800 Betriebsstunden |
|
Technische Angaben für das Öl: SAE 85W-140 Qualitätsgetriebeöl
Ölmenge für Planetengetriebe und Bremsgehäuse: 0,65 Liter
Parken Sie die Maschine auf einer ebenen Fläche und positionieren Sie das Rad so, dass die Füllschraube auf 12 Uhr, die Prüfschraube auf 3 Uhr und die Ablassschraube auf 6 Uhr steht, siehe Bild 66 in Prüfen des Ölstands im Planetengetriebe.
Entfernen Sie die Füllschraube, die auf 12 Uhr steht, und die Prüfschraube, die auf 3 Uhr steht (Bild 68).

Stellen Sie eine Auffangwanne unter die Nabe des Planetengetriebes, entfernen Sie die Ablassschraube, die auf 6 Uhr steht, und lassen das Öl vollständig ablaufen (Bild 68).
Prüfen Sie die O-Ringe für die Füll-, Prüf- und Ablassschrauben auf Abnutzung oder Beschädigungen.
Note: Wechseln Sie ggf. die O-Ringe aus.
Setzen Sie die Ablassschraube in das Ablassloch des Planetengetriebegehäuses ein (Bild 68).
Stellen Sie eine Auffangwanne unter das Bremsgehäuse, entfernen Sie die Ablassschraube und lassen das Öl ganz ablaufen (Bild 69).

Prüfen Sie den O-Ring der Schraube auf Abnutzung oder Beschädigungen und setzen Sie die Ablassschraube in das Bremsgehäuse ein.
Note: Wechseln Sie den O-Ring ggf. aus.
Füllen Sie das Planetengetriebe langsam durch das Füllschraubenloch mit 0,65 l SAE 85W-140 Qualitätsgetriebeöl.
Important: Wenn das Planetengetriebe gefüllt ist, bevor Sie 0,65 l Öl eingefüllt haben, warten Sie eine Stunde oder setzen Sie die Schraube ein und bewegen Sie die Maschine ca. 3 m, um das Öl gleichmäßig in der Bremsanlage zu verteilen. Entfernen Sie dann die Schraube und füllen das restliche Öl ein.

Setzen Sie die Füllschraube und die Prüfschraube ein.
Wischen Sie das Gehäuse des Planetengetriebes und der Bremse ab (Bild 71).

Wiederholen Sie die Schritte 1 bis 7 in Ablassen des Planetengetriebes und die Schritte 1 bis 3 für das Planetengetriebe bzw. die Bremse an der anderen Seite der Maschine.
| Wartungsintervall | Wartungsmaßnahmen |
|---|---|
| Alle 400 Betriebsstunden |
|
Die Hinterachse wird im Werk mit SAE 85W-140 Getriebeöl gefüllt. Das Fassungsvermögen beträgt 2,4 l. Prüfen Sie die Dichtheit täglich.
Parken Sie die Maschine auf einer ebenen Fläche, senken die Schneideinheiten ab, aktivieren die Feststellbremse, stellen den Motor ab und ziehen den Zündschlüssel ab.
Entfernen Sie eine Prüfschraube aus einem Ende der Achse (Bild 72) und stellen sicher, dass das Öl die Unterseite des Lochs erreicht. Entfernen Sie bei niedrigem Ölstand die Füllschraube (Bild 72) und füllen genug Öl ein, um den Stand bis an die Unterseite der Prüfschraubenöffnungen anzuheben.

| Wartungsintervall | Wartungsmaßnahmen |
|---|---|
| Nach 200 Betriebsstunden |
|
| Alle 800 Betriebsstunden |
|
Parken Sie die Maschine auf einer ebenen Fläche, senken die Schneideinheiten ab, aktivieren die Feststellbremse, stellen den Motor ab und ziehen den Zündschlüssel ab.
Reinigen Sie den Bereich um die drei Ablassschrauben, d. h. jeweils eine an beiden Enden und eine in der Mitte (Bild 73).

Entfernen Sie die Ölstandprüfschrauben und den Entlüftungsdeckel an der Hauptachse, um das Ablassen des Öls zu beschleunigen.
Entfernen Sie die Ablassschraube und lassen das Öl in die Auffangwannen abfließen.
Drehen Sie die Stöpsel wieder ein.
Entfernen Sie eine Prüfschraube und füllen Sie die Achse mit ungefähr 2,37 l 85W-140 Getriebeöl oder bis die Unterseite des Lochs mit Öl bedeckt ist.
Drehen Sie die Prüfschraube wieder auf.
| Wartungsintervall | Wartungsmaßnahmen |
|---|---|
| Alle 400 Betriebsstunden |
|
Das Getriebe ist mit Getriebeöl der Sorte SAE 85W-140 gefüllt. Prüfen Sie den Ölstand vor dem ersten Anlassen des Motors und dann alle 400 Betriebsstunden. Das Fassungsvermögen beträgt 0,5 l. Prüfen Sie die Dichtheit täglich.
Parken Sie die Maschine auf einer ebenen Fläche, senken die Schneideinheiten ab, aktivieren die Feststellbremse, stellen den Motor ab und ziehen den Zündschlüssel ab.
Entfernen Sie die Prüf-/Füllschraube an der linken Getriebeseite (Bild 74) und stellen sicher, dass der Schmierstoff die Unterseite des Lochs erreicht. Füllen Sie bei einem niedrigen Stand genug Schmiermittel auf, um den Stand bis an die Unterseite des Lochs anzuheben.

Die Maschine darf nicht kriechen, wenn Sie das Fahrpedal loslassen. Sie müssen eine Einstellung vornehmen, wenn es dennoch dazu kommt.
Parken Sie die Maschine auf einer ebenen Fläche, stellen Sie den Motor ab, stellen die Geschwindigkeitsregelung in den niedrigen Bereich und senken die Schneideinheiten auf den Boden ab.
Treten Sie nur auf das rechte Bremspedal und aktivieren die Feststellbremse.
Bocken Sie die linke Seite der Maschine auf, bis linke Vorderrad Bodenfreiheit hat. Stützen Sie die Maschine mit Stützböcken ab, sodass sie nicht umfallen kann.
Starten Sie den Motor und lassen ihn im niedrigen Leerlauf laufen.
Stellen Sie die Klemmmuttern am Pumpenstangenende ein, um das Pumpensteuerungsrohr nach vorne zu verschieben, um ein Kriechen nach vorne zu vermeiden, oder um das Pumpensteuerungsrohr nach hinten zu verschieben, um ein Kriechen nach hinten zu vermeiden (Bild 75).

Ziehen Sie die Klemmmuttern fest, wenn die Räder zum Stillstand gekommen sind, um die Einstellung zu arretieren.
Stellen Sie den Motor ab und lösen Sie die rechte Bremse.
Entfernen Sie die Stützböcke und senken die Maschine auf den Boden ab.
Machen Sie eine Probefahrt, um sicherzustellen, dass die Maschine nicht mehr kriecht.
| Wartungsintervall | Wartungsmaßnahmen |
|---|---|
| Alle 800 Betriebsstunden |
|
Parken Sie die Maschine auf einer ebenen Fläche, senken die Schneideinheiten ab, aktivieren die Feststellbremse, stellen den Motor ab und ziehen den Zündschlüssel ab.
Messen Sie den Abstand vorne und hinten an den Lenkreifen Mitte-zu-Mitte (auf Achshöhe).
Note: Der Wert für vorne darf höchstens 3 mm kleiner sein als der Wert für hinten (Bild 76).

Entfernen Sie den Splint und die Mutter von einem der Spurstangen-Kugelgelenke (Bild 77), um die Vorspur einzustellen.

Entfernen Sie das Spurstangen-Kugelgelenk vom Achsständer.
Lockern Sie die Klemmen an beiden Enden der Zugstangen (Bild 77).
Drehen Sie das abgenommene Kugelgelenk um eine komplette Umdrehung nach innen oder außen.
Ziehen Sie die Klemme am losen Ende der Spurstange fest.
Drehen Sie die gesamte Spurstange um eine komplette Umdrehung in dieselbe Richtung (nach innen oder außen).
Ziehen Sie die Klemme am angeschlossenen Ende der Spurstange fest.
Montieren Sie das Kugelgelenk im Achsständer und ziehen Sie die Griffmutter fest.
Messen Sie die Vorspur.
Wiederholen Sie diese Schritte bei Bedarf.
Ziehen Sie die Mutter fest und montieren Sie einen neuen Splint, wenn die Einstellung korrekt ist.
Das Verschlucken von Motorkühlmittel kann zu Verletzungen ggf. tödlichen Verletzungen führen: Bewahren Sie Motorkühlmittel unzugänglich für Kinder und Haustiere auf.
Ablassen von heißem, unter Druck stehendem Kühlmittel bzw. eine Berührung des heißen Kühlers und benachbarter Teile kann zu schweren Verbrennungen führen.
Lassen Sie den Motor immer für mindestens 15 Minuten abkühlen, bevor Sie den Kühlerdeckel abnehmen.
Verwenden Sie beim Öffnen des Kühlerdeckels einen Lappen und öffnen den Kühler langsam, damit Dampf ohne Gefährdung austreten kann.
| Wartungsintervall | Wartungsmaßnahmen |
|---|---|
| Bei jeder Verwendung oder täglich |
|
Entfernen Sie den Schmutz vom Motorbereich, dem Öl- und Motorkühler täglich. Reinigen Sie unter besonders schmutzigen Bedingungen häufiger.
Parken Sie die Maschine auf einer ebenen Fläche, senken die Schneideinheiten ab, aktivieren die Feststellbremse, stellen den Motor ab und ziehen den Zündschlüssel ab.
Entriegeln und schwenken Sie das hintere Gitter in die geöffnete Stellung (Bild 78).

Entfernen Sie alle Schmutzrückstände aus dem Drehgitter.
Note: Wenn Sie das Drehgitter entfernen möchten, heben Sie es aus den Gelenkstiften heraus.
Reinigen Sie beide Seiten des Ölkühler- und des Kühlerbereichs (Bild 79) gründlich mit Druckluft. Blasen Sie Rückstände von vorne nach hinten heraus. Reinigen Sie dann von hinten und blasen Sie nach vorne. Wiederholen Sie diesen Vorgang mehrmals, bis alle Rückstände entfernt sind.

Important: Das Reinigen des Kühlers bzw. Ölkühlers mit Wasser kann zu frühzeitigem Verrosten, einer Beschädigung der Bauteile und Verdichten der Ablagerungen führen.
Schließen Sie das hintere Gitter und befestigen es mit dem Riegel.
Stellen Sie die Betriebsbremsen ein, wenn das Bremspedal mehr als 13 mm Spiel hat, oder wenn die Bremsen nicht mehr gut genug greifen. Als Spiel gilt die Entfernung, die das Bremspedal zurücklegt, bevor ein Bremswiderstand spürbar ist.
Parken Sie die Maschine auf einer ebenen Fläche, senken die Schneideinheiten ab, aktivieren die Feststellbremse, stellen den Motor ab und ziehen den Zündschlüssel ab.
Ziehen Sie die Sperrlasche aus den Bremspedalen heraus, so dass beide Bremsen unabhängig voneinander wirken können.
Ziehen Sie die Bremsen wie folgt an, um das Spiel der Bremspedale zu reduzieren:
Lockern Sie die vordere Mutter an der Gewindeseite des Bremszuges (Bild 80).

Ziehen Sie die hintere Mutter an, um den Zug nach hinten zu bewegen, bis die Bremspedale ein Spiel von 0 mm bis 13 mm aufweisen.
Note: Stellen Sie sicher, dass keine Bremsspannung besteht, wenn das Pedal gelöst ist.
Ziehen Sie die vordere Mutter fest, wenn die Bremsen einwandfrei eingestellt sind.
| Wartungsintervall | Wartungsmaßnahmen |
|---|---|
| Alle 100 Betriebsstunden |
|
Bei einer richtigen Spannung lässt sich der Riemen 10 mm durchbiegen, wenn eine Kraft von 45 N in der Mitte zwischen den Riemenscheiben angesetzt wird.
Lockern Sie bei einer Durchbiegung von mehr oder weniger als 10 mm die Befestigungsschrauben der Lichtmaschine (Bild 81).

Erhöhen oder verringern Sie die Spannung des Lichtmaschinenriemens und ziehen die Schrauben fest.
Prüfen Sie die Riemenspannung noch einmal auf korrekte Einstellung.
Suchen Sie beim Einspritzen unter die Haut sofort einen Arzt auf. In die Haut eingedrungene Flüssigkeit muss sie innerhalb weniger Stunden von einem Arzt entfernt werden.
Stellen Sie sicher, dass alle Hydraulikschläuche und -leitungen in gutem Zustand und alle Hydraulikverbindungen und -anschlussstücke fest angezogen sind, bevor Sie die Hydraulikanlage unter Druck setzen.
Halten Sie Ihren Körper und Ihre Hände von Nadellöchern und Düsen fern, aus denen Hydrauliköl unter hohem Druck ausgestoßen wird.
Gehen Sie hydraulischen Undichtheiten nur mit Pappe oder Papier nach.
Lassen Sie den Druck in der Hydraulikanlage auf eine sichere Art und Weise ab, bevor Sie irgendwelche Arbeiten an der Hydraulikanlage durchführen.
| Wartungsintervall | Wartungsmaßnahmen |
|---|---|
| Bei jeder Verwendung oder täglich |
|
Der Hydraulikbehälter wird im Werk mit ca. 28,4 l Hydrauliköl guter Qualität gefüllt. Prüfen Sie den Stand des Hydrauliköls vor dem ersten Anlassen des Motors und dann täglich.
Als Ersatzflüssigkeit wird Toro Premium All Season-Hydrauliköl erhältlich in Eimern mit 19 l oder Fässern mit 208 l empfohlen. Die Bestellnummern finden Sie im Ersatzteilkatalog oder wenden Sie sich an den offiziellen Toro-Vertragshändler.
Ersatzölsorten: Wenn das Öl von Toro nicht erhältlich ist, können Sie andere konventionelle Ölsorten auf Petroleumbasis verwenden, solange die folgenden Materialeigenschaften und Industriestandards erfüllt werden. Wenden Sie sich an den Hydrauliköllieferanten, um zu erfahren, ob das Öl diese technischen Daten erfüllt.
Note: Toro haftet nicht für Schäden, die aus einem unsachgemäßen Ersatz entstehen. Verwenden Sie also nur Produkte namhafter Hersteller, die für die Qualität ihrer Produkte garantieren.
| Hydrauliköl (hoher Viskositätsindex, niedriger Stockpunkt, abnutzungshemmend, ISO VG 46, mehrgradig | |||
| Materialeigenschaften: | |||
| Viskosität, ASTM D445 | cSt @ 40 °C, 44 bis 50cSt @ 100 °C, 7,9 bis 9,1 | ||
| Viskositätsindex ASTM D2270 | 140 oder höher (ein hoher Viskositätsindex gibt ein mehrgewichtiges Öl an) | ||
| Stockpunkt, ASTM D97 | -34 °C bis -45 °C | ||
| FZG, Defektphase | 11 oder höher | ||
| Wasseranteil (neue Flüssigkeit) | 500 ppm (Maximum) | ||
| Technische Daten der Branche: | |||
| Vickers I-286-S, Vickers M-2950-S, Denison HF-0, Vickers 35 VQ 25 (Eaton ATS373-C) | |||
Die richtigen Hydrauliköle müssen für Mobilgeräte (im Gegensatz zur industriellen Werksnutzung) angegeben werden, mehrgewichtiger Typ, mit abnutzungshemmenden ZnDTP- oder ZDDP-Paket (kein aschenloses Öl).
Important: Nach unseren Erfahrungen hat sich ISO VG 46-Mehrbereichsöl bei verschiedenen Temperaturbedingungen als optimal erwiesen. Bei Einsatz der Maschine in konstant warmen Klima, 18 °C bis 49 °C, kann das Hydrauliköl ISO VG 68 die Leistung verbessern.
Biologisch abbaubares Hydrauliköl Mobil EAL EnviroSyn 46H
Important: Mobil EAL EnviroSyn 46H ist das einzige biologisch abbaubare Öl, das von Toro zugelassen ist. Dieses Öl ist mit den Elastomeren kompatibel, die in den Hydraulikanlagen von Toro verwendet werden, und eignet sich für viele Klimata. Dieses Öl ist mit konventionellen Ölen kompatibel. Sie sollten die Hydraulikanlage jedoch gründlich spülen, um das konventionelle Öl zu entfernen, um die beste biologische Abbaubarkeit und Leistung zu erhalten. Das Öl ist in Behältern mit 19 Litern oder Fässern mit 208 Litern vom Mobil-Händler erhältlich.
Important: Viele Hydraulikölsorten sind fast farblos, was das Ermitteln von undichten Stellen erschwert. Als Beimischmittel für das Hydrauliköl können Sie ein rotes Färbmittel in 20 ml Flaschen kaufen. Eine Flasche reicht für 15-22 l Hydrauliköl. Sie können es unter der Teilenummer 44-2500 über Ihren Toro-Vertragshändler beziehen.
Parken Sie die Maschine auf einer ebenen Fläche, senken die Schneideinheiten ab, aktivieren die Feststellbremse, stellen den Motor ab und ziehen den Zündschlüssel ab.
Reinigen Sie den Bereich um den Füllstutzen und den Deckel des Hydraulikbehälters (Bild 82).

Drehen Sie den Deckel vom Einfüllstutzen ab.
Entfernen Sie den Peilstab aus dem Einfüllstutzen und wischen ihn mit einem sauberen Lappen ab.
Stecken Sie den Peilstab in den Einfüllstutzen und ziehen ihn dann heraus, um den Ölstand zu prüfen.
Der Ölstand sollte sich zwischen den beiden Markierungen am Peilstab befinden.
Gießen Sie, wenn der Ölstand zu niedrig ist, Öl der korrekten Sorte in den Einfüllstutzen, bis der Ölstand die obere Markierung erreicht.
Führen Sie den Peilstab in den Füllstutzen ein.
| Wartungsintervall | Wartungsmaßnahmen |
|---|---|
| Alle 800 Betriebsstunden |
|
Wenn das Öl verunreinigt wird, wenden Sie sich an den offiziellen Toro-Vertragshändler, da die Anlage gespült werden muss. Verunreinigtes Öl sieht im Vergleich zu sauberem Öl milchig oder schwarz aus.
Parken Sie die Maschine auf einer ebenen Fläche, senken die Schneideinheiten ab, aktivieren die Feststellbremse, stellen den Motor ab und ziehen den Zündschlüssel ab.
Öffnen Sie die Motorhaube.
Schließen Sie den Ablasshahn an der Unterseite des Ölbehälters ab und lassen das Hydrauliköl in eine große Auffangwanne ab.
Schließen Sie die Leitung wieder an, wenn kein Hydrauliköl mehr ausströmt.
Füllen Sie den Behälter mit ca. 28,4 Litern Hydrauliköl, siehe Prüfen des Hydraulikölstands.
Important: Verwenden Sie nur die angegebenen Hydraulikölsorten. Andere Ölsorten können die Hydraulikanlage beschädigen.
Schrauben Sie den Behälterdeckel wieder auf.
Starten Sie den Motor und benutzen alle hydraulischen Bedienelemente, um das Hydrauliköl in der ganzen Anlage zu verteilen.
Prüfen Sie auf undichte Stellen und stellen den Motor ab.
Prüfen Sie den Ölstand und gießen so viel Öl ein, dass der Ölstand die Voll-Markierung am Peilstab erreicht.
Note: Überfüllen Sie die Hydraulikanlage nicht.
| Wartungsintervall | Wartungsmaßnahmen |
|---|---|
| Nach 200 Betriebsstunden |
|
| Alle 800 Betriebsstunden |
|
Verwenden Sie Ersatzfilter von Toro, Bestellnummer 94-2621, für das Heck der Maschine (Schneideinheit) und Bestellnummer 75-1310 für das vordere Ende der Maschine (Ladegerät).
Important: Der Einsatz anderer Filter führt u. U. zum Verlust Ihrer Garantieansprüche für einige Teile.
Parken Sie die Maschine auf einer ebenen Fläche, senken die Schneideinheiten ab, aktivieren die Feststellbremse, stellen den Motor ab und ziehen den Zündschlüssel ab.
Reinigen Sie den Anbaubereich des Filters.
Stellen Sie eine Auffangwanne unter den Filter (Bild 83 und Bild 84) und entfernen diesen.
Ölen Sie die neue Filterdichtung ein und füllen den Filter mit Hydrauliköl.


Stellen Sie sicher, dass der Anbaubereich des Filters sauber ist.
Drehen Sie den neuen Filter ein, bis die Dichtung die Ansatzfläche berührt; ziehen Sie dann den Filter um eine weitere ½ Umdrehung fester.
Lassen Sie den Motor an und lassen ihn ca. zwei Minuten lang laufen, um die Anlage zu entlüften.
Stellen Sie den Motor ab und prüfen Sie auf Undichtigkeiten.
| Wartungsintervall | Wartungsmaßnahmen |
|---|---|
| Bei jeder Verwendung oder täglich |
|
Parken Sie die Maschine auf einer ebenen Fläche, senken die Schneideinheiten ab, aktivieren die Feststellbremse, stellen den Motor ab und ziehen den Zündschlüssel ab.
Prüfen Sie die Hydraulikleitungen und Schläuche täglich auf Dichtheit, Knicke, lockere Stützteile, Abnutzung, lockere Anschlussstücke, witterungsbedingte Minderung und chemischen Angriff. Führen Sie vor Verwendung der Maschine alle erforderlichen Reparaturen durch.
Eine abgenutzte oder beschädigte Schneideinheit kann zerbrechen und ein Teil der Spindel oder des Untermessers kann herausgeschleudert werden und Sie oder Unbeteiligte treffen und schwere oder tödliche Verletzungen verursachen.
Prüfen Sie die Schneideinheiten regelmäßig auf Abnutzung und Defekte.
Passen Sie beim Prüfen der Schneideinheiten auf. Wickeln Sie die Messer in einen Lappen ein oder tragen Sie Handschuhe; gehen Sie bei der Wartung der Spindeln und Untermesser vorsichtig vor. Die Spindeln und Untermesser sollten nur ersetzt oder geschärft werden; sie dürfen keinesfalls geglättet oder geschweißt werden.
Denken Sie bei Maschinen mit mehreren Schnittmessern daran, dass eine sich drehende Spindel das Mitdrehen anderer Messer verursachen kann.
Kontakt mit den Spindeln oder anderen beweglichen Teilen kann zu Verletzungen führen.
Berühren Sie Spindeln und andere bewegliche Teile nicht mit den Fingern, Händen und Bekleidung.
Versuchen Sie nie, die Spindeln per Hand oder Fuß in Gang zu bringen, während der Motor läuft.
Note: Beim Läppen laufen alle Frontgeräte und alle Heckgeräte zusammen.
Parken Sie die Maschine auf einer ebenen Fläche, senken die Schneideinheiten ab, aktivieren die Feststellbremse, stellen den Motor ab und stellen den Zapfwellenschalter in die AUS-Stellung.
Entriegeln und heben Sie die Motorhaube an, um die Bedienelemente frei zu legen.
Stellen Sie zuerst die Spindeln und Untermesser für das Läppen an allen Schneideinheiten ein, die Sie läppen möchten, siehe Bedienungsanleitung der Schneideinheit.
Wählen Sie entweder den vorderen, hinteren oder beide Läpphebel aus, um festzulegen, welche Geräte geläppt werden (Bild 85).
Lassen Sie den Motor an und lassen Sie ihn mit niedrigen Drehzahlen laufen.
Das Verändern der Motordrehzahl beim Läppen kann zum Festfahren der Spindeln führen.
Verändern Sie die Motordrehzahl nie, während Sie die Spindeln läppen.
Läppen Sie nur mit einer niedrigen Motordrehzahl.
Der Kontakt mit den Schneideinheiten kann zu Verletzungen führen.
Stellen Sie sicher, dass Sie die Schneideinheiten nicht berühren, bevor Sie fortfahren.
Stellen Sie den Mähgeschwindigkeitsbegrenzer in die MäH-Stellung und stellen Sie den Zapfwellenschalter in die EIN-Stellung.
Drücken Sie den Hubschalter, um das Läppen an den entsprechenden Spindeln zu beginnen.
Tragen Sie Schleifpaste mit einer langstieligen Bürste auf.
Note: Verwenden Sie nie eine Bürste mit kurzem Stiel.

Wenn die Spindeln beim Läppen anhalten oder ungleichmäßig laufen, erhöhen Sie die Fahrgeschwindigkeit, bis sich die Geschwindigkeit stabilisiert.
Wenn Sie die Schneideinheiten beim Läppen einstellen möchten, schalten Sie die Spindeln ab, indem Sie hinten auf den Hubschalter drücken; stellen Sie den Zapfwellenschalter in die AUS-Stellung und stellen den Motor ab. Wiederholen Sie nach dem Abschluss der Einstellungen die Schritte 5 bis 9.
Wiederholen Sie diesen Vorgang für alle Schneideinheiten, die Sie läppen möchten.
Stellen Sie nach dem Läppen die Läppenhebel wieder in die MäH-Stellung, senken Sie die Abdeckung ab und waschen die Schleifpaste von den Schneideinheiten ab. Stellen Sie das Untermesser der Schneideinheit zur Spindel ein. Stellen Sie die Bedienelemente für die Schneideinheitspindeldrehzahl auf die gewünschte Mähstellung.
Important: Wenn Sie den Läppenschalter nach dem Läppen nicht in die AUS-Stellung stellen, können die Schneideinheiten weder richtig angehoben noch eingesetzt werden.
Note: Weitere Anleitungen und Schritte zum Läppen finden Sie im Toro Handbuch Läppen von Spindel und Sichelmähern, Form No. 90300SL.
Note: Um eine noch bessere Schnittkante zu erzielen, feilen Sie nach dem Läppen die Vorderseite des Untermessers. Auf diese Weise werden Grate oder raue Kanten beseitigt, die sich möglicherweise an der Schnittkante gebildet haben.
Parken Sie die Maschine auf einer ebenen Fläche, senken Sie die Mähwerke ab, aktivieren Sie die Feststellbremse, stellen Sie den Motor ab und ziehen Sie den Zündschlüssel ab.
Reinigen Sie die Zugmaschine, Mähwerke und den Motor gründlich.
Prüfen Sie den Reifendruck, siehe Prüfen des Reifendrucks.
Prüfen Sie auf lockere Befestigungsteile und ziehen diese bei Bedarf fest.
Fetten und ölen Sie alle Schmiernippel und Drehpunkte ein. Wischen Sie überflüssiges Fett ab.
Schmirgeln Sie alle Lackschäden leicht und bessern Bereiche aus, die angekratzt, abgesprungen oder verrostet sind. Reparieren Sie alle Blechschäden.
Warten Sie den Akku und die Kabel wie folgt; siehe Hinweise zur Sicherheit der Elektroanlage:
Entfernen Sie die Akkuklemmen von den Akkupolen.
Reinigen Sie den Akku, die Akkuklemmen und -pole mit einer Drahtbürste und Natronlauge.
Überziehen Sie die Kabelklemmen und Akkupole mit Grafo 112X-Fett (Toro-Bestellnummer 505-47) oder mit Vaseline, um einer Korrosion vorzubeugen.
Laden Sie den Akku alle 60 Tage 24 Stunden lang langsam auf, um einer Bleisulfation des Akkus vorzubeugen.
Lassen Sie das Motoröl in eine Auffangwanne ablaufen und schrauben die Ablassschraube wieder ein.
Entfernen und entsorgen Sie den Ölfilter. Montieren Sie einen neuen Ölfilter.
Füllen Sie das vorgegebene Motoröl in den Motor an.
Lassen Sie den Motor an und lassen Sie ihn ca. 2 Minuten lang im Leerlauf laufen.
Stellen Sie den Motor ab und ziehen Sie den Schlüssel ab.
Spülen Sie den Kraftstofftank mit frischem, sauberem
Befestigen Sie alle Anschlussstücke der Kraftstoffanlage.
Reinigen und warten Sie den Luftfilter gründlich.
Dichten Sie die Ansaugseite des Luftfilters und das Auspuffrohr mit witterungsbeständigem Klebeband ab.
Prüfen Sie den Frostschutz und füllen bei Bedarf eine 50/50-Mischung aus Wasser und Ethylenglykol-Frostschutzmittel ein, die den in Ihrer Region zu erwartenden Mindesttemperaturen entsprechen muss.