Mantenimiento
Note: Los lados derecho e izquierdo de la máquina se determinan desde la posición normal del operador.
Calendario recomendado de mantenimiento
| Intervalo de mantenimiento y servicio | Procedimiento de mantenimiento |
|---|---|
| Cada vez que se utilice o diariamente |
|
| Cada 50 horas |
|
Lista de comprobación – mantenimiento diario
Duplique esta página para su uso rutinario.
| Elemento a comprobar | Para la semana de: | ||||||
|---|---|---|---|---|---|---|---|
| Lun. | Mar. | Miér. | Jue. | Vie. | Sáb. | Dom. | |
| Compruebe la condición de las cuchillas | |||||||
| Compruebe la condición de los cables eléctricos | |||||||
| Lubrique todos los engrasadores 1 | |||||||
| Retoque cualquier pintura dañada | |||||||
| Limpie la unidad de corte | |||||||
|
1. Inmediatamente después de cada lavado, aunque no corresponda a uno de los intervalos citados. |
|||||||
| Anotación para áreas problemáticas: | ||
| Inspección realizada por: | ||
| Elemento | Fecha | Información |
Cuidado
Si deja la llave en el interruptor de encendido, alguien podría arrancar la máquina accidentalmente y causar lesiones graves a usted o a otras personas.
Retire la llave del interruptor y gire el interruptor de desconexión de la batería a la posición de DESCONECTADO antes de realizar cualquier operación de mantenimiento.
Engrase de los casquillos de los brazos de las ruedas giratorias
| Intervalo de mantenimiento y servicio | Procedimiento de mantenimiento |
|---|---|
| Cada vez que se utilice o diariamente |
|
| Cada 50 horas |
|
La máquina tiene engrasadores que deben ser lubricados regularmente con grasa de litio N.º 2.
-
Aparque la máquina en una superficie nivelada, baje la unidad de corte, apague la máquina, retire la llave y gire el interruptor de desconexión de la batería a la posición de DESCONECTADO.
-
Lubrique los casquillos de los brazos de las ruedas giratorias (Figura 17).

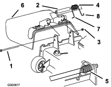
Retirada de la unidad de corte de la unidad de tracción
-
Aparque la máquina en una superficie nivelada con la unidad de corte elevada.
-
Retire los pasadores de altura de corte (Figura 18) de las placas laterales de la unidad de corte.

-
Baje la unidad de corte, apague la máquina y retire la llave.
-
Retire los pernos y las arandelas que fijan los brazos de elevación a los brazos de las ruedas giratorias (Figura 19).

-
Desconecte el conector de la unidad de corte del conector de la máquina (Figura 20).

-
Instale una tapa en el conector de la unidad de corte y el conector de la máquina (Figura 21).

Mantenimiento de los casquillos de las ruedas giratorias
Los brazos de las ruedas giratorias tienen casquillos colocados a presión en las partes superior e inferior del tubo, que se desgastan después de muchas horas de uso.
Para comprobar los casquillos, mueva la horquilla hacia delante y hacia atrás y de un lado a otro. Si el eje tiene holgura dentro de los casquillos, los casquillos están desgastados; cámbielos.
-
Aparque la máquina en una superficie nivelada, baje la unidad de corte, apague la máquina, retire la llave y gire el interruptor de desconexión de la batería a la posición de DESCONECTADO.
-
Retire el casquillo tensor, el/los espaciador(es) y la arandela de empuje de la parte superior del eje de la rueda giratoria.
-
Retire el eje de la rueda giratoria del tubo de montaje. Deje la arandela de empuje y el/los espaciador(es) en la parte inferior del eje.
-
Inserte un botador fino en la parte superior o inferior del tubo de montaje y dé golpes hasta retirar el casquillo del tubo (Figura 22). Extraiga también el otro casquillo del tubo. Limpie el interior de los tubos para eliminar toda suciedad.

-
Aplique grasa al interior y al exterior de los casquillos nuevos. Utilice un martillo y una chapa plana para introducir los casquillos nuevos en el tubo de montaje.
-
Inspeccione el eje de la rueda giratoria para ver si está desgastado, y cámbielo si está dañado.
-
Introduzca el eje de la rueda giratoria a través de los casquillos y del tubo de montaje, coloque la arandela de empuje y los espaciadores en el eje e instale el casquillo tensor en el eje.
Mantenimiento de las cuchillas de corte
Seguridad de las cuchillas
Una cuchilla desgastada o dañada puede romperse, y un trozo de la cuchilla podría ser arrojado hacia usted u otra persona, provocando lesiones personales graves o la muerte.
-
Inspeccione periódicamente las cuchillas, para asegurarse de que no están desgastadas ni dañadas.
-
Tenga cuidado al comprobar las cuchillas. Envuelva las cuchillas o lleve guantes, y extreme las precauciones al realizar el mantenimiento de las cuchillas. Solo reemplace o afile las cuchillas; no las enderece ni las suelde nunca.
Verificación de la rectilinealidad de las cuchillas
Después de golpear un objeto extraño, inspeccione la máquina y repare cualquier daño antes de arrancar y utilizar el equipo.
-
Aparque la máquina en una superficie nivelada, eleve la unidad de corte a la posición de TRANSPORTE, apague la máquina, retire la llave y gire el interruptor de desconexión de la batería a la posición de DESCONECTADO.
-
Eleve la unidad de corte a la posición de MANTENIMIENTO; consulte el Manual del operador de la unidad de tracción.
-
Gire la cuchilla hasta que los extremos estén orientados hacia adelante y hacia atrás, y mida desde el interior de la unidad de corte al filo de corte en la parte delantera de la cuchilla (Figura 23).
Note: Anote esta dimensión.

-
Gire el otro extremo de la cuchilla hacia adelante, y mida entre la unidad de corte y el filo de corte de la cuchilla, en la misma posición que en el paso 3.
Note: La diferencia entre las dimensiones obtenidas en los pasos 3 y 4 no debe superar los 3 mm (⅛"). Si esta dimensión es superior a 3 mm (⅛"), la cuchilla está doblada y debe ser cambiada; consulte .Retirada e instalación de las cuchillas de la unidad de corte
Retirada e instalación de las cuchillas de la unidad de corte
Cambie la cuchilla si ha golpeado un objeto sólido, si está desequilibrada o si está doblada. Utilice siempre piezas de repuesto genuinas de Toro para garantizar la seguridad y un rendimiento óptimo.
-
Aparque la máquina en una superficie nivelada, eleve la unidad de corte a la posición de TRANSPORTE, apague la máquina, retire la llave y gire el interruptor de desconexión de la batería a la posición de DESCONECTADO.
-
Eleve la unidad de corte a la posición de MANTENIMIENTO; consulte el Manual del operador de la unidad de tracción.
-
Coloque una llave inglesa en la zona plana del retén de la cuchilla, o agarre el extremo de la cuchilla usando un trapo o un guante grueso.
-
Retire el perno de la cuchilla, la arandela y la cuchilla del eje.

-
Instale la cuchilla en el eje.
Asegúrese de que la arandela está orientada como se muestra en la Figura 25 para asegurar un corte correcto.
Advertencia
Si se utiliza la máquina después de instalar de forma incorrecta el conjunto de la cuchilla, o si no se usan piezas y fijaciones genuinos de Toro, una cuchilla o uno de sus componentes podría salir despedido desde debajo de la carcasa y causar lesiones graves o la muerte.
Instale siempre cuchillas y fijaciones genuinos de Toro siguiendo las instrucciones.

-
Coloque una llave en la zona plana del eje y apriete el perno de la cuchilla a 75-81 N·m (55-60 pies-libra).
Inspección y afilado de las cuchillas de las unidades de corte
| Intervalo de mantenimiento y servicio | Procedimiento de mantenimiento |
|---|---|
| Cada vez que se utilice o diariamente |
|
Tanto el filo de corte como la vela, que es la parte inclinada hacia arriba frente al filo de corte, contribuyen a una buena calidad de corte.
Mantenga las cuchillas afiladas durante toda la temporada de siega. Con unas cuchillas afiladas se obtiene un corte limpio de la hierba sin rasgar o deshilachar las hojas.
Inspeccione las cuchillas en busca de desgaste o daños. La vela levanta y endereza la hoja de hierba para producir un corte uniforme, y con el uso se va desgastando.
-
Aparque la máquina en una superficie nivelada, eleve la unidad de corte a la posición de TRANSPORTE, apague la máquina, retire la llave y gire el interruptor de desconexión de la batería a la posición de DESCONECTADO.
-
Eleve la unidad de corte a la posición de MANTENIMIENTO; consulte el Manual del operador de la unidad de tracción.
-
Examine cuidadosamente los extremos de corte de la cuchilla, sobre todo en el punto de reunión entre la parte plana y la parte curva de la cuchilla (Figura 26).
Note: Puesto que la arena y cualquier material abrasivo pueden desgastar el metal que conecta las partes curva y plana de la cuchilla, compruebe la cuchilla antes de utilizar el cortacésped. Si se aprecia desgaste (Figura 26), cambie la cuchilla.

-
Inspeccione los filos de corte de todas las cuchillas, y afílelos si están romos o tienen mellas (Figura 27).
Note: Afile únicamente la parte superior del filo y mantenga el ángulo de corte original para asegurar un filo correcto (Figura 27). La cuchilla permanece equilibrada si se retira la misma cantidad de material de ambos filos de corte.

Note: Retire las cuchillas y afílelas con una muela. Después de afilar los filos de corte, instale la cuchilla; consulte Retirada e instalación de las cuchillas de la unidad de corte.
Cambio del deflector de hierba
Advertencia
Si el hueco de descarga se deja destapado, la máquina podría arrojar objetos hacia usted o hacia otras personas y causar lesiones graves. También podrían producirse contactos con la cuchilla.
-
No utilice la máquina sin tener instalada una tapa, una tapa de mulching o un conducto de hierba y recogedor.
-
Asegúrese de que el deflector de hierba está bajado.
-
Aparque la máquina en una superficie nivelada, baje la unidad de corte, apague la máquina, retire la llave y gire el interruptor de desconexión de la batería a la posición de DESCONECTADO.
-
Retire la contratuerca, el perno, el muelle y el espaciador que sujetan el deflector a los soportes de pivote (Figura 28). Retire el deflector de hierba dañado o desgastado.
-
Coloque el espaciador y el muelle en el deflector de hierba. Coloque el extremo en L del muelle detrás del reborde de la unidad de corte.
Note: Asegúrese de colocar el extremo en L del muelle detrás del reborde de la unidad de corte antes de instalar el perno, según se muestra en la Figura 28.
-
Instale el perno y la tuerca. Coloque el gancho en J del muelle alrededor del deflector de hierba (Figura 28).
Important: Debe poder bajar el deflector de hierba a su posición. Levante el deflector para verificar que puede bajar del todo.

Comprobación de los cables eléctricos
| Intervalo de mantenimiento y servicio | Procedimiento de mantenimiento |
|---|---|
| Cada vez que se utilice o diariamente |
|
Compruebe la condición del cable del conector de la unidad de corte y de los cables del motor de las cuchillas (Figura 29) en busca de daños o desgaste. Haga todas las reparaciones necesarias antes de utilizar la máquina.

Limpieza de la parte inferior de la unidad de corte
| Intervalo de mantenimiento y servicio | Procedimiento de mantenimiento |
|---|---|
| Cada vez que se utilice o diariamente |
|
Retire a diario cualquier acumulación de hierba de debajo de la unidad de corte.
Important: No utilice un lavador a presión y no rocíe los componentes eléctricos de la parte superior de la unidad de corte con agua directamente, porque podría dañar los motores y otros componentes eléctricos.
Advertencia
Utilizar aire comprimido de forma inadecuada para limpiar la máquina podría causar lesiones graves.
-
Lleve equipos de protección personal adecuados, como por ejemplo protección ocular, protección auditiva y una mascarilla para protegerse del polvo.
-
No dirija aire comprimido hacia ninguna parte de su propio cuerpo ni el de otras personas.
-
Consulte las instrucciones del fabricante del compresor de aire para obtener información sobre su manejo y sobre la seguridad.
-
Aparque la máquina en una superficie nivelada, eleve la unidad de corte a la posición de TRANSPORTE, apague la máquina, retire la llave y gire el interruptor de desconexión de la batería a la posición de DESCONECTADO.
-
Eleve la unidad de corte a la posición de MANTENIMIENTO; consulte el Manual del operador de la unidad de tracción.
-
Limpie los residuos de debajo de la unidad de corte con aire comprimido o agua.
Important: No utilice un lavador a presión para limpiar la unidad de corte.


, que significa: Cuidado, Advertencia o Peligro
— instrucción relativa a la seguridad personal. El incumplimiento
de estas instrucciones puede dar lugar a lesiones personales o la
muerte.






















