保守
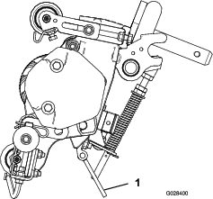
キックスタンドを使ってカッティングユニットを立てた状態にする
Note: バーチカッターを立てる場合には、必ずキックスタンド(トラクションユニットの付属品)をお使いください(図 12)。

バーチカッターの潤滑
ブレードをシャフトから取り外す
-
バーチカッターシャフトの一方の端(ワッシャが 1 枚とナットが 1 個ついている側)を万力に固定する。
-
シャフトの反対側についているナットを左回りに回し、ナットを取り外す。
注意
ブレードは非常に鋭利であり、バリなどがついていて手を怪我する恐れがある。
シャフトからブレードを外す時には保護手袋を着用すること。
-
小さいスペーサー、ワッシャー (モデル03619のみ)、ブレード、および大きいスペーサーを取り外す。組み立てを容易にするために、六角または四角シャフトを洗浄し、グリースを薄く塗布して潤滑する (図 15または図 14 )。

Important: 分解は手順が非常に重要です。ブレードを取り外す際にブレードの順序を入れ替えたり、組み立てるときに逆順にしたりしないでください。各バーチカッターの刃についている合印(穴)の位置に注意してください。この目印穴は、組み立ての際にバーチカッターリールが「正しいらせん形状」になるように組み立てるためのものです。

バーチカッタのブレードを取り付ける
-
ブレードを組み付ける (図 16)。
-
大きいスペーサを取り付ける。
-
組み付け時にブレードを裏返しにしないように注意すること。
Note: 一部の刃を裏返しに取り付けてしまうと、使用中の(摩耗した)側と未使用の側が入り混じってしまい、よい仕上がりが得られなくなります。
-
次のブレードを右に 1/6 回転ずらして、つまり、合い印が面一枚分右にずれるようにして、取り付ける(図 16)。

-
以上の手順を繰り返しながら、ブレードとスペーサを交互に、最後まで取り付けてゆく。
Note: 正しく組み上がっていれば、リール全体がきれいにねじれた形状の円柱となる。
-
小さいスペーサをシャフトに取り付ける。
-
ナットに青色ロクタイト #242 を塗る。シャフトにナットを (ナットの面取り面をスペーサに向けて)取り付け、109~135N·m (11.1~13.8kg.m = 80~100ft-lb) にトルク締めする。
標準以外のブレード間隔
ブレード間隔 13 mm(モデル 03618用)
バーチカッターのブレード間隔を標準(18 mm)から13 mm に変更するには、スペーサ(P/N 17-1580:34個)と、カーバイドブレード(P/N 106-6355:10枚)または通常のブレード(P/N 17-1590:10枚)を追加する必要があります(図 17)。

ブレード間隔 25 mm(モデル 03619用)
バーチカッターのブレード間隔を標準(30 mm)から25 mmに変更するには、スペーサ(P/N 140-5532:19個)と、カーバイドブレード(P/N 106-8625:4枚)または通常のブレード(P/N 3038-03:4枚)を追加する必要があります(図 18)。

ローラの整備
ローラの整備用として、ローラリビルドキット(Part No. 114–5430)およびローラリビルドツールキット(Part No. 115–0803)を販売しております(図 19)。ローラリビルドキットは、ローラの分解組み立てに必要なすべてのベアリング、ベアリングナット、内側シール、外側シールをセットにしたキットです。ローラリビルドツールキットは、ローラリビルドキットをつかってローラの再組み立てを行うのに必要な工具と説明書のキットです。詳細は、パーツカタログをご覧になるか、代理店にお問い合わせください。



のついている遵守事項は必ずお守りください 「注意」、「警告」、および「危険」
の記号は、人身の安全に関わる注意事項を示しています。これらの注意を怠ると死亡事故などの重大な人身事故が発生する恐れがあります。










